신승권
                     (Seung-Kwon Shin)
                     †iD
                     정호성
                     (Ho-Sung Jung)
                     1iD
               
                  - 
                           
                        (Smart Electrical & Signaling Division, Korea Railroad Research Institute, Korea)
                        
 
               
             
            
            
            Copyright © The Korean Institute of Electrical Engineers(KIEE)
            
            
            
            
            
               
                  
Key words
               
               Urban Railway Station, Bus Charging, Pnatograph-Type Automatic Charging Technology, Charging Infrastructure
             
            
          
         
            
                  1. 서 론
               전 세계적으로 환경오염에 따른 규제의 강화와 기름 값 상승으로 인해 각 산업분야에서 대체 에너지 개발을 서두르고 있으며, 전통적인 환경오염 유발산업인
                  자동차산업의 친환경 그린 에너지화가 부각되어 그 해결책으로 전기자동차에 대한 관심이 높아지고 있다.
               
               최근 온실가스 저감을 위해 정부 주도하에 친환경, 무탄소 교통수단 도입 활성화 정책에 따라 각 지자체에서는 CNG버스를 대체하여 전기버스를 도입하여
                  운영 중에 있다. 하지만 기존 전기버스에 적용하고 있는 플러그인방식의 충전시스템 문제점은 충전 커넥터부 및 외관 파손이 빈번히 발생하며, 충전시간이
                  길며 완충까지 70~80분이 소요된다. 또한, 충전시 전담인력이 필요하며 그로 인한 수당이 발생하여 전기버스 운영에 부담이 된다. 따라서 현재 유럽
                  및 북미에서 도입하고 있는 팬터그래프 방식의 충전기술 확보가 필요하며, 국내 차고지 환경에 적합한 팬터그래프방식 대용량 자동충전 기술개발이 진행되고
                  있다.
               
               하지만 전기버스 충전 인프라를 구축하기 위해서 초기비용 문제와 함께 충전인프라를 설치할 공간의 부재, 전력 수급의 문제 등이 있다. 이러한 문제를
                  해결하기 위해 본 논문에서는 철도 전력망을 이용하는 방법을 제안하고자 한다. 철도 전력은 철도운영에 필요한 전력을 제외하고 30~60% 정도의 여유전력을
                  보유하고 있어 기존에 철도 전력망을 이용하여 전기차 충전 인프라를 구축하는 다양한 방안과 연구가 진행되었으며, 철도 직류 급전망을 이용할 수 있는
                  직류 충전설비까지 개발이 되었다. 철도 직류 급전망을 이용한 팬터그래프 방식의 전기버스 충전시스템에 대한 개념을 설명하고, MATLAB Simulink와
                  PSIM을 이용한 전기버스 충전시스템 시뮬레이션을 통해 충·방전 적합성 및 타당성 등을 검증하였다.  
               
             
            
                  2. 서울 도시철도 역사 군집분석
               
                     2.1 전기철도 배전망
                  도시철도의 철도전력은 일반적으로 한전에서 22.9kV의 교류를 수전받아 6,600(229,00)/380V 또는 6,600(22,900)/220V 교류를
                     철도역사에 제공하고 있고, 철도 차량에는 직류 1,500V를 제공하고 있다. 철도 차량은 순간적으로 최대치의 전력을 활용하고 또한 순간적으로 부하가
                     0이 되는 부하의 특성을 가지고 있다. 철도차량의 피크전력을 사용하는 시간대를 피하여 철도의 직류 전력을 사용할 경우 변전설비의 효율적인 이용이 가능하고,
                     철도 전체 부하의 피크전력을 증가시키지 않으면서 대용량의 전기자동차 충전이 가능한 설비의 구성이 가능하다. 1,500V 철도 직류 전력을 활용한 DC
                     to DC 충전기의 경우 교류에서와 달리 대용량의 전력변환장치에서 AC/DC 컨버터를 제거할 수 있어 충전기의 가격 및 유지보수 등을 간소화 시킬
                     수 있는 장점이 있다. 전기철도는 전력공급자로부터 22.9[kV] 또는 154[kV]의 전기를 공급받아 철도 정거장내에 변전소를 건설하고 변압기를
                     통해 6.6[kV] 또는 22.9[kV]로 강압하고 각 정거장 전기실에 전기를 공급하여 일반전기설비에 사용하는 계통과 교류를 직류 1,500[V]로
                     변환하여 전동차에 공급하는 계통으로 구성된다. 그림 1은 전기철도의 전력시스템을 나타낸 그림이다.
                  
                  
                     
                     
                           
                           
그림 1 전기철도 배전망
                              
                           
                        
                        
                           
Fig. 1 Electrical Railway Power System
                              
                           
                         
                     
                  
                
               
                     2.2 전차선 급전용 전력공급 계통
                  전차선 급전용 전력공급계통은 전력공급자로부터 교류전력 22.9[kV]를 공급받아 변압기에서 1,200[V]로 변압하고, 정류기로 직류 1,500[V]로
                     변환하여 전차선에 전력을 공급한다. 전력공급자로부터 수전된 교류 전기를 직류로 바꾸어 전차선에 공급하는 직류 변성설비는 다이오드방식과 사이리스터 방식이
                     있으며, 본 연구의 시뮬레이션 모델에서는 서울을 비롯한 도시철도 방식에 주로 사용되는 다이오드 방식의 12펄스 정류 방식으로 모델링하였다.
                  
                
               
                     2.3 고압배전용 전력공급 계통
                  고압배전용 전력은 교류 6.6[kV]를 공급하여 각 전기실에서 저압으로 강압하여 공급하며 부하별로 1, 2, 3호계로 구분한다. 1, 2호계는 정거장과
                     터널내 조명, 동력, 신호, 통신 등에 전력을 공급하고, 3호계는 냉동기 및 터널 환기부하에 전력을 공급한다. 본 연구에서는 1, 2호계 전력을 사용하며
                     변압기는 3Φ4W, △-Y 결선으로 모델링 하였으며 6.6[kV]를 380/220[V]로 변환하였다.
                  
                
               
                     2.4 충전설비
                  충전설비에 사용되는 DC-DC 컨버터는 일반적으로 고압을 사용하기 때문에 절연형 컨버터를 사용한다. 하지만 컨버터는 스위칭 주파수가 증가함에 따라
                     스위칭 손실이 증가하여 시스템 효율을 저하시키는 요인으로 작용한다. 또한 이러한 스위칭 손실의 절감을 위해 사용되는 스너버 또는 보호회로로 인해 추가적인
                     제작비용의 손실이 초래된다. 풀 브리지 컨버터는 그림 2와 같은 구조를 가지며, 두 쌍의 스위치가 동시에 ON/OFF 동작을 하며, 스위치가 모두 OFF 되었을 때 부하의 전류는 다이오드 정류기를 통해
                     순환되며 이때 변압기의 누설인덕턴스와 스위칭 소자의 기생출력 커패시턴스와의 기생공진현상이 발생한다. 이러한 기생공진에 의한 영향을 줄이기 위한 위상천이
                     풀 브리지 컨버터는 안정한 영전압 스위칭 동장영역을 확보하기 위해 위상을 지연시킴으로서 변압기 이차 측 전압이 0인 시간동안 일차 측 스위치중 하나가
                     항상 ON상태가 되도록 제어한다. 이는 변압기의 누설인덕턴스와 스위칭 소자의 출력 커패시턴스의 기생공진문제를 해결할 수 있도록 누설인덕턴스에 따른
                     전류를 순환시키기 위한 경로를 제공해 준다. 따라서 별도의 스너버 회로가 필요치 않게 된다. 
                  
                  영전압 스위칭 방식은 스위칭 시 Turn-On 손실을 최소화하는 방식이며, 영전류 스위칭 방식은 Turn-Off 손실을 최소화하는 방식이다. 영전압
                     스위칭은 OFF시 영전류 스위칭은 ON시에 하드 스위칭과 똑같은 스위칭 손실을 가지므로 손실 면에서 큰 차이는 없다. 그러나 시스템의 용량이 커질수록
                     반도체 스위치에 인가되는 전압, 전류의 양과 비례하여 스위칭 손실도 증가하므로, Turn-On 손실과 Turn-Off 손실 중 어떠한 손실을 최소화하느냐에
                     따라 효율 개선에 차이가 난다. 스위칭 전원장치의 스위치로 주로 사용되는 MOSFET, IGBT는 일반적으로 Turn-Off 손실보다 Turn-On
                     손실이 크므로 영전압 스위칭 방식이 유리하다. 따라서 본 논문에서 사용되는 DC-DC 컨버터는 위상천이 풀브리지 토폴로지를 선정하였다. 
                  
                  
                     
                     
                           
                           
그림 2 위상천이 풀브리지 컨버터
                              
                           
                        
                        
                           
Fig. 2 Phase Shifted Full-Bridge Converter
                              
                           
                         
                     
                  
                  충전설비는 기존의 AC 방식과 철도 DC 방식이 있다. AC 방식은 교류 전력을 입력받아 정류회로와 DC/DC 컨버터를 거쳐 전기자동차 배터리 충전에
                     사용된다. EMI Filter는 여러 원인에 의해 발생하는 교류 Sine 파형의 노이즈를 제거한다. DC 방식은 AC 방식에서 교류를 직류로 바꾸어주는
                     정류 부분이 삭제된 형태이다. 
                  
                
             
            
                  3. 시뮬레이션
               
                     3.1 도시철도 전력망 구성
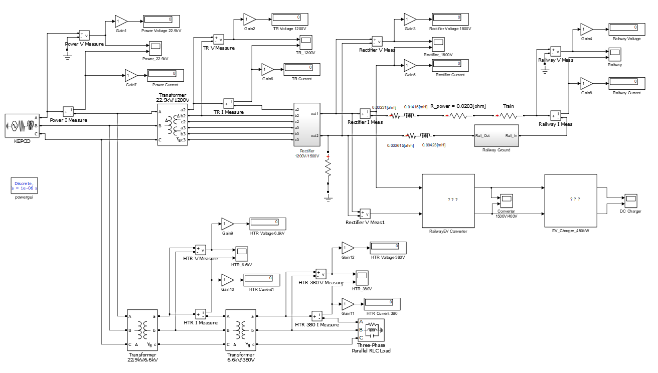
                  그림 3은 Matlab/Simulink을 이용하여 도시철도 DC전력망을 모델링한 그림이다. 열차 부하는 0.375[Ω]으로 고정하여 시뮬레이션 하였으며,
                     전차선 저항은 0.0203[Ω/km]이고, 정류기에서 전차선까지의 저항은 2.31[Ω]+j0.01415[mH], 레일시스템에서 부극단까지의 저항은
                     0.615[mΩ]+j0.00423[mH]로 하였다. 레일시스템의 경우 Fig 4와 같으며, 레일 저항, 누설전류 포집망 저항, 지하 파이프(수도관
                     및 가스관 등) 저항 등을 이용하여 모델링하였다.
                  
                  
                     
                     
                           
                           
 그림 3 도시철도 전력망 Simulink Model
                              
                           
                        
                        
                           
Fig. 3 Urban Railway Power System Simulink Model
                              
                           
                         
                     
                  
                  
                     
                     
                           
                           
그림 4 레일시스템 Simulink Model
                              
                           
                        
                        
                           
Fig. 4 Railway System Simulink Model
                              
                           
                         
                     
                  
                  고압배전용 전력은 교류 6.6[kV]를 공급하여 각 전기실에서 저압으로 강압하여 공급하며 부하별로 1, 2, 3호계로 구분한다. 1, 2호계는 정거장과
                     터널내 조명, 동력, 신호, 통신 등에 전력을 공급하고, 3호계는 냉동기 및 터널 환기부하에 전력을 공급한다. 본 연구에서는 1, 2호계 전력을 사용하며
                     변압기는 3Φ4W, △-Y 결선으로 모델링 하였으며 6.6[kV]를 380/220[V]로 변환하였다. 
                  
                
               
                     3.2 팬터그래프 방식 충전설비
                  팬터그래프 방식의 충전설비는 기존의 AC 방식과 철도 DC 방식이 있다. AC 방식은 교류 전력을 입력받아 정류회로와 DC/DC 컨버터를 거쳐 전기버스
                     팬터그래프에 전원을 공급하여 배터리 충전에 사용된다. DC 방식은 AC 방식에서 교류를 직류로 바꾸어주는 정류 부분이 삭제된 형태이며 AC 방식과
                     유사한 구조로 되어 있다. 두 방식 모두 출력 용량은 480[kW]로 최대 출력전압과 전류는 450[V]/1100[A]로 설계하였으며, 위상천이 풀
                     브리지 DC/DC 컨버터 토폴로지를 팬터그래프에 전원을 공급하는 충전기 모델로 사용하였다.
                  
                  철도전력망을 이용한 교류, 직류 전기자동차 충전인프라 구성시 충전설비는 PSIM을 활용하여 모델링하였으며, 충전기 내부의 DC-DC 컨버터의 토폴로지는
                     위상천이 Full-Bridge 컨버터로 가정하고 시뮬레이션을 하였다. DC-DC 컨버터의 경우 250KW급 컨버터 2개를 1개의 모듈로 구성하였으며,
                     480KW급의 용량을 설정하였다. 
                  
                  PSIM 입력 소스원의 경우 노이즈 없이 입력되는 모형이므로 EMI Filter는 제외하였으며, 배터리 모델의 경우 저항-커패시터 직렬회로로 리튬이온
                     폴리머 배터리를 등가화 하였다. 그림 4는 각 방식별 충전설비 구성을 PSIM을 이용하여 모델링한 그림이다. 표 1은 DC 충전시스템의 설계사양을 나타낸다.
                  
                  
                     
                     
                     
                     
                           
                           
 표 1 DC 충전시스템 설계 사양
                              
                           
                        
                        
                           
Table 1 Design Specification of DC Charging System 
                              
                           
                        
                        
                           
                           
                           
                                 
                                    
                                       | 
                                          
                                       			
                                        항목 
                                       			
                                     | 
                                    
                                          
                                       			
                                        DC 충전설비 
                                       			
                                     | 
                                    
                                          
                                       			
                                        대용량 DC충전설비 
                                       			
                                     | 
                                 
                                 
                                       | 
                                          
                                       			
                                        출력 
                                       			
                                     | 
                                    
                                          
                                       			
                                        용량 
                                       			
                                     | 
                                    
                                          
                                       			
                                        480kW 
                                       			
                                     | 
                                    
                                          
                                       			
                                        495kW 
                                       			
                                     | 
                                 
                                 
                                       | 
                                          
                                       			
                                        전압 
                                       			
                                     | 
                                    
                                          
                                       			
                                        DC 450V 
                                       			
                                     | 
                                    
                                          
                                       			
                                        DC 450V 
                                       			
                                     | 
                                 
                                 
                                       | 
                                          
                                       			
                                        전류 
                                       			
                                     | 
                                    
                                          
                                       			
                                        DC 1100A 
                                       			
                                     | 
                                    
                                          
                                       			
                                        DC 1100A 
                                       			
                                     | 
                                 
                                 
                                       | 
                                          
                                       			
                                        효율 
                                       			
                                     | 
                                    
                                          
                                       			
                                        >90% 
                                       			
                                     | 
                                    
                                          
                                       			
                                        >90% 
                                       			
                                     | 
                                 
                                 
                                       | 
                                          
                                       			
                                        입력 
                                       			
                                     | 
                                    
                                          
                                       			
                                        전압 
                                       			
                                     | 
                                    
                                          
                                       			
                                        DC 500V 
                                       			
                                     | 
                                    
                                          
                                       			
                                        DC 500V 
                                       			
                                     | 
                                 
                                 
                                       | 
                                          
                                       			
                                        전류 
                                       			
                                     | 
                                    
                                          
                                       			
                                        <1000A 
                                       			
                                     | 
                                    
                                          
                                       			
                                        <1000A 
                                       			
                                     | 
                                 
                                 
                                       | 
                                          
                                       			
                                        주파수 
                                       			
                                     | 
                                    
                                          
                                       			
                                        60Hz 
                                       			
                                     | 
                                    
                                          
                                       			
                                        60Hz 
                                       			
                                     | 
                                 
                                 
                                       | 
                                          
                                       			
                                        역률 
                                       			
                                     | 
                                    
                                          
                                       			
                                        >0.9 
                                       			
                                     | 
                                    
                                          
                                       			
                                        >0.9 
                                       			
                                     | 
                                 
                              
                           
                        
                      
                     
                  
                  그림 5는 PSIM을 이용한 DC 급속충전 시스템 설계를 한 그림이다. DC 급속충전설비의 경우 용량만 다르게 하여 시뮬레이션 하였다.
                  
                  
                     
                     
                           
                           
그림 5 DC 급속충전기 전력변환장치 Simulation
                              
                           
                        
                        
                           
Fig. 5 DC Fast Charging System Power Conversion Device Simulation
                              
                           
                         
                     
                  
                  컨버터의 출력 전압과 인덕터 전류를 제어하기 위해 이중 제어 루프를 이용한 제어 알고리즘을 이용하였다. 출력전압을 센싱하여 기준전압과 비교하여 오차신호를
                     만들며, 오차신호는 전압제어기에서 전류제어기의 기준 전류를 만든다. 또한 배터리는 정전류 모드로 충전되어야 하기때문에 컨버터의 기준전류는 배터리의
                     충전전류 값으로 제한되어야 한다. 기준 전류는 인덕터 전류와 비교하여 오차를 생성하여 내부 제어기로 전송하고, 비교기는 제어기의 출력과 삼각파를 비교하여
                     스위치들의 위상을 제어하기 위한 펄스 파형을 출력한다. 그림 6은 PSIM을 이용하여 설계한 DC-DC 컨버터 제어회로이다. 
                  
                  
                     
                     
                           
                           
그림 6 Converter 제어회로
                              
                           
                        
                        
                           
Fig. 6 Converter Controller Circuit
                              
                           
                         
                     
                  
                  전기자동차 급속 충전기의 단품을 놓고 보았을 때, 기존 급속 충전기는 AC 입력을 사용하여 AC-DC 변환 및 DC-DC 변환을 하는데 비해 DC
                     입력 급속충전기는 DC-DC 변환만 수행하므로 구조가 단순해지고, 기존의 AC 입력의 일반 급속충전기에 비해 전력변환 단계가 간략하여 효율이 증가하는
                     장점이 있다. 또한 내부 부품의 감소로 충전기의 크기 또한 감소시키고 제조비용도 저렴하다. 
                  
                
               
                     3.3 대용량 전원공급장치
                  철도 DC 급전시스템은 1500±500[V]의 전압레벨을 가지고 있으며, 철도부하에 따라 변위가 심하여 정전압 유지에 어려움이 있다. 따라서 DC
                     충전설비를 철도 급전시스템에 직접 입력하기 보다는 1단계로 400[V]로 전압을 강하하여 안정화시킨 다음, 강하된 전압을 입력으로 활용하는 대용량
                     전원공급장치가 필요하다. 대용량 전원공급장치의 경우 아래 그림과 같이 1[MW]급 이상으로 설계하여 2대 이상의 DC 충전설비를 수용하도록 하여 경제성을
                     도모할 수 있도록 하였다. 그림 7은 대용량 전원공급장치를 이용한 팬터그래프 방식의 전기버스 충전설비 개념도를 나타낸다. 
                  
                  
                     
                     
                           
                           
그림 7 철도 DC 배전망을 이용한 DC/DC 충전시스템 
                              
                           
                        
                        
                           
Fig. 7 DC/DC Charger using Railway DC Power System
                              
                           
                         
                     
                  
                
               
                     3.4 배터리 모델
                  전기버스의 배터리의 충전용량에 따른 충전설비의 효율변화를 알아보기 위해 리튬이온 폴리머 전지를 모델링하여 시뮬레이션 하였다. 배터리를 모델링하기 위한
                     여러 가지의 리튬이온 폴리머 배터리의 등가 임피던스 모델이 존재하지만 복잡한 배터리 모델링 방법 대신에 그림 8과 같이 저항-커패시터 직렬회로로 리튬이온 폴리머전지를 등가화한다. 등가모델에서의 Cb의 초기전압은 0이며, Vb는 이론상으로는 커패시터의 초기전압이고
                     충;방전 시스템에서는 리튬전지의 초기값이 된다. 리튬이온 폴리머 배터리의 등가모델에서 커패시터 Cb는 Q=CV 공식으로부터 추출 가능하다. 
                  
                  또한, 리튬이온 폴리머전지 모델에서의 Rb값을 결정하기 위해서는 실제 리튬이온 폴리머 전지의 충전시험을 수행하여 시정수 값을 구하여야 하지만 본 연구에서는
                     간단한 추세를 알아보기 위한 연구이므로 리튬이온 폴리머 전지의 일반적인 저항값인 50mΩ을 기준으로 시뮬레이션 하였다. 그림 9는 PSIM을 이용한 배터리 등가모델의 충전 시뮬레이션 파형의 일부로 충전설비를 통한 배터리의 충전여부 확인을 위해 실시하였다. 
                  
                  
                     
                     
                           
                           
그림 8 배터리 등가모델
                              
                           
                        
                        
                           
Fig. 8 Battery Equivalent Model
                              
                           
                         
                     
                  
                  
                     
                     
                           
                           
그림 9 리튬이온 폴리머 전지 충전 시뮬레이션 파형
                              
                           
                        
                        
                           
Fig. 9 Charging Simulation Wave Form
                              
                           
                         
                     
                  
                
               
                     3.5 통합 시뮬레이션 모델
                  전차선 급전용 전력공급계통과 고압배전용 전력공급계통을 함께 모델링하였으며 AC 충전설비와 대용량 전원공급장치, DC 충전설비 등의 전력변환 설비는
                     PSIM을 사용하여 모델링된 충전설비를 SimCoupler를 이용하여 Matlab/Simulink와 연동하여 통합 시뮬레이션을 하였다. 그림 10은 도시철도 시스템을 간략화한 MATLAB/Simulink 시뮬레이션 모델을 나타낸 그림이다. 
                  
                  
                     
                     
                           
                           
그림 10 Matlab/Simulink 시뮬레이션 모델
                              
                           
                        
                        
                           
Fig. 10 Matlab/Simulink Simulation Model of Urban Railway Substation
                              
                           
                         
                     
                  
                
             
            
                  4. 시뮬레이션 결과
               다음 그림 11은 팬터그래프 방식 충전설비의 배터리 충전 전류 및 전압를 나타낸 결과이다. 전압은 435V, 전류는 862A로 약 375kW의 충전 용량을 나타냈다.
                  
               
               
                  
                  
                        
                        
그림 11 팬터그래프 방식 충전설비 전류, 전압
                           
                        
                     
                     
                        
Fig. 11 Current, Voltage of Pantograph-type Charging System
                           
                        
                      
                  
               
               
                  
                  
                        
                        
그림 12 직류철도 전력망 전압, 전류
                           
                        
                     
                     
                        
Fig. 12 Voltage, Current of DC Railway Power system
                           
                        
                      
                  
               
               그림 12는 직류철도 전력망의 전압 및 전류를 나타낸다. 
               
             
            
                  5. 결 론
               본 논문에서는 전압 강하 및 정전압 유지를 할 수 있도록 직류 급전망과 직류 충전설비 사이에 전력변환 단계를 추가하는 방법을 제시하고 철도 직류 급전망을
                  이용한 팬터그래프 방식의 전기버스 충전시스템에 대한 개념을 설명하였다. 또한, MATLAB Simulink와 PSIM을 이용한 전기버스 충전시스템
                  시뮬레이션을 통해 충;방전에 따른 적합성 및 타당성 등을 검증하였다.
               
               Matlab/Simulink와 PSIM 등을 이용하여 전력변환 설비와 철도 급전망을 모델링하였으며, 이를 SimCoupler를 이용하여 연동하여 통합
                  시뮬레이션을 실행하였다. 직류 방식의 충전설비는 기존의 교류 방식의 충전 설비에 비해 부품 수 감소, 크기 감소, 단위 설비의 효율 증가 등의 장점이
                  있다. 또한 철도 직류 전압의 경우 변동량이 커서 전력설비 사용을 위한 철도계통의 측면을 고려하여 대용량 전원공급장치를 추가로 연계하여 전압레벨을
                  낮추고 안정화 시키는 것이 필요할 것으로 판단된다.
               
             
          
         
            
                  Acknowledgements
               
                  This research was supported by “Development and demonstration of a transfer type automatic
                  charging system for electric bus connection with roof connection method(20212020800110)”
                  of Korea Institute of Energy Technology Evaluation and Planning (KETEP).
                  
                  
               
             
            
                  
                     References
                  
                     
                        
                        Nasser H. Kutkut,  Glen Luckjiff, 1997, Current mode control of a full bridge dc-to-dc
                           converter with two inductor rectifier, Power Electronics Specialists Conference, Vol.
                           pesc '97 record, pp. 203-209

 
                      
                     
                        
                        C.C Chan, K.T Chau, 2001, Modern electric vehicle technology, Oxford University Press

 
                      
                     
                        
                        J. Carlos Gomez, Medhat M. Morcos, July 2003, Impact of EV Battery Chargers on the
                           Power Quality of Distribution Systems, IEEE Transactions on Power Delivery, Vol. 18

 
                      
                     
                        
                        John Gartner, Clint Wheelock, 2011, Electric Vehicle Charging Equipment, PikeResearch

 
                      
                     
                        
                        Seungkwon Shin, Kiwon Lee, Chulmin PARK, Jongyoung Park, Juuk Kim, Hyungchul KIM,
                           2021, Pantograph Chargeing  System for Electric Bus, The 52th Korean Institute of
                           Electrical Engineers Sunner Conference 2021, No. 7

 
                      
                     
                        
                        Koon-Hwan Oh, Ki Hyeon Kim, Sang-Taek Lee, 2021, Introduction of the trend of charging
                           types for electric bus and power management needs of charging system, Korean Institute
                           of Electrical Engineers Information and Control Conference 2021, pp. 252-253

 
                      
                   
                
             
            저자소개
             
             
             
            
            
               He received his B.S. and M.S. degrees in Department of Electrical Engineering and
               Ph.D. degree in School of Electrical and Computer Engineering from Sungkyunkwan University,
               Korea, in 1995, 1998 and 2001, respectively. 
            
            Hs is currently a principal researcher in Korea Railroad Research Institute (KRRI).
               
               
               		
            
            E-mail : skshin@krri.re.kr
            ORCID ID : http://orcid.org/0000-0002-6493-1483
            
            
               He received a B.S and M.S. degree in Electrical engineering from Sungkyunkwan University,
               Republic of Korea, in 1995 and 1998, respectively. 
            
            He received a Ph.D. degree from the Electrical Electronic and Computer Engineering
               from Sungkyunkwan University in 2002. 
            
            He is currently a chief Researcher with the Smart Electrical & Signaling Division,
               Korea Railroad Research Institute, Uiwang, South Korea. 
            
            His research interests are railway electrification, energy system and power protection
               system.
               		
               		
            
            E-mail : hsjung@krri.re.kr
            ORCID ID :https://orcid.org/0000-0003-4546-2041