2.1 ์ฑ๋ฅํ๊ฐ์ ๊ตฌ์ฑ์์
                  	
                     ์ฒ ๋์์ค์ ์ฑ๋ฅํ๊ฐ๋ ์์ ์ฑ, ๋ด๊ตฌ์ฑ, ์ฌ์ฉ์ฑ์ผ๋ก ์ ์ํ์ฌ ํ๊ฐํ๊ณ  ์๋ค. ์์ ์ฑ์ ์๊ตฌ์กฐ๊ฑดํ์์์ ์ธ๋ช
์ฌ์๊ณผ ์์ค๋ฌผ์ ์์โง์์ค์ ๋ฐฉ์งํ๋ ์ฑ๋ฅ์ด๋ฉฐ,
                     ๋ด๊ตฌ์ฑ์ ์ฌ์ฉ์๋ช
 ๋์ ์๊ตฌ๋๋ ๊ธฐ๋ฅ์ ์ ์ง์ํค๊ธฐ ์ํ ์์ค๋ฌผ์ ์ฑ๋ฅ์ด๊ณ , ์ฌ์ฉ์ฑ์ ์ฌ์ฉ๊ณผ ์์ ์ธก๋ฉด์์ ์ ์ ํ ํธ์์ ๊ธฐ๋ฅ์ ์ ๊ณตํ๋ ์ฑ๋ฅ์ผ๋ก ๊ตฌ๋ถํ๊ณ 
                     ์๋ค(3).
                     
                  
                  
                     
                     ์ฒ ๋์์ค์ ๋ํ ํ๊ฐ๋ฐฉ๋ฒ๊ณผ ์ฐ์ถ ํ๋ฆ์ ๊ทธ๋ฆผ 2์ ๊ฐ์ด ์ ๊ฐ๋๊ณ  ์์ด, 1๋จ๊ณ ๋จ์์์ค์ ๋ฐ์ดํฐ๋ฅผ ํตํด 2๋จ๊ณ๋ถํฐ 5๋จ๊ณ๊น์ง์ ์ฑ๋ฅํ๊ฐ๊ฐ ์ํ๋๋ ๊ฒ์ ํ์ธํ  ์ ์๋ค. ์ด๋ 1๋จ๊ณ ๋จ์์์ค์
                     ํ๊ฐ๊ฐ ๊ธฐ์ด๊ฐ ๋๋ ๋ฐ์ดํฐ๋ก ๊ฐ์ฅ ์ค์ํ ๋ฐ์ดํฐ๋ฅผ ๋ปํ๋ ๊ฒ์ผ๋ก ๋ฐ์ดํฐ์ ์
๋ ฅ์ค๋ฅ, ๋๋ฝ์ ๋ฐ๋ผ ์ ์ฒด ํ๊ฐ๊ฒฐ๊ณผ๊ฐ ๋ณ๋๋๋ ์น๋ช
๋ฅ ์ ๋์ผ ์ ์๋ค๋
                     ๊ฒ์ ์ค๋ช
ํ๊ณ  ์๋ค(4).
                     
                     
                     
                        
                        
                              
                              
๊ทธ๋ฆผ. 1. ์ฒ ๋์์ค ์ ์ง๊ด๋ฆฌ์ฒด๊ณ ๊ตฌ์ฑ๋ 
                           
                           
                              
Fig. 1. Railroad Facility Maintenance System Composition
                            
                        
                     
                     
                     
                     
                     
                     
                        
                        
                              
                              
๊ทธ๋ฆผ. 2. ์ฒ ๋์์ค ํ๊ฐ๊ฒฐ๊ณผ ์ฐ์ถํ๋ฆ๋ 
                           
                           
                              
Fig. 2. Railroad Facility Evaluation Result Output Flow Chart
                            
                        
                     
                     
                     
                     	
                  
                
               
                     2.2 ์ฑ๋ฅํ๊ฐ ๊ธฐ์ค๋ฐ์ดํฐ ๊ตฌ์ฑ
                  	
                     ์ฒ ๋์์ค ์ฑ๋ฅํ๊ฐ ๊ด๋ฆฌ๋ฅผ ์ํ ๊ธฐ์ค ๋ฐ์ดํฐ๋ ์ ์ฒ ์ ๋ ฅ, ์ ํธ์ ์ด, ์ ๋ณดํต์  ์ค๋น์ ๋ถ๋ฅ์ฒด๊ณ ๋ฐ ์ค๋น๋ฅผ ์ ํ๊ณผ ๋ถ๋ฅ๋ณ๋ก ๊ตฌ๋ถํ๋ค. ์ด์ ๋ฐ๋ผ ๋
ธ์  ๋ฐ
                     ๊ตฌ๊ฐ ์ ๋ณด๋ ์ฒ ๋ ์ด์์ฌ์ ๋
ธ์  ๋ฐ ๊ตฌ๊ฐ ์ ๋ณด๋ฅผ ์ ์ฉํ๊ณ  ํ๊ฐ๋ถ๋ฌธ, ํ๊ฐํญ๋ชฉ, ํ๊ฐ๋ฐฉ๋ฒ, ํ๊ฐ๊ธฐ์ค ๋ฑ ์ฑ๋ฅํ๊ฐ๋ฅผ ์ํ ์ฃผ์ ์์๋ก๋  ์์ ์ฑ, ๋ด๊ตฌ์ฑ,
                     ์ฌ์ฉ์ฑ์ ํ๊ฐํ๊ณ  ์์ผ๋ฉฐ, ํ๊ฐํญ๋ชฉ์ผ๋ก๋ ์ดํ/์ ์ฐ, ๋ง๋ชจ/๊ฐ๋/์์, ๋ถ์/๊ท ์ด/๊ธฐํ, ๊ฒฝ๊ณผ๋
์, ์ค์นํ๊ฒฝ, ์ดํํ์, ๊ณ ์ฅ์ฅ์ ํ์, ์ ํ๋จ์ข
,
                     ์ค๋น์ฉ๋์ ํ๊ฐํญ๋ชฉ์ผ๋ก ์ ์ฉํ๋ค. ์ธ๋ถ์ ์ธ ํ๊ฐ๋ฐฉ๋ฒ์ผ๋ก๋ ์ดํ/์ ์ฐ, ๋ง๋ชจ/๊ฐ๋/์์, ๋ถ์/๊ท ์ด/๊ธฐํ ๋ฑ ์ ๋ฐ์ง๋จ ํญ๋ชฉ์ ์ ๋ฐ์ง๋จ์ ํตํด ์ธ๋ถ ํ๊ฐ๋ฐฉ๋ฒ์
                     ์ ์ฉํ๊ณ  ๋๋จธ์ง ํ๊ฐํญ๋ชฉ๊ณผ ๋์ผํ ํญ๋ชฉ์ผ๋ก ๊ตฌ์ฑํ๋ ์์ฑ์ง๋จ ํญ๋ชฉ์ ๋ํ ํ๊ฐ๋ฅผ ์ํํ๊ณ  ์๋ค(5).
                     
                  
                  
                     
                     ํ๊ฐํญ๋ชฉ์ ํ๊ฐ๋ถ๋ฌธ์ ๋ฐ๋ผ ๊ฐ๊ฐ ํ๊ฐ ๋ถ๋ฌธ์ ๋ํ ๊ฐ์ค์น ๊ฐ์ ๊ฐ๊ณ  ์์ผ๋ฉฐ ํ 1๊ณผ ๊ฐ์ด ์ ์ฉํ๋ค.
                     
                  
                  
                     
                     
                     
                     
                     
                        
                        
                        
                        
                              
                              
ํ 1. ํ๊ฐํญ๋ชฉ๋ณ ๊ฐ์ค์น
                           
                           
                              
Table 1. Weight by Evaluation Items 
                           
                           
                              
                              
                              
                                    
                                       
                                          | 
                                             
                                          			
                                           ํ๊ฐํญ๋ชฉ 
                                          			
                                        | 
                                       
                                             
                                          			
                                           ๊ฐ์ค์น 
                                          			
                                        | 
                                    
                                    
                                          | 
                                             
                                          			
                                           ์์ ์ฑ 
                                          			
                                        | 
                                       
                                             
                                          			
                                           ๋ด๊ตฌ์ฑ 
                                          			
                                        | 
                                       
                                             
                                          			
                                           ์ฌ์ฉ์ฑ 
                                          			
                                        | 
                                    
                                    
                                          | 
                                             
                                          			
                                           ์ดํ์ ์ฐ 
                                          			
                                        | 
                                       
                                             
                                          			
                                           1 
                                          			
                                        | 
                                       
                                             
                                          			
                                           0 
                                          			
                                        | 
                                       
                                             
                                          			
                                           0 
                                          			
                                        | 
                                    
                                    
                                          | 
                                             
                                          			
                                           ๋ง๋ชจ/๊ฐ๋/์์ 
                                          			
                                        | 
                                       
                                             
                                          			
                                           0.7 
                                          			
                                        | 
                                       
                                             
                                          			
                                           0.3 
                                          			
                                        | 
                                       
                                             
                                          			
                                           0 
                                          			
                                        | 
                                    
                                    
                                          | 
                                             
                                          			
                                           ๋ถ์/๊ท ์ด/๋์ ๋๊ธฐ/๊ฒฝ์ฌ/์นจํ 
                                          			
                                        | 
                                       
                                             
                                          			
                                           0.3 
                                          			
                                        | 
                                       
                                             
                                          			
                                           0.7 
                                          			
                                        | 
                                       
                                             
                                          			
                                           0 
                                          			
                                        | 
                                    
                                    
                                          | 
                                             
                                          			
                                           ๊ฒฝ๊ณผ๋
์/์ฌ์ฉํ์ 
                                          			
                                        | 
                                       
                                             
                                          			
                                           0 
                                          			
                                        | 
                                       
                                             
                                          			
                                           1 
                                          			
                                        | 
                                       
                                             
                                          			
                                           0 
                                          			
                                        | 
                                    
                                    
                                          | 
                                             
                                          			
                                           ์ค์นํ๊ฒฝ 
                                          			
                                        | 
                                       
                                             
                                          			
                                           0 
                                          			
                                        | 
                                       
                                             
                                          			
                                           0.7 
                                          			
                                        | 
                                       
                                             
                                          			
                                           0.3 
                                          			
                                        | 
                                    
                                    
                                          | 
                                             
                                          			
                                           ์ดํํ์ 
                                          			
                                        | 
                                       
                                             
                                          			
                                           0.3 
                                          			
                                        | 
                                       
                                             
                                          			
                                           0 
                                          			
                                        | 
                                       
                                             
                                          			
                                           0.7 
                                          			
                                        | 
                                    
                                    
                                          | 
                                             
                                          			
                                           ๊ณ ์ฅ/์ฅ์  ํ์ 
                                          			
                                        | 
                                       
                                             
                                          			
                                           0.2 
                                          			
                                        | 
                                       
                                             
                                          			
                                           0.2 
                                          			
                                        | 
                                       
                                             
                                          			
                                           0.6 
                                          			
                                        | 
                                    
                                    
                                          | 
                                             
                                          			
                                           ์ ํ ๋จ์ข
 
                                          			
                                        | 
                                       
                                             
                                          			
                                           0 
                                          			
                                        | 
                                       
                                             
                                          			
                                           0 
                                          			
                                        | 
                                       
                                             
                                          			
                                           1 
                                          			
                                        | 
                                    
                                    
                                          | 
                                             
                                          			
                                           ์ค๋น์ฉ๋ 
                                          			
                                        | 
                                       
                                             
                                          			
                                           0 
                                          			
                                        | 
                                       
                                             
                                          			
                                           0 
                                          			
                                        | 
                                       
                                             
                                          			
                                           1 
                                          			
                                        | 
                                    
                                 
                              
                           
                         
                        
                     
                     
                     
                     
                     ํ๊ฐํญ๋ชฉ์ ํ๊ฐ๊ฐ ์ด๋ฃจ์ด์ง๋ ์ค๋น๊ฐ ์ํ ์ธ๋ถ๋ฅ์ ๋ฐ๋ผ ํ๊ฐ ์ ์์ ๋ํ ๊ฐ์ค์น๊ฐ ๋ณํํ๋ค. ๋ํ ์ค๋น์ ๊ตฌ๋ถ์ ๋ฐ๋ผ ๊ตฌ์กฐ์ค๋น, ๊ธฐ๊ธฐ ๋ฐ ์ฅ์น, ์ ์ ๋ฅ,
                     ์ ์ด์ค๋น๋ก ๋๋์ด์ง๋ฉฐ ์ด์ ๋ฐ๋ผ ์ค๋น๊ตฌ๋ถ ๋ํ ํ๊ฐ๋ถ๋ฌธ์ ๋ํ์ฌ ๊ฐ๊ฐ์ ๊ฐ์ค์น ๊ฐ์ด ์กด์ฌํ๋ฉฐ 
ํ 2์ ๊ฐ์ด ์ ์ฉํ๋ค. ๋ค๋ง ์ ์ฉ๋๋ ๊ฐ์ค์น๋ ์ ๋์ ์ธ ๊ฐ์ ์๋๋ฉฐ ์ฒ ๋์์ค๊ด๋ฆฌ์๊ฐ AHP๊ธฐ๋ฒ ๋ฑ์ ์ ์ฉํ์ฌ ๋ณํํ  ์ ์๋ ๊ฐ์ด๋ค.
                     
                  
                  
                     
                     
                     
                     
                     
                        
                        
                        
                        
                              
                              
ํ 2. ํ๊ฐ๋ถ๋ฌธ๋ณ ๊ฐ์ค์น
                           
                           
                              
Table 2.  Weight by Evaluation Category
                           
                           
                              
                              
                              
                                    
                                       
                                          | 
                                             
                                          			
                                           ์ค๋น๊ตฌ๋ถ 
                                          			
                                        | 
                                       
                                             
                                          			
                                           ๊ฐ์ค์น 
                                          			
                                        | 
                                    
                                    
                                          | 
                                             
                                          			
                                           ์์ ์ฑ 
                                          			
                                        | 
                                       
                                             
                                          			
                                           ๋ด๊ตฌ์ฑ 
                                          			
                                        | 
                                       
                                             
                                          			
                                           ์ฌ์ฉ์ฑ 
                                          			
                                        | 
                                    
                                    
                                          | 
                                             
                                          			
                                           ๊ตฌ์กฐ์ค๋น 
                                          			
                                        | 
                                       
                                             
                                          			
                                           0.50 
                                          			
                                        | 
                                       
                                             
                                          			
                                           0.21 
                                          			
                                        | 
                                       
                                             
                                          			
                                           0.29 
                                          			
                                        | 
                                    
                                    
                                          | 
                                             
                                          			
                                           ๊ธฐ๊ธฐ ๋ฐ ์ฅ์น 
                                          			
                                        | 
                                       
                                             
                                          			
                                           0.50 
                                          			
                                        | 
                                       
                                             
                                          			
                                           0.21 
                                          			
                                        | 
                                       
                                             
                                          			
                                           0.29 
                                          			
                                        | 
                                    
                                    
                                          | 
                                             
                                          			
                                           ์ ์ ๋ฅ 
                                          			
                                        | 
                                       
                                             
                                          			
                                           0.56 
                                          			
                                        | 
                                       
                                             
                                          			
                                           0.28 
                                          			
                                        | 
                                       
                                             
                                          			
                                           0.16 
                                          			
                                        | 
                                    
                                    
                                          | 
                                             
                                          			
                                           ์ ์ด์ค๋น 
                                          			
                                        | 
                                       
                                             
                                          			
                                           0.40 
                                          			
                                        | 
                                       
                                             
                                          			
                                           0.17 
                                          			
                                        | 
                                       
                                             
                                          			
                                           0.43 
                                          			
                                        | 
                                    
                                 
                              
                           
                         
                        
                     
                     
                     
                     ์ฃผ์ ๊ธฐ์ค ๋ฐ์ดํฐ๋ณ ๊ฐ์ค์น ๊ฐ์ ๊ณ์ธต์  rollup ๋ฐฉ์์ ์ง๊ณ์ฑ, ํน์ ๊ฐ ์์ ๋ณ ๊ด๊ณ์ฑ์ ๋ํ ํ ๋น ๋ฐฉ์์ผ๋ก ๊ด๋ฆฌ๋๊ณ  ์์ผ๋ฉฐ, ์ผ๋ฐ์ ์ผ๋ก ๋์ผ๋ ๋ฒจ
                     ํน์ ๋์ผ ์์์ ๋ํด ์ง๊ณ ํฉ์ด 1 (100%)๊ฐ ๋๋๋ก ์ ์๋๋ฉฐ ๋ค์๊ณผ ๊ฐ์ด ๊ตฌ๋ถํ๋ค. ์ด๋ ๋/์ค/์/์ธ ๋ถ๋ฅ์ฒด๊ณ ๋ณ ๊ฐ์ค์น๋ ๋์ผ ๋
ธ๋ ๋ ๋ฒจ์
                     ๊ฐ์ค์น ํฉ๊ณ๊ฐ 1์ด ๋์ด์ผ ํ๋ค.
                     
                  
                  
                     
                     ์ฑ๋ฅํ๊ฐ๋ ํน์  ๊ตฌ๊ฐ์ ์กด์ฌํ๋ ์ธ๋ถ๋ฅ ์ค๋น๋ฅผ ์ ํ ํ ๊ฐ๋ณ ๊ฐ์ฒด์ ๋ํ ํ๊ฐ๊ฐ์ ๋ฑ๋กํ๋ ๋ฐฉ์์ด๋ฉฐ ์ด๋ ์ฌ์ฉ์๊ฐ ์ด๋ ํ ์ค๋น๋ฅผ ์ ํํ๋๋์ ๋ฐ๋ฅธ
                     ํ๊ฐ๋ฐฉ๋ฒ์ด ๋ค๋ฅด๊ฒ ์ ๊ณต๋๊ณ  ํ๊ฐ๊ฐ ๋ฑ๋ก์ฒ๋ฆฌ์ ๋ํ verification check๊ฐ ๋์ด์ผ ํ๋ค.
                     
                  
                  
                     
                     
                     
                        
                        
                              
                              
๊ทธ๋ฆผ. 3. ๋ถ๋ฅ๋ณ ๊ฐ์ค์น ๊ตฌ์ฑ๋ฐฉ๋ฒ 
                           
                           
                              
Fig. 3. Weight Composition Method by Classify
                            
                        
                     
                     
                     
                     ์ด์์์ ๊ด๋ฆฌ๋ ์์คํ
 ๊ด๋ฆฌ์์ ์ํด ์ฒ ๋์์ค๊ด๋ฆฌ์์ ๋ํ ์ค๋น ๋ฐ ๊ตฌ๊ฐ์ด ๋์  ํ ๋น ์ฒ๋ฆฌ๋์ด์ผ ํ๊ณ  ์ด๋ ๋ค์ ์ฒ ๋์์ค๊ด๋ฆฌ์์ ๊ณ์ฝํ ํ๊ฐ ์ํ์ฌ์
                     ๋ํ ํ์ ์ค๋น ๋ฐ ๊ตฌ๊ฐ์ ์ฌํ ๋น ์ฒ๋ฆฌํ๋ Top-Down ํ ๋น ๊ด๋ฆฌ๊ฐ ๊ฐ๋ฅํด์ผ ํ๋ค. ํ๊ฐ์ ๊ฐ๋ณ ๋ด์ฉ์ Bottom-Up ๋ฐฉ์์ผ๋ก ์ง๊ณํ์ฌ ์ต์ข
์ ์ผ๋ก
                     ํ๊ฐ ๋ฑ๊ธ์ ์๋์ผ๋ก ์ฐ์ ํ  ์ ์๋ ๊ตฌ์กฐ ์ค๊ณ๋ ์๋ฐ๋๋๋ก ์ค๊ณ๋์ด์ผ ํ๋ค.
                     
                     
                     
                        
                        
                              
                              
๊ทธ๋ฆผ. 4. ํ๊ฐํญ๋ชฉ ๊ฐ์ค์น ๋งคํธ๋ฆญ์ค 
                           
                           
                              
Fig. 4. Evaluation Items Weight Matrix
                            
                        
                     
                     
                     
                     
                     
                        
                        
                              
                              
๊ทธ๋ฆผ. 5. ์ ํ๋ถ๋ฅ์ ๋ํ ๊ฐ์ค์น ๋งคํธ๋ฆญ์ค 
                           
                           
                              
Fig. 5. Weight Matrix about Type Classification
                            
                        
                     
                     
                     
                     
                     
                     
                        
                        
                              
                              
๊ทธ๋ฆผ. 6. ์ค๋น ์ธ๋ถ๋ฅ๋ณ ํ๊ฐํญ๋ชฉ์ ๋ํ ๊ฐ์ค์น ๋งคํธ๋ฆญ์ค 
                           
                           
                              
Fig. 6. Weight Matrix about Evaluation Items by Subdivision of Facilities
                            
                        
                     
                     
                     
                     
                     
                     
                        
                        
                              
                              
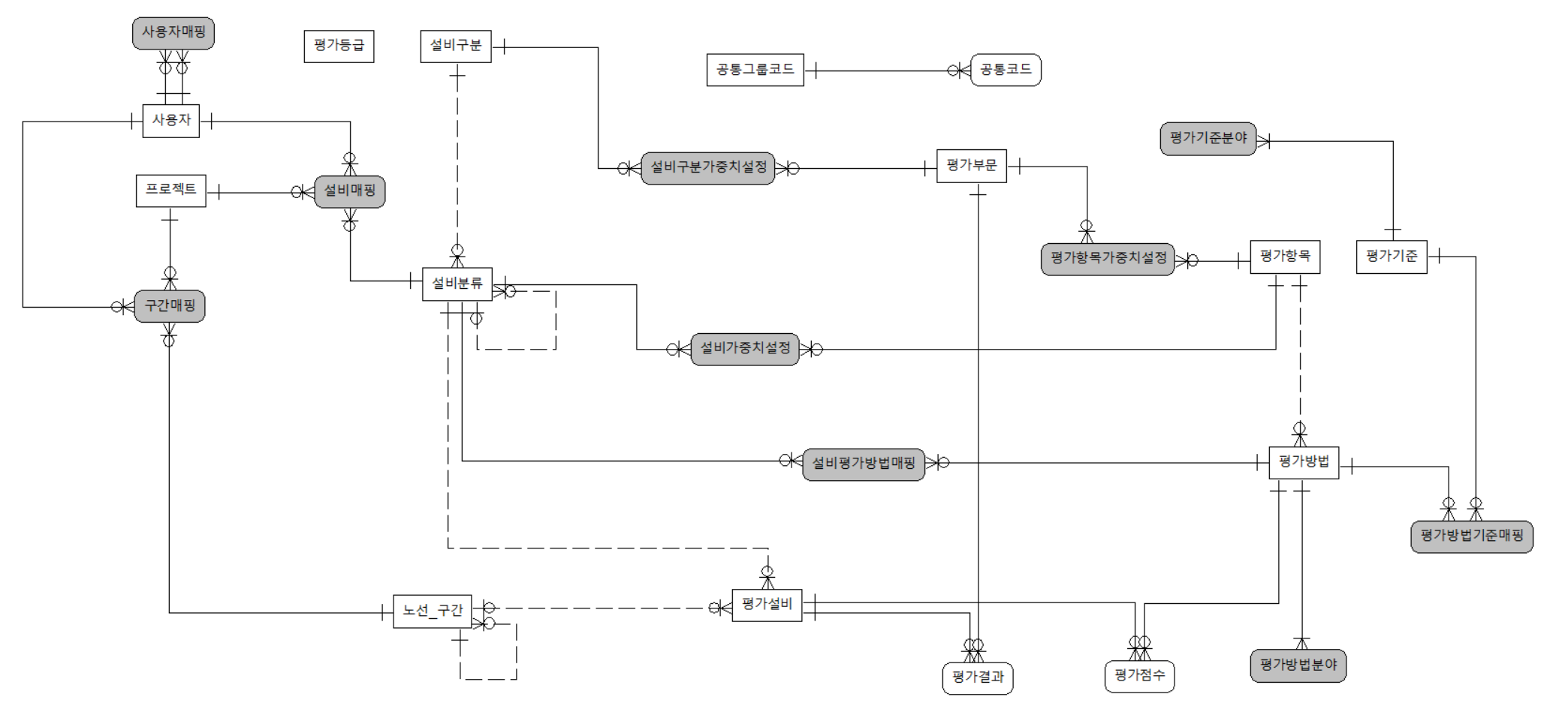
๊ทธ๋ฆผ. 7. ์ ๊ทํ ๊ธฐ๋ฐ ๊ฐ๋
 ERD 
                           
                           
                              
Fig. 7. Normalization-based Concept ERD