최영재
(Yung-Jae Choi)
1iD
김철환
(Chul-Hwan Kim)
†iD
-
(Dept. of Electrical and Computer Engineering, Sungkyunkwan University, Republic of
Korea.)
Copyright © The Korea Institute for Structural Maintenance and Inspection
Key words
Airbase microgrid, Mobile Emergency Generator, Optimal Placement, Genetic Algorithm, Power Loss Minimization, Voltage Stability
1. 서 론
현대 군사 작전에서는 첨단 무기체계와 고도화된 기술의 활용이 증가함에 따라, 안정적이고 고품질의 전력공급이 필수적인 요소로 대두되고 있다. 특히
공군 비행기지는 전시 상황에서 다양한 핵심 임무를 수행해야 하므로, 열악한 환경 속에서도 지속적으로 신뢰할 수 있는 전력공급이 요구된다.
특히, 한국전력공사(Korea Electric Power Corporation, KEPCO)의 전력공급이 차단될 경우를 대비하여, 공군은 독립적인
전력운영이 가능한 마이크로그리드(Microgrid) 시스템을 구축하고 있다. 마이크로그리드는 분산 전원(Distributed Generation,
DG), 스마트 스위치 및 이동형 비상 발전기(Mobile Emergency Generators, MEG) 등을 포함하는 독립형 전력망으로, 기존의
중앙 집중형 전력망과는 달리 특정 지역에서 자율적인 전력 운영이 가능하다. 이를 통해 전시 상황에서도 핵심 작전 시설에 대한 안정적인 전력공급을 보장할
수 있다.
기존에는 개별 건물 및 시설 단위로 비상발전기를 설치하여 운영하는 방식이 주를 이루었으나, 이는 전력공급의 유연성과 효율성이 제한적이라는 한계를
가지고 있었다[1]. 이에 따라 공군은 지능형 전력망 고도화 사업을 통해 이동형 비상 발전기를 도입하고, 개별 비상발전체계에서 광역 비상발전체계로 전환하고 있다. 광역
비상발전체계에서는 중앙 배전센터에서 발전기를 원격 제어하여 전력계통을 효율적으로 운영할 수 있다. 이동형 비상 발전기는 트레일러에 탑재되어 있어 다양한
지점으로 신속하게 이동할 수 있으며, 전력계통 상황에 따라 최적의 위치에 배치함으로써 보다 효과적인 전력공급이 가능하다. 현재 공군은 연간 요구량에
따라 이동형 비상 발전기의 이동 및 접속훈련을 수행하고 있으나, 전력계통의 관점에서 최적의 배치 위치를 체계적으로 결정하는 연구는 부족한 실정이다.
본 연구는 이동형 비상 발전기의 최적 배치를 통해 비행기지 비상발전체계 운영 시 전력계통의 안정성을 향상시키는 것을 목표로 한다. 이를 위해 유전
알고리즘(Genetic Algorithm, GA)을 활용하여 이동형 비상발전기의 최적 배치 방안을 도출하고, 전력손실 최소화 및 전압 안정도 개선을
주요 평가 지표로 설정하였다.
시뮬레이션 모델링 및 조류해석은 Matlab을 활용하여 Newton-Raphson 조류해석 방식으로 수행하였으며, 가상 비행단 모델 계통의 배전 Feeder
데이터를 적용하여 최적화된 배치가 전력손실과 전압안정성에 미치는 영향을 분석하였다[2]. 본 연구에서 제안하는 최적화 접근법은 비행기지 배전 시스템에서 비상발전기의 효율적인 운용을 위한 전략적 의사결정에 기여할 것으로 기대된다.
2. 비행기지에서 요구하는 루프형 마이크로그리드
기존 비행기지의 배전계통은 한전 인입선로를 기준으로 하는 방사형 구조를 이루고 있었다. 비행기지 마이크로그리드는 지능형 전력망 사업을 통해 기존의
방사형 배전 구조에서 벗어나 루프형 배전망과 스마트 그리드 기술을 적용하여 유연한 전력공급이 가능하도록 설계되었다. 또한, 핵심 작전시설(통제 센터,
레이더 시스템, 격납고 등)에 대한 우선 전력공급이 가능하도록 부하 우선순위를 설정하고, 필요 시 일부 부하를 차단(load shedding)하여
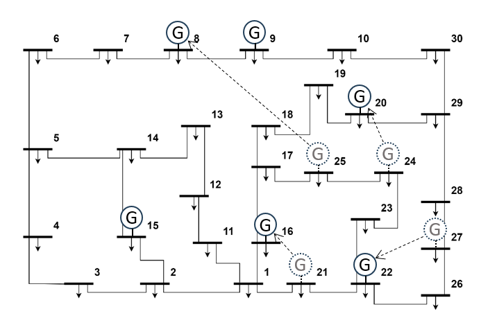
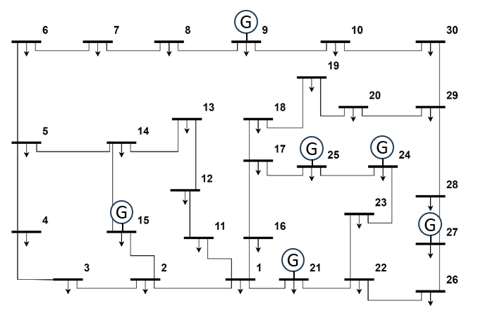
제한된 전력을 효율적으로 배분할 수 있다. 그림 1은 루프형 구조의 가상 비행단 모델 계통이다. 각 모선에는 4-way 개폐기가 설치되어 있으며 중앙에서 제어할 수 있다. 기존의 방사형 구조의 경우
전력공급원에 가까운 선로에 문제가 생겼을 때 연결된 하단의 부하들은 모두 전력공급이 되지 않기 때문에 작전필수시설의 경우에는 건물별로 소규모 비상발전기를
통해서 제한된 전력공급을 수행해야 한다. 하지만 루프형 구조의 경우 다기의 이동형 비상발전기를 통해서 다시 계통을 재구성하여 고장상황이 해소되는 동안
우회하여 전력공급이 가능하다.
그림 1. 루프형 배전계통 구조의 가상 비행단 모델 계통
Fig. 1. Virtual airbase model of loop distribution system
현대 군사작전에서 안정적이고 고품질의 전력공급은 필수적인 요소이며, 특히 전시 상황에서 외부 전력망이 차단될 경우 독립적인 전력운영이 가능해야 한다.
이에 따라 공군은 기존의 중앙 집중형 전력망에서 벗어나, 분산 전원, 에너지 저장 장치(Energy Storage System, ESS), 이동형
비상발전기 등을 포함하는 마이크로그리드 시스템을 구축하기 위해 지능형 전력망 구축 사업을 진행중이다. 마이크로그리드는 정상적인 상황에서는 KEPCO
전력망과 연계하여 운용되지만, 비상 상황에서는 독립적으로 운영될 수 있어 계통의 강건성을 향상시키고 전력계통의 안정성을 유지하는 역할을 한다[3].
이동형 비상 발전기는 트레일러에 탑재되어 특정 지역으로 신속하게 이동할 수 있으며, 마이크로그리드의 전력공급 전략에 따라 최적의 위치에 배치하는 것이
중요하다. ESS는 전력수급의 균형을 유지하고 주파수를 조정하는 역할을 하며, 지능형 개폐기 및 자동화 시스템은 고장 발생 시 신속한 전력복구 기능을
수행한다.
비행기지 마이크로그리드 운영에서 가장 중요한 요소는 전기품질과 안정성 유지이다. 다양한 전력원이 혼합된 환경에서는 전압변동 및 주파수 조정 문제가
발생할 수 있으며, 특히 이동형 비상 발전기의 위치에 따라 전력손실이 증가하거나 특정 지역에서 전압 불안정 현상이 나타날 수 있다. 따라서 이동형
비상 발전기를 최적의 위치에 배치하여 전력손실을 최소화하고 전압 안정성을 확보하는 것이 필수적이다.
3. 이동형 비상발전기 배치 최적화
이동형 비상발전기의 배치는 마이크로그리드 전력계통의 안정성과 효율성에 큰 영향을 미친다. 항공작전과 같은 고도의 신뢰성과 안정성이 요구되는 환경에서는
전력손실의 최소화와 전압 안정성 확보가 필수적이다. 전력계통 측면에서 부적절한 배치 위치는 전력손실을 증가시키고 전압 불평형은 물론, 특정 구역으로의
전력부족으로 이어질 수 있다. 따라서 전력손실과 전압 안정성을 지표로, 유전 알고리즘을 활용한 최적화 방법을 찾고자 한다.
3.1 전력손실 최소화
전력손실은 주로 선로의 임피던스 중 저항 성분에 의해 발생하며, 이로 인한 손실은 열에너지로 전환되어 해당 계통 내에서 소모된다. 이러한 Joule
손실은 전류가 흐를 때 저항에서 발생하며, 계통 효율성을 저하시킨다. 전력손실을 줄이면 동일한 발전량 하에서 더 많은 부하에 전력을 공급할 수 있으며,
전체적인 에너지 이용 효율을 향상시킬 수 있다. 또한, 선로의 저항은 전류에 비례한 전압강하를 유발하므로, 손실 감소는 전압강하 완화로 이어지고,
이에 따라 부하지점에서는 보다 안정적이고 균일한 전압을 확보할 수 있다[4]. 나아가 전류량 감소는 선로 과부하 및 과열에 의한 고장 위험을 줄이는 데 기여하므로, 전력손실의 최소화는 계통의 안정성 및 신뢰성 향상에 있어
핵심적인 요소로 작용한다.
가상 비행단 모델 계통에서 전력손실은 아래와 같이 계산하였다.
식 (1), (2) 에서 N은 전체 선로의 수이다. $g_{ij}$는 모선 $i$와 $j$ 사이의 컨덕턴스를 의미한다. $b_{ij}$는 모선 $i$와 $j$ 의 서셉턴스를
의미한다. $V_{i}$와 $V_{j}$는 모선 $i$와 $j$ 사의의 전압을 의미하며 $\theta_{ij}$는 모선 $i$와 $j$ 사이의 위상
각 차이를 의미한다. 위와 같이 모선과 모선을 연결하는 모든 선로에서의 유효전력손실과 무효전력손실을 합하여 전력손실을 계산하였다.
3.2 전압 안정성 평가
모선 간 전압편차(Voltage Deviation, VD)가 작을수록 전압 안정성이 높아진다[5]. 전압편차가 작으면 항공 안전 설비, 레이더 등 민감한 전기 장비의 오작동을 방지하고, 에너지 효율성을 높일 수 있다. 일반적으로 1.05 p.u.
이상의 과전압이나 0.95 p.u. 이하의 저전압은 강력한 제약 조건으로 설정되며, 전압이 1.0 p.u.의 기준 전압에 가까울수록 예기치 않은 전압
변동 상황에서도 전력계통 장애를 줄일 수 있다. 이는 시스템의 신뢰성에도 큰 영향을 미친다. 따라서 전력계통에서 전압편차를 최소화하는 것이 전반적인
시스템의 성능과 안정성 유지에 중요한 역할을 한다.
모델 계통에서 전압편차는 아래와 같이 계산하였다.
총 N개의 모선에서 각 모선 전압 $V_{i}$와 기준 전압 $V_{ref}$ 1.0 p.u.와의 차이를 절대값을 총합하여 계통의 전압편차의 합을
구하였다. 기준 전압 $V_{ref}$를 1.0 p.u.로 설정한 이유는, 정상적인 전력계통에서 공칭 전압(Nominal Voltage)을 기준으로
삼아 계통의 균형을 유지하는 것이 중요하기 때문이다. 1.0 p.u.는 IEEE 및 전력계통 표준에서 이상적인 전압 수준으로 정의되며, 전기품질 유지와
안정적인 부하 공급을 위해 목표로 하는 값이다. 또한, 전압편차를 1.0 p.u.를 기준으로 계산하면 시스템의 정상 상태에서의 변동성을 명확히 평가할
수 있으며, 과전압 및 저전압으로 인한 부하 측 영향을 직관적으로 파악할 수 있다. 따라서 본 연구에서는 1.0 p.u.를 기준으로 전압편차를 평가한다.
3.3 유전 알고리즘을 이용한 최적화
유전 알고리즘은 다양한 공학 분야에서 비선형적이고 제약 조건이 복잡한 최적화 문제를 효과적으로 해결하는 기법으로 널리 사용되어 왔다. 특히, 해 공간이
크고 변수 간 상호작용이 복잡한 전력계통 최적화 문제에 있어 유전 알고리즘은 전통적인 수치해석 기반 방법보다 더 유연하고 정확한 해를 제공할 수 있다는
점에서 주목받고 있다[6].
본 연구에서는 전력손실과 전압편차를 동시에 최소화하는 문제를 다루고 있으며, 이 두 목표는 일반적으로 상충 관계(trade-off)에 놓이게 된다.
예를 들어, 전력손실을 줄이기 위한 발전기 집중 배치는 특정 지역의 전압 불안정성을 야기할 수 있으며, 반대로 전압 안정성을 위한 분산 배치는 전체
손실을 증가시킬 수 있다. 따라서 본 최적화 문제는 다중 목적함수와 여러 제약 조건을 가지는 복합적인 비선형 최적화 문제로 분류되며, 이에 따라 해
탐색의 전역성과 다양성이 확보된 알고리즘이 필요하다. 그러므로 본 연구에서는 유전 알고리즘을 사용하였다.
유전 알고리즘은 해를 염색체로 인코딩하고, 초기 세대를 구성한 후 선택(selection), 교차(crossover), 돌연변이(mutation)
등의 연산을 반복하여 해를 진화시킨다. 각 염색체는 발전기의 설치 위치를 나타내며, 해당 계통 구성에 대한 전력손실 및 전압 편차 값을 평가 지표로
포함한다. 여러 염색체가 집합으로 한 세대를 이루며, 평가 함수 기반의 생존 경쟁을 통해 다음 세대로 전파된다.
본 연구에서는 3.1절과 3.2절에서 제시한 바와 같이, 전력손실은 선로 임피던스에 의한 Joule 손실로 계통 효율과 전기 품질에 영향을 미치며,
전압편차는 민감 부하의 보호와 전기품질 유지를 위한 핵심 지표이다. 두 요소를 종합적으로 고려한 최적화가 필요하며, GA는 해당 목적함수를 가중 합
형태로 구성하여 최적 배치를 도출하는 데 효과적이다.
그림 2. 제안하는 유전 알고리즘의 순서도
Fig. 2. Suggested Genetic Algorithm flowchart
표 1은 본 연구에서 설정한 GA의 주요 파라미터를 요약한 것이며, 그림 2는 정의된 최적화 문제에 대해 유전 알고리즘의 수행 절차를 나타낸 순서도이다. 설정된 세대 수에 도달하면 알고리즘은 종료되며, 해당 세대에서의 최적
염색체가 발전기 배치의 해로 도출된다.
표 1 유전 알고리즘의 파라미터
Table 1 Genetic Algorithm Parameter
|
Parameter
|
Contents
|
|
Population
|
50
|
|
Selection
|
Roulette Wheel
|
|
Generation
|
100
|
|
Mutation Rate
|
0.1
|
4. 시뮬레이션 및 결과 분석
4.1 모의계통 구성 및 조건
본 연구에서는 실제 비행기지의 배전 계통 정보를 보안상의 이유로 동일하게 활용할 수 없으므로, 공개된 자료를 기반으로 일정 규모의 가상 비행단 모델
계통을 설계하였다. 가상 비행단 모델 계통은 비행기지의 전력 분포 및 부하 특성을 반영하여 구성하였다.
비행기지는 평시 한국전력공사(KEPCO) 22.9kV 변전소를 통해 고압 전력을 공급받으며, 계약 용량은 비행기지별로 약 100MVA 수준이다. 하루
평균 전력 부하는 4MW, 피크 전력은 약 7~8MW로 가정하였으며, 30개의 모선을 배치하여 항공 작전 시설과 작전 지원 시설로 구분된 부하를 설정하였다.
또한, 비상발전기는 1,150kW급 6기로 구성하여 비상 시 독립적인 전력공급이 가능하도록 모델링하였다.
전기품질과 손실을 고려한 이동형 비상발전기(MEG) 최적 배치 연구에서 선로 정수가 중요한 요소로 작용한다[7]. 본 연구에서는 TR-CNCW-E, 240SQ 전선을 사용하였으며, 해당 전선의 특성(저항: 3.2551 [Ω/km], 리액턴스: 2.2519 [Ω/km])을
반영하여 활주로 길이(9,000[ft])를 기준으로 모선 간 거리를 설정하였다.
유전 알고리즘을 활용하여 이동형 비상발전기의 최적 배치를 수행하였으며, 평가 기준으로 전압편차와 전력손실을 사용하였다. 유전 알고리즘의 목적 함수는
두 요소의 종합 점수(composite score)를 최소화하는 방향으로 설정하였으며, 각 가중치는 부대의 작전적 필요성에 따라 조정할 수 있도록
설계되었다. 전력손실과 전압편차의 단위가 상이하므로, 식 (4), (5)를 이용하여 값을 표준화한 후, 가중치를 곱하여 최종 점수를 최종 식 (6)과 같이 계산하였다.
여기서, $W_{VD}$ 및 $W_{Ploss}$는 각각 전압편차와 전력손실의 가중치이다. 전압 값이 1.05 p.u.를 초과하거나 0.95 p.u.
아래로 떨어지는 모선이 발생한다면 강력한 제약조건으로 결과에 포함되지 않게 하여 기본적인 전기품질 요구사항을 충족하였다.
4.2 시뮬레이션 시나리오 구성
제안하는 이동형 비상발전기의 최적 배치 방안을 검증하기 위해 다섯 가지 배치 방안을 설정하고 시뮬레이션을 수행하였다. 첫 번째는 기존 운영 방식(Original
positions)으로, Feeder별로 발전기를 배치한 방식이다. 두 번째에서 네 번째는 천개의 무작위 배치위치를 샘플링하고 각각 다른 기준을 적용하여
선정하였다. 두 번째는 전압 편차를 최소화하도록 설계된 배치(Best Voltage Stability), 세 번째는 전력손실을 최소화하는 배치(Minimum
Power Loss)이며, 네 번째는 전력손실과 전압 편차를 동시에 고려하여 선정한 배치(Composite Optimal)이다. 마지막으로 다섯 번째는
유전 알고리즘을 활용하여 종합적으로 최적화한 배치(GA Optimal)로, 전력손실과 전압 안정성을 균형 있게 고려한 방식이다.
그림 3은 기존 방법에 따라 feeder별로 1~2개의 발전기를 배치한 상황의 voltage profile이다.
그림 3. 기존 운영방식의 전압곡선
Fig. 3. Voltage profile of original location case
그림 4는 GA를 사용하지 않고 1,000개의 무작위 샘플링을 통해서 각각 전기품질이 가장 좋은 결과, 전력손실이 가장 적은 결과, 그리고 둘을 모두 고려하여
각각 0.5, 0.5의 가중치로 계산한 종합점수가 가장 좋은 결과 총 세가지로 비교한 voltage profile이다. 전력손실이 가장 적은 결과를
확인하면 모선별로 제약사항을 위반하지 않는 범위 내에서 전압값이 높게 설정되는 위치가 선정된 것을 볼 수 있다.
그림 4. 사례 연구의 전압곡선
Fig. 4. Voltage profile of Sampling location case
그림 5에서는 GA를 수행한 결과를 기반으로 찾은 결과의 voltage profile이다. 다섯가지 케이스를 모두 확인한 결과 어느 모선에서도 전압이 1.05[p.u.]를
초과하거나 0.95[p.u.] 미만으로 떨어지는 제약조건을 위반한 결과가 없다는 것을 확인할 수 있고 이를 통해 최적화가 정상적으로 진행된 것을 확인할
수 있다.
그림 5. 유전 알고리즘을 적용한 결과의 전압곡선
Fig. 5. Voltage profile of location case by GA optimization
표 2 사례연구에 따른 결과 비교
Table 3 Result comparison by case study
|
|
Case
|
Bus location
|
Power loss
(MVA)
|
Voltage deviation
(p.u.)
|
Composite
score
|
|
1
|
Original Positions
|
[9 15 21 24 25 27]
|
0.0686
|
0.8481
|
0.3313
|
|
2
|
Composite Optimal
|
[2 8 9 18 24 28]
|
0.0866
|
0.3298
|
0.0923
|
|
3
|
Best Voltage Stability
|
[8 9 11 16 20 21]
|
0.1045
|
0.3093
|
0.1096
|
|
4
|
Minimum Power Loss
|
[3 8 13 17 20 22]
|
0.0336
|
1.2639
|
0.4912
|
|
5
|
GA Optimal
|
[8 9 15 16 20 22]
|
0.0807
|
0.2613
|
0.0480
|
4.3 배치 최적화 결과 분석
표 2와 그림 6은 다섯가지 사례연구의 지표 수치이다. 먼저, VD와 Power loss만을 각각 최적화한 경우에는 해당 지표에서 가장 좋은 위치를 찾았지만 종합적인
지표인 composite score에서는 좋지 않은 결과가 나오는 것을 확인할 수 있었다. 샘플링한 결과와 GA를 통해 composite score가
가장 좋은 결과를 찾은 것은 조류해석을 통해 전력계통 관점을 고려하지 않은 기존 위치 보다 좋은 결과를 확인할 수 있었다. GA와 composite
score를 고려한 sampling 케이스를 비교했을때는 GA 케이스가 power loss는 5.9KVA, VD는 0.0685[p.u.] 더 낮은
결과를 보이는 것으로 확인할 수 있다.
그림 6. 사례연구에 따른 결과 비교
Fig. 6. Result comparison by case study
기존 케이스와 GA 케이스를 비교하였을 때는 power loss는 기존 케이스가 12[kVA] 더 적은 결과를 보이지만 VD에서 0.5868[p.u.]
의 차이로 GA 케이스가 69%의 개선된 전기품질을 보이는 것으로 확인되어 최종적으로 GA를 통해 선정된 위치가 최적의 위치라는 결과를 확인할 수
있다. 따라서 최적화 결과에 따라서 그림 7과 같이 기존 [9 15 21 24 25 27] 모선에 위치한 이동형 비상발전기를 [8 9 15 16 20 22]의 위치로 이동하는 것이 적합하다는
결론을 얻었다.
그림 7. GA 기반 배치 최적화에 따른 발전기 위치 변경
Fig. 7. MEG replacement Based on GA Optimization
5. 결 론
전기품질과 전력손실 최적화는 전력계통 설계에서 필수적인 요소이며, 특히 비상 상황에서도 안정적인 전력공급이 요구되는 비행기지에서는 더욱 중요한 고려사항이다.
특히, 첨단 전자장비의 증가와 전시 작전수행 환경을 고려할 때, 안정적인 전력공급을 위한 최적화된 발전기 배치는 필수적이다.
본 논문에서는 공군 비행기지의 전기품질을 향상시키고 전력손실을 최소화하기 위해 이동형 비상발전기의 최적 배치 방법을 제안하였다. 전압 안정성과 전력손실을
주요 평가 지표로 설정하고, 유전 알고리즘을 활용하여 최적의 배치 방안을 도출하였다.
비상 시 신속한 의사결정을 지원하기 위해 전력계통 관점에서 최적화된 발전기 배치 전략이 요구된다. 본 연구에서 제안한 방법을 각 비행단의 실데이터에
적용하면, 전시 및 비상 상황에서 이동형 발전기의 최적 배치를 효과적으로 결정하는 데 활용될 수 있을 것이다.
또한, 향후 광역 발전 시스템 구축 사업 진행 시 이동형 발전기의 초기 배치 선정에서도 본 연구의 최적화 접근법이 기여할 것이다.
References
Jeffrey Marqusee, Donald Jenket, “Reliability of emergency and standby diesel generators:
Impact on energy resiliency solutions,” Applied Energy, vol. 268, 2020.

R. D. Zimmerman, C. E. Murillo-Sánchez and R. J. Thomas, “MATPOWER: Steady-State Operations,
Planning, and Analysis Tools for Power Systems Research and Education,” in IEEE Transactions
on Power Systems, vol. 26, no. 1, pp. 12-19, Feb. 2011.

G. Chicco, P. Mancarella, “Distributed multi-generation: a comprehensive view,” Renew.
Sustain. Energy Rev. 13, 2009.

M. Farrokhabadi et al., “Microgrid Stability Definitions, Analysis, and Examples,”
in IEEE Transactions on Power Systems, vol. 35, no. 1, pp. 13-29, 2020.

S.A. Salimon, G.A. Adepoju, I.G. Adebayo, H.O.R. Howlader, S.O. Ayanlade, O.B. Adewuyi,
“Impact of distributed generators penetration level on the power loss and voltage
profile of radial distribution networks,” Energies 16, 2023.

R.H. Siregar, Y. Away, “Minimizing power losses for distributed generation (DG) placements
by considering voltage profiles on distribution lines for different loads using genetic
algorithm methods,” Energies 16, 2023.

S.S. Parihar, N. Malik, “Optimal integration of multi-type DG in RDS based on novel
voltage stability index with future load growth,” Evol. Syst. 12, 2021.

저자소개
Yung-Jae Choi graduated from the Korea Air Force Academy in 2015 and was commissioned
as an engineering officer in the Air Force. He completed a commissioned academic program
in the Electronic Engineering at Yonsei University in 2021. He is currently on master's
degree at the Power System Innovation Laboratory, Department of Electrical and Computer
Engineering in Sungkyunkwan University
Chul-Hwan Kim (M’ 90, SM’ 04, F’ 22) received the B.S, M.S, and Ph.D. Degrees in electrical
engineering from Sungkyunkwan University, Suwon, Korea, in 1982, 1984, and 1990, respectively.
In 1990, he joined Jeju National University, Jeju, Korea, as a full-time lecturer.
He was a visiting academic with the University of Bath, Bath, U.K., in 1996, 1998,
and 1999. He has been a professor with the College of Information and Communication
Engineering, Sungkyunkwan University, since 1992, where he is currently the Director
of the Center for Power Information Technology. His fields of interest include power
system protection, artificial intelligence applications for protection and control,
and the modeling and protection of microgrids and DC systems.