1. ์ ๋ก        	
               Optical flow๋ ์ฐ์๋ ์์ ํ๋ ์ ๊ฐ์ ํฝ์
 ์ด๋์ ๋ถ์ํ๊ณ  ํฝ์
์ ๋ณํ๋ฅผ ์ํ์ ์ผ๋ก ๋ชจ๋ธ๋งํ์ฌ ๊ฐ์ฒด์ ์์ง์์ ์ถ์ ํ๋ ๊ธฐ์ ์ด๋ฉฐ ์ด๋ฅผ
                  ๊ธฐ๋ฐ์ผ๋ก ๋ก๋ด ๋น์ , ์์จ์ฃผํ, ๊ฐ์ฒด์ถ์ , ํ๋๋ถ์ ๋ฑ ๋ค์ํ ์์ฉ ๋ถ์ผ์์ ์ฌ์ฉ๋๋ค[1]. 40์ฌ๋
๊ฐ ๋ฐ์ ๋์ด ์จ optical flow์ ๋ํ์ฌ ๋ค์ํ ์ ๊ทผ ๋ฐฉ๋ฒ๋ค์ด ์ ์๋์์ผ๋ฉฐ ๋ํ์ ์ธ ๋ฐฉ๋ฒ์ผ๋ก ์ฐจ๋ฑ์ ๊ทผ๋ฒ(differential method),
                  ์์ญ๊ธฐ๋ฐ ์ ๊ทผ๋ฒ(region-based matching method), ์๋์ง๊ธฐ๋ฐ ์ ๊ทผ๋ฒ(energy-based method), ์์๊ธฐ๋ฐ ์ ๊ทผ๋ฒ(phase-
                  based method) ๋ฑ์ด ์๋ค[2]. ํนํ ์ฐจ๋ฑ์ ๊ทผ๋ฒ์ ์ํ๋ ๊ธฐ์ธ๊ธฐ ๊ธฐ๋ฐ ์๊ณ ๋ฆฌ์ฆ ์ค์ Horn-Schunck(HS)[3]์ Lucas-Kanade (LK)[4] ์๊ณ ๋ฆฌ์ฆ์ ์ด๊ธฐ์ ์ ์๋์์ผ๋ฉฐ ์ฐ์ํ ์ฑ๋ฅ์ ๋ํ๋ด์ด ์ดํ ๋ง์ ์ฐ๊ตฌ์๋ค์ด ์ด๋ฅผ ๋ณํํ์ฌ ๋ค์ํ ์ํํธ์จ์ด ๋ฐ ํ๋์จ์ด ๋ฐฉ๋ฒ๋ค์ ์ ์ํ์๋ค[5-13]. LK ์๊ณ ๋ฆฌ์ฆ์ ์ฐ์๋ ํ๋ ์์์ ํฐ ๋ณ์๋ฅผ ๊ฐ๋ ๋ฌผ์ฒด์ ์์ง์ ์ถ์ ์ด ๋ถ์ ํํ๋ค๋ ๋จ์ ์ด ์๋ค[1]. ์ด๋ฅผ ๊ฐ์ ํ๊ธฐ ์ํ์ฌ ํผ๋ผ๋ฏธ๋ ํํ์ ๋ค์ค ์ค์ผ์ผ์์ ๋ฐ๋ณต์ ์ธ ์ํ ๋ฐฉ๋ฒ์ ์ ์ฉํ์๊ณ  ์ ํ๋๊ฐ ๊ฐ์ ๋์๋ค[5]. ๋ํ ๋ชจ์
 ๋ฒกํฐ๋ฅผ ๊ตฌํ  ๋ ๊ทธ ํด๊ฐ ์๊ฑฐ๋ ๋ฌด์ํ ๋ง์ ๊ฒฝ์ฐ๊ฐ ๋ฐ์ํ  ์ ์๋๋ฐ ์ด ๊ฒฝ์ฐ ํด์ ๋ํ ์ ๋ขฐ๋๋ฅผ ํ๊ฐํ๊ธฐ ์ํ ์๊ณ ๋ฆฌ์ฆ์ด ์ ์๋์๋ค[6].
               
               
                  
Optical flow์ ์ฒ๋ฆฌ ๊ณผ์ ์ ์ฐ์๋ ํ๋ ์ ๋ฐ์ดํฐ์ ๋ํ์ฌ ๋ง์ ์ฐ์ฐ ๋ฐ ์ ์ฅ ๊ณต๊ฐ๊ณผ ํฝ์
 ๋จ์์ ๋ฐ๋ณต์ ์ธ ์ฒ๋ฆฌ๋ฅผ ํ์๋ก ํ๋ฏ๋ก ์ค์๊ฐ ๋์์
                     ์ํด์๋ ํจ์จ์ ์ธ ํ๋์จ์ด ์ ๊ทผ๋ฐฉ๋ฒ์ด ํ์ํ๋ค. ์ค์๊ฐ์ฒ๋ฆฌ๊ฐ ๊ฐ๋ฅํ optical flow ์์คํ
์ ์ค๊ณํ๊ธฐ ์ํด์ ๊ณ ์ฑ๋ฅ ๋ณ๋ ฌ์ฒ๋ฆฌ ๋ฐ ํ์ดํ๋ผ์ธ
                     ๊ตฌ์กฐ, ์ ํ๋ ์ ์ง๋ฅผ ์ํ ์ ์ ํ ๋นํธํ ๋น ๋ฐ ํ๋์จ์ด ๋ณต์ก๋ ๋ฑ์ ๊ณ ๋ คํด์ผ ํ๋ค.
                  
               
               ์ง๊ธ๊น์ง ์ค์๊ฐ optical flow ์์คํ
 ์ค๊ณ์ ๋ํ ๋ง์ ์ฐ๊ตฌ๊ฐ ์งํ๋์ด ์๋ค[7-13]. Plyer ๋ฑ์ ๊ณ ์ฑ๋ฅ GPU๋ฅผ ์ด์ฉํ์ฌ ๋ค์คํด์๋๋ฅผ ์ง์ํ๊ณ  ๊ณ ๋ฐ๋ ๋งต์ ์์ฑํ๋ ๋์ฉ๋ ๋ณ๋ ฌ์ฒ๋ฆฌ ๊ตฌ์กฐ์ธ eFOLKI ์์คํ
์ ์ ์ํ์๋ค[7]. Ishii ๋ฑ์ ๊ฐ๋ณ ํ๋ ์์ ์๋๋ฅผ ์ ์์ ์ผ๋ก ์ ์ดํจ์ผ๋ก์จ ๋ค์ํ ์๋์ ๋ฌผ์ฒด์ ๋ํด ์์ง์ ๋ฒกํฐ๋ฅผ ์ ํํ๊ฒ ์ถ์ถํ  ์ ์๋ ๋ฐฉ๋ฒ์ ์ ์ํ์๋ค[8]. ์ด ๋, ์ธก์  ๊ฐ๋ฅํ ์์ง์ ๋ฒกํฐ์ ์ํ์ ๋์ด๊ธฐ ์ํด ๊ฐ์ ๋ optical flow ์๊ณ ๋ฆฌ์ฆ์ ๊ณ ์ ๋น์  ํ๋ซํผ์์ ํ๋์จ์ด ๋ก์ง์ผ๋ก ๊ตฌํ๋์๋ค.
                  Diaz ๋ฑ์ optical flow ์ฒ๋ฆฌ๋ฅผ ์ํ ์๋ก์ด ์ํผ ํ์ดํ๋ผ์ธ๊ณผ ๋ณ๋ ฌ์ฒ๋ฆฌ ๊ตฌ์กฐ๋ฅผ ์ ์ ํ์์ผ๋ฉฐ, ์ด ์์คํ
์ FPGA๋ฅผ ์ด์ฉํ์ฌ ํด๋ญ ๋น
                  1ํฝ์
์ ๋ฐ์ดํฐ ์ฒ๋ฆฌ๋์ ๋ฌ์ฑํ  ์ ์๋ 70๊ฐ ์ด์์ ๊ณ ์ฑ๋ฅ ํ์ดํ๋ผ์ธ์ผ๋ก ๊ตฌ์ฑ๋๋ค[9]. LK ์๊ณ ๋ฆฌ์ฆ์์ ์์์
๋ ฅ ๋์  ๊ฐ์ฐ์์ ํํฐ๋ง์ ๊ฒฐ๊ณผ๋ฅผ ์ฌ์ฉํ  ๊ฒฝ์ฐ ๊ณผ๋ํ ์ธ๋ถ ํ๋ ์ ๋ฉ๋ชจ๋ฆฌ๊ฐ ํ์ํ๋ค[10]. ์ด๋ฅผ ๊ฐ์ ํ๊ธฐ ์ํ์ฌ ๊ฐ์ฐ์์ ํํฐ๋ง๋ ์์์ ์ํ ๋ฐ ์์ง ๋ฐฉํฅ์์ ๋ค์ด์ํ๋งํ๋ ๋ฐฉ๋ฒ์ด ์ ์๋์์ผ๋ฉฐ ์ธ๋ถ ๋ฉ๋ชจ๋ฆฌ ์ก์ธ์ค๊ฐ ์๋ ๋ฐ์ดํฐ์ 1/4๋ก
                  ์ค์ด๋ค์ด ์์ํจ์จ์ด ๊ฐ์ ๋์๋ค. Mahalingam ๋ฑ์ ๋น๊ต์  ์ ํํ ์ฐ์ฐ์ด ๊ฐ๋ฅํ ํจ์จ์ ์ธ VLSI ๊ตฌ์กฐ๋ฅผ ์ ์ํ์๋ค[11]. LK ์๊ณ ๋ฆฌ์ฆ์ ๋จผ์  ํ์ฅ๋ ๊ณ ์  ์์์  ๋ฒ์ ์ผ๋ก ๋ณํ๋๋ฉฐ, ์ ํ์ฑ์ ๊ฒ์ฆํ ์ต์ ์ ๋นํธ ํญ์ผ๋ก ๊ณ ์ ํ๋์จ์ด๋ฅผ ๊ตฌํํ์๋ค. ์๊ณ ๋ฆฌ์ฆ์ ํ์ดํ๋ผ์ธ
                  ๋ฐ ๋ณ๋ ฌ๊ตฌ์กฐ๋ฅผ ์ ์ฉํ์ฌ ํจ์จ์ ์ธ VLSI ์ํคํ
์ฒ๋ก ๋งคํ๋์๋ค. Barranco ๋ฑ์ FPGA ํ๊ฒฝ์์ ํฐ ๋ณ์๋ฅผ ๊ฐ๋ ๋ฌผ์ฒด์ ๋์ ์ถ์ ์ด ๊ฐ๋ฅํ๋๋ก
                  ๋ค์ค ์ค์ผ์ผ ํ์ฅ์ ์ ์ฉํ LK ์๊ณ ๋ฆฌ์ฆ์ ๊ตฌํํ์๋ค[12]. ์ ์ํ ์์คํ
์ ์ ๊ตํ ํ์ดํ๋ผ์ธ ๊ตฌ์กฐ๋ฅผ ํตํ์ฌ ๋์ ์์คํ
 ์ฑ๋ฅ๊ณผ ๋ฎ์ ์ ๋ ฅ ์๋ชจ๋ฅผ ๋ณด์ฌ์ค๋ค. Jang ๋ฑ์ ๋ค์ค ํ ๊ธฐ๋ฐ ์ ๊ทผ ๋ฐฉ์์ ๊ธฐ๋ฐ์ผ๋ก
                  ํ ์ ์ญ์ ์ธ optical flow์ ๋ํ VLSI ๊ตฌ์กฐ๋ฅผ ์ ์ํ์๋ค[13]. ์ ์ํ ๊ตฌ์กฐ๋ ์์์ ์ฌ๋ฌ ๊ฐ์ ํ์ ์์์ผ๋ก ๋๋ ๋ค์ ๊ฐ ํ์ ์์์ ํ๋ฆ์ ์ธ๋ถ ๋ฉ๋ชจ๋ฆฌ์ ์ ๊ทผํ์ง ์๊ณ  ์๋์ ๋ด๋ถ ๋ฉ๋ชจ๋ฆฌ๋ฅผ ์ฌ์ฉํ์ฌ ์์ฐจ์ ์ผ๋ก
                  ์ถ์ ๋์ด ํจ์จ์ ๊ฐ์ ํ์๋ค.
               
               ๋ณธ ๋
ผ๋ฌธ์์๋ LK ์๊ณ ๋ฆฌ์ฆ์ ๊ธฐ๋ฐ์ผ๋ก ํ๋ ์ค์๊ฐ optical flow ์์คํ
์ ์ค๊ณํ์๋ค. ํ๋์จ์ด ๋ณต์ก๋ ๊ฐ์ ๊ณผ ํจ์จ์  ์ค๊ณ๋ฅผ ์ํ์ฌ ์๋ฌ์จ
                  ๋ถ์์ ํตํ ์ต์ ์ ๋นํธํ ๋น์ ์งํํ์๊ณ  ํ์ดํ๋ผ์ธ ๊ตฌ์กฐ๋ฅผ ์ด์ฉํ์ฌ ์๊ณ๊ฒฝ๋ก๋ฅผ ์ต์ ํํ์์ผ๋ฉฐ ๋ณ๋ ฌ ์ฐ์ฐ ๊ตฌ์กฐ, ์ค์ฒฉ ์ค์ผ์ค๋ง ๋ฑ์ ํตํ์ฌ ์ฒ๋ฆฌ์ฑ๋ฅ์
                  ๊ฐ์ ํ์๋ค. ์ ์ํ ๊ตฌ์กฐ๋ ๊ฐ์ฐ์์ ์ค๋ฌด๋ฉ์ ์ฒ๋ฆฌํ๋ 5๊ฐ์ ๋ณ๋ ฌ์ฐ์ฐ ๋ชจ๋๊ณผ ์๊ณต๊ฐ์ ์ธ ์ถ(t,x,y) ๊ธฐ์ธ๊ธฐ ์ ๋ณด๋ฅผ ๋์์ ์ฐ์ฐํ๋ 3๊ฐ์ ๋ณ๋ ฌ๋ชจ๋์
                  ์ฌ์ฉํ์๋ค. LK ์๊ณ ๋ฆฌ์ฆ์ ํน์ฑ์ ๊ธฐ์ฐ์ฐ๋ ์ค๊ฐ ์ปค๋์ ์ถ๋ ฅ ๋ฐ์ดํฐ์ ๋ํ ์ฌ์ฌ์ฉ ๋น๋๊ฐ ๋๋ค. ์ด๋ฅผ ์ํ์ฌ ์ต์์ ๋ฉ๋ชจ๋ฆฌ๋ฅผ ์ด์ฉํ ์ต์ ์ ์ค์ฒฉ
                  ์ค์ผ์ค๋ง์ ์ ์ฉํ์ฌ ๋ฐ์ดํฐ๋ฅผ ์
๋ฐ์ดํธํ์์ผ๋ฉฐ ์ด๋ก ์ธํ์ฌ ํ์ํ ๊ณ์ฐ๋๊ณผ ๋ฉ๋ชจ๋ฆฌ ๊ณต๊ฐ์ ์ค์ด๊ณ  ์ค์ฒฉ ์ค์ผ์ค๋ง์ ํตํ์ฌ ํ๋์จ์ด ์ฑ๋ฅ์ ๋์ฌ ์ค์๊ฐ
                  ์ฒ๋ฆฌ๊ฐ ๊ฐ๋ฅํ์๋ค.
               
               ๋ณธ ๋
ผ๋ฌธ์ 2์ฅ์์๋ LK optical flow ์๊ณ ๋ฆฌ์ฆ์ ๋ํด ์ค๋ช
ํ๊ณ  3์ฅ์์๋ ์ ์ํ ์์คํ
์ ๊ธฐ๋ฐ์ผ๋ก ๊ฐ ๋ชจ๋๋ค์ ๊ตฌ์กฐ์ ๊ธฐ๋ฅ์ ๋ํ์ฌ ์ค๋ช
ํ๋ค.
                  4์ฅ์์๋ ์ค์ฒฉ ์ค์ผ์ค๋ง ๋ฐฉ๋ฒ๊ณผ ์ ์ํ ๊ตฌ์กฐ์ ์ค๊ณ, ์ฑ๋ฅ ๋ฐ ํ๋์จ์ด ๋น์ฉ ๋ฑ์ ๊ธฐ์กด ๋ฐฉ๋ฒ๋ค๊ณผ ๋น๊ต ๋ถ์ํ์๋ค. ๋ง์ง๋ง์ผ๋ก 5์ฅ์์๋ ๊ฒฐ๋ก ์ ๋งบ๋๋ค.
               
             
            
                  2. Lucas-Kanade Optical Flow Algorithm	
               Optical flow๋ฅผ ์ถ์ ํ๊ธฐ ์ํด์๋ ๋ฐ๊ธฐ ํญ์์ฑ๊ณผ ์์ ์์ง์์ด๋ผ๋ ๋ ๊ฐ์ง ์ ์  ์กฐ๊ฑด์ด ํ์ํ๋ค. ๋ฐ๊ธฐ ํญ์์ฑ์ ์์ ๋ด์ ํฝ์
์ด ์๊ฐ ๋ณํ์
                  ๋ฐ๋ฅธ ๋์ผํ ๋ฐ๊ธฐ๋ฅผ ์ ์งํ๋ค๋ ๊ฐ์ ์ด๋ฉฐ, ์์ ์์ง์์ ์ฐ์๋ ํ๋ ์ ๊ฐ ์์ง์์ด ์์ ํน์  ํฝ์
์ ๋ฉ๋ฆฌ ์์ง์ด์ง ์์์ ๊ฐ์ ํ๋ค[3]. ์ด๋ฅผ ์์์ผ๋ก ๋ํ๋ด๋ฉด ์ (1)๊ณผ ๊ฐ๋ค.
               
               
               ์ (1)์ ํ
์ผ๋ฌ ๊ธ์๋ฅผ ์ ์ฉํ์ฌ 1์ฐจ ํญ๊น์ง๋ง ๊ณ ๋ คํ๋ฉด ์ (2)์ ๊ฐ์ด ๊ฐ๋ตํํ  ์ ์๋ค.
               
               
               ์ฌ๊ธฐ์ 2์ฐจ ์ด์์ ํญ์ ์์ ์์ง์ ์กฐ๊ฑด์ ์ํด ๋ฌด์ํ  ์ ์์ผ๋ฉฐ, ์ (1)์ ์ํด ๋ค์๊ณผ ๊ฐ์ด ํํ๋๋ค.
               
               
               ์ (3)์ ์๋ณ์ $dt$๋ก ๋๋๊ณ  ๋ช
ํํ ์๋ฏธ๋ฅผ ์ํ์ฌ ํ๊ธฐ๋ฅผ ๋ค๋ฅด๊ฒ ํ๋ฉด ์ (4)๋ก ํํํ  ์ ์๋ค. ์ (4)๋ฅผ ๊ดํํ๋ฆ ์ ์ฝ๋ฐฉ์ ์(optical flow constraint equation)์ด๋ผ๊ณ  ํ๋ฉฐ $I_{x},\:  I_{y}$๋ ๊ณต๊ฐ์  ๊ธฐ์ธ๊ธฐ, $I_{t}$๋
                  ์๊ฐ์  ๊ธฐ์ธ๊ธฐ, $u ,\:  v$๋ ๋ชจ์
 ๋ฒกํฐ๋ฅผ ๋ํ๋ธ๋ค.
               
               
               LK ๋ฐฉ์์ optical flow๋ฅผ ๊ตฌํ๊ธฐ ์ํ์ฌ ์์ ์์ญ(์๋์ฐ) ๋ด์์ ๋ชจ๋  ํฝ์
์ด ๋์ผํ ์์ง์์ ๊ฐ์ง๋ค๋ ๊ฐ์ ์ ์ถ๊ฐํ๋ค. ์ด๋ฅผ ๊ธฐ๋ฐ์ผ๋ก
                  ์ต์์์น๋ฒ(least squares method)์ ์ ์ฉํ๊ณ  ์ต์ ํํ์ฌ ๋ชจ์
 ๋ฒกํฐ๋ฅผ ๊ตฌํ๋ฉด ์ (5)์ ๊ฐ์ด ํํํ  ์ ์๋ค.
               
               
               ์ (5)์์ $W_{i,\: j}$๋ ๊ฐ์ฐ์์ ๊ฐ์ค์น๋ฅผ ๋ํ๋ด๋ฉฐ ๊ฐ์ฅ์๋ฆฌ์ ํฝ์
๋ค๋ณด๋ค ์ค์ฌ์ ์ ํฝ์
์ ๊ธฐ์ฌ๋๋ฅผ ๋์ฌ ์ฃผ๋ณ ํฝ์
์ ์ํฅ์ ์ค์ด๋ ์ญํ ์ ํ๋ค.
                  ๊ทธ๋ฆฌ๊ณ  $I_{x_{i,\: j}},\:  I_{y_{i,\: j}},\:  I_{t_{i,\: j}}$์ ํด๋น ์์น์ ๊ณต๊ฐ ๋ฐ ์๊ฐ ๊ธฐ์ธ๊ธฐ๋ฅผ ๋ํ๋ธ๋ค.
                  ์์์ ๋์ถํ ์ (4)๋ฅผ ํ๋ ฌ ์ฐ์ฐ์ผ๋ก ์ ๋ฆฌํ๋ฉด ์ (6)๊ณผ ๊ฐ์ด ํํํ  ์ ์๋ค.
               
               
               ๊ฐ์ค์น๋ฅผ ๊ณ ๋ คํ์ฌ ์ต์ ์์น๋ฒ์ผ๋ก ํด๋ฅผ ๊ตฌํ๋ฉด ์ (7)๊ณผ ๊ฐ์ด ํํํ  ์ ์๊ณ , ์ต์ข
 ํด๋ฅผ ๊ตฌํ๋ฉด ์ (9)๊ฐ ๋๋ค. ๋ฐฉ์ ์์ ๊ตฌ์ฑ์์๋ค์ ์ (8)์ ํ์ํ์๋ค.
               
               
               
               
               ์์ ์์์ $a=\sum_{i,\: j}W_{i,\: j}I_{x_{i,\: j}}^{2}$, $b=\sum_{i,\: j}W_{i,\: j}I_{x_{i,\:
                  j}}I_{y_{i,\: j}}$, $c=\sum_{i,\: j}W_{i,\: j}I_{y_{i,\: j}}^{2}$, $b_{0}=\sum_{i,\:
                  j}W_{i,\: j}I_{x_{i,\: j}}I_{t_{i,\: j}}$, $b_{1}=\sum_{i,\: j}W_{i,\: j}I_{y_{i,\:
                  j}}I_{t_{i,\: j}}$, $\det = ac - b^{2}$ ์ด๋ค. ์ด์ ๊ฐ์ ๊ณผ์ ์ ํตํด LK ๊ธฐ๋ฐ optical flow ์ฐ์ฐ์ ํ 
                  ์ ์๋ค.
               
               Optical flow ์๊ณ ๋ฆฌ์ฆ์์ ์ (6)์ ํ์ด ์๊ฐ์ ์ธ ๋ชจ์
 ๋ฒกํฐ๋ฅผ ๊ตฌํ  ๋ ๊ทธ ์์คํ
์ด ํด๊ฐ ์๊ฑฐ๋ ํด๊ฐ ๋ฌด์ํ ๋ง์ ๊ฒฝ์ฐ๊ฐ ๋ฐ์ํ  ์ ์๋ค. ์ด ๋ ๊ดํ ํ๋ฆ์ ์ ๋ขฐ์ฑ์ ํ๊ฐํ๋ ์งํ๋ก
                  ๊ณ ์  ์๊ณ๊ฐ(eigenvalue threshold)๊ณผ ์ ๊ทํ ์์ฐจ ์๊ณ๊ฐ(normalized residual threshold)๋ฅผ ์ด์ฉํ๋ค.
               
               
               
               ์ ์์์ $\sum_{i,\: j}W_{i,\: j}I_{x_{i.j}}^{2}=M_{xx}$, $\sum_{i,\: j}W_{i,\: j}I_{y_{i.j}}^{2}=M_{yy}$,
                  $\sum_{i,\: j}W_{i,\: j}I_{x_{i.j}}I_{y_{i,\: j}}=M_{xy}$๋ก ํ๊ธฐํ์๋ค. ์ (10)๊ณผ (11)์ ์ (8)์ $A^{T}WA$ ํ๋ ฌ์ ๊ณ ์ ๊ฐ($\lambda_{1},\: \lambda_{2}$)์ ๊ตฌํ๋ ์์ด๋ฉฐ, ์ (8)์์ ์ ๋ํ  ์ ์๋ค.
               
               
               
               ์์ ์ (12)๋ฅผ ๋ง์กฑํ๋ฉด ํด๋น ์๋์ฐ์ optical flow ๊ฒฐ๊ณผ๊ฐ ๋ง๋ค๊ณ  ํ๋จํ  ์ ์๋ค. ์ฌ๊ธฐ์ $T_{value}$๋ ์ ๋ขฐ์ฑ์ ํ๋จํ๋ ๊ณ ์ ๊ฐ ์๊ณ์น๋ฅผ
                  ์๋ฏธํ๋ค. ๋ ๋ค๋ฅธ ์ ๋ขฐ์ฑ ํ๊ฐ ์งํ์ธ ์ ๊ท ์์ฐจ ์๊ณ๊ฐ($\epsilon_{n}$)์ ์ (13)๊ณผ ๊ฐ์ด ๊ณ์ฐํ  ์ ์์ผ๋ฉฐ, ์ฃผ์ด์ง ์์ฐจ ์๊ณ๊ฐ($\epsilon$)๋ณด๋ค ์์ผ๋ฉด  ์ ๋ขฐ์ฑ์ ๋ณด์ฅํ๋ค.
               
             
            
                  3. ์ ์ํ Lucas-Kanade ๊ธฐ๋ฐ์  Optical Flow ์์คํ
	
               LK ๊ธฐ๋ฐ์ optical flow ์๊ณ ๋ฆฌ์ฆ์์ ์ด๋ฏธ์ง์ ๋ชจ๋  ํฝ์
์ ๋ํด ๋ค์ํ ์ปค๋ ์ฐ์ฐ๊ณผ ํ๋ ฌ ๊ณ์ฐ, ์ ๋ขฐ์ฑ ํ
์คํธ ๋ฑ์ ์งํํ  ๋ ํ๋์จ์ด
                  ๋ณต์ก๋์ ๋ง์ ์ฒ๋ฆฌ์๊ฐ์ด ์๊ตฌ๋๋ค. ๋ฐ๋ผ์ ์ ์ํ ์์คํ
์ ์ค๊ฐ ์ปค๋ ๊ฒฐ๊ณผ๋ฅผ ์ต์ ํฌ๊ธฐ์ ๋ฉ๋ชจ๋ฆฌ์ ์ ์ฅํ ํ ์ค์ฒฉ ์ค์ผ์ค๋ง ๊ท์น์ ๋ฐ๋ผ ์ปค๋ ์ฐ์ฐ์
                  ์งํํ์ฌ ํ๋์จ์ด ๋ณต์ก๋์ ์ฒ๋ฆฌ์๊ฐ์ ๊ฐ์ ํ์๋ค.
               
               
                     
                     
๊ทธ๋ฆผ 1. ์ ์ฒด ์์คํ
 ๊ตฌ์กฐ
                  
                  
                     
Fig. 1. Overall system architecture
                   
               ๊ทธ๋ฆผ 1์ ์ ์ํ ์์คํ
์ ์ ์ฒด ๊ตฌ์กฐ๋ฅผ ๋ํ๋ธ๋ค. ์ ์ฒด ์์คํ
์ ์ก์์ ์ ๊ฑฐํ ๋ถ๋๋ฌ์ด ์ ์ฒ๋ฆฌ ์์์ ์์ฑํ๋ GS(Gaussian Smoothing),
                  ์๊ฐ ๋ฐ ๊ณต๊ฐ ์ถ์์ ๋ฌผ์ฒด ์์ง์์ ๊ธฐ์ธ๊ธฐ ์ฑ๋ถ์ ๊ณ์ฐํ๋ GU(Gradient Unit), ๊ฐ์ค์น ํฉ์ ํตํด ๊ฐ ํฝ์
์ ์ ํ ๋ฐฉ์ ์ ๊ณ์๋ฅผ ๊ตฌํ๋
                  Weighted Sum, ๋ฒกํฐ๋ฅผ ๊ณ์ฐํ๊ณ  ์ ๋ขฐ์ฑ์ ๊ฒ์ฆํ๋ ES(Equation Solver), Validation, Residual ๋ชจ๋ ๋ฑ์ผ๋ก
                  ๊ตฌ์ฑ๋์ด ์๋ค. ์ฐ์๋ 9์ฅ ํ๋ ์๋ค๋ก๋ถํฐ gray scale ํ์ ๊ฐ๋ค์ด ์
๋ ฅ๋๋ฉฐ ์ด ๊ฐ์ ์ด์ฉํ์ฌ ์ต์ข
 (u,v) ๊ฐ์ ํ๋ ์ ํ๋์ ์์ง์ ์ด๋์ด
                  ๋์ฌ ๋๊น์ง ๋์ ํ๋ค. ์ด ๋, ๊ฐ ๋ชจ๋์์ ๋ฐ์ดํฐ๊ฐ ์ค๋น๋๋ ์ฆ์ ๋ค์ ๋ชจ๋๋ก ์ ๋ฌ๋์ด ์ฐ์ฐ์ด ์ฐ์์ ์ผ๋ก ์ํ๋๋ค. ์๊ฐ ๋ฐฉํฅ์ ๊ธฐ์ธ๊ธฐ๋ฅผ ๊ตฌํ๋
                  GU_T ๋ชจ๋์ ์
๋ ฅ์ ์ํ์ฌ 5๊ฐ์ GS ๋ธ๋ก์ด ํ์ํ๋ฉฐ ์ด๋ฅผ ์ํ์ฌ ์ฐ์๋ 9 ํ๋ ์๋ค์ ํฝ์
 ๋ฐ์ดํฐ๊ฐ 5๊ฐ์ GS ๋ชจ๋๋ค์ ๋ณ๋ ฌ๋ก ์
๋ ฅ๋๋ค.
                  ์ฆ, GS1, GS2, GS3, GS4, GS5 ๋ชจ๋์ ๊ฐ๊ฐ 0-4, 1-5, 2-6, 3-7, 4-8 ํ๋ ์๋ค์ ํฝ์
 ๋ฐ์ดํฐ๊ฐ ์
๋ ฅ๋๋ค. ๊ฐ ๋ธ๋ก์์
                  t์ถ, x์ถ, y์ถ ๊ฐ์ฐ์์ ํํฐ๋ฅผ ์์ฐจ์ ์ผ๋ก ๊ฑฐ์น๋ฉฐ ๊ฐ์ฐ์์ ํํฐ๋ง์ด ์ ์ฉ๋ ํฝ์
 ๋ฐ์ดํฐ๋ฅผ ์์ฑํ๋ค. ๊ทธ๋ฆผ์์ ๋น๊ธ ์น ์์ ๋ธ๋ก์ ํ์ด๋ฐ์ ๋ง์ถ๊ธฐ
                  ์ํ ์ฌํํธ ๋ ์ง์คํฐ๋ฅผ ๋ํ๋ด๋ฉฐ ์  ์์ ์ซ์๋ ํด๋น ์ ํธ์ ํ ๋น๋ ๋นํธ ์๋ฅผ ํ์ํ๊ณ  ์ ์๋ถ์ ์์๋ถ๋ฅผ ํฌํจํ๋ค.
               
               
                     
                     
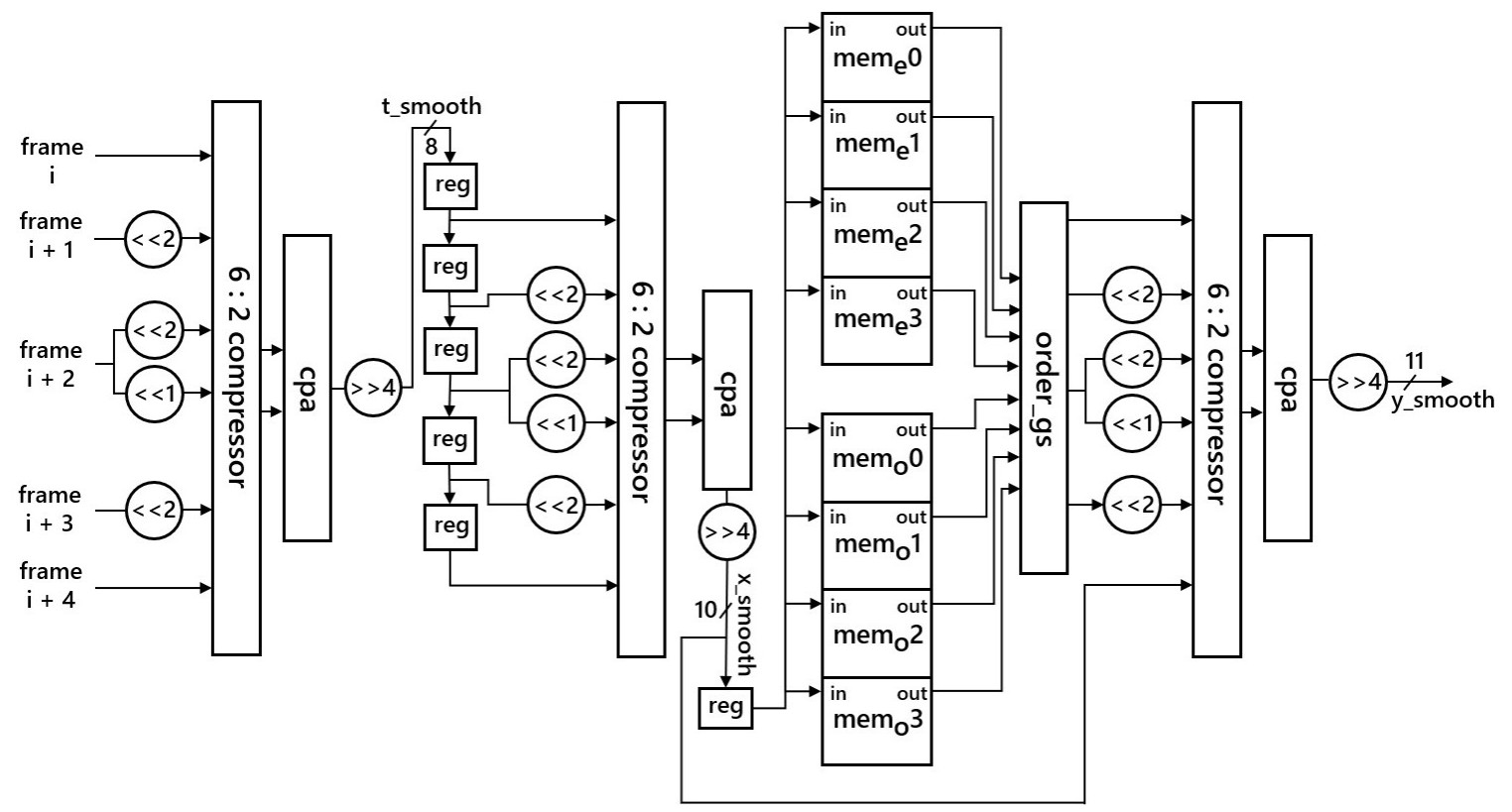
๊ทธ๋ฆผ 2. GS ๋ชจ๋์ ๊ตฌ์กฐ
                  
                  
                     
Fig. 2. Structure of GS module
                   
               ๊ทธ๋ฆผ 2๋ GS ๋ชจ๋์ ๋ํ๋ด๋ฉฐ 5๊ฐ์ ์ฐ์๋ ํ๋ ์์์ ๋์ผํ ์ขํ์ ํฝ์
 ๋ฐ์ดํฐ 5๊ฐ๋ฅผ t์ถ ๋ฐฉํฅ์ผ๋ก ๊ฐ์ฐ์์ ์ค๋ฌด๋ฉํ๋ค. ์ข์ธก ์๋จ๋ถํฐ ํ ๋ฐฉํฅ์ผ๋ก
                  ์งํ๋ t์ถ ๊ฐ์ฐ์์ ์ปค๋ ์ถ๋ ฅ์ x์ถ ์ค๋ฌด๋ฉ์ ์ํ์ฌ ์์ฐจ์ ์ผ๋ก ์ฌํํธ ๋ ์ง์คํฐ์ ์ ์ฅ๋์ด ๋งค ์ฌ์ดํด๋ง๋ค x์ถ ๊ฐ์ฐ์์ ์ถ๋ ฅ์ด ์์ฑ๋๋ค. ์ต์ข
 y์ถ
                  ์ถ๋ ฅ์ ์ํด์๋ ์ด ๋ฐฉํฅ์ผ๋ก 5๊ฐ์ x์ถ ์ถ๋ ฅ์ด ํ์ํ๋ฉฐ, ์ด๋ ํฝ์
 ๋ฐ์ดํฐ์ ์งํ ๋ฐฉํฅ๊ณผ ์ง๊ตํ๋ค. ์์ ๋ง๋ค์ด์ง x์ถ ๊ฐ์ฐ์์ ๊ฒฐ๊ณผ๋ ์ดํ y์ถ
                  ์ปค๋ ๊ณ์ฐ์์ ์ฌ์ฉ๋์ด์ผ ํ๋ฏ๋ก ์ด์  4๊ฐ ํ์ x์ถ ์ถ๋ ฅ ๊ฒฐ๊ณผ๋ฅผ ์ ์ฅํ๋ ๋ฉ๋ชจ๋ฆฌ ๊ตฌ์กฐ๊ฐ ํ์ํ๋ค. ์ ์ฅ๋ 4๊ฐ์ x์ถ ์ถ๋ ฅ๊ณผ ์๋ก ์
๋ ฅ๋๋ x์ถ
                  ์ถ๋ ฅ์ ์ปค๋ ์ฐ์ฐํ์ฌ y์ถ ์ถ๋ ฅ์ ์์ฑํ๋ค. ๋ฉ๋ชจ๋ฆฌ์ x์ถ ์ถ๋ ฅ ๊ฒฐ๊ณผ๊ฐ ๋ชจ๋ ์ ์ฅ๋๊ธฐ๊น์ง y์ถ ๊ฐ์ฐ์์ ํํฐ ์ฐ์ฐ์ ํด์ํ์ง๋ง, ์ดํ์๋ ๋งค ์ฌ์ดํด๋ง๋ค
                  y์ถ ์ถ๋ ฅ์ด ์์ฑ๋๋ค. GS ๋ชจ๋์์ ๊ฐ ์ถ๋ง๋ค ๋์ผํ ์ปค๋ [$\dfrac{1}{16},\: \dfrac{4}{16},\: \dfrac{6}{16},\:
                  \dfrac{4}{16},\: \dfrac{1}{16}$]์ ์ฌ์ฉํ์๋ค.
               
               GS ๋ชจ๋์ ๋ฉ๋ชจ๋ฆฌ๋ x์ถ ๋ฐฉํฅ์ผ๋ก ๊ณ์ฐ๋ ์ถ๋ ฅ์ ์ ์ฅํ๊ณ , ์ดํ y์ถ ์ปค๋ ์ฐ์ฐ ์ ํ์ํ x์ถ ์ถ๋ ฅ์ ๊ณต๊ธํ๋ ์ญํ ์ ํ๋ค. ์ด ๋ ๊ทธ๋ฆผ 2์์์ ๊ฐ์ด ๊ฐ ํ์ ๋ํด meme์ memo๋ก ๊ตฌ์ฑ๋ ์ด 8๊ฐ์ ๋ฉ๋ชจ๋ฆฌ ๋ธ๋ก์ ์ฌ์ฉํ์ฌ ๋ฐ์ดํฐ๋ฅผ ์ ์ฅํ๋ฉฐ, ์ด๋ฅผ ํตํด ์ฝ๊ธฐ/์ฐ๊ธฐ๊ฐ ๋์์ ์ํ๋์ด
                  ๋ฐ์ดํฐ ์ฒ๋ฆฌ์๊ฐ์ ๋จ์ถํ  ์ ์๋ค. ๋ฐ๋ผ์ y์ถ ์ปค๋ ์ฐ์ฐ์ ์ํํ  ๋๋ ๋ฉ๋ชจ๋ฆฌ์ ์ ์ฅ๋ 4๊ฐ ํ์ x์ถ ์ถ๋ ฅ๊ณผ ์๋กญ๊ฒ ๊ณ์ฐ๋ x์ถ ์ถ๋ ฅ์ ํจ๊ป ํ์ฉํ์ฌ
                  y์ถ ๋ฐฉํฅ์ ์ค๋ฌด๋ฉ ์ฐ์ฐ์ ์งํํ๋ค. ์๋กญ๊ฒ ๊ณ์ฐ๋ x์ถ ์ถ๋ ฅ์ ๋ค์ ํด๋ญ์ ๋ ์ด์ ์ฌ์ฉ๋์ง ์๋ x์ถ ์ถ๋ ฅ์ด ์ ์ฅ๋์ด ์๋ ๋ฉ๋ชจ๋ฆฌ ๊ณต๊ฐ์ ์
๋ฐ์ดํธ
                  ๋๋ค. meme์๋ ๊ฐ ํ์ ์ง์ ๋ฒ์งธ x์ถ ์ถ๋ ฅ์ด ์ ์ฅ๋๊ณ  memo์๋ ํ์ ๋ฒ์งธ x์ถ ์ถ๋ ฅ์ด ์ ์ฅ๋๋ค. ์ด๋ฅผ ํตํด ๊ฐ ํ์ ๋ฐ์ดํฐ๋ฅผ meme๊ณผ
                  memo์ ๋ฒ๊ฐ์ ๊ฐ๋ฉฐ ์ ์ฅํ๋ค. GS ๋ชจ๋ ๋ฉ๋ชจ๋ฆฌ๊ฐ 4๊ฐ ํ์ x์ถ ์ถ๋ ฅ ๊ฒฐ๊ณผ๋ก ๋ชจ๋ ์ฑ์์ง๋ฉด, ๊ฐ ํ์ meme, memo์ ์ ์ฅ๋ ๊ฐ์ด ์์ฐจ์ ์ผ๋ก
                  ์ถ๋ ฅ๋๊ธฐ ์์ํ๋ค.
               
               
                     
                     
๊ทธ๋ฆผ 3. GS ๋ชจ๋ ๋ฉ๋ชจ๋ฆฌ์ ํ์ด๋ฐ๋
                  
                  
                     
Fig. 3. Timing diagram of memories in GS module
                   
               ๊ทธ๋ฆผ 3์ GS ๋ชจ๋ ๋ฉ๋ชจ๋ฆฌ์ ํ์ด๋ฐ๋๋ฅผ ๋ํ๋ธ๋ค. ๋จผ์  meme0,1,2,3 4๊ฐ ๋ชจ๋์ 0๋ฒ์ง์ ๊ธฐ์ ์ฅ๋ ์ขํ (0,i-2), (0,i-1), (0,i),
                  (0,i+1) 4๊ฐ ํ์ x์ถ ์ปค๋ ๊ฐ์ ์ฝ๊ณ  ์๋ก ์
๋ ฅ๋๋ ์ขํ (0,i+2)์ x์ถ ์ถ๋ ฅ๊ณผ ์ปค๋ ์ฐ์ฐํ์ฌ ์ขํ (0,i)์ y์ถ ์ถ๋ ฅ์ ์์ฑํ๋ค.
                  ๋์์ ์๋ก ์
๋ ฅ๋ ์ขํ (0,i+2)์ x์ถ ์ถ๋ ฅ์ reg์ ์์ ์ ์ฅ๋๋ค. ์ฒซ ๋ฒ์งธ y์ถ ์ถ๋ ฅ์ด ์์ฑ๋๋ฉด meme0์ 0๋ฒ์ง์ ์ ์ฅ๋ ์ขํ (0,i-2)์
                  x์ถ ์ถ๋ ฅ์ ๋ ์ด์ ํ์ํ์ง ์์ผ๋ฏ๋ก reg์ ์ ์ฅ๋ ์ขํ (0,i+2)์ x์ถ ์ถ๋ ฅ์ meme0์ 0๋ฒ์ง์ ์
๋ฐ์ดํธ ๋๋ค. ๋ค์ ํด๋ก์์๋ memo0,1,2,3์
                  0๋ฒ์ง์ ์ ์ฅ๋ ์ขํ (1,i-2), (1,i-1), (1,i), (1,i+1) 4๊ฐ ํ์ x์ถ ์ถ๋ ฅ์ ์ฝ๊ณ  ์๋ก ์
๋ ฅ๋๋ ์ขํ (1,i+2)์ x์ถ
                  ์ถ๋ ฅ๊ณผ ์ปค๋ ์ฐ์ฐํ์ฌ ์ขํ (1,i)์ y์ถ ์ถ๋ ฅ์ ์์ฑํ๋ฉฐ, ๊ทธ ๋ค์ ํด๋ก์ reg์ ์ ์ฅ๋ (1,i+2)์ x์ถ ์ถ๋ ฅ์ memo0์ 0๋ฒ์ง์ ์
๋ฐ์ดํธํ๋ค.
                  ์ด์ ๊ฐ์ด meme์ memo์ ๋ฐ์ดํฐ๋ฅผ ๋ฒ๊ฐ์ ์
๋ฐ์ดํธํ๋ฉฐ y์ถ ์ถ๋ ฅ์ ์์ฑํ๋ค. ๋ํ, y์ถ ์ถ๋ ฅ์ ์์ฑํ๋ ํ์ด ๋ณ๊ฒฝ๋จ์ ๋ฐ๋ผ ์
๋ฐ์ดํธ๋๋ ๋ฉ๋ชจ๋ฆฌ๋
                  meme/o0โmeme/o1โmeme/o2โmeme/o3โmeme/o0 ์์๋ก ์ํํ๋ค.
               
               
               ์์์ ์ค๋ช
ํ ๋ฐ์ ๊ฐ์ด ๋งค ํ๋ง๋ค ์๋กญ๊ฒ ์
๋ฐ์ดํธ๋๋ x์ถ ๊ฒฐ๊ณผ์ ์ ์ฅ ์์น๊ฐ ๋ฌ๋ผ์ง๋ฏ๋ก ์ด์ ๋ฐ๋ผ y์ถ ์ปค๋๋ก ์
๋ ฅ๋๋ ๋ฐ์ดํฐ์ ์์๋ ์ ์ ํ
               ์กฐ์ ๋์ด์ผ ํ๋ฉฐ ์ด๋ order_gs ๋ชจ๋์์ ์ฒ๋ฆฌํ๋ค. ์ฒ์ ์ฒ๋ฆฌ๋๋ ํ์ ์ปค๋ ์ฐ์ฐ์์ ๋ฉ๋ชจ๋ฆฌ๊ฐ meme/o0,1,2,3 ์์๋ก ์ฌ์ฉ๋  ๊ฒฝ์ฐ ์ปค๋
               ์ฐ์ฐ๊ณผ ๋์์ 0๋ฒ์งธ ๋ฉ๋ชจ๋ฆฌ์ ์๋ก์ด x์ถ ์ถ๋ ฅ์ด ์
๋ฐ์ดํธ๋๋ฏ๋ก, ๋ค์ ํ์ ์ฐ์ฐ์์๋ meme/o1,2,3,0 ์์๋ก ๋ณ๊ฒฝ๋๋ค. ์ดํ meme/o2,3,0,1โmeme/o3,0,1,2โmeme/o0,1,2,3
               ์์๋ก ์ํํ๋ฉฐ, ์ด ๊ณผ์ ์ด ๋ฐ๋ณต์ ์ผ๋ก ์ํ๋๋ค.
               
               
               
               
                     
                     
๊ทธ๋ฆผ 4. 6:2 compressor ๊ตฌ์กฐ
                  
                  
                     
Fig. 4. Structure of 6:2 compressor
                   
               ๊ฐ์ฐ์์ ํํฐ๋ง ์ฐ์ฐ์์ 6๊ฐ์ ๋ง์
์ ๋์์ ์ฐ์ฐํ  ์ ์๋ 6:2 compressor์ CPA(carry propagation adder)๋ฅผ ์ฌ์ฉํ๋ค[14]. ๊ทธ๋ฆผ 4๋ 6:2 compressor ๊ตฌ์กฐ๋ฅผ ๋ํ๋ธ ๊ฒ์ผ๋ก 6๊ฐ์ ์
๋ ฅ์ ๋ํ๊ธฐ ์ํ ๊ฐ์ฐ๊ธฐ์ ํ ๋นํธ์ด์ ๋ํ๋ธ๋ค. ์
๋ ฅ์ ํด๋น ๋นํธ์ ์
๋ ฅ๊ฐ(i0~i5)
                  6๊ฐ์ ์๋ซ ๋จ์์ ์ค๋ ๊ฐ(ci0 ~ci2)์ด๋ฉฐ ์ถ๋ ฅ์ ์ ๋จ์ผ๋ก ์ ๋ฌ๋๋ ๊ฐ(co0~CO2)๊ณผ carry์ sum์ผ๋ก ์ด๋ฃจ์ด์ ธ ์๋ค.
               
               
                     
                     
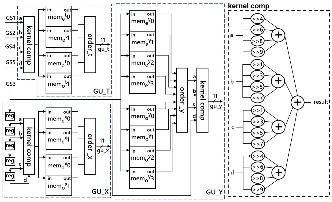
๊ทธ๋ฆผ 5. GU ๋ชจ๋๊ณผ kernel comp ๋ชจ๋์ ๊ตฌ์กฐ
                  
                  
                     
Fig. 5. Structure of GU module and kernel comp module
                   
               ๊ทธ๋ฆผ 5๋ GU ๋ชจ๋์ ๋ํ๋ด๋ฉฐ ์ค๋ฅธ์ชฝ์ kernel comp ๋ธ๋ก์ ์ผ์ชฝ ๋ธ๋ก๋์ kernel comp ๋ชจ๋์ ๋ด๋ถ ๊ตฌ์กฐ๋ฅผ ๋ํ๋ธ๋ค. ์ ๊ตฌ์กฐ๋ฅผ ํตํด ์๊ฐ
                  ๋ฐ ๊ณต๊ฐ ์ถ(t์ถ, x์ถ, y์ถ)์์ ๋ฌผ์ฒด์ ์์ง์ ๊ธฐ์ธ๊ธฐ ์ ๋ณด๊ฐ ๋์์ ์ถ๋ ฅ๋๋ค. meme/oy์ ์ฝ๊ธฐ, ์ฐ๊ธฐ ๋ฐ ์
๋ฐ์ดํธ ๋ฐฉ์์ GS ๋ชจ๋ ๋ฉ๋ชจ๋ฆฌ์
                  ๋์ ๋ฐฉ์๊ณผ ๋์ผํ๋ฉฐ, meme/ot, meme/ox ๋ํ ์ ์ฌํ ๋ฐฉ์์ผ๋ก ๋์ํ์ง๋ง, 4๊ฐ ํ์ด ์๋ 2๊ฐ ํ์ ๋ฐ์ดํฐ๋ฅผ ์ ์ฅํ๊ณ  ์
๋ฐ์ดํธํ๋ค.
                  5๊ฐ์ ์ฐ์๋ ํ๋ ์์์ ์
๋ ฅ๋ GS ์ถ๋ ฅ์ ์ข์ธก ์๋จ๋ถํฐ ํ ๋ฐฉํฅ์ผ๋ก ์งํํ๋ฉฐ, t์ถ ์ปค๋ ์ฐ์ฐ์ ์ํํ ํ ๋ฉ๋ชจ๋ฆฌ์ ์ ์ฅ๋๋ค. ๊ธฐ์ธ๊ธฐ ์ถ๋ ฅ์ ์์ฑํ๋
                  ํ์ด ๋ณ๊ฒฝ๋  ๋๋ง๋ค ๋ชจ๋ order_t๋ meme/ot0, meme/ot1์ ๋ฐ์ดํฐ๋ฅผ ๋ฒ๊ฐ์ ์ถ๋ ฅํ๋ค. GU ์ปค๋[$\dfrac{1}{12},\:
                  -\dfrac{8}{12},\:  0 ,\: \dfrac{8}{12},\:  -\dfrac{1}{12}$]์์ ์ค์ ์ปค๋ ๊ฐ์ด 0์ด๋ฏ๋ก ํด๋น ์
๋ ฅ์
                  ๋ธ๋ก๋์์ ์ ์ธํ์๋ค.
               
               ๊ฐ์ด๋ฐ ํ๋ ์์ GS ์ถ๋ ฅ์ 5๊ฐ์ ์ฌํํธ ๋ ์ง์คํฐ๋ฅผ ํตํด x์ถ ์ปค๋ ์ฐ์ฐ์ ์ํํ ํ ๋ฉ๋ชจ๋ฆฌ์ ์ ์ฅ๋๋ค. ๋ชจ๋ order_x๋ ๋ชจ๋ order_t์
                  ๋์ผํ ๋ฐฉ์์ผ๋ก ๋์ํ๋ค. ๋ํ ๊ฐ์ด๋ฐ ํ๋ ์์์ ์ฐ์๋ 4๊ฐ ํ์ GS ์ถ๋ ฅ์ ๋ฉ๋ชจ๋ฆฌ์ ์ ์ฅํ๋ฉฐ ๋ชจ๋ order_y์ ๋ฐ๋ผ ๋ฉ๋ชจ๋ฆฌ๋ฅผ ์ฝ๋ ์์๋ฅผ
                  ์กฐ์ ํ๊ณ  ์ด์ ๋ง์ถฐ y์ถ ์ปค๋ ์ฐ์ฐ์ ์ํํ๋ค. ๋ชจ๋ order_y๋ ๋ชจ๋ order_gs์ ๋์ผํ ๋ฐฉ์์ผ๋ก ๋์ํ๋ค.
               
               
                     
                     
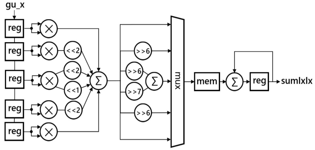
๊ทธ๋ฆผ 6. Weighted Sum ๋ชจ๋์ ๊ตฌ์กฐ
                  
                  
                     
Fig. 6. Structure of Weighted Sum module
                   
               ๊ทธ๋ฆผ 6์ Weighted Sum(WS) ๋ชจ๋์ ๊ตฌ์กฐ๋ฅผ ๋ํ๋ด๋ฉฐ sumIxIx๋ฅผ ์์๋ก ๊ตฌ์กฐ๋ฅผ ์ค๋ช
ํ์๋ค. 5โจฏ5 ์๋์ฐ๋ฅผ ์ฌ์ฉํ๊ธฐ ๋๋ฌธ์ 5๊ฐ์ ์ฌํํธ
                  ๋ ์ง์คํฐ๋ฅผ ํตํด gu_x ๊ฐ 5๊ฐ๋ฅผ ์ฐ์์ผ๋ก ๋ฐ์ ํ ์ ๊ณฑํ ๊ฐ์ ๋ํด ๊ฐ๊ฐ ๊ฐ์ค์น๋ฅผ ๊ณฑํด์ค๋ค. gu_x ๊ฐ์ scan-order ๋ฐฉ์์ผ๋ก ์
๋ ฅ๋๋ฉฐ,
                  ํ ๋ฐฉํฅ์ผ๋ก gu_x ๊ฐ์ด ์
๋ ฅ๋๋ฉด 5๊ฐ ๋จ์๋ก ๊ฐ๋ค์ด ๋์ ๋๊ณ  ์ด $โ ํ ๊ธธ์ด/5 โ$ ๊ฐ์ ์ค๊ฐ ํฉ๋ค์ด ๊ณ์ฐ๋๋ฉฐ ์ด ์ค๊ฐ ๊ฐ๋ค์ ๋ฉ๋ชจ๋ฆฌ์ ํด๋น์์น์
                  ์ ์ฅ๋๋ค. ์ด๋ฌํ ๊ณผ์ ์ด ๋ฐ๋ณต๋์ด 5๋ฒ์งธ ํ๊น์ง ๋ธ๋ก ๋จ์๋ก ๋์ ๋๋ฉด 5โจฏ5 ๋์ ์ฐ์ฐ์ด ์๋ฃ๋๋ค. ๋ํ ์๋์ฐ ๋ด์ 5๊ฐ ํ ๊ฐ๊ฐ์ ๋ํ ๊ฐ์ค์น๋ฅผ
                  ๊ณฑํ๊ธฐ ์ํด 5:1 mux๋ฅผ ์ฌ์ฉํ๊ณ  ๊ฐ ํ์ ๊ฐ์ค์น ๊ณฑ์ ๊ฐ๋จํ ์ฌํํธ ์ฐ์ฐ์ผ๋ก ๊ตฌํํ์๋ค. ์ด์ ๊ฐ์ด 25๊ฐ์ ๊ฐ์ค์น๋ฅผ ๊ณฑํ ๊ฐ๋ค์ ํฉ์ด ์ต์ข
์ ์ธ
                  sumIxIx๊ฐ ๋๊ณ  sumIxIy, sumIyIy ๋ฑ ๋๋จธ์ง ๊ฐ๋ค๋ ์ด์ ์ ์ฌํ ๋ฐฉ์์ผ๋ก ๊ณ์ฐ๋๋ค.
               
               ๊ทธ๋ฆผ 7์ Residual ๋ชจ๋์ ๊ตฌ์กฐ๋ฅผ ๋ํ๋ธ๋ค. ๊ทธ๋ฆผ 6์ ๊ตฌ์กฐ์ ๋ง์ฐฌ๊ฐ์ง๋ก t์ถ, x์ถ, y์ถ ๋ฐฉํฅ์ ๊ธฐ์ธ๊ธฐ ๊ฐ์ ์ค๋ฅธ์ชฝ ์ปค๋ ๋ด๋ถ ๊ตฌ์กฐ์ ๊ฐ์ด ๊ฐ๊ฐ 5๊ฐ์ ์ฌํํธ ๋ ์ง์คํฐ์ ์ ์ฅํ๊ณ  ์๋์ฐ ๋ด์ 25๊ฐ์
                  ๊ธฐ์ธ๊ธฐ ๊ฐ์ ๋ํด ๊ฐ์ค์น๋ฅผ ๊ณฑํ ํ ๋ฉ๋ชจ๋ฆฌ๋ฅผ ํตํด ๊ฒฐ๊ณผ ๊ฐ์ด ๋์ค๊ฒ ๋๋ค. ์ฌ๊ธฐ์ ๋์จ ๊ฒฐ๊ณผ ๊ฐ๋ค๊ณผ WS ๋ชจ๋์์ ๋์จ sumIxIx, sumIyIy,
                  sumItIt์ ํฉ์ ๋ํด ๋๋์
 ์ฐ์ฐ์ ์งํํ๋ค. ๋๋์
์ ํตํด ๋์จ ์ต์ข
 ๊ฒฐ๊ณผ๋ Residual ๋ธ๋ก ๋ด์ ํ๋ผ๋ฏธํฐ $\epsilon$์์ ๋์
                  ๋น๊ต๋ฅผ ํตํด (u,v)์ ์ ๋ณ ์ฌ๋ถ๋ฅผ ๊ฒฐ์ ํ๋ค. ๊ทธ๋ฆผ 7์์ ์ฌ์ฉ๋ 9๊ฐ์ ์ฌํํธ ๋ ์ง์คํฐ๋ ํ์ดํ๋ผ์ธ ๋๋์
๊ธฐ๋ก ์ธํ ํ์ด๋ฐ์ ๋ง์ถฐ์ฃผ๊ธฐ ์ํ ์ฌํํธ ๋ ์ง์คํฐ์ด๋ค.
               
               
                     
                     
๊ทธ๋ฆผ 7. Residual ๋ชจ๋์ ๊ตฌ์กฐ
                  
                  
                     
Fig. 7. Structure of Residual module
                   
             
            
                  4. ์ฑ๋ฅ ๋ถ์	
               
                     4.1 ํจ์จ์  ๋ฐ์ดํฐ ์ฒ๋ฆฌ๋ฅผ ์ํ ์ค์ฒฉ ์ค์ผ์ค๋ง
                  ์์ ๋ฐ์ดํฐ ์
๋ ฅ์ผ๋ก ์์ฐจ์ ์ผ๋ก ์ฐ์ฐํ๋ optical flow์ ์๊ณ ๋ฆฌ์ฆ ํน์ฑ์ ํ ์ฅ์ ์์ง์ ๋ฒกํฐ๋ฅผ ์ป๊ธฐ ์ํ์ฌ ๋ง์ ์ฒ๋ฆฌ์๊ฐ๊ณผ ์ฐ์ฐ๊ณผ์ ์ด ํ์ํ๋ค.
                     ์ค์๊ฐ ์ฒ๋ฆฌ์ฑ๋ฅ์ ์ป๊ธฐ ์ํด์ ํํ๋๋ ์๋ธ ๋ธ๋ก์ ์ฐ์ฐ์ ์์ํ  ์ ์๋ ๊ฐ์ฅ ๋น ๋ฅธ ์๊ฐ์ ์ฐ์ฐ์ ์์ํ๋ ์ค์ฒฉ ์ค์ผ์ค๋ง์ ์ ์ฉํจ์ผ๋ก์จ ํจ์จ์ ์ธ
                     ์ฐ์ฐ์ ํ  ์ ์๋ค. ์ด๋ก์จ ์ค๊ฐ ๊ฒฐ๊ณผ๋ฅผ ์ ์ฅํ๊ธฐ ์ํ ํ๋ ์ ํฌ๊ธฐ์ ์ ์ฅ ๊ณต๊ฐ์ ์ค์ผ ์ ์๊ณ  ์์ฐจ์  ์ฐ์ฐ์ผ๋ก ์ธํ ์ฑ๋ฅ์ ํ๋ ๊ฐ์ ํ  ์ ์๋ค.
                  
                  ๋ณธ ์ฐ๊ตฌ์์๋ ์ค์๊ฐ ๋ฐ์ดํฐ ์ฒ๋ฆฌ๋ฅผ ์ํด GS, GU, WS, (u,v) ๋ฒกํฐ์ ๊ณ์ฐ๊ณผ ๊ฒ์ฆ(ES, Residual, Validation)์ 4๋จ๊ณ๋ก
                     ๊ตฌ์ฑํ๊ณ , ํ ๊ธธ์ด ๋ฉ๋ชจ๋ฆฌ์ ๋์
์ ํตํด ์ฐ์ฐ ์๊ฐ์ ์ค์ฒฉ์์ผ ์ ์ฒด ์ฒ๋ฆฌ ์๊ฐ์ ์ต์ ํํ์๋ค. ์ ์๋ ๊ตฌ์กฐ์์๋ ๊ฐ ๋จ๊ณ์์ ์
๋ ฅ์ด ๋ค์ด์จ ํ ์ฝ
                     4.7ฮผs ํ์ ์ฒซ ์ถ๋ ฅ์ ์์ฑํ๋ฉฐ, ์์ฑ๋ ๋ฐ์ดํฐ๋ ์ฆ์ ๋ค์ ๋จ๊ณ๋ก ์ ๋ฌ๋๋ค. ์ด๋ฌํ ๋ฐฉ์์ผ๋ก ๊ฐ ๋จ๊ณ๋ง๋ค ํด์ ๊ตฌ๊ฐ์ ์ค์ฌ ์ ์ฒด ์ฒ๋ฆฌ ์๊ฐ์
                     ๋จ์ถํ  ์ ์๋ค.
                  
                  
                        
                        
๊ทธ๋ฆผ 8. ์ค์ฒฉ์ ์ํ ์ค์ผ์ค๋ง ๋ถ์
                     
                     
                        
Fig. 8. Scheduling analysis by time overlap
                      
                  ๊ทธ๋ฆผ 8์ Yosemite sequence(316โจฏ252)๋ฅผ 268MHz๋ก ๋์ํ์์ ๊ฒฝ์ฐ ์ค์ผ์ค๋ง์ ๊ฐ ๋จ๊ณ๋ณ ๋ฐ์ดํฐ๊ฐ ์ถ๋ ฅ๋๋ ์๊ฐ์ผ๋ก ๋ํ๋ธ ๊ฒ์ด๋ค.
                     LK ์๊ณ ๋ฆฌ์ฆ์ scan-order ๋ฐฉ์์ผ๋ก ์งํ๋๋ฏ๋ก GS์ GU ๋จ์ y์ถ ์ถ๋ ฅ์ ์ํด์๋ ๊ฐ๊ฐ ์ด์  4๊ฐ ํ์ x์ถ ์ถ๋ ฅ๊ณผ GS ์ถ๋ ฅ์ด ํ์ํ๋ค.
                     ํน์  ํ์ ๋ํ ์ฐ์ฐ์ ์งํํ ํ ๋ค์ ํ์ ์ฐ์ฐ ์์๋ ์ด์  4๊ฐ ํ์ ๋ฐ์ดํฐ๊ฐ ๋ฐ๋ณต์ ์ผ๋ก ์๊ตฌ๋๋ฏ๋ก ๋ฉ๋ชจ๋ฆฌ๋ฅผ ์ฝ์
ํ๋ค. WS์ Residual
                     ๋จ์ ์ถ๋ ฅ์ ์ํด์๋ ์ค๊ฐ ํฉ์ ๋ฐ์ดํฐ๊ฐ ์ ์ฅ๋์ด์ผ ํ๋ฏ๋ก ๋ฉ๋ชจ๋ฆฌ๋ฅผ ์ฝ์
ํด์ ์ค์ฒฉ์ ์ ์ฉํ๊ณ  ์ด์  ๋ฐ์ดํฐ๋ฅผ ์ฌ์ฌ์ฉํจ์ผ๋ก์จ ๊ณ์ฐ๋์ ์ค์๋ค. ๊ฐ ๋ชจ๋์์
                     ์๋ก์ด ์ถ๋ ฅ์ด ๋ง๋ค์ด์ง๋ฉด, ๋ค์ ํ์ ์ฐ์ฐ์์ ํ์ํ์ง ์์ ๋ฉ๋ชจ๋ฆฌ ์์น์ ๋ฐ์ดํฐ๋ฅผ ๊ฐฑ์ ํจ์ผ๋ก์จ ๋ฐ์ดํฐ๋ฅผ ํจ๊ณผ์ ์ผ๋ก ๊ด๋ฆฌํ๊ณ  ์ฐ์ฐ ํจ์จ์ ํฅ์์์ผฐ๋ค.
                  
                  ๊ทธ๋ฆผ 8์ ์ค์ฒฉ ์ค์ผ์ค๋ง์ ์ ์ฉํ๊ธฐ ์ํด์๋ ์ด 15.43KB ๋ฉ๋ชจ๋ฆฌ๊ฐ ํ์ํ๋ค. ์ค์ฒฉ์ ๊ตฌํํ๊ธฐ ์ํด GU ๋ชจ๋์ ์ถ๋ ฅ ํ์ด๋ฐ์ ์กฐ์ ํ๋ค. GU ๋จ๊ณ์
                     ์ถ๋ ฅ gu_t, gu_x, gu_y๊ฐ ๋์์ ๋ค์ ๋จ๊ณ๋ก ์
๋ ฅ๋์ด์ผ ํ๋ฏ๋ก ๋ฉ๋ชจ๋ฆฌ์ gu_t, gu_x ๋ฐ์ดํฐ๋ฅผ ์ ์ฅํ๋ค. ๋ํ WS ๋จ๊ณ์์ ๋ฐ์ํ
                     ์ฒซ ์ถ๋ ฅ ๊ฐ์ ์ด์ฉํด ES ๋จ๊ณ์์ (u,v)๋ฅผ ๊ณ์ฐํ๊ฒ ๋๋๋ฐ, ์ด๋ 9๋จ ํ์ดํ๋ผ์ธ ๋๋์
๊ธฐ๋ฅผ ์ฌ์ฉํ๋ฏ๋ก WS ์ฒซ ์ถ๋ ฅ์ด ๋ฐ์ํ์ง ์ฝ 0.03ฮผs
                     ํ์ธ 14.13ฮผs๋ถํฐ (u,v) ๋ฒกํฐ๊ฐ ์ถ๋ ฅ๋๋ค. ๋์์ ์ ๋ขฐ์ฑ ํ
์คํธ๋ฅผ ์ํ Validation๊ณผ Residual ๋ชจ๋์ ์ถ๋ ฅ๋ 14.13ฮผs์์
                     ์์ฑ๋๋ค. ์ด๋ฅผ ์ํ์ฌ Validation ๋ชจ๋์ ์
๋ ฅ ๊ฐ์ธ sumIxIx, sumIyIy, sumIxIy๋ WS ์ฒซ ์ถ๋ ฅ์ด ๋ฐ์ํ์ง ์ฝ 0.007ฮผs
                     ํ์ ์
๋ ฅ๋์ผ ํ๋ฉฐ Residual ๋ชจ๋์์ gu_t, gu_x, gu_y๋ ์ฒซ GU ์ถ๋ ฅ์ด ๋ฐ์ํ์ง 0.03ฮผs ํ, ๋ ๋ค๋ฅธ ์
๋ ฅ ๊ฐ์ธ sumIxIx,
                     sumIyIy, sumItIt ์ญ์ WS ์ฒซ ์ถ๋ ฅ์ด ๋ฐ์ํ ์ง 0.03ฮผs ํ์ ์
๋ ฅ๋์ด์ผ ํ๋ค. ์ ์ํ ์์คํ
์์๋ ์ฌํํธ ๋ ์ง์คํฐ๋ฅผ ์ด์ฉํด ์
๋ ฅ
                     ํ์ด๋ฐ์ ๋ง์ถฐ์ฃผ์๋ค.
                  
                
               
                     4.2 ์ฑ๋ฅ ๋ถ์
                  ํ 1์์๋ Yosemite Sequence์ Ground Truth ๋ฐ์ดํฐ์ ๋น๊ตํ์ ๋ optical flow์ ํ๊ท  ๊ฐ๋ ์ฐจ์ด(AAE)์ ํ์คํธ์ฐจ,
                     ๋ฐ๋ ๋ฑ์ ํ ์๊ณ ๋ฆฌ์ฆ๊ณผ ๋น๊ตํ์๋ค. ํ 1์์ ๊ดํธ ์์ ์ซ์๋ ์ ์ํ ์์คํ
์ ์ํํธ์จ์ด๋ก ๊ตฌํํ์ ๋์ ์์น๋ฅผ ๋ํ๋ธ๋ค. ํ๋์จ์ด์ ์ฑ๋ฅ๊ณผ์ ์ฐจ์ด๋ ์ ํธ๋ค์ ๋ํ ๋นํธ ํ ๋น๊ณผ ์ฐ์ฐ์์
                     ๋ฐ์ํ ์๋ฌ์์ ์ฐ์ ํ ๊ฒ์ด๋ผ ์๊ฐ๋๋ค. AAE์ ๋ฐ๋๋ ์๋ก ์๊ด๋๊ฐ ๋๊ธฐ ๋๋ฌธ์ $T_{value}$์ $\epsilon$๋ฅผ ์ ์ ํ ์กฐ์ ํ์ฌ ์ต์ ์
                     ๊ฒฐ๊ณผ๋ฅผ ์ป์ ์ ์์๋ค.
                  
                  
                        
                        
ํ 1 Optical flow ์์คํ
์ ์๋ฌ ๋ถ์
                     
                     
                        
Table 1 Error analysis of the optical flow systems
                     
                     
                           
                              
                                 | 
                                    
                                 
                                  Algorithm 
                                 
                               | 
                              
                                    
                                 
                                  AAE 
                                 
                               | 
                              
                                    
                                 
                                  Std deviation 
                                 
                               | 
                              
                                    
                                 
                                  Density(%) 
                                 
                               | 
                           
                           
                                 | 
                                    
                                 
                                  Diaz[9] 
                                 
                               | 
                              
                                    
                                 
                                  3.52 
                                 
                               | 
                              
                                    
                                 
                                  9.24 
                                 
                               | 
                              
                                    
                                 
                                  36.47 
                                 
                               | 
                           
                           
                                 | 
                                    
                                 
                                  Seong[10] 
                                 
                               | 
                              
                                    
                                 
                                  3.75 
                                 
                               | 
                              
                                    
                                 
                                  8.22 
                                 
                               | 
                              
                                    
                                 
                                  35.24 
                                 
                               | 
                           
                           
                                 | 
                                    
                                 
                                  Mahalingam[11] 
                                 
                               | 
                              
                                    
                                 
                                  6.37 
                                 
                               | 
                              
                                    
                                 
                                  11.37 
                                 
                               | 
                              
                                    
                                 
                                  38.30 
                                 
                               | 
                           
                           
                                 | 
                                    
                                 
                                  Barranco[12] 
                                 
                               | 
                              
                                    
                                 
                                  5.97 
                                 
                               | 
                              
                                    
                                 
                                  - 
                                 
                               | 
                              
                                    
                                 
                                  59.88 
                                 
                               | 
                           
                           
                                 | 
                                    
                                 
                                  Proposed 
                                 
                               | 
                              
                                    
                                 
                                  $T _{value}$=1.6 
                                 
                               | 
                              
                                    
                                 
                                  3.70(3.44) 
                                 
                               | 
                              
                                    
                                 
                                  5.88(4.41) 
                                 
                               | 
                              
                                    
                                 
                                  39.20(41.39) 
                                 
                               | 
                           
                           
                                 | 
                                    
                                 
                                  $T _{value}$=2.0 
                                 
                               | 
                              
                                    
                                 
                                  3.47(3.38) 
                                 
                               | 
                              
                                    
                                 
                                  5.34(4.38) 
                                 
                               | 
                              
                                    
                                 
                                  36.63(38.92) 
                                 
                               | 
                           
                        
                     
                   
                  
                        
                        
ํ 2 Optical flow ์์คํ
์ ํ๋์จ์ด ๋ถ์.
                     
                     
                        
Table 2 Hardware analysis of the optical flow systems.
                     
                     
                           
                              
                                 | 
                                     | 
                              
                                    
                                 
                                  proposed 
                                 
                               | 
                              
                                    
                                 
                                  [9] 
                                 
                               | 
                              
                                    
                                 
                                  [10] 
                                 
                               | 
                              
                                    
                                 
                                  [11] 
                                 
                               | 
                              
                                    
                                 
                                  [12] 
                                 
                               | 
                           
                           
                                 | 
                                    
                                 
                                  Image size 
                                 
                               | 
                              
                                    
                                 
                                  316ร252 
                                 
                               | 
                              
                                    
                                 
                                  800ร600 
                                 
                               | 
                              
                                    
                                 
                                  800ร600 
                                 
                               | 
                              
                                    
                                 
                                  800ร600 
                                 
                               | 
                              
                                    
                                 
                                  640ร480 
                                 
                               | 
                              
                                    
                                 
                                  800ร600 
                                 
                               | 
                           
                           
                                 | 
                                    
                                 
                                  Max clock (MHz) 
                                 
                               | 
                              
                                    
                                 
                                  268 
                                 
                               | 
                              
                                    
                                 
                                  82 
                                 
                               | 
                              
                                    
                                 
                                  94 
                                 
                               | 
                              
                                    
                                 
                                  55 
                                 
                               | 
                              
                                    
                                 
                                  83 
                                 
                               | 
                           
                           
                                 | 
                                    
                                 
                                  Memory (KB) 
                                 
                               | 
                              
                                    
                                 
                                  15.43 
                                 
                               | 
                              
                                    
                                 
                                  93.01 
                                 
                               | 
                              
                                    
                                 
                                  90 
                                 
                               | 
                              
                                    
                                 
                                  133.5 
                                 
                               | 
                              
                                    
                                 
                                  45 
                                 
                               | 
                              
                                    
                                 
                                  ยญ 
                                 
                               | 
                           
                           
                                 | 
                                    
                                 
                                  Fps (frame/sec) 
                                 
                               | 
                              
                                    
                                 
                                  3,322 
                                 
                               | 
                              
                                    
                                 
                                  551 
                                 
                               | 
                              
                                    
                                 
                                  170 
                                 
                               | 
                              
                                    
                                 
                                  196 
                                 
                               | 
                              
                                    
                                 
                                  32 
                                 
                               | 
                              
                                    
                                 
                                  172 
                                 
                               | 
                           
                           
                                 | 
                                    
                                 
                                  Mpixel/sec 
                                 
                               | 
                              
                                    
                                 
                                  264.6 
                                 
                               | 
                              
                                    
                                 
                                  81.6 
                                 
                               | 
                              
                                    
                                 
                                  94.08 
                                 
                               | 
                              
                                    
                                 
                                  9.83 
                                 
                               | 
                              
                                    
                                 
                                  82.56 
                                 
                               | 
                           
                           
                                 | 
                                    
                                 
                                  Cost (Kgate) 
                                 
                               | 
                              
                                    
                                 
                                  71.59 
                                 
                               | 
                              
                                    
                                 
                                  1,731.9 
                                 
                               | 
                              
                                    
                                 
                                  ยญ 
                                 
                               | 
                              
                                    
                                 
                                  1,580 
                                 
                               | 
                              
                                    
                                 
                                  ยญ 
                                 
                               | 
                           
                           
                                 | 
                                    
                                 
                                  Implementation 
                                 
                               | 
                              
                                    
                                 
                                  ASIC 
                                 
                                 (110nm) 
                                 
                               | 
                              
                                    
                                 
                                  FPGA 
                                 
                                 (150nm) 
                                 
                               | 
                              
                                    
                                 
                                  FPGA 
                                 
                                 (40nm) 
                                 
                               | 
                              
                                    
                                 
                                  FPGA 
                                 
                                 (130nm) 
                                 
                               | 
                              
                                    
                                 
                                  FPGA 
                                 
                                 (90nm) 
                                 
                               | 
                           
                        
                     
                   
                  ํ 2๋ ์ ์ํ optical flow ์์คํ
์ ํ๋์จ์ด ๋ถ์์ ๋ณด์ฌ์ฃผ๋ฉฐ ๋ค์ํ ์ธก๋ฉด์์ ํ ์๊ณ ๋ฆฌ์ฆ๊ณผ ๋น๊ตํ์๋ค. ์ ์ํ optical flow ์์คํ
์
                     VerilogHDL๋ก ์ค๊ณํ์์ผ๋ฉฐ ๋๋ถํ์ดํ
 110nm ํ์ค ์
 ๋ผ์ด๋ธ๋ฌ๋ฆฌ๋ก ํฉ์ฑํ์๋ค. ํฉ์ฑ ๊ฒฐ๊ณผ ์ ์ฒด ์์คํ
์ 2-input NAND ๊ฒ์ดํธ ๊ธฐ์ค
                     71.59K์ ๊ฒ์ดํธ๊ฐ ํ์ํ๊ณ  ์ค์ฒฉ ์ค์ผ์ค๋ง์์ ์ค๊ฐ ๋ฐ์ดํฐ๋ฅผ ์ ์ฅํ๊ธฐ ์ํ์ฌ ์ด 15.43KB์ ๋ฉ๋ชจ๋ฆฌ๊ฐ ์๊ตฌ๋๋ค. ์ ์ํ ์์คํ
์ผ๋ก Yosemite
                     Sequence์ optical flow๋ฅผ ์ฐ์ฐํ  ๋ ์ฒ๋ฆฌ์ฑ๋ฅ์ 3,322fps์ด๊ณ  ๋์ ์ฃผํ์๋ 268MHz์ด๋ค. ๋ณธ ์ฐ๊ตฌ์ ๋น๊ตํ  ์ ์๋ LK
                     ์๊ณ ๋ฆฌ์ฆ์ ๋ํ ASIC ๊ตฌํ์ฌ๋ก๊ฐ ์์ด์ FPGA ์ฌ๋ก์ ๋น๊ตํ์๋ค. ASIC์ผ๋ก ์ค๊ณ๋์ด FPGA์ ๊ฒฝ์ฐ์ ์ง์  ๋น๊ตํ๊ธฐ์ ์ด๋ ค์์ด ์์ง๋ง ์ ์
                     ํ๋์จ์ด๋ฅผ ์ด์ฉํ์ฌ ๋น๊ต์  ํฐ ์ฑ๋ฅ๊ฐ์ ์ ๋ณด์ฌ์ค๋ค. ํนํ ํ 2์ 800ร600 ๋ณด๋ค ํจ์ฌ ํฐ ์์์์๋ ์ค์๊ฐ ์ฒ๋ฆฌ๊ฐ ๊ฐ๋ฅํ  ๊ฒ์ผ๋ก ๊ธฐ๋๋๋ค.
                  
                  
                        
                        
๊ทธ๋ฆผ 9. Yosemite Sequnece์ optical flow ๊ฒฐ๊ณผ
                     
                     
                        
Fig. 9. Optical flow result of the Yosemite Sequence
                     
                        
                   
                  ๊ทธ๋ฆผ 9๋ Yosemite Sequence ์ 8๋ฒ์งธ ํ๋ ์์ ๋ํ์ฌ ์ ์ํ ํ๋์จ์ด๋ก ์ฒ๋ฆฌํ optical flow ๊ฒฐ๊ณผ๋ฅผ ๋ณด์ฌ์ค๋ค. ๋ณธ ๋ชจ์์คํ์์ $T_{value}$=1.6,
                     $\epsilon$=0.01๋ก ์ค์ ํ์๋ค. ์ ์ํ ์์คํ
์์ $T_{value}$๋ฅผ 1.6์ผ๋ก ํ์ ๋ AAE์ ํ์คํธ์ฐจ๋ ๋๊ฒ ๋์ค์ง๋ง ๋ฐ๋๊ฐ ๋๊ณ ,
                     $T_{value}$๋ฅผ 2.0์ผ๋ก ํ์ ๋ ๋ฐ๋๋ ๋ฎ์ง๋ง AAE์ ํ์คํธ์ฐจ๊ฐ ์ข์์ง๋ ๊ฒฝํฅ์ด ์๋ค. ํ ์์คํ
์ ๊ฒฐ๊ณผ์ ๋น๊ตํ์ ๋ AAE์ ๋ฐ๋๊ฐ
                     ๊ฐ์ ๋์์์ ์ ์ ์๊ณ , [9]๋ ์ ์ํ ์์คํ
๊ณผ ๋น์ทํ AAE์ ๋ฐ๋๋ฅผ ๋ณด์ด์ง๋ง ํ์คํธ์ฐจ์์ ํฌ๊ฒ ์ฐจ์ด๊ฐ ๋๊ธฐ ๋๋ฌธ์ ์ง์ ์ธ ๋ถ๋ถ์์ ์ ํ๋์ ์ฐจ์ด๊ฐ ์๋ค. ์ ์ํ ์์คํ
์ด ๋ค๋ฅธ
                     ์ ํ์ฐ๊ตฌ [9-12]์ ๋น๊ตํ์ฌ ์ฒ๋ฆฌ์ฑ๋ฅ์ด ์ข๊ณ  ๋ ๋ฎ์ ์๋ฌ์จ๊ณผ ๋์ ๋ฐ๋๋ฅผ ๋ณด์ฌ์ฃผ์๋ค. ์ฌ์ฉํ ๋ฉ๋ชจ๋ฆฌ์ ๊ฒ์ดํธ ์ ๋ํ ๋ค๋ฅธ ์ ํ์ฐ๊ตฌ์์๋ณด๋ค ๋ ์ ๊ฒ ์ฌ์ฉํ๊ธฐ ๋๋ฌธ์
                     ์์ ์ฌ์ฉ์ ์ธ ์ธก๋ฉด์์๋ ์ฅ์ ์ ๊ฐ์ง๊ณ  ์๋ค. ์ต์ ํ๋๊ฐ ๋ฎ์ FPGA์ ํน์ฑ์ ๊ณ ๋ คํ๋๋ผ๋ ์ถฉ๋ถํ ๊ฒฝ์๋ ฅ์ ๊ฐ์ง๊ณ  ์๋ค๊ณ  ์๊ฐ๋๋ค.
                  
                
             
            
                  5. ๊ฒฐ ๋ก 	
               ์ ์๋ LK optical flow ์์คํ
์ ์ค์ฒฉ ์ค์ผ์ค๋ง์ ์ ์ฉํ ํจ์จ์ ์ธ ๋ฐ์ดํฐ ์
๋ฐ์ดํธ์ ๋ณ๋ ฌ ์ฐ์ฐ ๊ตฌ์กฐ ๋ฐ ํ์ดํ๋ผ์ธ ์ ์ฉ ๋ฑ์ ํตํด ๊ธฐ์กด
                  ์๊ณ ๋ฆฌ์ฆ๋ณด๋ค ๋์ ์ฒ๋ฆฌ ์ฑ๋ฅ๊ณผ ํ๋์จ์ด ํจ์จ์ฑ์ ๋ณด์ฌ์ค๋ค. ํฝ์
 ๋ฐ์ดํฐ ์งํ ๋ฐฉํฅ๊ณผ ์ง๊ตํ๋ ๋ฐฉํฅ์ ์ปค๋ ์ฐ์ฐ์์ ๋ฐ์ํ๋ ๋ณ๋ชฉ์ ํด์ํ๊ธฐ ์ํด ์ค๊ฐ
                  ๊ฒฐ๊ณผ๋ฅผ ์ ์ฅํ๋ ๋ฉ๋ชจ๋ฆฌ๋ฅผ ์ฝ์
ํ๊ณ  ์ง์์ ํ์ ๋ฐ์ดํฐ๋ฅผ ๋ฒ๊ฐ์ ์ฒ๋ฆฌํ๋ ์
๋ฐ์ดํธ ๋ฐฉ์์ ์ ์ฉํ์๋ค. ์ด๋ฅผ ํตํด ์ฐ์ฐ ์ง์ฐ์ ์ค์ด๊ณ  ๋ฉ๋ชจ๋ฆฌ ์ฌ์ฉ๋์
                  ์ต์ํํ๋ฉด์๋ ๋งค ์ฌ์ดํด๋ง๋ค ์ถ๋ ฅ์ ์์ฑํ  ์ ์๋๋ก ๊ฐ์ ํ์๋ค. ๋ํ ํ์ดํ๋ผ์ด๋์ ํตํด ์๊ณ ๊ฒฝ๋ก๋ฅผ ์ต์ํํ๊ณ  ์ค์ฒฉ ์ค์ผ์ค๋ง์ ์ ์ฉํ์ฌ ์ค์๊ฐ
                  ์ฒ๋ฆฌ๊ฐ ๊ฐ๋ฅํ๋๋ก ์ค๊ณํ์ผ๋ฉฐ ์ฐ์ฐ ๋ณต์ก๋ ๊ฐ์ ์ ์ํด ์๊ณ ๋ฆฌ์ฆ์ ์ปค๋ ์ฐ์ฐ์ ๋จ์ํ ์ฌํํธ ์ฐ์ฐ์ผ๋ก ๋์ฒดํ์๋ค. ์ ์ํ ๊ตฌ์กฐ๋ ๋๋ถํ์ดํ
 110nm
                  ํ์ค ์
 ๋ผ์ด๋ธ๋ฌ๋ฆฌ๋ก ํฉ์ฑํ์ฌ Yosemite Sequence ์์ ๊ธฐ์ค 3.70% ์ค์ฐจ์จ๊ณผ ์ต๋ ๋์์ฃผํ์ 268MHz(264.6Mpixel/s)๋ฅผ
                  ๋ณด์ด๋ฉฐ, 71.59K๊ฐ์ ๊ฒ์ดํธ์ 15.43KB์ ๋ฉ๋ชจ๋ฆฌ๋ฅผ ์ฌ์ฉํ๋ค.
               
             
          
         
            
                  ๊ฐ์ฌ์ ๊ธ
               
                  We thank IDEC (IC Design Education Center) for providing us with EDA softwares.
                  
                  			
               
             
            
                  
                     References
                  
                     
                        
                        A. Alfarano, L. Maiano, L. Papa and I. Amerini,  โEstimating optical flow: A comprehensive
                           review of the state of the art,โ Comput. Vis. Image Understand., vol. 249, Sep. 2024.
                           https://doi.org/10.1016/j.cviu.2024.104160

 
                      
                     
                        
                        J. Barron, D. Fleet and S. Beauchemin, โPerformance of optical flow techniques,โ Systems
                           and Experiment, vol. 12, pp. 43-77, 1994. https://doi.org/10.1007/BF01420984

 
                      
                     
                        
                        B. Horn and B. Schunck, โDetermining optical flow,โ Artif. Intell., vol. 17, nos.
                           1-3, pp. 185-203, 1981. https://doi.org/10.1016/0004-3702(81)90024-2

 
                      
                     
                        
                        B. Lucas and T. Kanade, โAn iterative image registration technique with an application
                           to stereo vision,โ in Proc. 7th Int. Joint Conf. Artif. Intell., pp. 674-679, 1981.
                           https://hal.science/hal-03697340

 
                      
                     
                        
                        L. Alvarez, J. Weickert and J. Sรกnchez, โReliable estimation of dense optical flow
                           fields with large displacements,โ Int. J. Comput. Vis., vol. 39, no. 1, pp. 41-56,
                           Aug. 2000. https://doi.org/10.1023/A:1008170101536

 
                      
                     
                        
                        J. Brandt, โImproved accuracy in gradient-based optical flow estimation,โ Int. J.
                           Comput. Vis., vol. 25, no. 1, pp. 5-22, Oct. 1997. https://doi.org/10.1023/A:1007987001439

 
                      
                     
                        
                        A. Plyer, G. Le Besnerais and F. Champagnat, โMassively parallel Lucas Kanade optical
                           flow for real-time video processing applications,โ J. Real-Time Image Process., pp.
                           1-18, Apr. 2014. https://doi.org/10.1007/s11554-014-0423-0

 
                      
                     
                        
                        I. Ishii, T. Taniguchi, K. Yamamoto and T. Takaki, โHigh-frame-rate optical flow system,โ
                           IEEE Trans. Circuits Syst. Video Technol., vol. 22, no. 1, pp. 105-112, Jan. 2012.
                           DOI: 10.1109/TCSVT.2011.2158340

 
                      
                     
                        
                        J. Dรญaz, E. Ros, R. Agรญs and J. L. Bernier, โSuperpipelined high performance optical-flow
                           computation architecture,โ Comput. Vis. Image Understand., vol. 112, no. 3, pp. 262-273,
                           Dec. 2008. https://doi.org/10.1016/j.cviu.2008.05.006

 
                      
                     
                        
                        H. Seong, C. Rhee and H. Lee, โA novel hardware architecture of the LucasโKanade optical
                           flow for reduced frame memory access,โ IEEE Trans. Circuits Syst. Video Technol.,
                           vol. 26, no. 6, pp. 1187-1199, Jun. 2016. DOI: 10.1109/TCSVT.2015.2437077

 
                      
                     
                        
                        V. Mahalingam, K. Bhattacharya, N. Ranganathan, H. Chakravarthula, R. Murphy and K.
                           Pratt, โA VLSI architecture and algorithm for LucasโKanade-based optical flow computation,โ
                           IEEE Trans. Very Large Scale Integr. Syst., vol. 18, no. 1, pp. 29-38, Jan. 2010.
                           DOI: 10.1109/TVLSI.2008.2006900

 
                      
                     
                        
                        F. Barranco, M. Tomasi, J. Diaz, M. Vanegas and E. Ros, โParallel architecture for
                           hierarchical optical flow estimation based on FPGA,โ IEEE Trans. Very Large Scale
                           Integr. Syst., vol. 20, no. 6, pp. 1058-1067, Jun. 2012. DOI: 10.1109/TVLSI.2011.2145423

 
                      
                     
                        
                        S. Jang and C. Kyung, โResource-Efficient and High -Throughput VLSI Design of Global
                           Optical Flow Method for Mobile Systems,โ IEEE Trans. Very Large Scale Integr. Syst.,
                           vol. 28, no. 7, pp. 1717-1725, July 2020. DOI: 10.1109/TVLSI.2020.2984822

 
                      
                     
                        
                        B. Parhami, Computer Arithmetic: Algorithms and Hardware Designs, Oxford University
                           Press, pp. 133-136, 1999. https://dl.acm.org/doi/10.1145/3744710

 
                      
                   
                
             
            ์ ์์๊ฐ
            
            He received his B.S degree in Information, Communication, and Electronic Engineering
               from The Catholic University of Korea in 2025. His research interests include seminconductor
               and digital system design.
            
            
            He will receive his B.S degree in Information, Communication, and Electronic Engineering
               from The Catholic University of Korea in 2026. His research interests include seminconductor
               and digital system design.
            
            
            He will receive his B.S degree in Information, Communication, and Electronic Engineering
               from The Catholic University of Korea in 2026. His research interests include seminconductor
               and digital system design.
            
            
            He received his B.S degree in Electronic  Engineering from Yonsei University, Korea
               in 1985 and M.S and Ph.D degrees from Syracuse University, USA in 1988 and 1993. Currently
               he is a professor in Information, Communication, and Electronic Engineering in The
               Catholic University of Korea. His research interests include VLSI design, CAD, and
               computer architecture.