• 대한전기학회
Mobile QR Code QR CODE : The Transactions of the Korean Institute of Electrical Engineers
  • COPE
  • kcse
  • 한국과학기술단체총연합회
  • 한국학술지인용색인
  • Scopus
  • crossref
  • orcid

  1. (Ministry of Land, Infrastructure and Transport, Republic of Korea.)
  2. (Cheol-Hwan Kim, Ministry of Land, Infrastructure and Transport, Republic of Korea.)
  3. (Byung Lib Ahn, Entech World, Inc.)



Sub Sectioning Post, Harmonic resonance, Ferro-resonance, Power system supply modelling, Ferranti, Nikola Tesla, Over Voltage

1. 서 론

동두천역에서 연천역까지 약 20km에 달하는 경원선 신설 구간이 2023년 12월 16일 개통된 이후 약 2달이 지난 2024년 2월 15일 12:00경 연천역에서 전차선 보호용 피뢰기가 소손되었다. 정격전압이 42kV인 피뢰기를 소손한 전압은 약 75kV에 이르렀다는 관측이 있었으며, 피뢰기를 교체한 후에도 피뢰기 소손은 지속되었고, 연천 보조구분소의 피뢰기를 제거하고 시험운행을 할 때에는 연천 보조구분소 바로 전의 한탄강역 보조구분소의 피뢰기가 소손되었다. 이러한 소손은 2월 16일까지 일어났으며, 2월 24일에 운행이 재개되었다.

운행 중지 기간 동안 정부는 민관합동조사단 (추후 위원회)를 구성하여 대책을 도출하였고, 그에 따라 연천 구분소에 RC Bank를 설치하고, 의정부 변전소에 변압기를 병렬로 운전한 후에야 연천 구분소의 과전압 현상은 사라졌다. 민관합동조사위원회는 RC Bank와 변압기 병렬 운전에 의하여 급전 시스템의 전기적 고유진동수가 변경되어서야 이상전압이 제거된 것에 착안하여, 변경되기 이전의 급전 시스템 일부 또는 전부에 기인한 전기적 공진이 피뢰기를 소손시킨원인이 과전압이라는 관측에는 일관된 의견을 보였지만, 문제의 공진 주파수를 가진 전류 또는 전압의 발생 원인에 대해서는 결론을 얻지 못하였다.

이 연구는 당시 민관합동조사조사단(추후 위원회)가 얻었던 결론들과 그의 정량적 근거들, 이를 바탕으로 한 ‘장거리 철도계통에서 회생제동시에 발생하는 철공진 현상에 대한 과도전압 모델링’을 수행하였고, 향후 연구에 대한 고찰을 적었다. 에너지 증폭 및 무선 에너지 전송의 선구자였던 Nicola Tesla와 말단이 개방된 급전선의 전압 확대 현상을 증명한 Sebastian Ziani de Ferranti의 이론이 검토되었다.

좀 더 상세히 후술하겠지만, 본 논문은 일반적인 연구논문이 갖고 있는 구조가 반복되는 형태로 구성되어 있다. 일반적인 구조는 연구 질의에 대해 이론을 통해 증명한 것을 실험을 통해 증명하는 식인데, 본 논문은 연구질의에 대한 이론 및 실험이 1차적으로 진행되고, 이 1차 결과를 기반으로 추가적인 연구질의에 대한 이론 및 모델링이 2차적으로 진행되는 형식을 채택하였다. 1차적으로 탐구된 연구질의는 ‘경원선 신설구간 말단의 피뢰기는 왜 소손되었는가?’이며 이를 해결하기 위해 RC 뱅크의 투입/개방, 변압기 병렬 연결/개방 조건을 실험하여 피뢰기 소손의 원인이 변압기 코어 공진이라는 것을 1차적으로 도출하였다. 이에 따라, 2차적으로 발생한 연구질의는 ‘그렇다면 그 변압기 코어 공진은 왜 일어났는가’였다. 이를 해결하기 위해, 페란티와 테슬라의 전압 또는 에너지의 특이 증폭 현상에 대한 이론을 고찰했으며, 이 고찰을 지원해줄 수 있는 모델링을 수행하였다. 이러한 단계를 수행한 후에도 본 연구는 완벽한 해답을 찾지 못하였으며, 이는 추가적인 과제로 진행하겠다는 결론에 도달하였다.

2. 문제해결 및 분석

2.1 초동 조치 결과

2.1.1 전기철도 급전 이론

전기철도 부하는 고정된 위치에서 전력을 소모하는 방식이 아닌 선로를 따라 이동하는 부하로서, 전기공급과 차량간에는 밀접한 관계를 가지고 있다. 통상적으로 한전에서 AC 3상 154KV 전원을 수전받아 전철변전소 주변압기에서 AC 단상 55KV(M,T상)으로 강압하고, 단권변압기(Auto Transformer)를 이용하여, 전차선과 레일간에 AC 단상 25kV의 전원을 전기차량에 공급하는 구조(Fig. 1)이다[1].

그림 1. AT 급전 방식 기본 회로 (AC 25kV)

Fig. 1. AT type’s basic circuit (AC 25kV)

../../Resources/kiee/KIEE.2025.74.12.2173/fig1.png

2.1.2 RC-BANK 관련 이론

RC Bank는 고차 고조파의 억제설비로서 차량을 중심으로 병렬 회로를 이루는 전기철도 급전 계통에서 발생할 수 있는 병렬 공진을 회피하는 장치로 알려져 있다[1]. 이 이론에서는 차량이 고조파 발생 소스이며, 차량에서 변전소까지의 회로(a)와 차량에서 급전선로의 말단까지의 회로(b)가 병렬회로를 이룬다고 기술한다. 그래서, 이 전체 회로의 임피던스가 무한대에 수렴하는 것이 병렬회로의 공진발생 조건이며, 이는 회로(a), 변전소,의 임피던스 Z s 와 회로(b), 전차선로, 정전용량의 임피던스 Z 가 같을 때와 같아서, [1]에서는 아래와 같이 그 공진 조건을 식 (1)로 표현했다.

(1)
Z S + Z 0 coth ( γ ) = 0

여기서 Z 0 : 선로 특성임피던스 ( Z 0 = Z Y )

Z: 선로, 회로(b), 임피던스

Y: 선로, 회로(b), 어드미턴스(= j ω C )

γ : 선로의 전파 정수 ( = Z Y )

: 선로의 길이

여기서 [1] γ 1 이라고 볼 수 있는 범위라고 가정한 상태에서의 병렬공진의 주파수는 식 (2)과 같다고 제시하였으며, 당연히 이 공진 주파수를 가진 전압이 부하되면, 병렬공진으로 인한 과전압이 생길 것을 예측할 수 있다.

(2)
f = 1 2 π L C

여기서 L : 변전소의 인덕턴스

C : 선로의 정전용량

[1]은 이어서, 상기의 병렬 공진은 선로의 임피던스( Z 0 )와 같은 값을 갖는 RC Bank를 선로와 급전선(TF)에 연결하여 과전류를 단락시켜 줌으로써 완화될 수 있다고 기술하였다.

2.1.3 RC-BANK 투입

2.1.2 및 2.1.3의 이론에 근거하여, 한국철도공사는 2024년 2월 22일 열차 운행에 지장이 없는 범위에서 RC Bank를 투입하고 열차 안에서의 전력을 측정하였고 그 결과는 Fig. 2이 보여주는 대로 17차 고조파가 정현파의 48~9%의 크기로 검출됨을 알 수 있다. RC Bank 투입 이후에도 여전히 50%에 달하는 과전압이 발생하였기 때문에, 이 결과만 보고는 RC 뱅크가 큰 효력이 있다고 보기는 힘들었다. 따라서, 좀 더 명확한 분석을 위해 RC 뱅크 투입 전후의 측정 실험 데이터가 필요하였다.

그림 2. 2024년 2월 22일 RC Bank 투입 시

Fig. 2. With a RC Bank on 22.2,2024

../../Resources/kiee/KIEE.2025.74.12.2173/fig2.png

이에, 한국철도공사는 2024년 3월 12일 열차 운행 지장이 없는 시간에, RC Bank가 투입될 때와 투입되지 않을 때의 열차 안에서의 전력 변화를 각각 관측하였다. Fig. 3은 RC Bank를 투입한 채로 실험했을 때의 결과로, 정현파 최고 전압의 77%에 달하는 16차 고조파가 관측되었으며, 정현파 최고 전압은 20.4kV에 달하였다. 즉, 이 16차 고조파로 인한 최고 전압은 1.77 × 20.4 = 36.11kV로 최고 전압 폭(+, - 간격)이 72.22kV에 달하기 때문에 자칫하면 피뢰기를 소손할 수 있는 수준이었다.

그림 3. 2024년 3월 12일 RC Bank 투입 시

Fig. 3. With a RC Bank on 12. 3, 2024

../../Resources/kiee/KIEE.2025.74.12.2173/fig3.png

이어서, RC Bank를 개방하고 난 실험(Fig. 4)에서는 17차 고조파가 정현파의 88%인 24.1kV까지 관측되었고, 이 과전압은 약 3초간 지속되다가 피뢰기가 열 폭주로 인한 소손으로 방출되었다. RC Bank는 기본적으로 R과 C의 값을 변화시켜 공진 주파수를 회피하는 것으로 RC Bank 전후로는 공진 고조파가 달라져야 과전압을 방지할 수 있는 데, 이 실험에서 RC Bank는 공진 고조파를 변경(17차 고조파 ⇒ 16차 고조파) 하는 데 큰 역할을 하지 않았다. 그렇다면, 공진 고조파로 인한 과전압은 RC Bank가 연결된 선로 임피던스와 관련이 없는 곳에서 이루어진 것이라고 볼 수 있다. RC Bank는 기본적으로 열 폭주를 일으킬 선로 상의 과전류를 상쇄시켜주기 때문에 고조파의 영향을 감소시킨 것은 사실이지만, 연천 구분소의 피뢰기를 손상시킨 과전압을 직접적으로 상쇄시켰다고는 판단하기 힘들었다.

그림 4. 2024년 3월 12일 RC Bank 미투입 시

Fig. 4. Without a RC Bank on 12. 3, 2024

../../Resources/kiee/KIEE.2025.74.12.2173/fig4.png

2.1.4 변전소 변압기 병렬 운전

RC Bank 투입 외의 방안으로 의정부 변전소의 변압기를 병렬로 운전하는 대책을은 추가적으로 검토하였다. 이는 선로를 모사한 직렬 회로에서 선로 말단의 공진계수는 식 (3)으로 간단히 모델링 될 수 있는데[2], 변압기의 인덕턴스를 병렬로 연결하면 식 (3)의 L 값이 1/2로 줄어들게 되므로 선로 말단의 공진 주파수 과전압은 줄어들기 때문이다. (Q = Quality Factor).

(3)
Q = 1 R L C

상기 논리에 따라, 2024년 2월 21일 (Fig. 2 실험 하루 전)에 이미 변전소 변압기를 병렬운전하고 RC Bank를 투입한 상태에서 열차 내 전력변화량을 관측하였다. 그 결과는 Fig. 5이며, 비슷한 시기(2024년 2월 22일)에 RC 뱅크만 투입한 결과와 확연한 차이를 나타내고 있다. Fig. 2에서는 17차 고조파 전압이 정현파의 48%에 달했는데, Fig. 5에서는 49차, 51차 고조파가 정현파의 4%에 불과했다. 고조파의 감소도 RC Bank에 비해 뛰어났지만, 공진 구간을 회피시키는 고조파의 이동 (17차 ⇒ 49차, 51차) 측면에도 매우 뛰어난 방안이었다.

그림 5. 2024년 2월 21일 RC Bank 및 변압기 병렬 연결 시

Fig. 5. With a RC Bank and a Transformer connected parallelly on 21.2,2024

../../Resources/kiee/KIEE.2025.74.12.2173/fig5.png

상기 실험 결과를 확인하기 위해 2024년 3.12일 다시 동일 조건으로 다시 실험을 하였는데 결과(Fig. 6)는 크게 다르지 않았고, 49, 51차 고조파의 영향은 2월 21일 실험시 4%에서 1% 내외로 감소한 것으로 나타나, 의정부 변전소의 변압기 병렬 연결이 피뢰기 소손을 일으킨 공진을 RC Bank보다 훨씬 효과적으로 회피하고 억제한 것으로 나타났다.

그림 6. 2024년 3월 12일 RC Bank 및 변압기 병렬 연결 시

Fig. 6. With a RC Bank and a Transformer connected parallelly on 12.3,2024

../../Resources/kiee/KIEE.2025.74.12.2173/fig6.png

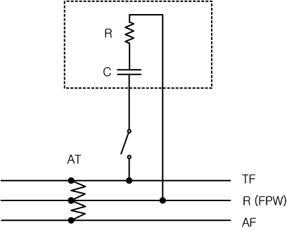
2.1.5 결과 요약 및 시사점

RC Bank는 차량에 전력을 공급하는 급전선과 차량이 운행하는 선로의 R(저항)과 C(커패시터)를 병렬로 연결하여 선로의 공진을 회피하는 장치로 (Fig. 7, [1]), 이제까지의 실험 결과는 RC Bank가 연결된 회로보다는 주변압기와 단권변압기를 연결하는 AF (단권변압기 급전선)를 포함한 회로에서 공진이 발생한 것으로 판단되며, 이는 다음에 전개될 단권변압기 코어 공진에 대해 고찰하는 계기가 되었다.

그림 7. R-C Bank 연결 예시

Fig. 7. The example of R-C Bank connection

../../Resources/kiee/KIEE.2025.74.12.2173/fig7.png

Table 1은 2.1 장 실험 결과를 요약한 것이다. RC Bank의 고조파 저감 효과는 변전소 변압기의 병렬 운전에 비해서 많이 부족한 것으로 나타났으며, 변압기 계열의 공진이 피뢰기 소손의 원인일 수 있다는 잠정적 결론이 도출되었다.

표 1. 현재까지의 실험 결과 요약

Table 1. Summary of the results from the experiments so far

단독 변압기 병렬 변압기 +
RC뱅크 투입
RC 뱅크 투입 RC 뱅크 개방
(피뢰기 소손)
전압 최대 28kV 최대 28kV 이상 없음
전류 이상 없음 최대 1.18kA 이상없음
고조파 16 고조파
(77%)
17 고조파 (88%)
* 3초 지속후 소손
1% 고조파

2.2 변압기 코어 공진

2.2.1 변압기 코어 공진 관측

2024년 3월 12일 01시 44분에 의정부 변전소의 변압기를 단독 운전하고, RC 뱅크는 개방한 실험에서 연천구분소 단권 변압기 코어 공진이 관측되었다. Fig. 8에서, 평상시 RMS 28kV는 RC Bank가 가동되는 상황에서도 40kV까지 고조파 전압이 확대되었고, 이후 RC Bank를 개방하자 70kV까지 상승하면서 변압기 코어 공진이 심화되었다.

그림 8. 2024년 3월 12일 연천역 보조구분소 전압 (RC Bank 투입 시)

Fig. 8. With a RC Bank, Volatge at the Sub Sectioning Point at Yeon Cheon station on 12.3,2024

../../Resources/kiee/KIEE.2025.74.12.2173/fig8.png

연천구분소에서의 변압기 코어공진 모델링은 일반적으로 Fig. 9처럼 구성할 수 있는데 [3], C1은 가공선로의 정전용량 커패시터, C2는 변압기 주변의 커패시터, L1은 변압기 코어가 포화되기 전의 인덕턴스, L2는 코어 포화 후의 인덕턴스이다. 고압용 C1이 대부분 저압용 C2에 비해서 작기 때문에, 차단기가 (t=0) 개방되더라도 C2에는 더 작은 전압이 걸리게 된다. 그런데, 피뢰기가 소손된 것은 모종의 이유로 C2에 과전압이나, 과전류가 유도된 것이라고 밖에 볼 수 없다.

그림 9. 연천 SSP 철공진 모델링

Fig. 9. Modelling of Ferroresonacne at the Yeoncheon SSP

../../Resources/kiee/KIEE.2025.74.12.2173/fig9.png

2.2.2 변압기 코어 공진 원인

신조 차량이 투입된 이후로 연천구분소의 피뢰기가 소손됨에 따라, 신조 차량에서 발생한 고조파가 그 원인일 수 있다는 의견이 초기에 제시되었다. 그러나, PWM 방식의 신조 차량은 13펄스로 운용되기 때문에 2×13±1 = 25차 또는 27차 고조파를 가장 큰 고조파로 발생시키므로, 변압기 코어 공진을 일으킨 16차와 17차 고조파와 큰 차이가 있어 공진의 원인이라고 판단하기 어렵다. 25차 고조파가 선로를 지나면서 감쇄가 되면 작아져서 17차에 도달하는 것 역시, 0.73에 이르는 높은 감쇄율 (ζ)은 0.73로 인해 비현실적이다. 이 감쇄율은 단 한번의 주기를 지났을 때 그 진폭을 약 0.001배로 감소시키기에, 25차 고조파가 3초간, 즉 25×60×3=4500회 진동할 동안에 과전압을 일으킬 확률은 0에 가깝다.

(4)
w ( = 17 ) = w 0 ( = 25 ) 2 ζ 2 ( w 0 ) 2 ζ = 0.73 대수감쇠율 = ln ( x 0 x 1 ) = 2 π ζ 1 ζ 2 x 1 = 0.0012 x 0

그런데, 회생제동 등으로 차량 내의 주변압기에서 변압기 코어 공진이 일어나고, 그 코어 공진에 의한 과전압이 연천 구분소 변압기의 코어 공진의 원인이 되었을 가능성은 배제할 수 없다. 차량 내와 연천구분소의 변압기 코어 공진 주파수는 16~17차 고조파의 특성을 띠기 때문이다. 이 가능성과 함께 이 논문에서 검토된 것은 페란티 현상으로 이는 무부하인 장거리 송전로에서 선로의 정전용량 때문에 생긴 충전전류로 인해 전압보다 위상이 앞선 선행전류가 흐르고, 이 선행전류와 선로의 자기인덕턴스에 의한 유도기전력으로 인해 수전단(Vr)에서 유도 전압이 발생하여, 수전단(Vr)의 전압이 송전단(Vs)의 전압보다 높아지는 현상이다.

2.3 Ferranti, S.와 Tesla, N.의 이론 고찰

이 고찰은 ‘왜 40km 근처에서 피뢰기가 소손되었을까?’라는 의문에서 시작되었다. 소손의 발생원인이 차량내에서인지 아니면 무부하상태에서 충전된 전기에너지로 인해 발생한 것인지와는 관계없이, 40km의 선로길이에서 특이점이 일어나는 것은 아닐까 하는 의구심과 같다. 현실에서 페란티 현상에 의한 과전압 사례는 10~20% 내외로 알려져 있다 [5]. 그런데, 약 400m에 불과한 호남선 KTX 열차 내 주변압기가 페란티 현상으로 손상되는 사고가 발생하거나[4], 역으로, 경원선 신설 구간(약 44km)보다 한 변전소가 담당하는 길이가 약 47km로 긴 장항선 평택~신창 구간에서는 말단 피뢰기 손상이 관측되지는 않았다. 또한, 다른 장거리 송전 구간은 말단이 복선으로 구성되어 있는 사실도 무시할 수 없으며, 유럽에는 70km 이상 되는 구간도 여럿 존재하므로, 단순히 변전소에서 말단 간의 거리가 길다고 전압 증폭이 일어난다고 결론을 짓는 것은 합리적이지 않으므로 특정 길이와 관련된 특이 현상 여부를 고찰할 필요가 있다.

관련하여, Sebastian Z. Ferranti는 말단이 개방된, 즉, 경원선 신설 구간과 같이 단선으로 구성된 경우, 특이한 과전압 현상이 관측됨을 증명한 바 있다. 즉, 선로의 길이(d)가 파장길이 (=c/f)의 1/4, 3/4... 일 때, 선로 말단의 전압은 무한대에 이른다는 것이다. 식 (5)가 그 수식이며, f는 진동수, d는 선로길이, c는 빛의 속도 또는 전파의 속도, VR은 개방된 선로 말단에서의 전압이다.

(5)
V R = 1 cos ( 2 π f d c )

즉, 가공선이기에 전파의 속도를 빛의 속도 (=c)가 아니라, 구리선에서의 전파속도인 약 2/3×c 라고 계산을 하면, 진동수를 17차 고조파로 가정할 경우, 선로길이가 49km이면 무한대의 값을 갖는다. 경원선의 경우 무한대가 되기 전에 그 직전의 단계에서 과전압이 유도된 것이 아닌가 추정할 수 있다. 개방회로 말단의 페란티 현상은 아래와 같이 유도될 수 있다. Fig. 12는 개방회로 말단을 묘사한 그림이며, VR은 증명하고자 하는 말단 전압이다. 다만, 진공이 아닌 매질에서의 전파속도는 33%에서 67%까지 다양하게 나타나고 있고, 구리선의 경우 광속의 2/3까지 또는 그 이상까지 가능하다는 의견이 있으므로 전파속도의 추정은 가정 사항 임을 말해 둔다 [6].

그림 12. 개방 선로 모델링

Fig. 12. Modeling of open ended line

../../Resources/kiee/KIEE.2025.74.12.2173/fig12.png
(6)
Z = R + j X , Y = G + j B , z = Z / d , y = Y / d 여기서 d 는 선로 길이
(7)
여기서 전선은 에너지 손실이 없다고 가정하면, x = X d , b = B d , γ = j b x , γ d = j b x d
(8)
Z = Z sinh γ d γ d , γ = y z , γ = j b x , γ d = j b x d X = j X sinh j b x d j B X = j X sin b x d B X
(9)
새 변수들을 다시 정의하면, X = j X sinh j b x d j B X = j X sin b x d B X Y = Y tan h γ d 2 γ d 2 , B = j B tan h j b x d 2 j B X 2 B = j 2 B tan b x d 2 B X = j 2 B [ 1 cos b x d ] B X sin b x d

(6)~(9)을 바탕으로 Fig. 12의 모델을 수식으로 설명하면, 식 (10)과 같이 정리되어, 상기 식 (5)와 같이 선로 말단에서의 페란티 현상의 특이 현상이 유도됨을 알 수 있다 [5].

(10)

$ I_R = 0, \quad I = I_2 \\[1em] \frac{1 - V_R}{X} = \frac{V_R}{2}, \quad 2 - 2V_R = X V_R \\[1em] V_R = \frac{2}{2 + BX} \\[1em] = \frac{2}{2 + \frac{j2B[1 - \cos \sqrt{bx} \, d]}{\sqrt{BX} \sin \sqrt{bx} \, d} \frac{jX \sin \sqrt{bx} \, d}{\sqrt{BX}}} \\[1em] = \frac{1}{\cos \sqrt{bx} \, d} = \frac{1}{\cos \sqrt{wCwL} \, d} $

$ = \frac{1}{\cos[w \sqrt{LC} d]} \\[1em] w = 2\pi f, \quad L = \textit{inductance per } 1km, \\[1em] C = \textit{capacitance per } 1km \\[1em] \sqrt{LC} = \frac{1}{c}, \quad c = \textit{speed of light}, \\[1em] V_R = \frac{1}{\cos\left[\frac{2\pi f d}{c}\right]} $

먼저, 페란티 공식 및 테슬라 특허 이론과 철도계통의 공진을 직접적으로 연관시키기에는 철도계통은 말단 단권변압기가 중성점 접지되어 있어서 한계가 있음을 밝혀둔다. 다만, 경원선 피뢰기를 소손한 공진 주파수는 16차 고조파로서 960Hz이고 테슬라의 특허에서 사례로 든 공진 주파수는 925Hz여서 주파수상에서는 다소 유사한 부분이 있다.

이 페란티의 공식과 유사점이 Nicola Tesla의 특허에서도 발견되는데, Figure 13은 Nicola Tesla의 에너지 증폭 및 무선전송 장치에서 상호 공진 관계(Magnetic Coupling)에 있는 두 코일 중 이차 코일의 길이에 대해서 설명한 것으로, 식 (5)와 대동소이한 법칙을 얘기하고 있다. 이차 코일의 길이는 전파한 파장의 길이의 1/4이 되도록 구현을 해야 한다는 것이다.

그림 13. 니콜라 테슬라 특허 1119732 인용

Fig. 13. Cited from Nicola Tesla’s Patent 1119732

../../Resources/kiee/KIEE.2025.74.12.2173/fig13.png

법칙이 쓰일 때 에너지 보존 법칙을 뛰어넘는 에너지 증폭 현상이 일어난다고 특허에는 기술되어 있다 [7], [8]. Fig. 13에서 E-A-B-B’-D가 이차 코일이며 C가 일차 코일이다. G는 높은 전압으로 충전된 콘덴서이며, 일차 유도코일 C에 높은 주파수의 교류가 흐르도록 방전하는 변압기를 이용한다. 즉, Fig. 13에서 전파의 파장의 1/4에 해당하는 길이를 갖는 것은 E-A-B-B’-D 전체를 하나의 코일로 간주했을 때의 조건이다. G에서 만들어진 진동수의 전류는 이차 코일에서 같은 진동수를 가진 더 높은 전위의 전류로 유도가 되어서 증폭된 에너지로 귀결이 된다고 Tesla는 설명한다. D는 금속 도넛 모양의 프레임이며, 그 표면은 작은 반 구형 물체인 P로 덮여 있어서, 많은 전하를 충전하도록 구성한다 [7], [8]. Tesla의 특허에는 G에서 생성된 전류의 주파수와 이차 코일에 유도되는 전류의 주파수를 어떻게 동일하게 유지하는지 정확한 설명은 없는데, 테슬라가 고안한 마그네틱 커플링으로 구현한 것으로 추정된다 [9]. Tesla 모델의 이차 코일은 특수 페란티 현상의 개방회로 말단과 그 길이와 전류 운동이 흡사하며, 무한대에 가까운 전력 또는 전압 증폭이 일어난다는 점에서 같은 맥락에 있다.

이번 섹션에서의 검토를 포함하여, 철공진이 선로길이 등 특이사항에 직면했을 때, 말단 피뢰기 소손이 일어날 가능성이있는지 다음 장에서 모델링을 수행하였다.

3. 코어 공진 관련 과도전압 모델링

3.1 모델링 구조

섹션 2.2.2에서 고찰했듯이, 차량 운행 중 회생제동 과정에서 발생한 전류가 차량 내 변압기의 코어 포화를 유발 후 급기야 코어 공진을 일으키고, 여기서 발생한 공진 주파수 약 16~17차 고조파의 과전압은 단권변압기로 유입되어, 중성점 접지 루프를 따라 단권변압기 코어 공진을 유발한다는 가정을 PSCAD(Power System Computer Aided Design)/EMTDC (Electro-Magnetic Transient Design and Control) 소프트웨어를 이용하여 모델링하였다. 모델링의 기초 구성은 일반적인 철도 계통 구조에 기인하였다 [1]. 모델링에는 의정부 변전소(직하 A section)로부터 각각 20km(B section), 40km(C section) 떨어진 지점에 단권변압기를 배치하고, 차량의 회생제동 전류를 전류원 형태로 5~30초간 주입하여 말단 피뢰기의 전압 증폭 현상을 관측하였다. 선로 길이가 길어질수록 등가 임피던스가 증가하고, 이로 인해 공진 조건이 강화되어 고조파 전압이 급증하는 특성이 식 (3)에 근거하여 확인되었다.

Table 3는 본 모델링의 정량적 결과를 요약하며, Fig. 10은 전체 모델링 시스템 설계도, Fig. 11은 Section C(거리 40km)에서 말단 피뢰기에 인가된 최대 전압이 173.9kV에 도달한 사례를 보여준다. 이는 실제 실험에서 나타난 전압상승 및 피뢰기 소손현상과 매우 유사한 패턴으로, PSCAD 모델링이 실계통 이상현상을 충실히 재현한 결과로 판단된다. 또한, 섹션 2에서 고찰한 바와 같이, 의정부 변전소의 스코트 변압기를 병렬 운전하였을 때 고조파 공진 주파수가 변경되어 말단 피뢰기의 과전압 문제가 해소되었으며, 이 역시 본 모델링 결과와 일맥상통하는 결론으로 확인되었다. 병렬 운전 시 단권변압기의 전체 인덕턴스가 절반 수준으로 낮아지며, 이에 따라 공진 주파수가 상향 이동되어 16~17차 고조파와의 공진 조건이 회피되었기 때문이다.

다만, 본 모델링은 차량에서의 회생제동이 항상 차량 내 변압기 코어 포화를 유발한다는 가정을 기반으로 하고 있으나, 실제 사례에서는 피뢰기 소손 시 차량 측에서 과전압, 또는 주변압기 이상이 항상 동반되지는 않았다는 점에서 이론과 현실 간 차이가 존재한다. 또한, 본 모델에 따르면 선로 길이가 40km 이상이면 말단 피뢰기 소손이 반복적으로 나타나야 하지만, 국내 철도 계통 중 40km 이상의 단선 구간이 다수 존재함에도 불구하고, 경원선을 제외한 구간에서는 말단 피뢰기 소손이 보고되지 않았다는 사실은 추가적인 변수와 현장 조건에 대한 보완 연구의 필요성을 시사한다. 결론적으로, 본 PSCAD 모델링은 변압기 코어 공진 발생 및 확산 메커니즘에 대한 유효한 시뮬레이션 결과를 도출하였으며, 병렬 변압기 운전, 공급 전압 조정, 회생제동 제어 등의 방안을 통해 고조파 공진을 제어하고 피뢰기 보호를 실현할 수 있다는 시사점을 제공한다.

모델링에 사용된 파라미터는 Table 2에 요약되어 있으며, Modelling 계통도인 Fig. 10에 상세 내용이 기입되어 있다. 모델링은 계통도는 일정하게 유지하며, 전동차량에서 부하 및 회생제동 조건(약 50~100A)에서 Section A, Section B, Section C에 각각 위치할 때, 피뢰기에서의 전압을 시뮬레이션 하였다.

표 2. PSCAD/EMTDC 모델링 파라미터

Table 2. Parameters of the PSCAD/EMTDC modelling

계통 전압/출력/임피던스 파라미터1 파라미터2
154kV/100MVA V=162.0 55kV/30MVA
Z1=0.4050+j0.8470 F=60.0 Z=11.87%
Z0=0.0810+j0.7650 Ph=0.0
매 20km 구간 선로정수 1.49075 Ω 0.10159 H
0.01 uf 5MVA (접지)
AT 변압기 27.5/27.5kV,
5MVA
철손=0.29% knee Voltage
=1.056[pu]
동손=0.56% 여자전류=0.4%
철도차량 27.5/0.85kV,
1650kVA
철손=0.079% knee Voltage
=1.1[pu]
동손=2.6% 여자전류=0.4%

그림 10. PSCAD/EMTDC 모델링 설계

Fig. 10. Design of the PSCAD/EMTDC modelling

../../Resources/kiee/KIEE.2025.74.12.2173/fig10.png

표 3. PSCAD/EMTDC 모델링 결과

Table 3. Results of the PSCAD/EMTDC modelling

구간 말단피뢰기 전압 결과
A section 40.8kV 정상범위
B section 42.3kV 정상범위
C section 173.9kV 피뢰기 소손발생

그림 11. PSCAD/EMTDC 모델링 결과

Fig. 11. The Result of the PSCAD/EMTDC modelling

../../Resources/kiee/KIEE.2025.74.12.2173/fig11.png

4. 결 론

본 연구는 경원선 신설구간 연천구분소 피뢰기 소손의 원인을 규명하기 위해 현장 실험, 장거리 철도계통 전압 모델링, 기존 이론적 고찰을 병행하여 분석을 수행하였다. 그 결과, 차량 회생제동 시 발생하는 고조파가 차량 변압기 철심 포화에 의해 증폭되고, 이 전압이 AT 변압기에 전달되면서 공진이 확대되는 메커니즘을 확인하였다. 특히, 장거리 구간으로 갈수록 계통 임피던스가 증가하여 고조파 왜곡률(THD) 및 과전압이 심화되었으며, Section C(40 km) 구간에서 최대 173.9 kV까지 전압이 상승하여 피뢰기 소손 현상이 재현되었다.

대책 측면에서, 주변압기의 병렬운전은 등가 인덕턴스를 낮추어 공진 주파수를 상향 이동시키고, 동시에 계통 임피던스를 저감하여 회생제동 시 전압 상승을 억제하는 효과가 있음을 PSCAD 모델링과 현장 계측을 통해 검증하였다. 실제로 RC Bank 단독 운전 시에는 16–17차 고조파 공진이 지속되어 과전압 위험을 충분히 완화하지 못했으나, 병렬 주변압기 운전과 RC Bank를 병행할 경우 위험 대역 피크가 소멸되고 고차 고조파 성분만 미미하게 잔존하였다. 이는 병렬 주변압기 운전이 핵심 억제책임을 입증한다. RC Bank는 보조 수단으로 활용 가능하나, 단독으로는 효과가 제한적이었다.

종합하면, 본 연구는 변압기 코어 공진이 피뢰기 소손의 직접 원인임을 확인하였으며, 그 근본 원인은 장거리 철도계통에서의 회생제동 전압상승과 임피던스 증가, 비선형 포화 특성이 복합적으로 작용한 결과임을 제시한다. 다만, Standing wave와 ferroresonance가 결합하는 특수조건에서의 에너지 증폭 현상은 여전히 추가적인 연구가 요구된다. 향후 연구에서는 전차선로 길이가 고조파 파장의 1/4에 근접하는 구간에서의 공진 조건, 특이한 전압 또는 에너지 증폭 현상을 정밀하게 규명하고, 이를 예방하기 위한 계통 설계 및 보호 기법을 마련할 필요가 있다. 또한, 유사 사고 방지를 위해서는 병렬 주변압기 운전과 같은 계통 임피던스 저감 대책 외에도, 계통 공급 전압을 차량 또는 단권변압기 정격 이하로 유지, 변압기 정격 전압에 충분한 안전율 부여, 회생제동 전압의 제어 강화 등의 보완적 방안을 함께 고려해야 한다. 물론, 추후 연구에서 에너지 증폭현상이 실증될 경우, 고조파 제어 차원 뿐아니라 국가 에너지 전략 차원에서의 적용 방안을 중점적으로 연구할 필요가 있다.

References

1 
G. H. Son, Y. E. Choi, C. H. Kim, Tae-Gil Ha, Jeong-Won Kang, Jae-Moon Kim, 2022, Analysis of the Reduction Effect through R-C Bank due to the Increase Harmonic Resonance in the AC Electric Railway Feeding System, The Transactions of the Korean Institute of Electrical Engineers, Vol. 71, No. 5, pp. 766-773DOI
2 
2025, Resonance Circuit: how to calculate resonant frequency and Q valueURL
3 
F. B. Amar, 2019, Establishment of a Typical Model of Parallel Ferroresonance, Elixir Elec. Engg., Vol. 136, pp. 55043-55051Google Search
4 
D. Y. Shin, , Analysis Report of the peripheral transformer’s breakdown in Ho-Nam KTX lineGoogle Search
5 
2024, Ferranti Effect ExplainedURL
6 
2019, difference in latency between optical fiber and copperURL
7 
N. Tesla, 1900, Systems of Transmission of Electrical EnergyGoogle Search
8 
N. Tesla, 1914, Apparatus for Transmitting Electrical EnergyGoogle Search
9 
E. M. Ali, 2021, Efficient Wireless Power Transfer via Magnetic Resonance Coupling Using Automated Impedance Matching Circuit, Electronics, Vol. 10, No. 22, pp. 2779DOI

저자소개

조성균(Seongkyun Cho)
../../Resources/kiee/KIEE.2025.74.12.2173/au1.png

2000년 서울대학교 지구환경시스템 공학부 졸업, 2011년 PhD and MS. Civil and Environmental Engineering Dept. UC Berkeley, USA. 2002년~ 현재 국토교통부 근무(현 철도안전정책과장, 이전 철도운행안전과장, 도시재생역량과장, 국제협력통상담당관 역임), OECD economist (2014~2017), APEC 교통실무그룹 의장(2019~2020)

Ministry of Land, Infrastructure and Transport, Republic of Korea

E-mail: bigsharp@naver.com

https://orcid.org/0000-0002-2328-5403

김철환(Cheol-Hwan Kim)
../../Resources/kiee/KIEE.2025.74.12.2173/au2.png

1996년 서울과학기술대학교 전기공학과 졸업. 2002년 서울시립대 산업대학원 전자전기공학과 졸업(석사). 2018년 우송대학교 대학원 철도전기시스템학과(공학박사), 2019년~현재 국토교통부 근무

Ministry of Land, Infrastructure and Transport, Republic of Korea

E-mail: kch9890@korea.kr

https://orcid.org/0009-0009-3944-6206

안병립(Byung Lib Ahn)
../../Resources/kiee/KIEE.2025.74.12.2173/au3.png

2002년 한양대학교 전기공학과 졸업(석사)

2009년 한양대학교 대학원 전기공학(박사)

2004년 대통령 표창, 2007년 국무총리 표창

1991~2004년 ㈜삼정시엔엠시스템 대표이사

2005~현재 엔텍월드(주) 대표이사

Entech World, Inc.

E-mail: bl.ahn@entechworld.net

https://orcid.org/0009-0008-2335-1221

신동열(Dong-yeol Shin)
../../Resources/kiee/KIEE.2025.74.12.2173/au4.png

2009년 충남대학교 전기공학과 석사졸업. 1992년~2024년 한전 전력연구원 근무, 2025년 현재 주식회사 파워링크 대표. 2005년 행자부 특허분야 신지식인 선정. 2006년 과학기술부 이달의 엔지니어상 수상

Power Link Co. Ltd., Korea

E-mail : sdy9199@naver.com

https://orcid.org/0009-0001-8111-0206