• 대한전기학회
Mobile QR Code QR CODE : The Transactions of the Korean Institute of Electrical Engineers
  • COPE
  • kcse
  • 한국과학기술단체총연합회
  • 한국학술지인용색인
  • Scopus
  • crossref
  • orcid

  1. (School of Electronic and Electrical Engineering, Kyungpook National University, Daegu, Republic of Korea E-mail: aks4539@knu.ac.kr, cai0533@knu.ac.kr)



Single power conversion, Repetitive control, Microinverter, Single-phase inverter

1. 서 론

재생에너지 응용 분야에서 마이크로 인버터 혹은 모듈장착형 컨버터(Module-Integrated Converter, MIC)는 태양광이나 열전 발전 모듈 단위에서 전력을 직접 변환 및 제어할 수 있어, 시스템 전반의 유연성과 신뢰성을 높이고 손쉬운 확장이 가능하다는 장점을 지닌다[1]. 특히 모듈 간 최대전력점 불일치로 인한 전력 손실 문제를 해결할 수 있어, 고효율 분산형 전원시스템 구조로 각광받고 있다. 이러한 MIC는 에너지원 모듈에 바로 설치되어 계통에 직접 연계되기에 높은 전력 밀도와 절연 특성을 동시에 확보되어야 한다. 또한 자기소자 및 커패시터 소형화를 위해 고주파 동작이 필수적이며, 이를 위해 WBG(Wide Bandgap) 소자 활용이 확대되고 있다. 그러나 WBG 기반 능동소자의 경우 게이트 드라이브 및 보조 전원회로가 필요하여 시스템 비용과 복잡도가 증가한다. 승압형 컨버터와 H-브릿지 인버터로 구성된 기존의 2단 구조의 인버터(two-stage inverter)는 절연성과 확장성 측면에서는 유리하지만, 다수의 스위치와 구동 회로가 요구되므로 저비용·고전력밀도 구현에는 한계가 있다[2]. 따라서 보다 적은 수의 능동 소자로 구성되고 절연 및 고밀도 특성을 달성할 수 있는 새로운 단상 인버터 토폴로지가 필요한 실정이다.

이러한 요구에 따라 단일전력변환(Single Power Con- version, SPC) 인버터 중 언폴딩(unfolding)형 인버터가 주목받고 있다[3]-[7]. 언폴딩형 인버터는 DC–DC 컨버터에서 정류된 AC 전압을 생성하고, 언폴딩 브릿지를 통해 이를 교류 전압으로 변환한다. 이 구조는 기존의 2단 인버터에 비해 인버터 단을 제거하여 능동 스위치 수를 줄이고, DC 링크 커패시터를 제거할 수 있어 저비용 및 고전력밀도 회로 구현에 적합하다. 그러나 대표적인 DAB(Dual-Active Bridge)컨버터 기반 SPC 인버터 경우, 최소 8개의 스위치를 필요로 하며, 플라이백 토폴로지 기반 언폴딩형 인버터는 구조가 간단하나 메인 스위치 전압 스파이크 문제와 변압기 포화 문제로 전력 용량 확대에 한계를 지닌다[3][4]. 이를 보완하기 위해 스너버, 액티브 클램프 등이 제안되었으나, 추가 소자 수가 증가하는 단점이 있다 [5]. 전력 용량 확대와 스위치 수 최소화를 위해 Ćuk, Zeta 기반 언폴딩형 인버터도 제안되었지만, 여전히 다수의 능동 스위치와 언폴딩 브릿지가 필요하다는 구조적 제약을 지닌다[6]-[7].

이를 해결하기 위해 브릿지리스(bridgeless) 구조가 제안되었으며, Ćuk 및 Zeta 기반 SPC 인버터가 연구되었다 [8][9]. 브릿지리스 구조는 2차측 다이오드를 대각선 스위치에 통합하여 언폴딩 브릿지를 제거함으로써, 능동 스위치 수 및 수동 소자 수를 줄일 수 있다. 그러나 기존 브릿지리스 인버터도 최소 5개의 능동 스위치를 필요로 하며, 구동 회로의 복잡성은 여전히 문제로 남아 있다. 최근에는 4개 능동스위치 기반의 차동모드 Ćuk 인버터가 제안되었지만, 여전히 많은 수의 수동소자를 요구한다 [10]. 따라서, 적은 능동 스위치 수로 절연을 포함한 SPC 인버터를 구현하는 새로운 시도가 필요하다.

본 논문에서는 4개의 능동 스위치만으로 동작하는 절연형 브릿지리스 인버터를 제안한다. 제안된 인버터는 H-브릿지를 제거하여 직접적인 DC–AC SPC를 가능하게 하며, 출력 전압의 극성에 따라 Zeta 혹은 Ćuk 모드로 동작한다. 이러한 비대칭 동작과 브릿지리스 구조를 통해, 적은 수의 스위치만으로도 승압·강압 특성을 갖도록 하였다. 또한, 단일 변압기 만으로 절연을 달성하여 소자 수와 비용을 크게 절감하였다. 다만, 제안된 인버터는 계통 연계 시 두 가지 중요한 제어 문제가 존재한다. 첫째, 제안 인버터는 전달함수에 우반면 영점을 포함하여 제어 대역폭과 안정성을 제한하며, 둘째, 계통 외란에 취약하다. 기존 PI(Proportional-Integral) 또는 피드포워드 제어만으로는 정밀한 파형 품질 확보가 어렵다. 이를 해결하기 위해 반복학습제어기 기반 제어시스템을 구성할 수 있으나 높은 제어성능에 비해 많은 연산량과 메모리량을 요구한다. 이에 본 논문에서는 다운샘플링 반복제어기(Down-sampled Repetitive Controller, DRC) 적용으로 연산량과 메모리 부담을 획기적으로 줄이면서도, 위상앞섬 보상기법을 통해 우반면 영점에 따른 위상 지연 문제를 보완한다. 따라서 출력 전류 추종 정확도를 높이고, 계통 외란에도 강인한 동작을 보장할 수 있다.

본 논문의 구성은 다음과 같다. 2장에서는 제안된 인버터의 동작 원리와 동적 모델링을 제시하고, 3장에서는 제어기 설계를 제공한다. 4장에서는 시뮬레이션 및 250W급 시제품을 통한 실험 검증 결과를 제시한다. 마지막으로 5장에서 결론을 맺는다.

2. 인버터 원리 및 동적 모델링

2.1 동작원리

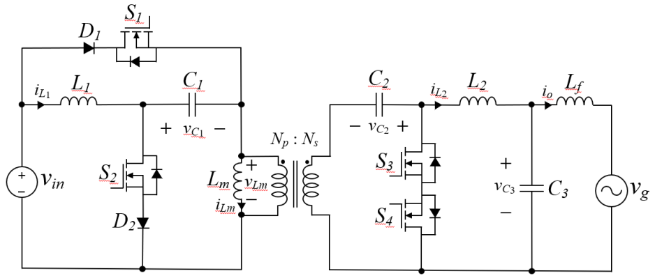
그림 1. 제안 인버터 회로도

Fig. 1. Circuit diagram of the proposed inverter

../../Resources/kiee/KIEE.2025.74.12.2229/fig1.png

그림 2. 제안 인버터의 양 반주기 동안의 제안 인버터 회로도 (a) S2 온 상태 회로 동작 (S4 온 상태 유지) (b) S2 오프 상태 회로 동작 (S4 온 상태 유지)

Fig. 2. Circut diagrams during the positive half cycle. (a) S2 ON state circuit operation (S4 ON state hold) (b) S2 OFF state circuit operation (S4 ON state hold)

../../Resources/kiee/KIEE.2025.74.12.2229/fig2.png

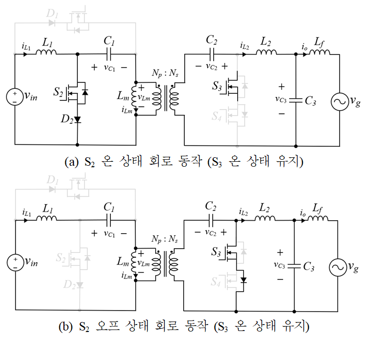
그림 3. 제안 인버터의 음 반주기 동안의 제안 인버터 회로도 (a) S2 온 상태 회로 동작 (S3 온 상태 유지) (b) S2 오프 상태 회로 동작 (S3 온 상태 유지)

Fig. 3. Circut diagrams during the negative half cycle. (a) S2 ON state circuit operation (S3 ON state hold) (b) S2 OFF state circuit operation (S3 ON state hold)

../../Resources/kiee/KIEE.2025.74.12.2229/fig3.png

그림 1은 4-액티브 스위치 기반의 절연형 브릿지리스형 인버터를 나타낸 회로이다. 제안 인버터는 언폴딩 브릿지가 연계된 기존의 단일전력변환 인버터와 달리 브릿지가 제거되어 한번에 낮은 직류 입력 전원을 교류 전력으로 변환하여 계통으로 전달하게 된다. 특히 4개의 액티브 스위치를 이용하였기에 상대적으로 적은 소자수로 인버터 구현이 가능하다. 이상적 변압기 T의 1차측에 2개의 전력 스위치 S1, S2와 다이오드 D1, D2, 그리고 인덕터 L1와 중개 커패시터 C1으로 구성되어 있다. 2차측에는 양방향 스위치 S3, S4, 인덕터 L2, Lf 그리고 커패시터 C2, C3으로 구성되어 있다. 출력 계통 전압 vg의 극성에 따라 인버터 동작을 달리하는데 출력 전압이 양 반주기일 때는 스위치 S4가 켜진 상태로 스위치 S2는 꺼진 상태로 유지되며 스위치 S1이 고주파 스위칭을 통해 인버터 동작이 구현된다. 출력 전압 극성이 양 반주기를 가질 때 제안 인버터의 동작은 아래와 같다.

그림 4. 인덕터 및 커패시터의 전류와 전압에 대한 이론적 파형 (a) 양 반주기 동작시 파형 (b) 음 반주기 동작시 파형

Fig. 4. Theoretical waveforms of currents and voltages of inductors and capacitors. (a) Waveform during positive half-cycle operation (b) Waveform during negative half-cycle operation

../../Resources/kiee/KIEE.2025.74.12.2229/fig4.png

1) 구간 I (S1 ON & D1 ON)

그림 2(a)를 보면 S3의 바디 다이오드 DS3는 차단 상태로 전환되어 S4를 통해 흐르는 전류를 차단한다. S1이 도통되면 여자 인덕터 Lm에 흐르는 전류가 증가하게 된다. 동시에 C2은 방전되며, 저장된 에너지는 출력측으로 전달된다. 1차측의 L1에 흐르는 전류는 감소하여 음의 방향으로 전환되며, 이 전류는 C1에 저장된 에너지와 상호 작용한다.

2) 구간 II (S1 OFF & D1 OFF)

그림 2(b)를 보면 S3의 바디 다이오드 DS3와 S4가 도통되며, L2과 Lm을 통한 전류는 감소하고, 이에 따라 Lm에 저장된 에너지는 2차측으로 전달되어 C2을 충전시킨다. 이때, iL1 전류는 계속 증가하여 양(+)의 방향으로 흐르게 되며, 이후 C1에 저장된 에너지와 상호 교환된다. 회로가 연속전도모드(CCM: Continuous conduction mode)로 동작할 경우, 이후 동작은 다시 구간 I로 전환된다.

이와 달리 출력 전압이 음 반주기일 때는 스위치 S3가 켜진 상태로 스위치 S1은 커진 상태로 유지되며 스위치 S2가 고주파 스위칭을 통해 인버터 동작이 구현된다. 출력 전압 극성이 음 반주기를 가질 때 제안 인버터의 동작은 아래와 같다.

1) 구간 III (S2 ON & D2 ON)

그림 3(a)를 보면 S4의 바디다이오드 DS4는 꺼져 있으며, S3를 통해 흐르는 전류를 차단한다. S2가 켜지면 L1과 L2를 통해 흐르는 전류가 증가한다. C1은 방전되며, 그 에너지는 변압기 T를 통해 회로의 2차 측으로 이동한다. 이후 C1과 C2에 저장된 에너지는 계통 출력 측으로 전달된다. Lm은 C1에 걸린 음의 전압, 즉 -VC1에 의해 여기된다.

2) 구간 IV (S2 OFF & D2 OFF)

그림 3(b)를 보면 DS4와 S3가 도통 된다. S2가 꺼지면 L1에 흐르는 전류는 중개 커패시터 C1과 C2를 충전시킨다. Lm은 VC2/n의 양의 상태로 여기되며 CCM 동작할 경우, 다시 구간 III로 전환된다.

출력 전압 양의 반주기 동안의 회로 동작은 1차측 C1와 L1를 경유하는 경로를 무시한다면 본질적으로 절연형 Zeta 토폴로지 원리와 동일하다. 반면, 출력 전압 음의 반주기 동안의 회로 동작은 Lm을 경유하는 경로를 무시한 절연형 Ćuk 토폴로지 원리와 본질적으로 동일하다. 따라서 제안된 회로는 출력 전압 양-음 반주기 모두에서 승압 및 강압 기능을 가질 수 있으며, 이는 브릿지가 제거된 단일전력변환 인버터에 적합하다.

2.2 동적 모델링

제안된 4-액티브 스위치 기반의 절연형 브릿지리스형 인버터의 동작원리는 출력 전압의 양・음 반주기 동안 각기 다르므로 각 반주기 동작을 위한 동적 모델 분석이 필요하다. 출력 전압 양・음 반주기 동작 모드 각 2개의 구간을 지니고 있으므로 각 구간 동작 동안 상태공간 방정식을 도출하고 이를 평균화한 모델은 아래와 같다.

1) 양 반주기 동작:

(1)
$ \dot{x}(t)=\begin{bmatrix} -\frac{R_{L1}}{L_1} & 0 & 0 & 0 & -\frac{1}{L_1} & \frac{1-d}{nL_1} & 0 \\ 0 & -\frac{R_{L2}}{L_2} & 0 & 0 & 0 & -\frac{d}{L_2} & -\frac{1}{L_2} \\ 0 & 0 & 0 & 0 & 0 & -\frac{1-d}{nL_m} & 0 \\ 0 & 0 & 0 & -\frac{R_f}{L_f} & 0 & 0 & \frac{1}{L_f} \\ \frac{1}{C_1} & 0 & 0 & 0 & 0 & 0 & 0 \\ -\frac{1-d}{C_2} & \frac{d}{C_2} & \frac{1-d}{nC_2} & 0 & 0 & 0 & 0 \\ 0 & \frac{1}{C_3} & 0 & -\frac{1}{C_3} & 0 & 0 & 0 \end{bmatrix}x(t)+ \begin{bmatrix} \frac{v_{in}}{L_1}(1-d) \\ \frac{nv_{in}d}{L_2} \\ \frac{v_{in}d}{L_m} \\ -\frac{v_g}{L_f} \\ 0 \\ 0 \\ 0 \end{bmatrix} $

2) 음 반주기 동작:

(2)
$ \dot{x}(t)=\begin{bmatrix} -\frac{R_{L1}}{L_1} & 0 & 0 & 0 & -\frac{1-d}{L_1} & -\frac{1-d}{nL_1} & 0 \\ 0 & -\frac{R_{L2}}{L_2} & 0 & 0 & \frac{nd}{L_2} & -\frac{d}{L_2} & -\frac{1}{L_2} \\ 0 & 0 & 0 & 0 & -\frac{d}{L_m} & \frac{1-d}{nL_m} & 0 \\ 0 & 0 & 0 & -\frac{R_{Lf}}{L_f} & 0 & 0 & \frac{1}{L_f} \\ \frac{1-d}{C_1} & -\frac{nd}{C_1} & \frac{d}{C_1} & 0 & 0 & 0 & 0 \\ \frac{1-d}{nC_2} & \frac{d}{C_2} & -\frac{1-d}{nC_2} & 0 & 0 & 0 & 0 \\ 0 & \frac{1}{C_3} & 0 & -\frac{1}{C_3} & 0 & 0 & 0 \end{bmatrix}x(t)+ \begin{bmatrix} \frac{v_{in}}{L_1} \\ 0 \\ 0 \\ -\frac{v_g}{L_f} \\ 0 \\ 0 \\ 0 \end{bmatrix} $

여기서 상태변수는 x(t)=[iL1(t), iL2(t), iLm(t), io(t), vC1(t), vC2(t), vC3(t)]로 정의하며, d는 메인 스위치(S1 혹은 S2)의 듀티 사이클이다. 기생 저항 성분 RL1, RL2, RLf는 각각 인덕터 L1, L2, Lf의 기생 저항 성분을 나타낸다. 위 비선형적인 방정식을 특정 동작 점에서의 선형화를 통해 아래 소신호 모델을 얻을 수 있다.

1) 양 반주기 동작:

(3)
$ \dot{\hat{x}}=\begin{bmatrix} -\frac{R_{L1}}{L_1} & 0 & 0 & 0 & -\frac{1}{L_1} & \frac{1-D}{nL_1} & 0 \\ 0 & -\frac{R_{L2}}{L_2} & 0 & 0 & 0 & -\frac{D}{L_2} & -\frac{1}{L_2} \\ 0 & 0 & 0 & 0 & 0 & -\frac{1-D}{nL_m} & 0 \\ 0 & 0 & 0 & -\frac{R_f}{L_f} & 0 & 0 & \frac{1}{L_f} \\ \frac{1}{C_1} & 0 & 0 & 0 & 0 & 0 & 0 \\ -\frac{1-D}{C_2} & \frac{D}{C_2} & \frac{1-D}{nC_2} & 0 & 0 & 0 & 0 \\ 0 & \frac{1}{C_3} & 0 & -\frac{1}{C_3} & 0 & 0 & 0 \end{bmatrix}\hat{x}+ \begin{bmatrix} -\frac{V_{C2}+V_{in}}{nL_1}-\frac{V_{in}}{L_1} \\ -\frac{V_{C2}-nV_{in}}{L_2}-\frac{V_{in}}{L_2} \\ \frac{V_{C2}}{nL_m}+\frac{V_{in}}{L_m} \\ 0 \\ 0 \\ \frac{I_{L1}}{C_2}+\frac{I_{L2}}{C_2}-\frac{I_{Lm}}{nC_2} \\ 0 \end{bmatrix}\hat{d} $
(4)
$ \hat{y}=\begin{bmatrix}0 & 0 & 0 & 1 & 0 & 0 & 0\end{bmatrix}\hat{x} $

2) 음 반주기 동작:

(5)
$ \dot{\hat{x}}=\begin{bmatrix} -\frac{R_{L1}}{L_1} & 0 & 0 & 0 & -\frac{1-D}{L_1} & -\frac{1-D}{nL_1} & 0 \\ 0 & -\frac{R_{L2}}{L_2} & 0 & 0 & \frac{nD}{L_2} & -\frac{D}{L_2} & -\frac{1}{L_2} \\ 0 & 0 & 0 & 0 & -\frac{D}{L_m} & \frac{1-D}{nL_m} & 0 \\ 0 & 0 & 0 & -\frac{R_{Lf}}{L_f} & 0 & 0 & \frac{1}{L_f} \\ \frac{1-D}{C_1} & -\frac{nD}{C_1} & \frac{D}{C_1} & 0 & 0 & 0 & 0 \\ \frac{1-D}{nC_2} & \frac{D}{C_2} & -\frac{1-D}{nC_2} & 0 & 0 & 0 & 0 \\ 0 & \frac{1}{C_3} & 0 & -\frac{1}{C_3} & 0 & 0 & 0 \end{bmatrix}\hat{x}+ \begin{bmatrix} \frac{V_{C1}+V_{C2}}{L_1}+\frac{V_{C1}}{nL_1} \\ \frac{nV_{C1}-V_{C2}}{L_2}-\frac{V_{C2}}{L_2} \\ -\frac{V_{C1}}{L_m}-\frac{V_{C2}}{nL_m} \\ 0 \\ -\frac{I_{L1}}{C_1}-\frac{nI_{L2}}{C_1}+\frac{I_{Lm}}{C_1} \\ -\frac{I_{L1}}{nC_2}+\frac{I_{L2}}{C_2}+\frac{I_{Lm}}{nC_2} \\ 0 \end{bmatrix}\hat{d} $
(6)
$ \hat{y}=\begin{bmatrix}0 & 0 & 0 & 1 & 0 & 0 & 0\end{bmatrix}\hat{x} $

위 변수 X=[IL1(t), IL2(t), ILm(t), Io(t), VC1(t), VC2(t), VC3(t)]는 x(t)의 특정 동작 점으로 정의하며, 상태 변수 $\hat{x}(t)$, $\hat{y}(t)$는 상태변수 x(t), y(t)의 특정 동작 점에서의 미소 변화량을 나타낸다.

위 도출된 소신호 모델을 이용하여 특정 동작 점의 전달 함수를 얻을 수 있으며, 이를 통해 인버터의 동특성 및 안정도를 분석할 수 있다. 양・음 반주기 동작 동안의 듀티 입력에 대한 출력 전류의 전달함수를 구하면 각각 아래와 같다.

1) 양 반주기 동작:

(7)
$ G_{id, +}(s)=\frac{\hat{i}_{o}(s)}{\hat{d}(s)} =\frac{a_{1}s^{3}+a_{2}s^{2}+a_{3}s+a_{4}}{b_{1}s^{7}+b_{2}s^{6}+b_{3}s^{5}+b_{4}s^{4}+b_{5}s^{3}+b_{6}s^{2}+b_{7}s+b_{8}}, $

2) 음 반주기 동작:

(8)
$ G_{id, -}(s)=\frac{\hat{i}_{o}(s)}{\hat{d}(s)} =\frac{f_{1}s^{4}+f_{2}s^{3}+f_{3}s^{2}+f_{4}s+f_{5}}{g_{1}s^{7}+g_{2}s^{6}+g_{3}s^{5}+g_{4}s^{4}+g_{5}s^{3}+g_{6}s^{2}+g_{7}s+g_{8}}. $

그림 5. 듀얼 모드 다운 샘플링기반 반복학습제어 시스템

Fig. 5. Dual-mode down-sampled repetitive control system

../../Resources/kiee/KIEE.2025.74.12.2229/fig5.png

그림 6. 다운 샘플링 주파수 기반한 등가 제어 시스템

Fig. 6. Equivalent control system with down sampling frequency

../../Resources/kiee/KIEE.2025.74.12.2229/fig6.png

여기서 위 파라미터 $a_{i}(i=1, ..., 4)$, $b_{j}(j=1, ..., 8)$, $f_{i}(i=1, ..., 5)$, $g_{j}(j=1, ..., 8)$의 값은 지면 관계상 생략하도록 한다. 위 양반주기 전달 함수(7)를 분석해보면 3개의 우반면 영점(Right -half-plane zero: RHPZ)을 음반주기 전달함수(8)은 4개의 우반면 영점을 지니고 있다. 이러한 우반면 영점으로 위상 처짐(Phase-lag)이 발생하고 충분한 위상 여유를 가지지 못한다. 그래서 기존의 PI 제어기로는 충분한 명령 추종 성능을 가지기 위한 큰 제어 이득 값을 가지는데 한계를 지니게 된다. 디지털 제어 환경에서 제어기를 설계하기 위해서 연속 시간 전달 함수 모델$G_{id, +}(s)$와 $G_{id, -}(s)$을 샘플링 시간 Ts에 대한 이산 시간 전달 함수$G_{id, +}(z)$와 $G_{id, -}(z)$로 변환 후 추후 제어기 설계에 이용하도록 한다.

3. 제어기 설계

3.1 피드포워드 제어기 및 PI 제어기

제안 인버터의 제어 시스템은 출력 전류가 계통 전압과 같은 위상을 가지는 정형파형을 유지하고 목표 전력을 출력하도록 진폭이 조정되도록 제어하는 것이다. 이를 제어하기 위해 피드백 제어기 부담을 줄여주기 위해 피드포워드 제어기를 기준 듀티비(Nominal duty ratio)기반으로 설계되어야 한다.

4-액티브 스위치 기반의 절연형 브릿지리스형 인버터의 출력전압이 양 반주기 구간인 경우(vg > 0), 정상상태 조건(Voltage second balance law)를 이용하여 기준 듀티비를 도출할 수 있다. 그림 4(a)를 기반으로 L1, L2, Lm에 걸리는 전압에 대해 정상상태 조건을 적용하면 아래와 같은 수식을 얻을 수 있다.

(9)
$ D(-V_{C1})+(1-D)\left(V_{in}-V_{C1}+V_{C2}/n\right)=0 $
(10)
$ D(n V_{in}+V_{C2}-V_{g})+(1-D)\left(-V_{g}\right)=0 $
(11)
$ D(V_{in})+(1-D)\left(-V_{C2}/n\right)=0 $

정상상태에서의 커패시터 평균 전압 VC1와 VC2는 각각 Vin와 Vg와 같다. 이때 위 식을 정리하면 기준 듀티비에 대한 식은 아래와 같이 정리된다.

(12)
$ D_{ff}[k]=\frac{\left | V_{g}[k]\right |}{\left | V_{g}[k]\right | +n V_{in}[k]}. $

이때 $V_{in}[k]$와 $V_{g}[k]$는 각각 k번째 스위칭 주기 동안의 평균 입력 전압과 평균 계통 출력 전압을 의미한다. 이때 한 스위칭 주기 동안 해당 평균 전압은 일정하다고 간주하며, 기준 듀티비는 이산 시간 인덱스 k에 따라 변화하게 된다.

마찬가지로 제안 인버터의 출력전압이 음 반주기 구간인 경우(vg < 0), 이전 양 반주기 구간일 때와 동일한 과정으로 기준 듀티비를 도출할 수 있으며, 그림 4(b)를 기반으로 L1, L2, Lm에 걸리는 전압에 대해 정상상태 조건을 적용하게 된다. 최종적으로 이때의 기준 듀티비는 식(12)와 같다.

기준 듀티비를 피드포워드 제어기로 사용하여 피드백 제어기 부담을 줄여주도록 하며, 피드백 제어기로는 대표적으로 PI 제어기를 사용하도록 한다.

(13)
$ C_{\pi, \rho}(z)=k_{p, \rho}+k_{i, \rho}\frac{T_{s}}{1-z^{-1}}. $

여기서, kp,ρ와 ki,ρ는 각각 PI 제어기 이득을 나타낸다. 그리고 해당 제어기가 인버터가 출력전압이 양일 때와 음일 때 각각 다른 동적모델을 제어해야하기에 파라미터를 달리 설정해야한다. 이를 표현하기 위해 ρ는 양반주기모드(ρ = +) 혹은 음반주기모드(ρ = -)를 가리킨다.

하지만, 위 기준 듀티비 기반의 피드포워드 제어기와 기존의 PI 제어기로는 시스템 안정성을 유지할 수는 있어도 제어 추적성능을 향상시키기에는 한계점이 있다. 그 이유는 인버터 시스템 전달함수에 우반면 영점을 지니고 있기 때문에 위상 처짐으로 인해 위상 여유를 충분히 지니고 있지 않기 때문이다. 게다가 출력 전압 극성에 따라 다른 시스템 특성을 보이기에 제어기 설계가 상당히 까다롭다. 본 논문에서는 이를 해결하기 위해 그림 5와 같이 다운 샘플링된 듀얼모드 반복학습제어기를 추가적으로 설계하도록 한다.

3.2 다운 샘플링 기반 반복 학습 제어기

기존의 반복학습제어기(Conventional Repetitive contro- ller, CRC)는 내부 모델 원리를 기반으로 주기적인 기준 신호를 정밀하게 추종하고, 주기적 외란을 억제하는 데 효과적이다. 이는 기본 주파수 및 그 고조파 주파수(홀수 및 짝수)를 모두 보상하기 위해 전체 주기 지연을 기반으로 한 피드백 구조를 가지며, 넓은 주파수 대역에서 큰 이득을 제공한다. 이로 인해 단상 전력변환기에서의 전류 왜곡 억제에 활용되어 왔다. 하지만, 기존의 반복학습 제어기는 샘플링 주파수에서 동작하므로 연산 부담이 크므로 메모리 요구량이 상대적으로 많다[6]-[7].

이러한 한계를 극복하기 위해 다운 샘플링된 반복학습제어기(Down-sampled repetitive controller, DRC)가 제안되었다[4]. 기존 샘플링 주파수에 구현되는 PI제어기와 달리 DRC는 다운샘플링 주파수에서 구현되기에 연산 부담이 줄어들 뿐만 아니라 계통 주기 내에서 요구되는 메모리 공간또한 줄일 수 있다. 제안 인버터를 구현하기 위해서는 양반주기 모드와 음반주기 모드에 따라 달리 파라미터를 설정해야하는데 이를 위해 듀얼 모드 다운 샘플링된 반복학습제어기를 제안하며 이의 전달함수는 아래와 같다.

(14)
$ C_{DRC}(z)=k_{r, \rho}\frac{z_{d}^{-N_{d}}Q_{\rho}(z_{d})}{1-z_{d}^{-N_{d}}Q_{\rho}(z_{d})}G_{pl, \rho}(z_{d}). $

여기서 kr,ρ는 반복학습제어기 이득 값이며, 정수 Nd는 지령 주파수 fg에 대한 다운샘플링 주파수 fd의 비율(Nd = fd/fg)로 정의된다. 다운샘플링 주파수 fd와 상대적으로 높은 PI 제어기에 적용되는 기존 샘플링 주파수 fs와의 비율을 m으로 정의한다면 zd는 기존 z-domain에서의 zm과 같다. ρ는 마찬가지로 양반주기모드(ρ = +) 혹은 음반주기모드(ρ = -)를 가리킨다. 기존 RC와 마찬가지로 Qρ(zd)는 시스템 강인성을 위한 저역 통과 필터이며, Gp,ρl(zd)는 위상 앞섬 보상기(Phase-lead compensator)를 나타낸다. 인버터 전달함수에 존재하는 우반면 영점으로 인한 위상 지연 현상을 보상하기 위해 위상 보상기를 도입하였으며, 구현의 용이성과 실시간 제어 적용 가능성을 고려하여 선형 구조의 위상 앞섬 보상기를 채택하였다.

(15)
$ G_{pl, \rho}(z)=z_{d}^{l, \rho}=z_{d}^{int(l, \rho)+\hat{l}, \rho}. $

여기서 l,ρ은 위상 앞섬변수(prediction index) 값이며, ρ는 마찬가지로 양반주기모드(ρ = +) 혹은 음반주기모드(ρ = -)를 가리킨다. l,ρ 값은 다운샘플링 효과로 인해 항상 정수가 아니기에 정수부 int(l,ρ)와 소수부 $\hat{l}, \rho$로 나뉘게 된다. 위상 처짐을 정확히 보상하기 위해서는 앞섬 변수 소수부에 의한 보상기 부분을 라그랑지 보간법 기반의 FIR (Finite-impuse response) 필터[11]를 이용하여 구현하도록 한다. 소수 첫번째 자리까지 2차 필터로 구현하게 된다면 표 1과 같이 나타낼 수 있다.

최종적으로 구성된 제안된 제어 시스템은 피드포워드 제어기, PI 제어기, 그리고 다운 샘플링된 듀얼모드 반복학습 제어기로 이루어져 있다. 이 중 PI 제어기의 이득은 폐루프 시스템의 안정성을 확보할 수 있도록 위상 여유를 고려하여 적절히 설정되어야 한다. 아울러, 반복학습 제어기의 이득 계수, 저역통과 필터, 그리고 위상 앞섬 보상기의 파라미터 또한 전체 시스템의 안정성과 동작 성능을 만족할 수 있도록 신중히 설계되어야 한다. 이에 따라, 다음 절에서는 본 제어 시스템의 안정성 조건을 정량적으로 분석하고자 한다.

그림 7. 제안된 제어 시스템의 수정

Fig. 7. Modification of the proposed control system

../../Resources/kiee/KIEE.2025.74.12.2229/fig7.png

표 1. 라그랑지 보간법을 이용한 2차 FIR 필터

Table 1. Second-order Lagrange interpolation FIR filter

$\hat{l}, \rho$ $z_{d}^{\hat{l}, \rho}$
0.1 $0.855+0.190z_{d}-0.045z_{d}^{2}$
0.2 $0.720+0.360z_{d}-0.080z_{d}^{2}$
0.3 $0.585+0.510z_{d}-0.105z_{d}^{2}$
0.4 $0.480+0.640z_{d}-0.120z_{d}^{2}$
0.5 $0.375+0.750z_{d}-0.125z_{d}^{2}$
0.6 $0.280+0.840z_{d}-0.120z_{d}^{2}$
0.7 $0.195+0.910z_{d}-0.105z_{d}^{2}$
0.8 $0.120+0.960z_{d}-0.080z_{d}^{2}$
0.9 $0.055+0.990z_{d}-0.045z_{d}^{2}$

3.3 안정성 분석

제안된 듀얼모드 다운 샘플링된 반복학습제어기 기반의 제어시스템의 안정성을 분석하기 위해서는 시스템을 단일 샘플링 주파수로 변환이 필요하다. 이를 위해 다운샘플링 주파수 fd를 갖는 등가 시스템으로 변환한다. PI 제어기 $C_{\pi, \rho}(z)$와 제안 인버터 전달함수 $G_{id, \rho}(z)$는 다운 샘플링 주파수 fd에 대한 등가 전달함수 $\overline{C}_{\pi, \rho}(z)$와 $\overline{G}_{id, \rho}(z)$로 각각 변환하도록 한다[11].

우선, 반복학습기를 제외한 기존 샘플링 주파수로 동작하는 폐루프 제어시스템을 정리하면 아래와 같다.

(16)
$ G_{cl, \rho}(z)=\frac{C_{\pi, \rho}(z)G_{id, \rho}(z)}{1+C_{\pi, \rho}(z)G_{id, \rho}(z)}. $

이를 참고문헌 [11]를 참고하여 다운 샘플링 주파수 fd에 기반한 등가 폐루프 제어 시스템으로 변환하면 아래와 같다.

(17)
$ \overline{G}_{cl, \rho}(z_{d})=\frac{\overline{C}_{\pi, \rho}(z_{d})\overline{G}_{id, \rho}(z_{d})}{1+\overline{C}_{\pi, \rho}(z_{d})\overline{G}_{id, \rho}(z_{d})}. $

다운 샘플링 주파수 기반 제어시스템(그림 6)을 기반으로 안정성을 판별하기 위해서는 y*(z)에 대한 에러 e(z)의 전달 함수를 도출할 필요가 있다[11].

그림 8. 극점 배치도: ρ = + (파란색), ρ = - (빨간색)

Fig. 8. Pole placement map: ρ = + (blue), ρ = - (red)

../../Resources/kiee/KIEE.2025.74.12.2229/fig8.png

그림 9. 전달함수 ZmGcl(z)의 위상 그래프 (a) 양반주기 모드 (ρ = +) (b) 음반주기 모드 (ρ = -)

Fig. 9. Phase plot of ZmGcl(z) (a) Positive half-cycle mode (ρ = +) (b) Negative half-cycle mode (ρ = -)

../../Resources/kiee/KIEE.2025.74.12.2229/fig9.png
(18)
$ \frac{e\left(z_{d}\right)}{y^{*}\left(z_{d}\right)}=\frac{\left(1-Q_{\rho}(z_{d})z_{d}^{-N_{d}}\right)\left(1-\overline{G}_{cl, \rho}(z_{d})\right)}{1-Q_{\rho}(z_{d})z_{d}^{-N_{d}}\left(1-k_{r, \rho}G_{pl, \rho}\left(z_{d}\right)\overline{G}_{cl, \rho}\left(z_{d}\right)\right)}. $

위 전달함수 (18)를 재해석하면 그림 7과 같이 민감도 함수와 정궤환 폐루프(Positive feedback closed-loop system)를 가지는 시스템으로 표현 가능하다. 정궤환 시스템의 안정성 분석에는 소이득 이론(small-gain theorem)이 사용되며, 이를 통해 시스템이 안정하기 위한 조건은 다음과 같다[11].

(a) 폐루프 전달함수 $\overline{G}_{cl, \rho}(z_{d})$은 안정적이다.

(b) |Qρ(zd)| < 1, ∀$z_{d}=e^{jm\omega T_{s}}$, $0<\omega <\pi /T_{d}$

(c) $\left | 1-k_{r, \rho}G_{pl, \rho}(z_{d})\overline{G}_{cl, \rho}(z_{d})\right | <1$, ∀$z_{d}=e^{jm\omega T_{s}}$,

where $0<\omega <\min\left(\pi /T_{d}, \omega_{c, \rho}\right)$

여기서, $\omega_{c, \rho}$는 Qρ(zd)의 차단주파수를 가리킨다. 안정성 조건(a)의 경우는 $1+\overline{C}_{\pi, \rho}(z_{d})\overline{G}_{id, \rho}(z_{d})$의 모든 극점이 z평면 원점을 중심으로 둔 단위원 내부에 위치하도록 PI 제어기 이득 값 kp,ρ, ki,ρ과 RC 이득 값 $k_{r, \rho}$을 도출하면 된다. 안정성 조건(b)의 경우 Qρ(zd)를 다음과 같이 2차 유한 펄스 응답(Finite impulse response, FIR) 필터[4]로 설계하도록 한다.

(19)
$ Q_{\rho}(z_{d})=\alpha_{0, \rho}+\alpha_{1, \rho}z_{d}+\alpha_{1, \rho}z_{d}^{-1}. $

여기서, 안정성 조건(b)을 만족하는 Qρ(zd)필터를 설계하기 위해 파라미터($\alpha_{0, \rho}, \alpha_{1, \rho}$ > 0)는 $\alpha_{0, \rho}+2\alpha_{1, \rho}z_{d}=1$가 되도록 양수로 설정한다. 이때, 파라미터 값에 따른 Qρ(zd)필터의 차단주파수는 아래와 같다.

(20)
$ \omega_{c, \rho , FIR}=\frac{1}{T_{s}}{arc}\cos\left(\frac{\frac{1}{\sqrt{2}}-\alpha_{0, \rho}}{1-\alpha_{0, \rho}}\right). $

안정성 조건(c)을 주파수 영역 디자인 방법[11]을 이용하면 아래와 같이 조건을 정리할 수 있다.

(21)
$ 0<k_{r, \rho}<\frac{2\cos\left(\theta_{g, \rho}\left(e^{jm\omega}\right)+\theta_{pl, \rho}\left(e^{jm\omega}\right)\right)}{N_{g, \rho}\left(e^{jm\omega}\right)}, 0<\omega <\min\left(\pi /T_{d}, \omega_{c, \rho}\right), $
(22)
$ \left |\theta_{g}\left(e^{j\omega}\right)+\theta_{m}\left(e^{j\omega}\right)\right | <\pi /2, 0<\omega <\omega_{c}. $

조건(21)-(22)의 주파수 범위에 영향을 주는 Qρ(zd)의 차단 주파수 $\omega_{c}$는 (20)식에서 설계된 라그랑지 보간법 기반의 FIR필터의 차단 주파수 $\hat{\omega}_{c}$보다 작아야 한다. 여기서, $N_{g, \rho}\left(e^{jm\omega}\right)$는 $\left |\overline{G}_{cl, \rho}\left(e^{jm\omega}\right)\right |$, $\theta_{pl, \rho}\left(e^{jm\omega}\right)$는 $\angle\overline{G}_{cl, \rho}\left(e^{jm\omega}\right)$, $\theta_{pl, \rho}\left(e^{jm\omega}\right)$는 $\angle z_{d}^{l, \rho}$이다.

위상 앞섬 변수 값 l,ρ을 조절하여 최대한 넓은 주파수 영역에서 (22)식을 만족하도록 설정하며, 이는 해당 주파수 범위에서의 고조파 성분을 감쇄시킬 수 있음을 의미한다. 이때 위상 앞섬 변수 값 l,ρ이 정수가 아닐 때는 표 1을 참고하여 소수부 $\hat{l}, \rho$를 구현할 수 있다. 여기서 그 이후 주파수 영역 범위는 (22)식을 만족시키지 못하므로 (19)-(20)식을 이용하여 Q(z)의 차단 주파수 조절을 통해 시스템의 안정성을 보장시킬 수 있다. 마지막으로 (22)식에서 도출된 l,ρ값을 (21)식 적용하고 RC 이득 값 $k_{r, \rho}$의 범위를 도출할 수 있다.

3.4 제어 파라미터 설계

앞서 제시한 시스템 안정성 기준을 바탕으로, 이제 PI 제어기와 반복학습 제어기의 파라미터를 설계하고자 한다. 이를 위해 우선 제안한 인버터 회로의 사양(표 2)을 기반으로 전달함수를 도출할 수 있다. 다만, 인버터는 출력 전압이 정현파 형태의 교류이므로 동작점이 여러 개 존재한다. 제어 시스템의 전반적인 안정성을 확보하기 위해서는 각 동작점에서의 전달함수를 고려한 안정성 검토가 필요하다. 그러나 설계의 효율성을 고려하여, 본 논문에서는 우반면 영점의 영향이 가장 크게 나타나는 최대 순시 전력 지점에서의 전달함수를 사용한다. 이후 이 전달함수를 샘플링 시간을 고려한 이산 시간 모델로 변환하면 되며, 최종 양반주기와 음반주기 모드에서의 전달함수는 아래와 같다.

표 2. 4-액티브 스위치 절연 브릿지리스 인버터 회로 규격

Table 2. Specification of the four-active-switch isolated bridgeless inverter

파라미터 기호
Input voltage $v_{in}$ 60 Vdc
Grid voltage $v_g$ 220 Vrms
Rated output power $P_o$ 250 W
Grid frequency $f_g$ 60 Hz
Transformer turns ratio $N_p:N_s$ 11:31
Switching frequency $f_s$ 50 kHz
First capacitance $C_1$ 5 $\mu$F
Second capacitance $C_2$ 100 nF
Third capacitance $C_3$ 470 nF
First inductance $L_1$ 360 $\mu$H
Second inductance $L_2$ 1.2 mH
Magnetizing inductance $L_m$ 75.5 $\mu$H
Filter inductance $L_f$ 120 $\mu$H
소 자 기호 부품번호
Primarily-side switches $S_{1-2}$ IPP200N25N
Secondary-side switches $S_{3-4}$ FCH76N60NF
Transformer core $T$ PQ3535
Diodes $D_{1-2}$ APT30S20BCTG

표 3. 제안 제어기의 핵심 파라미터와 참조식 및 예시

Table 3. Summary of Key Parameters and Reference Equations of the Proposed Controller

제어기 유형 주요 파라미터 기호 참조 식 예시 비고
- Down-sampling frequency $f_d$ (14) 10kHz 샘플링/다운샘플링 비율 설정
PI Proportional gain $k_{p,+}$ (17) 0.005 (17)식 전달함수 극점들이 단위원 내에 존재하는 파라미터 추출
$k_{p,-}$ 0.05
Integral gain $k_{i, \rho}$

($\rho =+,-$)

(17) 0.2
DRC Phase-lead compensator prediction index $l,+$ (15), (22) 3 최대한 넓은 주파수 영역에서 (22)식 만족하는 앞섬 변수
$l,-$ 1
$\hat{l}, \rho$

($\rho =+,-$)

표1 0
2nd order FIR filter coefficients $\alpha_{0, \rho}$

($\rho =+,-$)

(19)-(20), (22) 0.5 (19)-(20)식을 이용, (22)식 만족하도록 FIR필터 차단 주파수 조절
$\alpha_{1, \rho}$

($\rho =+,-$)

0.25
RC gains $k_{r, \rho}$

($\rho =+,-$)

(18) 0.4 (21)식 적용 RC 이득 값 도출
(23)
$ G_{id, +}(z)= \frac{2.82z^{6}+2.11z^{5}-5.13z^{4}+9.79z^{3}-11.2z^{2}+5.17z+3.09}{z^{7}-1.97z^{6}+2.45z^{5}-3.20z^{4}+3.17z^{3}-2.34z^{2}+1.84z-0.95}, $
(24)
$ G_{id, -}(z)= \frac{-2.75z^{6}-5.09z^{5}+0.31z^{4}-1.25z^{3}+7.13z^{2}-11.68z-3.58}{z^{7}-1.59z^{6}+2.33z^{5}-2.71z^{4}+2.67z^{3}-2.22z^{2}+1.49z-0.95}. $

위 전달함수를 기반으로 안정성 조건 (a)을 만족시키기 위해서 전달함수 $1+\overline{C}_{\pi, \rho}(z_{d})\overline{G}_{id, \rho}(z_{d})$의 극점들이 모두 안정한 영역 내에 위치하는지 확인할 필요가 있다. 그림 8과 같이 제어 이득 값 kp,ρ, ki,ρ에 따른 극점 위치를 살펴보면 반양주기 모드일 때는 kp,+는 0.001에서 0.01까지 ki,+는 0.01에서 0.5까지일 때 극점이 단위원 내부에 위치함을 확인할 수 있다. 마찬가지로 반음주기 모드일 때는 kp,-는 0.01에서 0.1까지 ki,-는 0.01에서 0.5까지일 때 극점이 단위원 내부에 위치한다. 여기서 적절한 이득 값 kp,+ = 0.005, kp,- = 0.05, ki,ρ = 0.2(ρ =+,-)를 선택하여 사용하도록 한다.

(24)식을 최대한 넓은 영역에서 만족시키기 위해 앞섬 변수 값에 따른 전달함수 $z_{d}^{l, \rho}\overline{G}_{cl, \rho}\left(z_{d}\right)$의 위상 값 변화를 살펴보면 그림 9과 같다. 앞섬 변수 값이 l,+ = 3와 l,- = 1일 때, 최대 주파수 영역에서 위상이 90도 이내 범위를 만족함을 알 수 있다. 최대 주파수 영역 확장을 위해 표 1을 활용하여 소수부 보상기 필터를 설계할 수 있으나, 필터 추가로 인한 계산량 증가에 비해 주파수 대역 확장 효과가 미미하므로 별도의 필터 설계는 생략하였다. 그리고 고주파수 영역에서의 노이즈 영향에 대응하기 위해 (21)-(22)식을 참고하여 차단주파수 11.4 krad/s를 가지는 저역통과필터 Qρ(zd)을 설계하도록 한다.

(25)
$ Q_{\rho}(z_{d})=0.5+0.25z_{d}+0.25z_{d}^{-1} $

최종 도출된 앞섬 변수 값을 안정성 조건 (c)에서 도출된 또 다른 조건 (23)에 적용하여 얻어진 $k_{r, \rho}$의 범위를 고려하여 최종 RC 이득 값 $k_{r, \rho}$ = 0.4(ρ =+,-)를 선택한다. 위와 같이 제어기 핵심 파라미터의 설계 단계 및 참조 관련식을 정리하면 표 3과 같다.

4. 시뮬레이션 및 실험 검증

그림 10. 4-액티브 스위치 절연 브릿지리스 인버터 시작품

Fig. 10. Prototype of four-active-switch isolated bridgeless inverter

../../Resources/kiee/KIEE.2025.74.12.2229/fig10.png

그림 11. 정상상태 시뮬레이션 출력 파형 (a) 피드포워드 & PI 제어기 (b) 최적 반복학습제어기 설계 (c) 앞섬보상기 제외된 반복학습제어기

Fig. 11. Simulated waveform in the steady-state (a) Feedforward & PI controller (b) Optimum repetitive controller design (c) Repetitive controller excluding lead compensator

../../Resources/kiee/KIEE.2025.74.12.2229/fig11.png

그림 12. 과도상태 시뮬레이션 출력 파형

Fig. 12. Simulated waveform in the transient state

../../Resources/kiee/KIEE.2025.74.12.2229/fig12.png

제안된 인버터의 성능을 검증하기 위해 시뮬레이션과 실험을 병행하여 수행하였다. 시뮬레이션은 표 2에 제시된 회로 사양을 바탕으로 PSIM 2020a 소프트웨어를 이용하여 진행되었으며, 실험을 위해 그림 10에 나타낸 바와 같이 정격 250W급의 인버터 시제품을 제작하였다. 제작된 인버터는 실제 계통 전원과 연계하여 출력단에 계통을 직접 연결하였고, 입력단에는 직류 전원 공급을 위해 PWX1500MH 전원 장치를 사용하였다. 제안된 홀수 고조파 기반 반복학습제어기는 TI사의 TMS320F28377D DSP를 이용하여 구현되었으며, 계통 전압을 센싱하여 Notch 필터 기반의 위상 동기 루프(Phase Locked Loop, PLL) 알고리즘을 통해 정현파 형태의 전류 지령을 생성하였다.

먼저 제안된 제어기의 성능을 검증하기 위해, 피드포워드 제어기 및 PI 제어기를 적용한 시뮬레이션을 수행하였다. 그림 11(a)에 제시된 바와 같이, 앞 절에서 설계된 이득 값인 kp,+ = 0.005, kp,- = 0.05, ki,ρ = 0.2(ρ =+,-)를 적용하면 시스템의 안정성은 확보되지만, 명령 추종 및 고조파 억제 성능은 만족스럽지 못한 것으로 나타났다. 이에 따라, 그림 11(b)와 같이 최적 설계된 홀수 고조파 반복학습제어기(l,+ = 3, l,- = 1)를 적용한 결과, 우수한 성능을 달성할 수 있었다. 한편, 그림 11(c)와 같이 앞섬 보상기를 설정하지 않을 경우(m,+ = m,- = 0), 출력 파형의 왜곡이 심화되어 고조파 성분이 많이 관찰되었다. 또한, 제안된 제어기의 동적 응답 성능을 확인하기 위해 출력 전력을 급변시키는 실험을 수행하였으며, 이때 출력 전류의 명령 추종 특성을 분석하였다. 그림 12에서 확인할 수 있듯이, 최적 설계된 반복학습제어기를 적용한 경우, 출력 전류는 2-3사이클 이내에 목표 파형을 정확히 추종하였다.

그림 13-15와 같이 제작된 시작품을 이용하여 제안 인버터 성능을 검증하였다. 고조파 측정을 위해 WT330 전력 분석기(Yokogawa WT330, 대역폭 100 kHz, 샘플링 속도 100 kS/s, 측정 시 Rectangular window 및 내장 저역통과 필터 적용, 측정 불확도는 ±0.5% 이내)를 사용하여 THD(Total harmonic distortion) 측정하였다. 그림 13(a)를 보면 앞섬보상기가 제외된 반복학습제어기 적용 시 THD 8.8%의 다소 고조파가 많은 정현파형을 이루지만 앞섬보상기가 제외된 반복학습제어기 적용 시 파형이 불안정하여 시간이 지날 수 록 THD가 더욱 악화 됨을 확인하였다. 그림 13(b)와 같이 최적설계된 반복학습제어기 적용된 파형을 보면 THD(Total harmonic distortion) 4.2% 정도의 안정적인 정현파형을 지니는 전류가 출력됨을 확인할 수 있다. 추가적으로 그림 14-15는 스위치 S1의 전압, 전류 및 인덕터의 전류 파형을 나타내며, 변압기 누설 인덕턴스에 의해 1차측 스위치에 다소 과전압 및 링잉이 발생하였고 이를 저감시키기 위해서는 RCD 스너버 및 클램프 회로[12] 추가 설계가 필요하다. 파워 미터기(WT330)를 이용하여 제작된 인버터 시작품의 효율이 측정되었다. 그림 16는 제작 인버터의 전력대별 효율을 나타낸 그래프이며, 최대 효율은 95.5%이며 CEC(California Energy Commission) weighted 효율[13]은 94.5%이다.

그림 13. 정상상태 250W 실험 출력 파형 (a) 앞섬보상기 제외된 반복학습제어기 (b) 최적 반복학습제어기 설계

Fig. 13. Experimental Output Waveform at 250 W in Steady State (a) Repetitive controller excluding lead compensator (b) Optimum repetitive controller design

../../Resources/kiee/KIEE.2025.74.12.2229/fig13-1.png../../Resources/kiee/KIEE.2025.74.12.2229/fig13-2.png

그림 14. 최대 순시전력에서의 커패시터 및 스위치 전압, 전류 파형

Fig. 14. Voltage and current waveforms of the capacitor and switches at the maximum instantaneous power

../../Resources/kiee/KIEE.2025.74.12.2229/fig14.png

그림 15. 최대 순시전력에서의 인덕터 전류 실험 파형

Fig. 15. Experimental waveforms of inductorsat the maximum instantaneous power

../../Resources/kiee/KIEE.2025.74.12.2229/fig15.png

그림 16. 전력대별 전력변환효율 그래프

Fig. 16. Measured efficiency for different load conditions

../../Resources/kiee/KIEE.2025.74.12.2229/fig16.png

표 4. 제안 인버터와 기타 브리지리스 SPC 인버터의 비교

Table 4. Comparison of the proposed inverter with other bridgelss SPC inverters

항목 제안 인버터 [3] [9] [10] [14]
기반 토폴로지 Ćuk & SEPIC DAB ZETA Differ-ential Ćuk Ćuk & Buck-boost
능동스위치 수 (수동스위치 수) 4(2) 12(0) 5(0) 4(0) 4(0)
게이트구동 채널 수 4 12 5 4 4
수동소자 수 (L/C/T) 2/3/1 1/1/1 1/2/1 4/6/2 2/2/0
변압기 턴수비 11:31 1:5 14:51 1:2 N/A
상대BOM /체적 지표 1.0 (base) 1.8/1.5 1.3/1.2 1.4/1.3 1.2/1.1

표 5. 반복학습제어기 제어 성능 비교

Table 5. Comparison of repetitive controllers

항목 CRC Proposed DRC (m = 5) 개선 비율
제어 주기 (샘플링 주파수) 50 kHz (Tₛ = 20 µs) 10 kHz (Td = 100 µs)
누적 연산시간 (1 grid cycle, 60 Hz) ≈ 270 µs ≈ 61 µs 77 % 감소
RAM 필요 공간 8 kB (833 samples) 1.6 kB (167 samples ) 80 % 감소
제어 정확도 3.4 % 4.2% (23.5% 저하)
MCU 점유율 (TMS320F28377D 기준) 약 6.2 % 약 1.3 % 약 79 % 감소

표 4는 제안 인버터와 기존 SPC 기반 대안들 간의 주요 구성 요소, 게이트 구동 채널 수, 변압기 권선비, 그리고 BOM/체적 지표를 한눈에 비교할 수 있도록 정리하였다. 제안된 인버터는 단일 변압기 절연 구조를 4개의 능동 스위치만으로 구현하며, 브리지리스 구성을 통해 게이트 구동 회로 및 수동소자의 수를 모두 감소시켰다. 그 결과, 기존 SPC 인버터 대비 회로 구성의 단순화와 시스템 체적의 감소 효과를 기대할 수 있다. 무효 전력 전달 측면에서는, 제안 인버터의 회로 구조상 1차측 다이오드로 인해 단방향 전력 흐름만 가능하기 때문에 유효전력 전달만 가능하다. 향후 연구에서는 1차측 다이오드를 능동 스위치로 대체하여 양방향 전력 흐름 및 진상/지상 역률 조건에서도 동작 가능한 확장형 제어를 검토할 예정이다. 공통 모드 전압 및 누설 전류 측면에서는 기존의 H-브릿지 기반 인버터에 비해 변압기 1차측 스위치들만 고주파 스위칭을 수행하고, 2차측 스위치는 계통 주파수로 동작하며 다이오드만 고주파 스위칭을 하기 때문에 상대적으로 dv/dt 및 CM 노이즈가 낮게 발생한다. 또한 절연형 인버터 구조이므로 CM 노이즈 전달경로의 임피던스가 높아, 누설전류 및 CM 노이즈를 추가적으로 저감할 수 있는 특징을 갖게 된다. 마지막으로 제안된 다운샘플링 반복학습제어기(DRC)와 기존 반복학습제어기(CRC)의 성능 비교를 표 5와 같이 정리하였다. DRC의 경우 THD의 제어 추적성능은 다소 떨어지나 차지하는 메모리 용량이나 연산량 및 MCU 점유율 측면에서 성능이 향상됨을 확인할 수 있다.

5. 결 론

본 논문에서는 4개의 능동 스위치만으로 동작하는 절연형 브릿지리스 인버터를 제안하고, 제안 회로의 특성과 계통 연계 시 발생하는 제어 문제를 분석하였다. 특히, 우반면 영점에 따른 제어 대역폭 제약과 계통 외란에 대한 취약성을 해결하기 위해 다운샘플링 반복제어기와 위상 앞섬 보상 기법을 결합한 제어 시스템을 설계하였다. 이를 통해 연산량과 메모리 사용을 줄이면서도 높은 전류 추종 성능과 강인성을 확보할 수 있음을 보였다. 또한, 250W급 시제품을 제작하여 검증한 결과, THD 5% 이내와 최대 효율 95.5%를 달성하였다. 따라서 제안된 방법은 출력 파형 품질을 개선하고 계통 연계 환경에서도 안정적인 동작을 보장하여, 고효율·저비용 계통 연계형 절연 인버터 설계에 효과적인 대안이 될 수 있음을 확인하였다.

Acknowledgements

This work was supported by the National Research Foundation of Korea(NRF) grant funded by the Korea government(MSIT) (RS- 2025-16064536).

References

1 
G. Chen, 2023, Controller Synthesis of Aperiodic Sampled- Data Networked Control System With Application to Interleaved Flyback Module Integrated Converter, IEEE Trans. Circuits Syst. I, Reg. Papers, Vol. 70, No. 11DOI
2 
S. Kan, 2024, Topology and Control for Second Harmonic Current Reduction in Two-Stage Single-Phase Inverter Without Electrolytic Capacitors, IEEE Trans. on Power Electron., Vol. 39, No. 8, pp. 9051-9058DOI
3 
S. Dey, 2024, A Variable Switching Frequency-Based Triple-Phase-Shifted Loss Optimized Modulation Strategy for DAB-Based DC–AC Microinverter, IEEE J. Emerg. Sel. Topics Power Electron., Vol. 12, No. 1, pp. 1110-1128DOI
4 
H. Kim, 2018, Downsampled Iterative Learning Controller for Flyback CCM Inverter, IEEE Trans. Ind. Electron., Vol. 65, No. 1, pp. 510-520DOI
5 
J. Zhang, 2010, A High Efficiency Flyback Converter With New Active Clamp Technique, IEEE Trans. Power Electron., Vol. 25, No. 7, pp. 1775-1785DOI
6 
S. Kim, 2021, Dynamic Modeling and Controller Design for Grid-Connected Ćuk CCM Inverter with Coupled Inductor, The transactions of The Korean Institute of Electrical Engineers, Vol. 71, No. 1, pp. 79-89DOI
7 
R. Viero, F. Reis, 2011, Dynamic modeling of a ZETA converter in DCM applied to low power renewable sources, pp. 685-691DOI
8 
B. Han, 2020, Bridgeless Cuk-Derived Single Power Conversion Inverter With Reactive-Power Capability, IEEE Trans. Power Electron., Vol. 35, No. 3, pp. 2629-2645DOI
9 
B. Han, 2021, Bridgeless Hybrid-Mode Zeta-Based Inverter: Dynamic Modeling and Control, IEEE Trans. Power Electron., Vol. 36, No. 6, pp. 7233-7249DOI
10 
S. Mehrnami, 2015, Discontinuous modulation scheme for a differential-mode Cuk inverter, IEEE Trans. Power Electron., Vol. 30, No. 3, pp. 1242-1254DOI
11 
B. Han, J. Lai, M. Kim, 2022, Down-sampled repetitive controller for grid-connected Cuk CCM inverter, IEEE J. Emerg. Sel. Topics Power Electronics, Vol. 10, No. 1DOI
12 
S. Gupta, S. Mazumder, 2022, A Novel Modulation Scheme for Isolated PWM Active-Clamp Cuk DC/DC Converter, IEEE Trans. Power Electron., Vol. 37, No. 12DOI
13 
2004, Test Method for Calculating the Energy Efficiency of Single-Voltage External AC-DC and AC-AC Power SuppliesURL
14 
A. Kumar, P. Sensarma, 2017, A four-switch single-stage single-phase buck–boost inverter, IEEE Trans. Power Electron., Vol. 32, No. 7, pp. 5282-5292DOI

저자소개

김상오(Sang Oh Kim)
../../Resources/kiee/KIEE.2025.74.12.2229/au1.png

He received the B.S. and M.S. degrees electronics engineering in 2020, 2023, respectively, from Kyungpook National University, Daegu, South Korea. He has been working toward the Ph.D. degree in the School of Electronic and Electrical Engineering from Kyungpook National University, Daegu, South Korea.

오채연(Chae Yeon Oh)
../../Resources/kiee/KIEE.2025.74.12.2229/au2.png

She received the B.S. degree in electronics engineering in 2026 from Kyungpook National University, Daegu, South Korea, where she is currently working toward the M.S. degree in the School of Electronic and Electrical Engineering from Kyungpook National University, Daegu, South Korea.

한병철(Byeongcheol Han)
../../Resources/kiee/KIEE.2025.74.12.2229/au3.png

He received the B.S degree in electrical engineering from Pusan National University, Busan, South Korea, in 2012; the Ph.D. degree in creative IT engineering (CiTE) from the Pohang University of Science and Technology (POSTECH), Pohang, South Korea, in 2018. From 2018 to 2020, he was a Post doctoral Associate with Future Energy Electronics Center, Virginia Tech, Blacksburg, VA, USA. He is currently an Associate Professor with the School of Electronic and Electrical Engineering, Kyungpook National University, Daegu, South Korea.