김동민
(Dongmin Kim)
1iD
생차야
(Chhaya Seng)
2iD
손금뢰
(Jinlei Sun)
3iD
민명환
(Myung-Hwan Min)
4iD
차한주
(Hanju Cha)
†iD
-
(Dept. of Electrical Engineering, Chungnam National University, Korea
E-mail: rlaakfdlh96@o.cnu.ac.kr)
-
(Dept. of Electrical Engineering, Chungnam National University, Korea
E-mail: sengchhaya117@gmail.com)
-
(Dept. of Electrical Engineering, Chungnam National University, Korea
E-mail: jinlei96@naver.com)
-
(Dept. of Electrical Engineering, Chungnam National University, Korea
E-mail: mhmin@entecene.co.kr)
Copyright © The Korean Institute of Electrical Engineers
Key Words
Grid Synchronization, HIL, Phase Angle Control, Static Frequency Converter, Synchronous Generator, Voltage Source Converter
1. 서 론
동기 발전기는 자체 기동 토크가 없기 때문에 스스로 기동할 수 없다. 따라서, 정격 속도까지 가속할 수 있는 외부 기동 장치가 필수적이다. 정지형
주파수 변환장치 (SFC, Static Frequency Converter)는 동기 발전기를 정지 상태부터 동기 속도까지 기동시키는 장치로 기동 이후
SFC는 탈락되고 동기 발전기와 계통은 동기되어 동작하며, 기계적 스트레스를 최소화하면서 안정적인 기동이 가능하다는 장점이 있다. 전통적인 SFC는
사이리스터를 이용한 기동 방식이 많이 사용되고 있으며, 사이리스터는 위상제어를 통해 전압을 점진적으로 증가시킴으로써 발전기를 기동하는 방식이다[1]. 그러나, 사이리스터 사용 시 출력되는 전류는 준구형파 형태로 5, 7, 11, 13차 등과 같은 저차 고조파가 발생하여 전원 계통 및 주변 장비에
영향을 줄 수 있고, 고조파 전류는 토크 리플 및 시스템 동작에 손실을 유발한다[2].
또한, 저속에서는 동기 발전기의 역기전력이 작아 전동기측 사이리스터를 턴오프하는 역전압이 불충분하여 모드의 전환이 힘들다. 따라서, 속도 및 토크
제어가 정밀하지 않아 비정상 상태에서의 제어 안정성이 떨어진다. 기존에 설치된 SFC 시스템은 준공 이후 장기간 사용되어 노후화가 진행되고 있으며,
이로 인해 신뢰도 저하와 같은 다양한 문제 발생하여 고장 분석에 대한 연구가 진행되고 있다[3].
이에 반해 전압형 컨버터(Voltage Source Converter, VSC)기반 방식은 PWM 제어 방식을 통해 출력 전압의 크기와 주파수를 자유롭게
제어할 수 있으며, 고조파 억제 및 동기 발전기의 정밀한 토크 및 속도 제어가 가능하다. 특히, 최근 고성능 DSP (Digital Signal Processor)와
VSC의 제어기술의 발전으로 인해 VSC를 사용한 기동 방식이 안정성이 증가하고 있다. 본 논문에서는 VSC 기반 SFC에 의한 동기 발전기의 기동
방법을 설명하고 계통 병입 알고리즘을 시뮬레이션을 통해 검증한다. 또한, HIL 장비를 사용하여 기동 및 병입 알고리즘의 타당성을 검증하였다.
2. VSC 기반 기동 시스템 구성
2.1 LCI 기반 SFC 시스템 구조
기존 동기 발전기 운전을 위한 SFC 시스템은 사이리스터를 이용한 방식으로 LCI (Load Commutated Inverter)를 주로 사용한다.
MSC와 GSC에 각각의 사이리스터 소자가 사용되며 컨버터 사이에 리액턴스가 위치해 있는 구조이다. LCI 제어시 제어 모드는 총 두 가지이며, 정격
속도의 약 10% 미만에서 사용하는 강제 전류(Forced commutation) 모드와 그 이후부터 정격속도까지 동작하는 자연 전류(Natural
commutation)모드로 구분된다[4].
Fig. 1. LCI-based SFC structure
강제 전류 모드에서는 저속에서의 작은 역기전력으로 인해 스위치 턴오프에 필요한 역기전력이 부족하여 임의로 직류 전류를 0으로 되게 만들어 사이리스터를
턴오프한다. 이는 사이리스터가 단방향 특성을 갖는 소자이기 때문이다. 역기전력의 크기가 사이리스터를 턴오프하기 충분하면 자연전류 모드로 전환하여 사이리스터가
스스로 소호되며 전류가 자연적으로 교차한다.
2.2 VSC 기반 SFC 시스템 구조
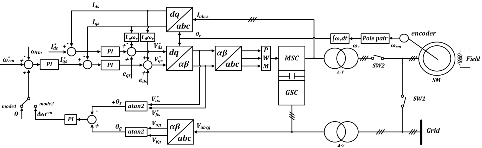
VSC 기반 SFC 시스템은 크게 MSC (Machine-Side Converter)와 GSC (Grid-Side Converter) 및 DC 링크,
여자기로 구성된다. 그림 2와 같이 SFC를 사용하여 동기 발전기를 기동할 때는 고정자와 SW2가 연결되어 있으며, MSC를 통해 동기 발전기를 동기 속도까지 가속한다. 이때,
계통과 동기 발전기의 고정자는 SW1을 통해 분리되어 있으며, 기동 이후 SW2를 오프하고 SW1을 온하면 계통과 고정자를 연결하여 계통에 동기화되어
동기 발전기가 동작한다.
Fig. 2. VSC-based SFC structure
돌극형 동기 발전기는 비대칭적인 회전자 구조로 인해 최소 공극과 최대 공극의 크기가 다르고, 이로 인해 회전자 위치에 따라 고정자 전류에 의해 형성되는
자속의 경로가 변한다[5]. 이러한 특성을 이용하여 동기 발전기를 제어하기 위해 고정자 전압을 회전자 기준 좌표계로 변환하여 d-q축 모델로 해석한 전압 방정식은 다음과 같다.
수식에서 위첨자 r은 회전자 기준 좌표계를 의미하며, 아래첨자 d-q는 회전자 기준 좌표계로 표현된 축을, s는 고정자 측을 의미한다. 또한, Rs는 고정자 저항, λs는 고정자 자속, ωr은 동기 발전기의 회전각 속도를 의미한다. 기동 구간에서는 토크 제어를 위해 전류를 제어하며, 전기자 토크 Te의 방정식은 다음과 같이 표현된다.
식 (3)에서 P는 극수를 Lmd, Lmq는 d-q축의 상호 인덕턴스 성분을 의미하고 첫 번째 항은 발전기의 돌극성 및 고정자 d-q축 전류로 나타나는 릴럭턴스 토크에 의해 발생하는 토크이고,
두 번째항은 i'fd의 계자전류와 고정자 q축 전류에 의해 발생하는 토크를 의미한다.
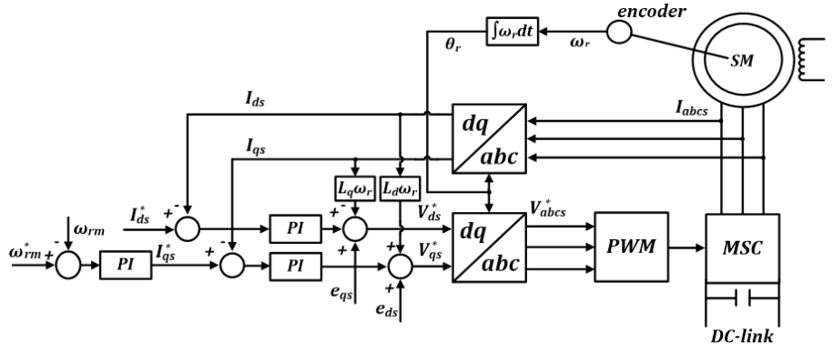
2.3 MSC 제어기 구성
MSC는 VSC 기반의 SFC의 구성요소로, 동기 발전기의 고정자 측 전압 및 전류를 제어하는 역할을 한다[6]. 발전기를 계통에 병입하기 위해서는 발전기의 회전속도가 계통 주파수와 일치해야 하며, 이를 위해 속도 제어가 필요하다. 속도 제어기는 동기 발전기의
회전속도를 제어하여, 기동 중 발생할 수 있는 급격한 토크 변화나 속도 오차를 억제할 수 있다.
Fig. 3. Block diagram of speed controller
Fig. 4. MSC control structure
속도 제어기는 외부 속도 제어 루프와 내부 전류 제어 루프로 구성된다. 전류 제어 시 고정자 전류를 측정하고 좌표변환을 사용하여 3상 전류를 회전자
기준 좌표계로 변환하여 제어하였으며, 동기 발전기 속도제어를 위한 MSC 제어 구조는 그림 4와 같다.
그림 4에서 전류 제어를 위한 PI제어기 이후 전향보상을 위한 값을 보상해주었으며 eds ,eqs는 동기 발전기의 역기전력 성분을 의미한다.
2.4 GSC 제어기 구성
SFC의 구조는 백투백 컨버터로 구성되어 있다. MSC는 발전기를 제어하는 역할을 하며, GSC는 DC 링크 전압을 제어한다[7]. MSC 제어에 따라 MSC의 유효전력이 증가하거나 감소하면 DC 링크 전압도 감소하거나 증가한다.
Fig. 5. Block diagram of DC-link voltage controller
DC 링크 전압이 일정하지 않고 변동하면, MSC 제어 시 극전압의 크기가 일정하지 않아 정확한 제어를 할 수 없다. 따라서, 백투백 컨버터 구조에서는
DC 링크 전압을 일정하게 유지하는 것이 중요하다. 또한, DC 링크 전압 제어 시 전압 제어기를 통해 전압을 일정하게 유지하더라도 MSC의 전력이
변하면 DC 링크 커패시턴스의 다이나믹스 및 제어기의 다이나믹스로 인해 전압 변동 구간이 발생한다. 이때, 전압이 변동하더라도 빠르게 전압을 추종하여,
전압을 일정하게 유지하기 위해 MSC의 유효전력인 Ps를 피드포워드 항으로 넣어줌으로써 안정한 DC 링크 전압 제어가 가능하다.
Fig. 6. GSC control structure
GSC의 좌표변환시 필요한 계통 전압의 위상을 구하기 위해 SRF-PLL(Synchronous Reference Frame Phase Locked
Loop)이 사용된다. PLL은 계통 3상 전압으로부터 전압의 위상을 추정하는 과정으로 3상의 전압을 위상 및 크기 정보를 갖는 2상의 d-q축 동기
좌표계 전압으로 변환하고 PI 제어기를 사용하여 계통 전압의 위상을 추종함으로써 계통과 시스템 간의 빠르고 정확한 위상 동기화가 이루어지도록 한다.
3. 기동 및 병입을 위한 제어
3.1 기동 및 병입 시퀀스
Fig. 7. Control flow of the SFC in start-up
모드 1: 그림 4의 제어 구조를 사용하여 속도제어를 통해 동기 발전기를 동기 속도까지 가속한다. 이때, GSC는 PLL을 통해 계통 전압의 위상을 추정하여 DC 링크
전압을 일정하게 유지하는 역할을 진행한다.
모드 2: 기동 이후 모드 2로 전환되어, PLL을 통해 계산된 계통 전압의 위상과 MSC 전압 지령을 통해 계산된 고정자 전압의 위상을 비교하고
위상 오차 제어기를 사용하여 계통 전압과 위상 오차가 제거되면 계통 병입 진행.
모드 3: 병입 이후 SFC는 탈락되고 계통과 동기 발전기의 고정자가 연결된 상태로 계통 전압 및 주파수에 의해 동기 발전기가 회전. 이때, 정상모드에서는
계통의 부하 상태에 따라 거버너 및 게이트를 조절하여 발전량을 증가시키거나 감소시킬 수 있다.
3.2 위상 오차 제어기의 구조
전압의 위상이 불일치된 상태에서 계통과 고정자를 연결하면, 고정자 전류에 큰 과도 전류가 발생하여 트립 및 장비 소손이 발생할 수 있다[8]. 이를 방지하기 위해 전압 간의 위상을 일치시키는 과정이 필요하며, 계통 전압의 위상과 고정자 권선의 위상을 계산하고, 위상 오차 제어기를 사용하여
위상 오차를 0에 가깝게 수렴시켜 위상 오차를 제거할 수 있다.
모드 1은 기동 과정으로 정지 상태의 동기 발전기를 동기 속도까지 가속하는 과정이다. 따라서, 그림 4의 속도 제어기를 사용하며, 동기 속도까지 토크를 제어하여 가속한다.
Fig. 8. MSC control structure with phase angle controller
동기 속도 이후 모드 2에서는 위상 오차를 제어하기 위해 Δωrm을 속도 제어 루프에 추가적으로 사용하여 위상 오차를 제어할 수 있다. 기동 이후 계통 전압과 고정자 전압 간 위상 오차가 존재하면 Δωrm를 통해 속도를 증가시키거나 감소시켜 위상 오차를 감소시키고 위상 오차 제거 이후 회전 속도는 다시 동기 속도로 수렴한다.
4. 시뮬레이션 구성 및 결과
4.1 시뮬레이션 모델
SFC를 사용한 기동 특성 및 계통 병입 성능을 확인하기 위해 시뮬레이션 모델을 구성하였다.
Fig. 9. Simulation schematic of the SFC system
Table 1. Synchronous generator parameters
|
Parameters
|
Value
|
|
Rated Power [W]
|
1M
|
|
Grid voltage [V]
|
6600
|
|
Rated current [A]
|
102
|
|
Rated speed [rpm]
|
720
|
|
Stator resistance [Ω]
|
0.401
|
|
Stator leakage inductance [H]
|
0.01
|
|
d-q axis inductance [H]
|
0.091/0.046
|
|
Field resistance [Ω]
|
0.224
|
|
Field leakage inductance [H]
|
0.011
|
|
d-q axis damper resistance [Ω]
|
0.858/0.637
|
|
d-q axis damper inductance [Ω]
|
0.011/0.006
|
|
Inertia [J]
|
216
|
|
Pole
|
10
|
시뮬레이션 모델은 PLECS를 사용하여 1MW 돌극형 동기 발전기를 제어하였으며, 샘플링 주파수는 6kHz, 스위칭 주파수는 3kHz를 사용하였다.
이때, SFC 용량은 전체 시스템 용량의 20%로 설정하였다. 이는 SFC는 기동 및 병입에만 사용되고 병입 이후 탈락되기 때문이다. 따라서, SFC
용량을 전체 시스템과 동일한 용량으로 제작하면 비용 측면에서 비효율적이며, 일반적으로 전체 시스템 용량의 10~20% 사이의 용량으로 설정한다.
4.2 시뮬레이션 결과
SFC를 사용하여 동기 발전기를 동기 속도까지 속도 제어를 통해 기동하였다. 기존 사이리스터 기반의 SFC 사용시 저속에서는 발전기의 역기전력이 작아
사이리스터를 제어하기 위한 역전압 인가가 어렵기 때문에 스위치 모드의 전환이 힘들다[9]. 따라서, 직류단 전류를 임의로 0으로 만들어 사이리스터를 턴오프 시키며, 정격 속도의 10% 운전 범위까지 설계하여 사용한다. 그러나, 강제구간
사용시 소호 회로 오동작 및 제어 한계로 인해 소자가 꺼지지 않으면, 기동 실패로 이어질 수 있는 단점이 존재한다. 이에 반해 VSC 기반 SFC에서는
스위칭 소자의 자가소호가 가능하기 때문에 저속에서도 안정한 기동이 가능하다.
Fig. 10. Speed control results (a) Rotor speed (b) Stator current
그림 10과 같이 벡터제어를 통해 정지 상태에 있는 동기 발전기를 기동할 수 있으며, 전류 제어기의 대역폭 및 전류 제한 크기 내에서 사용자가 원하는 시간으로
동기 속도까지 기동이 가능하다. 또한, 고정자 전류에는 사이리스터 방식에 비해 큰 고조파 전류가 발생하지 않는다.
Fig. 11. Operating waveform below 10% of rated speed (a) Rotor speed (b) Stator current
기동 이후 계통 전압과 고정자 전압의 위상 오차를 제거하기 위해 위상 오차 제어기를 동작시켰다. 그림 12(a)는 위상 오차 제어기 동작 전 계통 전압과 고정자 전압을 비교한 결과이다. 그림 12(a)와 같이 위상 오차가 20도 존재하는 상태에서 병입시 고정자 전류는 최대 약 400A까지 전류가 증가하며, 과도전류는 절연 파괴, 발열로 인한 권선
소손, 베어링 손상 등의 문제가 발생한다. 이를 방지하기 위해 위상 오차를 제어하면, 위상 오차는 그림 13(a)와 같이 0에 가깝게 제거된다. 위상 오차가 제거된 상태에서 병입을 진행하면, 그림 13(b)와 같이 고정자 전류는 최대 38A까지만 증가하며 큰 과도 전류 없이 안정적인 병입이 이루어 진다.
Fig. 12. Simulation results without phase angle control (a) Voltage and angle err
(b) Grid current
Fig. 13. Simulation results with phase angle control (a) Voltage and angle err (b)
Grid current
병입 이후 동기 발전기의 고정자와 계통이 연결되어 운영자의 요구 조건에 따라 발전량을 증가시키거나 감소시킬 수 있으며, 계통 전압의 주파수와 동일한
회전속도로 동작한다.
5. HIL 구조 및 결과
5.1 HIL 시뮬레이션 모델
동기 발전기 기동에 대해 검증하기 위해 HIL 시스템을 구성하였다. 시뮬레이션과 동일한 파라미터 및 회로 구조를 통해 기동 및 병입에 대한 실시간
시뮬레이션을 진행하였다.
Fig. 14. HIL system structure
Fig. 15. HIL schematic of the SFC system
5.2 HIL 시뮬레이션 결과
HIL로 동기 발전기 기동시 시뮬레이션과 동일한 약 7초의 상승시간을 갖는다. 또한, 10%이내의 저속에서도 안정한 제어 성능을 나타내며, 벡터 제어를
통한 기동이 가능하다.
Fig. 16. Speed control HIL results
Fig. 17. Operating waveform Below 10% of Rated Speed in HIL (a) Rotor speed (b) Stator
current
HIL에서도 동일하게 기동 이후 계통 전압과 고정자 전압간에 위상 오차가 약 20도 존재하지만, 위상 오차 제어기 동작 이후 위상 오차는 0으로 수렴한다.
따라서, 위상 오차가 제거된 상태에서 계통 병입 진행시 계통 전류 및 고정자 전류에 큰 과도상태 없이 병입이 가능하다.
그림 19는 병입 순간의 전압 및 전류를 확대한 파형이다. 병입시 고정자 전압은 MSC에 의한 PWM 전압 파형에서 계통 전압의 정현파로 연속적인 상태로 전환되고
계통 전류는 병입 전 영전류를 유지하다가 병입 이후 고정자에 전류를 주입하여 계통과 고정자 전류는 동일한 전류가 흐르게 된다.
Fig. 18. Comparison of grid voltage and stator voltage (a) Before phase angle control
(b) After phase angle control
Fig. 19. HIL results with phase angle control (a) Voltage (b) Grid current
6. 결 론
본 논문에서는 동기 발전기 기동을 위한 전압형 SFC 구조를 설명하고 제어 방식을 설명하였다. 기존 LCI 기반 SFC에서는 사이리스터의 특성으로
인해 강제전류 제어를 통해 사이리스터를 턴오프 시켜야 한다. 이에 반해, 전압형 SFC 시스템은 PWM 제어를 통해 스위칭 소자를 턴오프 가능하고
정밀한 토크 제어 및 속도제어가 가능하다. 제안된 위상 오차 제어기를 통해 제어하면, 계통 전압과 고정자 전압간의 위상 오차를 줄여 계통과 병입이
가능하며, 계통 충격 및 발전기 기계적 스트레스 감소가 가능하다.
Acknowledgements
This work was supported by the 2023 Ministry of SMEs and Startups (MSS) Purchase-Conditioned
New Product Development Project (Joint Investment Type), under the project titled
“Development of localization technologies of SFC system for Micro WESS system” (Project
No. S3374566).
References
H. Ryu, J. Moon, U. Lee, J. Lee, Y. Kang, M. Park, 2017, Performance test of sensorless
speed control logic for gas turbine starter, The transactions of The Korean Institute
of Electrical Engineers P, Vol. 66P, No. 2, pp. 69-75

B. Singh, S. Singh, S. P. H. Chender, 2010, Harmonics Mitigation in LCI-Fed Synchronous
Motor Drives, IEEE Transactions on Energy Conversion, Vol. 25, No. 2, pp. 369-380

J.-D. Jeon, I.-C. Jung, M.-K. Kim, J.-H. Lee, 2025, Case of facility improvement at
Muju PSPP through replacement of an aging SFC disconnector, pp. 270-271

H. An, H. Cha, 2015, Modeling of load commutated inverter for pumped storage plant,
pp. 248-250

P. Kundur, 1994, Power System Stability and Control

J. H. Stavnesli, 2020, Control strategies of a converter-fed synchronous machine for
variable speed hydropower, M.S. thesis

L. Quéval, H. Ohsaki, 2012, Back-to-back converter design and control for synchronous
generator-based wind turbines, pp. 1-6

M.-C. Nițu, I.-D. Nicolae, L.-A. Dina, P.-M. Mircea, 2024, Power Transformer Inrush
Current Analysis: Simulation, Measurement and Effects, Applied Sciences, Vol. 14,
No. 23, pp. 10926

S.-H. Park, J.-M. Kim, I.-H. Lim, H.-S. Ryu, 2003, A study of large synchronous machine
drive using static frequency converter, The transactions of The Korean Institute of
Electrical Engineers, Vol. 8, No. 6, pp. 496-503

저자소개
He received the B.S. degree from Daejeon University, Daejeon, Korea, in 2021. Currently
he is pursuing the combine M.S and Ph.D. degree at the department of electrical engineering
at Chungnam National University, Daejeon, Korea.
He received B.S. degree in Electrical Engineering from National Polytechnic Institute
of Cambodia, Cambodia, in 2019, and is currently pursuing his M.S. and Ph.D. degree
at Chungnam National University.
He received the B.S. degree from Chungnam National University, Daejeon, Korea, in
2021. and M.S, degree at the department of electrical engineering at Chungnam National
University, Daejeon, Korea. in 2023. Currently he is pursuing Ph.D.
He received MS degree in electric engineering from Sungkyunkwan University. He is
currently a senior research engineer with ENTEC Electric & Electronic Co., Ltd. His
research interests are power quality and protection for power system and its analysis.
He received the B.S. degree from Seoul National University, Seoul, Korea, in 1988;
the M.S. degree from the Pohang Institute of Science and Technology, Pohang, Korea,
in 1990; and the Ph.D. degree from Texas A&M University, College Station, TX, USA,
in 2004, all in electrical engineering. From 1990 to 2001, he was at LG Industrial
Systems, Anyang, Korea, where he was engaged in the development of power electronics
and adjustable speed drives. Since 2005, he has been with the Department of Electrical
Engineering, Chungnam National University, Daejeon, Korea.