성철용
(Chul-Yong Sung)
1iD
최형진
(Hyung-Jin Choe)
†iD
-
(Dept. of Electrical Engineering, Tongmyong University, Korea)
Copyright © The Korean Institute of Electrical Engineers
Key words
Boost converter, Switching loss, Passive snubber, Zero current switching, Efficiency improvement
1. 서 론
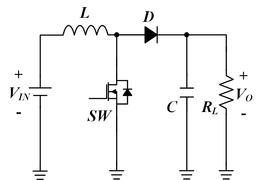
낮은 입력 전압을 높은 출력 전압으로 변환하는 boost converter는(그림 1) 인덕터 $L$, 커패시터 $C$, 다이오드 $D$, 스위치 $SW$ 각각 1개로 구성된 간단한 회로 구조와 쉬운 제어 방식 덕분에 에너지 하베스팅을
비롯한 태양광, 풍력발전 등 신재생에너지 분야, 전기자동차 분야, 가전 등 다양한 산업 분야에서 사용되고 있다[1], [2]. 특히 노트북, 스마트폰, 태블릿 PC 등 모바일 기기의 보급이 늘어나면서 배터리 전압을 디스플레이, LED 플래시, 햅틱 구동에 필요한 전압으로
변환하는 역할을 하는 boost converter를 최소 하나씩 가지고 다니는 시대가 되었다[3-5].
이러한 boost converter는 전력밀도를 높이기 위해 고속 스위칭 구동을 통해 인덕터와 커패시터의 용량을 줄여 회로의 부피와 무게를 최소화하는
방향으로 발전하고 있다. 하지만 스위치에서 발생하는 손실은 스위칭 주파수에 비례하여 증가하므로, 기본 boost converter의 구조를 이용하여
스위칭 주파수를 증가시키는데 한계가 존재한다. 이러한 문제를 해결하기 위해 기본 boost converter에 snubber 회로를 추가하는 구조에
대한 다양한 연구가 진행되어 왔다[6], [7].
Active snubber는 기본 boost converter에 공진을 위한 커패시터와 인덕터, 전류의 흐름을 제어하는 다이오드와 보조 스위치를 추가하여
스위칭 손실을 제거하는 방법이다[8-11]. 이 방법은 메인 스위치와 보조 스위치가 zero voltage switching (ZVS) 또는 zero voltage transition(ZVT)
조건에서 동작하도록 구동함으로써 스위칭 손실을 효과적으로 제거할 수 있다. 하지만, 부하 변화에 따른 인덕터와 커패시터의 공진 타이밍과 메인 스위치와
보조 스위치 간의 제어 타이밍이 어긋날 경우 ZVS 또는 ZVT 조건에서 벗어나 오히려 스위칭 손실이 증가할 수 있어 회로 구조와 제어의 복잡성이
증가하는 문제점이 있다. 또한 고전력 어플리케이션에서는 보조 스위치의 전압, 전류 정격이 상승하여 추가 비용이 발생하는 문제가 있다.
스위칭 손실을 개선하는 다른 방법인 passive snubber는 커패시터와 인덕터, 저항, 다이오드와 같은 passive 소자로만 구성되어 active
snubber 대비 구현 비용이 저렴하고 제어의 복잡성이 낮은 장점이 있다[12-15]. 하지만, 추가되는 커패시터와 인덕터의 공진을 이용하여 스위칭 손실을 개선할 경우, 공진에 의한 전압, 전류 상승으로 기본 boost converter
대비 스위치의 전압, 전류 스트레스가 증가한다. 또한 인덕터와 커패시터에 저장되는 에너지를 해소하기 위해 저항을 사용할 경우 매 스위칭 주기마다 저항에서
추가적인 손실이 발생하는 문제점이 있다.
본 논문에서는 기본 boost converter의 스위칭 손실을 효과적으로 제거하기 위해 인덕터 1개, 커패시터 2개, 다이오드 3개로 구성되는 passive
snubber를 제안한다. 제안 회로에 추가되는 커패시터는 boost converter의 출력 전압을 분배하여 스위치의 전압 스트레스를 저감하고,
인덕터는 커패시터의 충·방전 전류 흐름을 제어하여 스위치가 zero current switching (ZCS) 조건에서 동작하도록 한다. 제안하는
방식은 인덕터와 캐패시터의 공진을 이용하지 않기 때문에 기존 passive snubber 방식 대비 스위치의 전압, 전류 스트레스를 최소화 하면서
스위칭 손실을 효과적으로 제거할 수 있다. 제안하는 회로의 동작을 총 4개의 동작 모드로 구분하여 분석하였으며, 스위칭 손실 개선 효과를 검증하기
위해 100 W급 proto-type을 제작하여 기본 boost converter와 비교 실험을 수행하였다.
그림 1. 기본 boost converter
Fig. 1. Conventional boost converter
2. 제안 회로의 구조와 동작 모드
2.1 제안 회로의 구조
제안 회로는(그림 2) $L_1$, $SW$, $D_3$, $C_O$, $R_O$로 구성되는 기본 boost converter에 커패시터 2개($C_1$, $C_2$),
다이오드 3개($D_1$, $D_2$, $D_4$), 인덕터 1개($L_2$)로 구성되는 passive snubber를 $L_1$과 $D_3$ 사이에
추가한 구조다. 직렬로 연결된 $L_2$와 $C_2$는 $D_1$을 통해 $SW$와 병렬로 연결되며, $D_4$를 통해 출력으로 연결된다. $C_1$은
$L_1$과 $D_3$ 사이에 위치하며 $D_2$를 통해 $L_2$, $C_2$와 연결된다.
제안 회로의 passive snubber는 기본 boost converter 대비 스위칭 turn-on 손실과 turn-off 손실 모두 개선할 수
있는 구조이다. $L_2$는 $SW$가 turn-on 되는 순간 $L_1$ 전류 $i_{L1}$이 $C_2$로 흐르는 전류 path를 유지하여 $SW$가
ZCS turn-on이 되도록 한다. 또한, $C_2$에서 $C_1$으로 charge pumping이 시작되는 순간 $D_2$를 통해 $SW$로 흐르는
전류의 기울기를 제어하여 charge pumping 전류에 의한 $SW$ 전류 스트레스의 상승을 억제하는 역할을 한다. $C_1$과 $C_2$는 출력전압
$V_O$를 전압분배 하여 $SW$의 전압 스트레스를 낮추고 turn-off 스위칭 손실을 줄이는 역할을 한다. $D_1$과 $D_2$는 $SW$가
동작하는 1주기 동안 $C_1$과 $C_2$의 charge pump path를 구성해 주며, $D_4$는 동작 모드 3에서 $L_2$ 전류 $i_{L2}$가
$D_2$와 $D_3$를 거쳐서 출력으로 전달되지 않고 $D_4$를 통해 직접 출력으로 연결되는 전류 path를 형성하여 $D_2$와 $D_3$의
전력 손실을 줄여준다.
그림 2. 제안 회로의 구조
Fig. 2. Structure of the proposed circuit
2.2 제안 회로의 동작 모드
제안 회로의 동작을 설명하기 위해 회로를 구성하는 모든 소자는 이상적인 소자로 가정한다. 또한, 커패시터의 용량은 전압 리플이 무시 가능하도록 충분히
큰 용량을 갖는다고 가정하여 $C_1$, $C_2$, $C_O$의 전압과 입력전압을 DC 전압원인 $V_{C1}$, $V_{C2}$, $V_O$,
$V_{IN}$으로 표현하였으며 각 전압은 $V_O > V_{C2} > V_{C1} > 0$의 관계를 만족한다. 또한, 제안 회로는 CCM 정상상태에서
동작하고 있다고 가정한다. $SW$가 동작하는 1주기 $T_s$를 $SW$와 $D_1$, $D_2$, $D_3$, $D_4$의 on/off 동작에
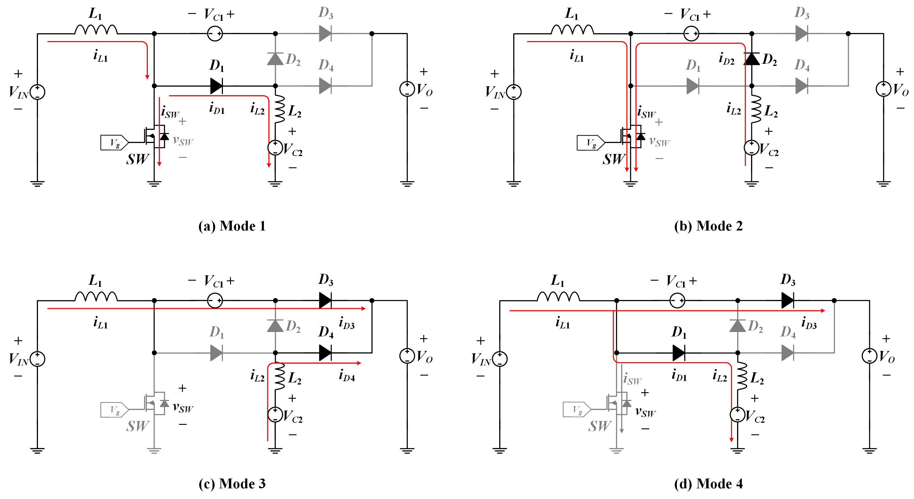
따라 4개의 동작 모드로 구분하였으며 각 동작 모드에 대한 주요 소자의 전압, 전류 파형을 그림 3으로, 등가회로를 그림 4로 나타내었다.
모드 1 (그림 4(a)) [$t_0 < t < t_1$]: 모드 1은 $SW$가 turn-on 되고 $D_3$가 turn-off 되는 순간 시작되며 $D_1$은 on 상태를
유지하고 $D_2$와 $D_4$는 off 상태를 유지한다. 모드 1에서 $D_1$을 통해 $L_2$-$C_2$로 흐르는 $i_{L2}$가 유지되기
때문에, $i_{L1}$은 $i_{SW}$와 $i_{L2}$로 나뉘어져 흐른다. 이 과정에서 $i_{SW}$는 0에서 $i_{L1}$까지 선형적으로
증가하고, $i_{L2}$는 $i_{L1}$에서 0까지 선형적으로 감소한다. $v_{L1} = V_{IN} > 0$, $v_{L2} = -V_{C2}
< 0$이 되므로 $D_3$에는 ($V_O$ - $V_{C1}$)의 전압, $D_4$에는 $V_O$의 전압이 인가되며, 모드 1에서 주요 전류는 다음
식으로 표현할 수 있다.
그림 3. 제안 회로의 주요 파형
Fig. 3. Key Waveforms of the proposed circuit
여기서, $i_{L1,min} = i_{L1}(t_0)$ 이다. 만약, $L_1 \gg L_2$ 조건이라면 $i_{SW}$는
로 근사할 수 있다. 즉, 모드 1에서 $i_{SW}$의 증가하는 기울기는 $L_2$에 의해 제어됨을 알 수 있다. 모드 1은 $i_{SW}$가 $i_{L1}$으로,
$i_{D1}$이 0에 도달하여 $D_1$이 turn-off 되고 $D_2$가 turn-on 되는 순간 종료된다.
모드 2 (그림 4(b)) [$t_1 < t < t_2$]: $t = t_1$이 되는 순간 $D_1$은 turn-off, $D_2$는 turn-on 되며 $SW$는 on
상태를 유지하고 $D_3$와 $D_4$는 off 상태를 유지한다. 모드 2에서는 $D_2$를 통해 $C_2$에서 $C_1$으로 charge pumping이
시작되는 구간이다. 이때, charge pumping 전류 $i_{D2}$는 $L_2$에 의해 선형적으로 증가하면서 $SW$로 흐르기 때문에 $L_2$가
존재하지 않는 charge pump 구조 대비 $SW$ 전류 스트레스를 줄일 수 있다. $v_{L1} = V_{IN} > 0$, $v_{L2} =
(V_{C1} - V_{C2}) < 0$이 되고, $i_{SW}(t) = i_{L1}(t) + i_{D2}(t)$가 되므로 모드 2에서 $D_1$
양단에는 $V_{C1}$의 전압이 인가되며, 주요 전류 식은 다음과 같이 표현할 수 있다.
모드 2는 $SW$가 turn-off 되는 순간 종료된다.
모드 3 (그림 4(c)) [$t_2 < t < t_3$]: $t = t_2$가 되는 순간 $SW$와 $D_2$는 turn-off, $D_3$와 $D_4$는 turn-on
되며 $D_1$은 off 상태를 유지한다. $SW$와 $D_2$가 off 되면서 charge pumping은 종료되며 $D_3$를 통해 입력에서 출력으로,
$D_4$를 통해 $C_2$에서 출력으로 전력 전달이 시작된다. 만약 $D_4$가 없는 구조라면, $C_2$에서 출력으로 전달되는 전류 $-i_{L2}$는
$D_2$와 $D_3$를 통해 출력으로 전달되기 때문에 $D_2$와 $D_3$의 전력 손실이 증가하게 된다. $SW$ 양단 전압 $v_{SW} =
V_O - V_{C1}$이 되어 기본 boost converter 대비 $V_{C1}$ 만큼 전압 스트레스가 낮아지기 때문에 turn-off 스위칭
손실을 줄일 수 있다. 모드 3에서 $v_{L1} = V_{IN} - (V_O - V_{C1}) < 0$, $v_{L2} = (V_O - V_{C2})
> 0$이 되고 $i_{L1}(t) = i_{D3}(t)$, $i_{L2}(t) = -i_{D4}(t)$가 되므로 주요 전류는 다음 식과 같이 표현할
수 있다.
여기서, $i_{L1,max} = i_{L1}(t_2)$ 이다. 모드 3은 $D_4$가 turn-off 되고 $D_1$이 turn-on 되는 순간
종료된다.
모드 4 (그림 4(d)) [$t_3 < t < t_4$]: $t = t_3$가 되는 순간 $D_4$는 turn-off, $D_1$은 turn-on 되며 $SW$와 $D_2$는
off 상태를 $D_3$는 on 상태를 유지한다. $i_{L1}$은 $D_3$와 $D_1$을 통해 각각 출력과 $C_2$로 나뉘어져 흐른다. 따라서
$i_{L1}(t) = i_{D3}(t) + i_{D1}(t)$, $i_{D1}(t) = i_{L2}(t)$가 된다. 모드 4에서도 스위치 전압 스트레스는
$V_O - V_{C1}$을 유지하며, $v_{L1} = V_{IN} - (V_O - V_{C1}) < 0$, $v_{L2} = (V_O - V_{C1}
- V_{C2}) > 0$가 되므로 $D_2$ 양단에는 $V_{C1}$의 전압이 인가되며, 주요 전류는 다음 식과 같이 표현할 수 있다.
그림 4. 제안 회로의 동작 모드
Fig. 4. Modes of operation for the proposed circuit
모드 4는 $SW$가 turn-on 되는 순간 종료된다.
제안 회로에 추가된 $L_2$에 흐르는 전류는 Mode 4에서 Mode 1 동안 $D_1$을 통해 흐르고 Mode 2 구간에서는 $D_2$를 통해,
Mode 3 구간에서는 $D_4$를 통해 흐른다. 이때 $i_{D1}$과 ($i_{D2} + i_{D4}$)의 평균 전류는 출력전류와 같다. 즉,
$L_2$를 통해 $C_2$를 충전하는 전류와 방전하는 전류는 정상상태에서 같은 값을 가지며, 각 전류의 평균값은 출력전류와 같다. 또한, $D_3$의
최대 전류는 $L_1$의 최대 전류와 같다. 전체 1주기에 대한 Mode 1의 시간적인 비율을 $a$, Mode 4의 시간적인 비율을 $b$라고 하고,
$i_{L2}$와 시간축이 만드는 삼각형의 면적이 출력전류와 같음을 이용하면 $L_2$, $D_1$, $D_2$, $D_3$, $D_4$의 최대 전류는
다음과 같이 표현할 수 있다.
3. Simulation을 이용한 손실 분석
Analog Devices Inc.에서 제공하는 LT-Spice를 이용하여 표 1의 시뮬레이션 구성요소를 적용한 제안 회로와 기본 boost converter를 모델링하고, 각 회로의 주요 소자별 전력 손실을 분석하였다. 그림 5는 PWM IC, 전류 센싱 저항, 입력 및 출력 커패시터의 손실을 제외한 인덕터, 다이오드, 스위치 소자에서 발생하는 전력 손실을 $V_{IN}
= 24$ V, $V_O = 100$ V, $f_{SW} = 350$ kHz, $P_O = 100$ W 조건에서 비교한 결과이다.
기본 boost converter의 경우 전체 손실 중 스위치 소자에서 발생하는 손실이 6.178 W로 가장 크게 나타났으며, 다음으로 다이오드 및
인덕터에서 손실이 발생하였다. 반면, 제안 회로의 전체 손실은 4.49 W로 기본 boost converter의 약 51% 수준으로 감소하였다. 특히
스위치 손실은 0.894 W로 기본 boost converter 대비 약 14% 수준으로 낮아져 스위치 손실이 크게 개선된 것을 확인할 수 있었다.
제안 회로의 다이오드 $D_1$, $D_2$, $D_3$의 전력 손실은 기본 boost converter와 유사한 값을 보였으나, 다이오드의 수가
증가함에 따라 전체 손실 중 다이오드가 차지하는 비율은 상대적으로 증가하였다. 그러나 스위치에서 발생하는 전력 손실 감소 효과가 다이오드 손실 증가분보다
커, 결과적으로 제안 회로의 전력 변환 효율은 기본 boost converter 대비 약 3.7% 향상된 것으로 나타났다.
두 회로의 스위치 손실 특성을 비교하기 위하여 동일한 조건($V_{IN} = 24$ V, $V_O = 100$ V, $f_{SW} = 350$ kHz,
$P_O = 100$ W)에서 스위치 전압 및 전류 파형, 그리고 스위칭 전력 손실을 시뮬레이션하였다(그림 6). 기본 boost converter의 경우 turn-off 시 스위치 양단 전압은 출력 전압과 동일한 100 V가 인가되며, turn-on 시
다이오드의 역방향 전류가 유입되어 최대 5.6 A의 전류가 스위치로 흐르는 hard-switching 특성을 보였다. 이로 인해 turn-on 시
순간 손실은 최대 530 W, turn-off 시 손실은 최대 330 W 까지 증가하였다.
반면, 제안 회로의 경우 스위치 turn-off 시 양단 전압이 약 60 V로 제한되며, ZCS 조건에서 스위칭이 이루어졌다. 이에 따라 turn-on
손실은 최대 30 W, turn-off 손실은 최대 230 W로 감소하였으며, 전반적으로 스위칭 손실이 크게 개선되는 효과를 확인할 수 있었다.
표 1. LT-Spice 시뮬레이션 구성 요소
Table 1. Component values for the LT-Spice simulation
|
Items
|
기본 Boost
|
제안 회로
|
|
Inductor
|
$L_1$
|
68 $\mu$H, 10.3m$\Omega$
|
|
$L_2$
|
-
|
3 $\mu$H, 8m$\Omega$
|
|
Diode
|
$D$
|
RB228T150NZ (150V, 30A)
|
-
|
|
$D_1$
|
-
|
RB228T150NZ (150V, 30A)
|
|
$D_2$
|
-
|
RB228T150NZ (150V, 30A)
|
|
$D_3$
|
-
|
RB228T150NZ (150V, 30A)
|
|
$D_4$
|
-
|
RB228T150NZ (150V, 30A)
|
|
Capacitor
|
$C_1$
|
-
|
40 $\mu$F
|
|
$C_2$
|
-
|
40 $\mu$F
|
|
$C_{IN}$
|
200 $\mu$F
|
200 $\mu$F
|
|
$C_O$
|
200 $\mu$F
|
200 $\mu$F
|
|
MOSFET
|
$SW$
|
AOB2500L (150V, 5.1m$\Omega$)
|
|
PWM IC
|
LT3759
|
그림 5. 제안 회로와 기본 boost converter의 소자별 전력 손실 시뮬레이션 결과
Fig. 5. Simulation results of power loss by device of proposed circuit and conventional
boost converter
그림 6. 제안 회로와 기본 boost converter의 스위치 전압 전류 파형 및 전력 손실 시뮬레이션 결과
Fig. 6. Switch voltage and current waveforms and power-loss simulation results of
the proposed circuit and the conventional boost converter
4. Snubber 소자의 설계 방법
4.1 $L_2$ 설계 방법
$L_2$는 $SW$가 turn-on 되는 순간 $I_{IN}$을 $SW$와 $C_2$로 분배하면서 $i_{SW}$가 0에서 $I_{IN}$까지 증가하는
ZCS 조건에서 구동하도록 하는 중요한 역할을 한다. 이때 $L_2$ 값이 너무 크면 모드 4에서 $i_{L2}$는 $I_{IN}$까지 증가하지 못한
상태에서 모드 1이 시작되기 때문에 $SW$가 ZCS 조건에서 turn-on 되지 못하며, $V_{C1} = 0$ V, $V_{C2} = V_{IN}$이
되어 $C_1$, $C_2$의 전압분배 또한 이루어지지 않아 $SW$의 전압 스트레스가 $V_O$까지 상승하여 전력 손실이 증가하는 문제가 발생한다.
$V_{C1}$과 $V_{C2}$는 $L_1$과 $L_2$의 voltage-second balance에 의해 다음과 같이 표현할 수 있다.
여기서, $a$와 $b$는 각각 전체 1주기에 대한 모드 1과 모드 4의 시간적인 비율을 나타낸다. 제안 회로가 ZCS로 동작 하기 위해 $V_{C1}$과
$V_{C2}$는 $V_{IN} < V_{C1} < V_{C2} < V_O/2$ 조건을 만족하는 $L_2$를 선택해야 한다. 모드 1 구간 동안 $i_{L2}$가
$I_{IN}$에서 0에 도달해야 한다는 조건을 이용하면 $L_2$의 설계 범위는 다음과 같이 나타낼 수 있다.
4.2 $C_1$, $C_2$ 설계 방법
$C_1$과 $C_2$의 설계 범위를 근사하기 위해 다음과 같은 가정을 한다. 첫째, $V_{C1}$과 $V_{C2}$가 DC 전압을 유지하도록 충분히
큰 값을 사용하며, 두 커패시터의 용량은 같다. 둘째, $V_{C1}$과 $V_{C2}$는 $V_O$의 전압을 분배하므로 $V_O/2$ 보다 낮은
DC 전압을 유지한다. 셋째, $C_2$의 충전은 모드 4와 모드 1의 $i_{D1}$을 통해 이루어지며 방전은 모드 2와 3의 $i_{D2}$와
$i_{D4}$에 의해 이루어 진다. 이때 각 다이오드 전류의 평균값은 출력전류 $I_O$와 같다. 커패시터의 최소값은 커패시터 전압이 DC를 유지하도록
커패시터 전압 리플이 $V_O/2$ 보다 작도록 설정한다. 커패시터의 최대값은 허용 가능한 전압 리플의 최대값보다 작도록 설정한다. 즉, $C_1$과
$C_2$의 설계 범위는 다음의 식으로 표현할 수 있다.
여기서, $\Delta V_{C,max}$는 $V_{C1}$과 $V_{C2}$에 설정 하고자 하는 최대 전압 리플이고 $R_{O,min}$는 최대
출력 조건에서 부하 저항이다.
5. 실험 결과
제안한 회로의 동작을 검증하고 성능 향상을 기본 boost converter와 비교하기 위해 표 2의 소자를 이용하여 제안 회로(그림 7(a))와 기본 boost converter(그림 7(b))를 제작하였고, $V_{IN} = 24$ V, $V_O = 100$ V, 스위칭 주파수 $f_{SW} = 350$ kHz, $I_O = 1$ A,
출력 전력 $P_O = 100$ W 조건에서 동작을 검증하였다. 기본 boost converter는 제안 회로의 $L_2$, $D_1$, $D_2$,
$D_4$, $C_1$, $C_2$를 제거하였으며 그 외 소자는 제안 회로와 동일한 소자를 사용하였고 $SW$의 발열을 해소하기 위해 14 mm ×
14 mm의 방열판을 추가하였다. 제안 회로의 $L_2$는 식 (20)를 이용하여 $V_{C2,max} = 50$ V, $a = 0.1$, $T_s = 2.857$ $\mu$s 조건에서 계산하여 3 $\mu$H를 $C_1$과
$C_2$는 식 (21)을 이용하여 전압 리플이 0.07 V 이하가 되도록 40 $\mu$F을 사용하였다.
표 2. Prototype 소자값
Table 2. Component values for the prototype
|
Items
|
Value
|
|
Inductor
|
$L_1$
|
68 $\mu$H
|
|
$L_2$
|
3 $\mu$H
|
|
Diode
|
$D_1$
|
V30DM153C
|
|
$D_2$
|
|
$D_3$
|
|
$D_4$
|
|
Capacitor
|
$C_1$
|
40 $\mu$F
|
|
$C_2$
|
40 $\mu$F
|
|
$C_{IN}$
|
200 $\mu$F
|
|
$C_O$
|
200 $\mu$F
|
|
MOSFET
|
$SW$
|
IPB072N15N3G
|
|
Gate Driver IC
|
DGD0280WT-7
|
|
PWM IC
|
LM3478
|
그림 7. 동작 검증을 위한 prototype 회로
Fig. 7. Prototype circuits for operational verification
그림 8은 제안 회로와 기본 boost converter의 구동 검증을 위한 테스트 베드를 보여준다. 입력 전원으로 MK6005D 전원 공급장치를 사용하였고
출력에는 LF1800-B 전자 로드를 연결하여 출력 전력 변화에 대한 구동 검증을 진행하였다. 주요 전압, 전류 파형은 MSO8074A 오실로 스코프를
사용하여 측정하였다.
그림 8. 테스트 베드
Fig. 8. Test-bed
$V_{IN} = 24$ V, $V_O = 100$ V, $f_{SW} = 350$ kHz, $P_O = 100$ W 조건에서 제안 회로와 기본 boost
converter의 스위치 전압($v_{SW}$, 파랑), 스위치 전류($i_{SW}$ , 노랑) 파형을 비교하였다(그림 9). $SW$가 turn-on 되는 순간 제안한 회로의 $i_{SW}$는 0에서 약 5 A 까지 선형적으로 증가하면서 ZCS turn-on이 이루어지는
반면, 기본 boost converter의 $i_{SW}$는 약 5.7 A에서 hard-switching 되는 것을 볼 수 있다. 또한, $SW$가
turn-off 되는 구간에서 제안 회로의 $v_{SW}$는 출력 전압 100 V 보다 40 V 낮은 60 V를 유지하는 반면, 기본 boost converter의
$v_{SW}$는 출력 전압과 동일한 100 V를 유지한다. 이와 같은 제안 회로의 ZCS turn-on 동작과 낮아진 $v_{SW}$를 통해 기본
boost converter 대비 switching turn-on 손실과 turn-off 손실을 개선할 수 있음을 알 수 있다. 한편, 회로상에 존재하는
기생 인덕턴스와 커패시턴스에 의해 $v_{SW}$ 및 $i_{SW}$에 원치 않는 ringing이 발생할 경우 RC snubber를 $SW$에 병렬로
연결하여 현상을 최소화 할 수 있다.
그림 9. 제안 회로와 기본 boost converter의 스위치 전압, 전류 파형 비교
Fig. 9. Comparison of vSW, iSW between the proposed circuit and the conventional boost
converter
그림 10은 제안 회로의 다이오드 $D_1$, $D_2$, $D_3$, $D_4$와 기본 boost converter의 다이오드 $D$의 전압(초록색), 전류(노란색)
파형을 $V_{IN} = 24$ V, $V_O = 100$ V, $f_{SW} = 350$ kHz, $P_O = 100$ W 조건에서 측정한 것이다.
제안 회로의 다이오드 전류 $i_{D1}$, $i_{D2}$, $i_{D3}$, $i_{D4}$는 $L_2$에 의해 기울기가 제어된다. $D_1$은
모드 4에서 모드 1 동안 on 상태를 유지하면서 $i_{L2}$가 $C_2$를 충전하는 path를 형성한다. $i_{D1}$은 모드 4가 종료되는
순간 최대 4.2 A까지 증가하며 모드 1이 종료되는 시점에서 0까지 감소한다. $D_1$은 모드 3 동안 off 되어 양단 전압은 $V_{C1}$과
같은 40 V가 된다. $D_2$는 모드 2 동안 on 상태를 유지하면서 $C_2$에서 $C_1$으로 연결되는 charge pumping path를
형성한다. $i_{D2}$는 모드 2가 종료되는 순간 최대 3 A까지 증가한다. 모드 3에서 $D_2$의 양단에 출력으로 연결된 $D_3$와 $D_4$가
on 되어 $D_2$ 양단 전압은 0이 되면서 charge pumping이 종료되며, 모드 4에서 모드 1까지 양단 전압은 $V_{C1}$과 동일한
40 V가 된다. $D_3$는 제안 회로에서 출력 다이오드의 역할을 한다. 모드 3에서 모드 4까지 on 상태를 유지하면서 입력에서 출력으로 전력을
전달한다. 모드 3이 시작되는 순간 $i_{D3}$는 최대 7 A에서 감소하여 모드 4가 종료되는 순간 0에 도달한다. $D_3$는 모드 1에서 모드
2 동안 off 상태를 유지하며 양단 전압은 $V_O - V_{C1}$이 되어 60 V가 인가된다. $D_4$는 모드 3에서 $i_{L2}$가 $D_2$와
$D_3$를 거쳐 출력으로 전달되지 않고 직접 출력으로 연결되는 전류 path를 형성하여 $D_2$와 $D_3$의 전력 손실을 분산시키는 역할을 한다.
$i_{D4}$는 모드 3에서 최대 2.2 A에서 0까지 감소하며 모드 4에서 모드 2동안 off 상태를 유지한다. $D_4$의 양단 전압은 모드
4에서 $V_{C1}$과 같은 40 V, 모드 1에서 $V_O$와 같은 100 V, 모드 2에서 $V_O - V_{C1}$과 같은 60 V가 인가된다.
기본 boost converter의 다이오드 $D$의 전압, 전류 파형은 전형적인 CCM boost converter의 hard-switching
파형을 보여준다. 다이오드 $D$가 off 되는 구간의 양단 전압은 $V_O$와 동일한 100 V를 유지한다.
그림 10. 제안 회로와 기본 boost converter의 다이오드 전압, 전류 파형 비교
Fig. 10. Comparison of diode voltage and current waveforms between the proposed circuit
and the conventional boost converter
$V_{IN} = 24$ V, $V_O = 100$ V, $f_{SW} = 350$ kHz, $P_O = 10 ~ 100$ W 조건에서 제안한 회로와
기존 boost converter의 효율을 측정하여 비교하였다(그림 11). 제안 회로는 10 W에서 86.86%의 최저 효율을, 50 W에서 94.69%의 최대 효율을 각각 기록하였으며, 50 W 이상에서 는 효율이
점차 감소하여 100 W에서 93.35%의 효율을 보였다. 반면, 기존 boost converter는 10 W에서 72.68%의 최저 효율과 100
W에서 92.01%의 최대 효율을 나타내었다. 이에 따라 제안 회로는 기존 boost converter 대비 10 W 조건에서 최대 14.19%,
100 W 조건에서 최소 1.34%의 효율 개선 효과를 보였다. 50 W 이상의 출력 구간에서 제안 회로의 효율 개선 폭이 감소하는 것은 출력 전력
증가에 따라 $L_2$ 전류의 RMS 값이 증가하여 $L_2$의 전력 손실이 증가한 것으로, 실제 $L_2$의 구동 온도 역시 출력 전력이 증가함에
따라 상승하는 것을 확인하였다.
그림 11. 제안 회로와 기본 boost converter의 효율 비교
Fig. 11. Comparison of the efficiency between the proposed circuit and the conventional
boost converter
제안 회로의 스위칭 손실 개선 효과를 검증하기 위해 $V_{IN} = 24$ V, $V_O = 100$ V, $f_{SW} = 350$ kHz, $P_O
= 100$ W, 주변 온도 24 $^\circ$C, 동작 시간 30분 조건에서 BOSCH GCT6000C 열화상 카메라를 사용하여 구동 온도를 측정하였다.
방열판을 사용하지 않은 제안 회로와 14 mm × 14 mm 크기의 방열판을 $SW$에 적용한 기존 boost converter를 대상으로 측정하여
비교한 결과 (그림 12), 제안한 회로의 $SW$ 구동 온도는 65.5 $^\circ$C로 나타난 반면, 기존 boost converter의 $SW$ 구동 온도는 방열판
상부에서 79.2 $^\circ$C, 방열판 하부 PCB 접촉면에서 105.5 $^\circ$C로 측정되었다. 이는 제안 회로가 기존 boost converter
대비 $SW$ 구동 온도를 최대 40 $^\circ$C까지 낮추는 개선 효과가 있음을 보여준다. 제안한 회로의 다이오드 $D_1$, $D_2$, $D_3$,
$D_4$의 구동 온도는 각각 43.3 $^\circ$C, 42.2 $^\circ$C, 38.9 $^\circ$C, 35.1 $^\circ$C를 보여
$D_1$의 손실이 가장 높고 $D_4$의 손실이 가장 낮은 경향을 보였다. 반면, 기존 boost converter의 다이오드 $D$의 구동 온도는
제안 회로의 $D_1$보다 1.6 $^\circ$C 높은 44.9 $^\circ$C를 나타내었다.
그림 12. 제안 회로와 기본 boost converter의 구동 온도 비교
Fig. 12. Comparison of the operating temperature between the proposed circuit and
the conventional boost converter
$V_{IN} = 24$ V, $V_O = 100$ V, $f_{SW} = 350$ kHz, $P_O = 100$ W 조건에서 제안 회로의 on/off
과도 구간 특성을 분석하기 위하여 $V_O$, $V_{C2}$, $V_{IN}$ 및 $I_O$ 파형을 측정하였다(그림 13). 제안 회로는 입력 전압 24 V 인가 후 약 178 ms 후에 정상상태에 도달하였으며, 입력 전원을 제거한 후 약 114 ms 후에 출력 전압이
0 V에 도달하였다.
그림 13. 제안 회로의 on/off 과도 구간 특성
Fig. 13. On/off transient characteristics of the proposed circuit
또한, 부하 변화에 따른 출력 전압 변동 특성을 확인하기 위해 $V_{IN} = 24$ V, $V_O = 100$ V, $f_{SW} = 350$
kHz 조건에서 출력전류를 0.2 A에서 0.8 A로 변화시켜 측정하였다(그림 14). 출력전류가 감소하는 순간 약 0.3 V의 전압 상승이 관측되었으며, 정상상태로 복귀하기까지 약 2.08 ms가 소요되었다. 반대로 출력전류가
증가하는 구간에서는 약 0.25 V의 전압 강하가 발생하였고, 정상상태로 복귀하기까지 약 1.28 ms가 소요되었다.
그림 14. 제안 회로의 부하 응답 특성
Fig. 14. Load response characteristics of the proposed circuit
6. 결 론
본 논문은 boost converter의 스위칭 손실을 개선하기 위해 인덕터 1개, 커패시터 2개, 다이오드 3개로 구성되는 passive snubber를
제안하였다. 추가된 인덕터 $L_2$는 $SW$가 turn-on 되는 순간 $I_{IN}$을 $SW$와 $C_2$로 전류 분배하여 $SW$가 ZCS
조건에서 turn-on 되도록 한다. 또한, $C_1$과 $C_2$의 충-방전 동작을 이용하여 $SW$ 전압 스트레스를 개선하였다. 이러한 효과로
제안 회로는 기존 boost converter 대비 스위칭 turn-on 손실과 turn-off 손실을 모두 개선할 수 있다. 제안 회로의 스위칭
손실 개선 효과를 검증하기 위해 100 W급 proto-type을 제작하여 기존 boost converter와 $V_{IN} = 24$ V, $V_O
= 100$ V, $f_{SW} = 350$ kHz 조건에서 효율을 비교하였다. 측정 결과 10 W에서 최대 14.19%, 100 W에서 최소 1.34%의
효율 개선 효과를 보였다. 동일 조건에서 제안 회로의 $SW$ 구동 온도는 방열판이 없는 조건에서 기존 boost converter 대비 최대 40
$^\circ$C 감소하는 것을 확인하였다. 이러한 결과는 고효율, 고신뢰성 boost converter 설계에 기여할 수 있을 것으로 기대된다.
References
Hyung-Jin Choe, 2023, A Study on the Reduction of Switching Power Loss in Quadratic
Boost Converter for Energy Harvesting of Switch Board, The transactions of The Korean
Institute of Electrical Engineers, Vol. 72, No. 9, pp. 1047-1056

S. Gopinathan, V. S. Rao, S. Kumaravel, 2023, Enhanced Voltage Gain Boost DC-DC Converter
With Reduced Voltage Stress and Core Saturation, IEEE Transactions on Circuits and
Systems II: Express Briefs, Vol. 70, No. 8, pp. 3019-3023

I. Casallas, 2021, A Novel Single-Inductor Bipolar-Output DC/DC Boost Converter for
OLED Microdisplays, Energies, Vol. 14, pp. 6220

I. Jeon, 2013, An 80-V integrated boost converter for piezoelectric actuators in smartphones,
Analog Integrated Circuits and Signal Processing, Vol. 75, No. 3, pp. 531-537

S.-H. Ham, H.-J. Choe, 2019, Miniature DC-DC Boost Converter for Driving Display Panel
of Notebook Computer, Energies, Vol. 12, pp. 2924

K.-M. Cho, 2010, A continuous current mode boost converter with modified flying capacitor
lossless snubber, pp. 2907-2912

S. R. B. Shah, S. M. Tadvin, M. R. T. Hossain, 2018, A Brief Review of Active Snubber
Circuits for Boost Converter, pp. 1-6

Y. Zhao, W. Li, X. He, 2012, Single-phase improved active clamp coupledinductor-based
converter with extended voltage doubler cell, IEEE Trans.Power Electron., Vol. 27,
No. 6, pp. 2869-2878

J.-Y. Lin, C.-T. Chen, Y.-F. Lin, 2025, A Novel Hybrid Cascaded and Stacked Coupled
Inductor Boost Converter With Active Clamping Zero-Voltage Switching, IEEE Access,
Vol. 13, pp. 608-617

S. Sadaf, 2021, A New High Gain Active Switched Network-Based Boost Converter for
DC Microgrid Application, IEEE Access, Vol. 9, pp. 68253-68265

J.-J. Lee, B.-H. Kwon, 2008, Active-clamped ripple-free DC/DC converter using an Input-Output
coupled inductor, IEEE Trans. Ind. Electron., Vol. 55, No. 4, pp. 1842-1854

H.-D. Liu, A. S. Jana, C.-H. Lin, 2024, An Improved High Gain Continuous Input Current
Quadratic Boost Converter for Next-Generation Sustainable Energy Application, IEEE
Transactions on Circuits and Systems II: Express Briefs, Vol. 71, No. 5, pp. 2839-2843

S. Sarani, 2024, An Isolated High Boost Ratio DC-DC Converter With Very Low Input
Current Ripples, IEEE Transactions on Circuits and Systems II: Express Briefs, Vol.
71, No. 9, pp. 4331-4335

R. Rajesh, N. Prabaharan, T. K. Santhosh, 2023, Design and Analysis of a Non-Isolated
DC-DC Converter With a High-Voltage Conversion Ratio, IEEE Transactions on Circuits
and Systems II: Express Briefs, Vol. 70, No. 6, pp. 2036-2041

R. Parvari, M. Zarghani, S. Kaboli, 2018, RCD snubber design based on reliability
consideration: A case study for thermal balancing in power electronic converters,
Microelectronics Reliability, Vol. 88-90, pp. 1311-1315

저자소개
He received his M.S. degree from Tongmyong University, Busan, Korea, in 2016, and
is currently pursuing a Ph.D. degree in Electrical, Electronic, and Information Communication
Engineering at the same university. He obtained the Professional Engineer qualification
in Building Electrical Facilities in 2007. His research interests include building
electrical systems and power semiconductor devices for loss reduction in boost converters.
He received the M.S. and Ph.D. degrees in electrical engineering from the Pohang University
of Science and Technology, Pohang, South Korea, in 2011 and 2014, respectively. He
worked at LG Display Co., Ltd., from 2014 to 2019. He is currently an Associate Professor
with Tongmyong University since 2019. His research interests include the new converter
topologies and soft-switching techniques.