• 대한전기학회
Mobile QR Code QR CODE : The Transactions of the Korean Institute of Electrical Engineers
  • COPE
  • kcse
  • 한국과학기술단체총연합회
  • 한국학술지인용색인
  • Scopus
  • crossref
  • orcid

  1. (Dept. of SMART Railway System, Korea National University of Transportation, Republic of Korea.)



Lightning Arrester for Railway Overhead Lines, On-Train Test, RC-Bank, Parallel Operation of Main Transformer, Smart Power Quality Improvement Device

1. 서 론

대도시 및 광역권 인구 증가와 교통량 증가는 매우 중요한 사회문제로 여겨진다. 시민들의 생활 여건 향상과 밀접한 관련으로 지역의 요구들로 인하여 수도권 전철 노선의 확장이 활발하게 진행되고 있다. 도심 주요 대중교통 수단인 도시 전철의 안정적인 운행은 매우 중요하게 고려되고 있다. 특별히 신규 차량 투입이나 신규 노선의 경우에는, 예상치 못한 문제들이 개통 전 및 초기 영업 운영 과정에서 발생하기도 한다.

경원선의 경우 복선전철 연장사업의 일환으로 동두천~연천간 단선구간(20.3 km) 전철이 2023년 12월 6일 개통되었다. 해당 구간은 5개 동두천역, 소요산역, 청산역, 전곡역, 연천역으로 구성되며, 10량 1편성의 전동열차가 24분 간격으로 운행 중이다. 그러나 개통 전‧후로 총 6회의 전차선 급전 케이블 보호용 피뢰기 절연파괴로 전력공급 중단 사고가 발생하였다.

본 연구는 경원선(동두천~연천) 구간에서 발생한 전력품질 이슈를 계기로, 전차선 급전 전압의 허용 범위와 차량 급전 협조 기준을 충족하는 운전 조건을 재정립하고자 하였다[1,2]. 전력품질 현상은 운행 신뢰성과 직결된다[12]. 정밀점검결과 일부 접지 누락 지점이 발견되었고, 열화상 측정 및 전력품질분석을 통해 누설전류가 기준치를 초과함을 확인하였다. 이에 따라 연천 SSP에는 RC-Bank를 설치하고, 의정부 SS 주변압기를 단독운전에서 병렬운전으로 전환하여 급전계통의 안정화를 도모하였다. 이후 병렬급전을 해제하려는 방안으로 스마트전력품질개선장치(SPQ, Smart Power Quality Compensator)를 의정부 SS에 설치하고 현차시험을 통해 성능을 검증하였다[3,4,6].

본 논문의 2장에서는 경원선 전철 급전계통의 전차선 케이블 보호용 피뢰기 절연파괴 현상 현황에 대하여 살펴보고, 제안된 대책에 따른 결과를 소개한다. 누설전류 및 고조파 왜형률이 기준치를 초과함을 확인하였고, RC-Bank 설치 및 주변압기 병렬운전 등의 초기 대응을 통해 열차 운행을 안정적으로 재개하는 과정들을 소개한다. 3장에서는 스마트전력품질개선장치 도입으로 단독운전 조건에서 현차시험을 수행한 결과와 전력품질 향상을 위한 스마트전력품질개선장치 적용한 결과를 분석하였다. 마지막으로 4장의 결론을 제시한다.

2. 전차선 급전 케이블 보호용 피뢰기 절연파괴

2.1 절연파괴 및 피뢰기 소손 현황

전철 개통 전 및 영업운행 기간 중 총 6번에 걸쳐 연천 SSP, 한탄강 SSP 전차선 급전 케이블 보호용 피뢰기 절연이 파괴되어 전차선로 단전(동두천 SP~연천 SSP)이 발생하였다. Fig. 1은 동두천 SP-연천 SSP 구간 급전계통도 및 피뢰기 절연파괴 발생지점을 나타낸다. 특히 연천 SSP와 한탄강 SSP 구간에서 반복적으로 문제가 발생하였으며, 문제 원인 규명을 위해 2024년 2월 16일부터 2월 24일까지 열차 운행을 중단하고 버스 대체 수송이 진행되기도 하였다. 위 기간에 절연파괴 현황은 Table 1과 같이 정리하였다.

총 6회에 걸쳐 전차선 급전 케이블 보호용 피뢰기 절연파괴가 발생하였으며, 해당 소손된 피뢰기에 대한 사진들은 Fig. 2와 같다. 5회의 피뢰기 절연파괴는 A사 제품에서 발생되었으며, B사 제품에서 1회 피뢰기 절연파괴가 발생되었다. Fig. 2에서는 파손된 피뢰기를 분명하게 확인할 수 있다.

그림 1. 동두천 SP-연천 SSP 급전계통도 및 피뢰기 절연파괴 발생지점.

Fig. 1. Dongducheon SP–Yeoncheon SSP traction power feeding system diagram and location of surge arrester insulation failure.

../../Resources/kiee/KIEE.2026.75.1.182/fig1.png
표 1. 전차선로 트립 현황 정리.

Table 1. Summary of Trip Events on the Overhead Contact System (OCS).

횟수 일시 내용
1차 2023.12.11. 연천 SSP 전차선측 피뢰기 소손
2차 2024. 2.15. 연천 SSP 전차선측 피뢰기 소손
3차 2024. 2.16. 연천 SSP 전차선측 피뢰기 소손
4차 2024. 2.16. 연천 SSP 전차선측 피뢰기 소손
5차 2024. 2.16. 한탄강 SSP 전차선측 피뢰기 소손
6차 2024. 2.18. 연천 SSP 전차선측 피뢰기 소손
그림 2. 피뢰기 소손 사진.

Fig. 2. Surge arrester failure.

../../Resources/kiee/KIEE.2026.75.1.182/fig2.png

2.2 원인 분석

피뢰기 절연파괴 원인을 분석하는 동안에 경원선 동두천~연천간 열차 운행이 중지되었다. 원인 규명을 위하여 동두천~연천간 전차선로 접지계통 및 보호선 정밀 점검을 시행하였고, 일부 접지단자함내 매설접지 누락개소를 발견하고 조치를 진행하였다. Fig. 3은 매설접지 누락개소에 대한 조치 현장 상황을 보여주고 있다.

한탄강 SSP와 연천 SSP에서 피뢰기 누설전류, 열화상 측정 및 전력품질을 분석하여 데이터를 확보하였다. 원인 규명을 위한 현차시험(동두천↔연천)을 시행하였으며, 이때 누설전류가 기준값(1 mA 이하)을 초과함을 확인하였다[57]. 누설전류 측정 결과는 Table 2와 같이 요약할 수 있다.

그림 3. 매설접지 누락개소 조치.

Fig. 3. Corrective measures at locations with missing buried grounding.

../../Resources/kiee/KIEE.2026.75.1.182/fig3.png
표 2. 누설전류 측정 결과.

Table 2. Leakage current measurement results.

../../Resources/kiee/KIEE.2026.75.1.182/tb2.png

한탄강 SSP에서는 도수계 측정값이 최대 6mA이었으며 후크미터 측정값은 최대 4.21mA로 측정되었다. 연천 SSP에서는 도수계 측정값이 최대 12mA이었으며 후크미터 측정값은 최대 9.04mA로 측정되었다. 연천 SSP에서 누설전류가 한탄강 SSP에서 누설전류보다 2배 이상 높은 것을 확인할 수 있었다.

2.3 제안 대책

연천 SSP–의정부 SS 간의 공진주파수를 확인하고, 전차선로의 선로 정수와 열차 제원을 기반으로 한 모델링을 통해 연천 SSP에 RC-Bank를 Fig. 4와 같이 설치하였다[3,10,11].

그림 4. 연천 SSP RC-Bank 설치.

Fig. 4. Installation of the RC-Bank at Yeoncheon SSP.

../../Resources/kiee/KIEE.2026.75.1.182/fig4.png

RC-Bank는 수동 필터로서 계통 임피던스 주파수 응답을 조정하여 특정 고조파에서의 공진·증폭을 억제한다. 필터 R/C 파라미터는 Norton 등가 및 임피던스 스캔 결과를 바탕으로 결정하였고, 계획레벨준수를 목표로 조정하였다[3,10,11,12].

2.3.1 RC-Bank 고조파 저감 원리

전기철도 급전계통은 분포정수회로로 표시될 수 있으며 전원 변압기를 포함한 전원측 임피던스는 유도성으로 급전계통의 정전용량과 고차 주파수에서 병렬공진하는 문제가 발생한다[16]. 이 고조파는 급전계통의 조건에 따라 공진 대역에서 고조파 전류가 상승한다. 즉 병렬공진은 변전소 임피던스 ZS와 전차선로 정전용량의 임피던스 ZC가 같은 조건에서 발생하므로 공진 발생 조건은 아래와 같이 식 (1), 공진주파수는 식 (2)로 나타낼 수 있다[16].

(1)
$$ Z_{S}+ Z_{0}\times{coth}(\gamma\bullet\ell)= 0 $$

여기서 ZS는 전원 임피던스로 전용 변압기 임피던스를 포함하고 있다. 선로 특성임피던스 $Z_{0}=\sqrt{Z/Y}$이며 여기서 Y = jωC는 선로 어드미턴스이다. 선로의 전파정수 $\gamma =\sqrt{ZY}$ 이며 선로의 길이는 ℓ 이다.

공진주파수는 선로 긍장이 비교적 짧고, $\gamma\bullet\ell\ll 1$ 이라고 볼 수 있는 범위 이내에서는 공진주파수 f 는 다음 식 (3)와 같다[16].

(2)
$$ f =\dfrac{1}{2\pi\bullet\sqrt{LC\bullet\ell}} $$

즉, 공진주파수는 선로 길이 ℓ 에 대해 $1/\sqrt{\ell}$의 관계로 거의 반비례하므로 급전거리가 길면 공진주파수는 작아진다. 또한 $\gamma\bullet\ell\ll 1$ 경우 ${coth}(\gamma\bullet\ell)= 1$이 되므로 ${Z}_{{S}}+{Z}_{0}= 0$이 된다[16].

또한, 전동차가 있는 위치에서의 급전구분소 방향의 임피던스를 ${Z}_{{SP}}$라고 할 때 ${Z}_{{SP}}$는 식 (3)과 같이 표현된다[16].

(3)
$$ Z_{SP}= Z_{0}\times\tan h(r\ell +\theta_{SP}) $$

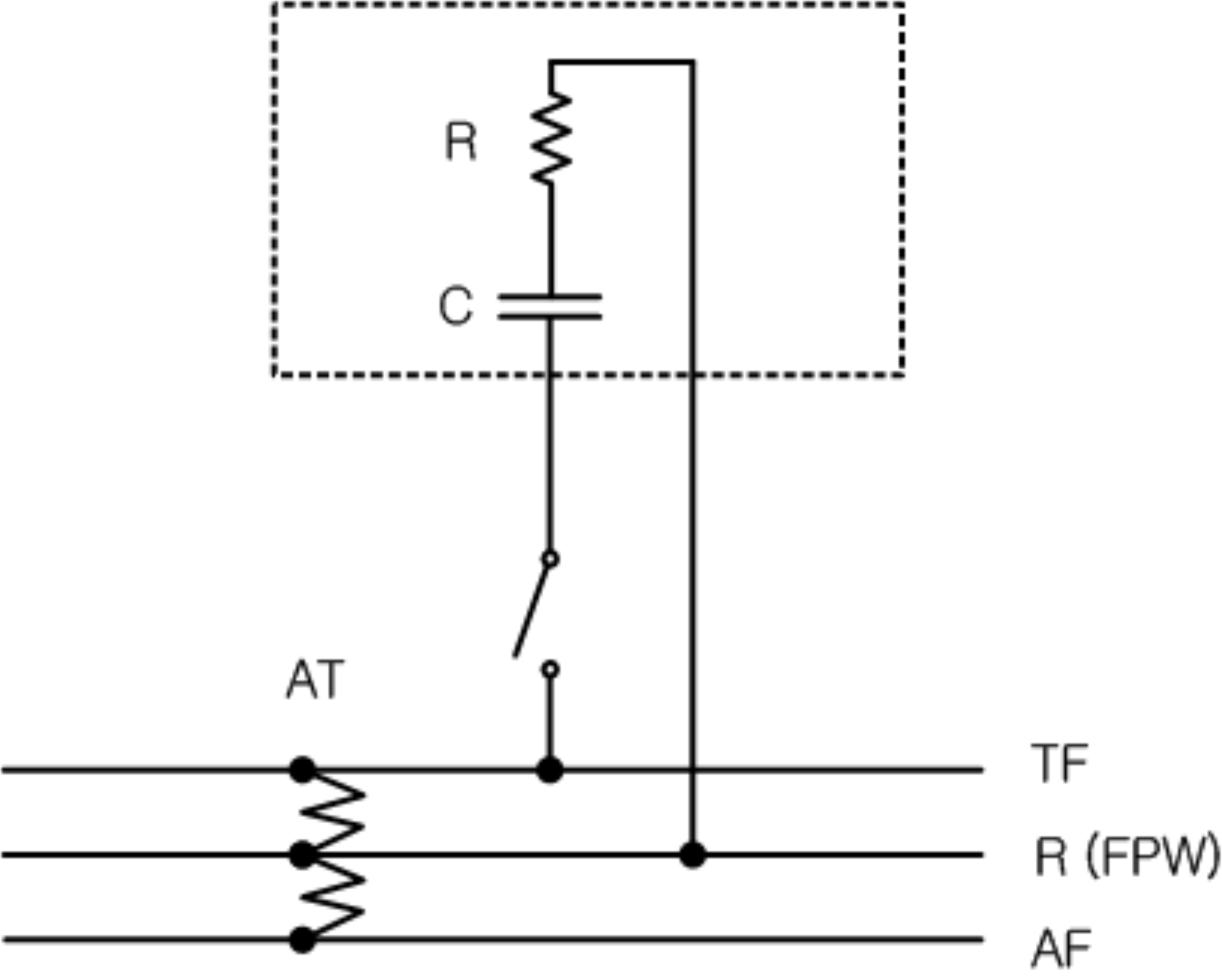
여기서, $\theta_{{SP}}=\tan{h}^{-1}\times{Z}_{{CR}}/{Z}_{0}$ 이다. 즉 RC-Bank를 이용하여 임피던스 ${Z}_{{CR}}$을 특성임피던스 ${Z}_{0}$와 같게 하면 $\theta_{{SP}}=\infty$가 되어 전기차량의 위치에 상관없이 특성임피던스는 공진 현상을 일으키지 않게 된다. 이와같이 급전회로의 고차 공진은 공진이 현저히 확대되는 급전 말단 개소에서 선로의 특성임피던스와 같은 값의 저항으로 단락하면 억제 효과를 볼 수 있다[17]. 이에 따라 국내에서는 급전구분소에서 전차선과 레일 사이에 RC-Bank를 연결하여 공진에 따른 고차 고조파의 확대에 대응하고 있다. Fig. 5는 국내에 설치되어있는 고조파저감설비RC-Bank의 결선을 나타내고 있다[16].

그림 5. 국내 RC-Bank 결선 예.

Fig. 5. The example of RC-Bank connection.

../../Resources/kiee/KIEE.2026.75.1.182/fig5.png

2.3.2 RC-Bank 설치 후 결과

의정부 SS 주변압기를 단독운전에서 병렬운전으로 전환하여 현차시험(동두천↔연천)을 시행한 결과, 의정부 SS 병렬운전+연천 SSP RC-Bank 투입 운영한 결과가 가장 효과적이었다. 따라서 위 두 조건으로 급전계통을 운용하여 동두천~연천 전동열차 운행을 재개하였다. 특정 구간(전곡~연천역)에서 선로 특성상 급상구배(19‰)로 속도를 내기 위해서는 많은 견인력이 필요하고 이 구간이 누설전류가 높게 측정이 되어 서행구간 표지를 설치하여 72.250~72.480km 구간을 45km/h로 전동열차 속도를 제한하여 운행하도록 하였다. 서행구간 표지판은 Fig. 6과 같이 설치하였다.

그림 6. 서행구간 표지.

Fig. 6. Trackside speed restriction sign.

../../Resources/kiee/KIEE.2026.75.1.182/fig6.png

2.4 전철변전소 고조파 허용기준

한국철도의 전철변전소 급전설비와 전차선로에 대하여 시설물검증 절차에서 전력품질시험은 고조파 및 전압불평형을 측정‧평가하며 그 기준은 전기를 공급하는 사업자(KEPCO)측의 “송전계통 고조파 관리기준, 한전 기본공급약관 및 시행세칙”등을 인용하여 규정하고 있으며, 교류 전기철도시스템이 해당되는 계통전압 66 kV이상 시스템에서 고조파 전압% 허용기준은 Table 3과 같다[18].

Table 3에서 허용기준은 “부하(철도)측의 고조파 전압 목표 수준이며, 부하의 접속으로 인해 변동 가능한 고조파 전압% 허용 수준을 의미 한다”고 규정하고 있으며, 산정된 고조파 전류 유출 제한값을 초과하면 전기사업자는 고객측(전력수용가=철도)에 고조파 저감을 위한 대책을 추가로 요구하도록 규정하고 있다[18].

표 3. 고조파 허용기준(66 kV 이상의 경우).

Table 3. Permissible Harmonic Limits (66 kV and above).

3의 배수가 아닌
기수 고조파
3의 배수인
기수 고조파
우수 고조파
차수h 고조파
전압%
차수h 고조파
전압%
차수h 고조파
전압%
5 1.8 3 1.5 2 0.6
7 1.5 9 0.5 4 0.3
11 1.1 15 0.1 6 0.2
13 0.9 21 0.1 8 0.2
17 0.6 27 0.1 10 0.1
19 0.5 33 0.1 12 0.1
23 0.4 39 0.1 14 0.1
25 0.4 45 0.1 16 0.1
29 0.3 18 0.1
31 0.3 20 0.1
35 0.2 22 0.1
37 0.2 24 0.1
41 0.2 26 0.1
43 0.2 28 0.1
47 0.2 30 0.1
49 0.2 32 0.1
34 0.1
36 0.1
38 0.1
40 0.1

2.4.1 고조파의 표현 및 규제

전기철도 차량에서 발생한 고조파 전류는 선로의 용량성과 유도성 임피던스로 인하여 특정 조파에서 공진되어 고조파 전류 확대 현상을 일으키며 이로 인해 정현파를 왜곡하게 되는 원인이 된다. 아래의 식 (4)와 같이 고조파 전압 Un은 주파수 fn의 고조파 전류와 선로에 있는 인덕턴스 Ls 및 전류 In으로 표현된다.

(4)
$$ U_{n}= I_{n}\bullet 2\pi\bullet f_{n}\bullet L_{s} $$

또한, 고조파의 발생 정도는 종합고조파왜형률(THD)로 표현되며 전압 왜형률은 식 (5)와 식 (6)과 같이 고조파 전압 또는 전류 실효치와 기본파 실효치의 비로 표현된다.

(5)
$$ V_{THD}=\dfrac{\sqrt{V_{2}^{2}+V_{3}^{2}+\bullet\bullet\bullet +V_{n}^{2}}}{V_{1}}=\dfrac{\sqrt{\sum_{i=2}^{n}V_{i}^{2}}}{V_{1}} $$
(6)
$$ I_{THD}=\dfrac{\sqrt{\sum_{i=2}^{n}I_{i}^{2}}}{I_{1}} $$

등가방해전류(EDC: Equivalant Distortion Current)는 식 (7)과 같이 표현되며 통신선에 영향을 주는 고조파 전류로 규제하고 있다.

(7)
$$ I_{EDC}=\sqrt{\sum_{n=1}^{\infty}(S_{n}^{2}\times I_{n}^{2})} $$

여기서 $S_{n}$은 잡음평가계수이고 $I_{n}$는 고주파전류이다.

전동차에서 발생한 고조파는 인접 통신선에 유도장해를 일으키거나 연계된 전력계통에서 각종 기기의 오동작과 소손을 일으키는 등 다양한 부작용을 발생시킨다. 따라서 미국의 IEEE std. 519 등 각국에서는 고조파 관리 규정을 두어 관리하고 있다[19]. 국내에서는 한국전력공사 전기설비 이용 규정에 Table 4와 같이 규정되어 있으며 그 적용은 한전과 수요자의 접속점 PCC(Point of common coupling)을 기준으로 한다.

표 4. 국내 고조파 허용 기준치.

Table 4. Permissible Harmonic Limits in Korea.

구분 지중선로가 있는
변전소에서 공급하는
고객
가공선로가 있는
변전소에서 공급하는
고객
전압
왜형률(%)
등가방해
전류(A)
전압
왜형률(%)
등가방해
전류(A)
66 kV 이하 3 - 3 -
154 kV 이상 1.5 3.8 1.5 -

2.5 현차 시험 및 측정

고조파는 운용 시스템에 매우 심한 손상을 일으킬 수 있어서, DEWE-2600-PM-1000 장비를 통해 가선전압 및 고조파를 실시간 측정하였다. 시험 및 측정은 다음 두 조건에서 수행되었다[5, 6, 7].

-시험 1: 의정부 SS 주변압기 단독운전+연천 SSP RC-Bank 개방

-시험 2: 의정부 SS 주변압기 병렬운전+연천 SSP RC-Bank 투입

의정부 SS 주변압기 단독 운전하면서 연천 SSP RC-Bank 개방하면, 의정부 SS~연천 SSP 구간 가선전압 및 고조파는 Fig. 7(a) 와 같다. 시험 1 전압 파형은 RMS(실효값)가 약 31.7kV, Peak(최대 피크)는 약 63.7kV를 나타내며, 고조파가 섞여 있어 파형이 찌그러져 보인다. 오른쪽 주파수 스펙트럼은 17차 고조파가 우세하며 크기는 약 20.9kV이다.

의정부 SS 주변압기 병렬 운전하면서 연천 SSP RC-Bank 투입하면, 의정부 SS~연천 SSP 구간 가선전압 및 고조파는 Fig. 7(b)과 같다. 시험 2 전압 파형은 RMS(실효값)가 약 27.9kV, Peak는 약 42.0kV를 나타내며, 파형이 거의 정현파에 가깝다. 오른쪽 주파수 스펙트럼 17차 고조파의 크기는 약 60V로 왜곡은 크지 않은 것으로 보인다.

그림 7. 가선전압 및 고조파 측정 결과. (a) 시험 1. (b) 시험 2.

Fig. 7. Catenary voltage and harmonics: (a) Test 1. (b) Test 2.

../../Resources/kiee/KIEE.2026.75.1.182/fig7.png

2.6 시험 결과 및 분석

현차시험 결과 의정부 SS 주변압기 단독운전 상태에서 17차 고조파가 선로 공진으로 인해 증폭되는 현상이 발생(20.9kV)하였으며, 병렬운전으로 전환 후 17차 고조파의 증폭 현상은 발생하지 않았다(60V). 병렬운전으로 인해 선로의 임피던스가 변경되어 선로 공진점이 이동하여 증폭 현상이 사라진 것으로 추정되며, 변전소 급전 구간에서 먼 구간(연천역 인근)으로 갈수록 25차 및 55차 고조파가 증가하는 현상이 발생하였다. 55차 고조파의 경우 C/I 스위칭 동작으로 인해 발생하는 고조파이며, 25차 고조파의 경우 타 차량에서 발생하는 스위칭 동작으로 인해 발생한 고조파로 추정이 된다[3,4,10,11].

3. 스마트 전력품질 개선 장치 설치 및 효과 검증

3.1 스마트 전력품질 개선 장치

스마트전력품질개선장치(SPQ)는 전기철도의 급전계통에서 발생하는 전력품질, 즉 전압변동, 진상/지상역률 저하, 고조파 왜곡 등을 통합적으로 개선하기 위한 장치로, 이를 의정부 SS에 설치하고, 전력품질 성능검증을 통하여 효과를 확인하였다[8-10]. 변전소용 SPQ는 STATCOM (Static Synchronous Compensator) 방식의 전압강하 보상, 진상/지상역률 보상 및 고조파 저감용 장치로서, 열차 부하 변동 시 전압 안정과 왜곡 저감을 동시에 달성하도록 설계되었다.

해당 원리는 국내 철도 급전계통 적용사례와도 일치한다[15]. 스마트 전력품질 개선 장치의 효과를 확인하면 주변압기 병렬운전을 해제할 수 있을 것으로 기대된다.

그림 8. STATCOM 시스템 구성도.

Fig. 8. STATCOM System Configuration Diagram.

../../Resources/kiee/KIEE.2026.75.1.182/fig8.png

3.1.1 STATCOM 구성

STATCOM은 인버터, 계통연계 변압기, DC 커패시터 뱅크 등으로 구성된다. STATCOM은 SVC에 비해 설치비용이 높지만 다른 전력 보상 장치보다 빠른 응답특성을 얻을 수 있으며 연속적인 무효전력 보상이 가능하다. Fig. 8은 STATCOM의 시스템 구성도이다[20].

3.1.2 STATCOM 전압강하 보상

부하단의 전압강하는 Fig. 9와 같이 선로 임피던스에 부하전류가 흘러서 발생한다.

그림 9. 부하단의 전압강하 발생.

Fig. 9. Voltage Drop at the Load End.

../../Resources/kiee/KIEE.2026.75.1.182/fig9.png

전압강하율 $\varepsilon(\%)$은 아래의 식 (1)로 표현된다.

(8)
$$ \varepsilon =\dfrac{V_{0}- V_{R}}{V_{0}}\times 100 $$

${V}_{0}$와 ${V}_{{R}}$의 위상차가 매우 낮을 시 전압강하율 $\varepsilon(\%)$은 아래 식 (2)로 나타낼 수 있다.

(9)
$$ \begin{align*} \varepsilon &=\dfrac{I_{L}\times Z}{V_{0}}\times\cos(\theta -\gamma)\times 100\\ &= \dfrac{I_{L}\times Z}{V_{0}}\times(\cos\gamma\cos\theta +\sin\gamma\sin\theta)\times 100\\ &= \dfrac{I}{V_{0}^{2}}\times(P_{L}R + Q_{L}X)\times 100 \end{align*} $$

따라서, 무효전력 ${Q}_{{L}}$을 조절하여 식 (10)과 같이 전압강하를 보상할 수 있다.

(10)
$$ \varepsilon =\dfrac{I}{V_{0}^{2}}\times\left\{P_{L}R +(Q_{L}- Q_{C})X\right\}\times 100 $$

STATCOM에서 보상 무효전력 ${Q}_{{C}}$를 식 (11)과 같이 발생시키면, 이론적으로 전압강하를 0으로 만들 수 있다[21].

(11)
$$ Q_{C}= Q_{L}+\dfrac{R}{X}P_{L} $$

3.2 현차시험 수행

의정부 SS에 M상(15 Mvar) 및 T상(15 Mvar) 전력품질장치를 설치하고, 전동열차 3편성(의정부↔동두천 1대, 동두천↔연천 2대)을 운행(2025-03-11 00:45~03:50)하여 실부하에서 시험을 진행하면서 동시에 SPQ를 가동하여 각 시험 조건별로 보상성능을 확인하였다.

Table 5는 세 가지 시험 조건을 보여주고 있다. 시험#1은 의정부 SS 주변압기 단독운전+연천 SSP RC-Bank 투입 조건, 시험#2는 구리 SS 연장급전+연천 SSP RC-Bank 투입 조건, 시험#3은 의정부 SS 주변압기 단독운전+연천 SSP RC-Bank 개방 조건이다.

표 5. 시험 조건.

Table 5. Test conditions.

시험 조건
TEST 1 의정부 SS 주변압기 단독운전
+ 연천 SSP RC-Bank 투입 조건
TEST 2 구리 SS 연장급전
+ 연천 SSP RC-Bank 투입 조건
TEST 3 의정부 SS 주변압기 단독운전
+ 연천 SSP RC-Bank 개방 조건

3.2.1 의정부 SS 주변압기 단독운전+연천 SSP RC-Bank 투입 조건

TEST 1은 의정부 SS 주변압기 단독운전 및 연천 SSP RC-Bank 투입 조건으로, 의정부↔동두천↔연천 간 전동열차 3편성 실부하 시험 결과 의정부 SS T상(용산방면)(C: 하선 / D: 상선) 전압, 전류, 유효전력, 무효전력을 측정하였다.

Fig. 10은 전압, 전류, 유효전력, 무효전력 측정 결과를 시간에 따라 보여주고 있다. 전압(Vrms)은 평균 약 54.5 kV 근처로 기준(55 kV) 대비 안정하고, 전류(Irms)는 시간대에 따라 수 암페어에서 수십 암페어로 변동하였다. 유효전력(P, kW)은 견인‧회생을 반영한 운행 이벤트로 ±방향 변동이 나타낸다. 무효전력(Qfund, kvar)은 구간별로 계단 형태의 변화가 뚜렷하게 나타나며, 0 부근을 중심으로 용량성(-) ↔ 유도성(+)이 계단형으로 전환(스위칭/운전 상태 변화)하는 것을 확인할 수 있다.

그림 10. 의정부 SS T상(C: 하선, D: 상선)의 전압·전류·유효전력·무효전력.

Fig. 10. Voltage, current, active power, and reactive power at Uijeongbu SS M phase (C: down line; D: up line).

../../Resources/kiee/KIEE.2026.75.1.182/fig10.png
그림 11. 전압 총고조파왜율(THD) 및 17·23·25차 고조파.

Fig. 11. Voltage total harmonic distortion (THD) and the 17th, 23rd, and 25th harmonics.

../../Resources/kiee/KIEE.2026.75.1.182/fig11.png

고조파 측정결과는 Fig. 11과 같다. 총 고조파전압 왜곡율(THDV)은 SPQ 가동시 약 0.8~1.2% 수준으로 측정되었다. 이는 총 고조파전압 왜곡율 기준치 3% 대비 개선된 값을 유지하였다. 17차, 23차, 25차 전압 고조파도 최대 0.3% 이하로 측정되어 기준치 0.6% 대비 낮게 유지되고 있는 것을 확인할 수 있다[3,4,15].

그림 12. 의정부 SS M상(A: 하선, B: 상선)의 전압·전류·유효전력·무효전력.

Fig. 12. Voltage, current, active power, and reactive power at Uijeongbu SS M phase (A: down line; B: up line).

../../Resources/kiee/KIEE.2026.75.1.182/fig12.png

의정부 SS M상(연천방면)(A: 하선 / B: 상선)에서 전압, 전류, 유효전력, 무효전력 측정 결과는 Fig. 12와 같다. 전압은 평균 약 54 kV 근처로 기준(55 kV) 대비 안정적이며, 전류는 구간에 따라 수십~수백 A로 변동하는 것을 볼 수 있다. 열차 가감속/회생, 유효전력은 양수/음수로 빠르게 오가며 변동(견인↔회생 전력 교대)하고, 무효전력은 0 부근을 중심으로 용량성(-) ↔ 유도성(+)이 계단형으로 전환(스위칭/운전 상태 변화)하는 것을 볼 수 있다.

그림 13. 전압 총고조파왜율(THD) 및 17·23·25차 고조파.

Fig. 13. Voltage total harmonic distortion (THD) and the 17th, 23rd, and 25th harmonics.

../../Resources/kiee/KIEE.2026.75.1.182/fig13.png

고조파 측정결과는 Fig. 13과 같이 나타났다. 총 고조파전압 왜곡률은 SPQ 가동시 최대 3.2% 측정되어 기준(3%) 대비 1.05% 초과하였다. 17차, 23차, 25차 고조파의 경우 0~0.22% 이하로 기준(0.6%) 대비 낮게 유지되고 있는 것을 확인할 수 있다.

연천 SSP A: F1(하선)에서의 전압 및 고조파 전압을 측정한 결과는 Fig. 14과 같다. 전압은 최대 55.0 kV로 기준(55 kV)을 만족하고 있고, 총 고조파 전압 왜곡률은 SPQ 가동시 최대 4% 측정되어 기준(3%) 대비 1.33% 초과하였다.

그림 14. 연천 SSP A상 F1(하선)의 전압 및 전압 총고조파왜율(THD).

Fig. 14. Voltage and voltage total harmonic distortion (THD) at Yeoncheon SSP A phase F1 (Lower line).

../../Resources/kiee/KIEE.2026.75.1.182/fig14.png

고조파의 차수별 측정결과는 Fig. 15과 같다. 17차, 23차, 25차 고조파의 경우 0~0.6% 이하로 기준(0.6%)을 만족하고 있는 것을 확인할 수 있다.

그림 15. 17·23·25차 전압 고조파의 시간 변화(RMS 평균).

Fig. 15. Time series of the 17th, 23rd, and 25th voltage harmonics (RMS average).

../../Resources/kiee/KIEE.2026.75.1.182/fig15.png

3.2.2 구리 SS 연장급전+연천 SSP RC-Bank 투입 조건

TEST 2는 구리 SS 연장급전 및 연천 SSP와 RC-Bank 투입 조건으로 의정부↔동두천↔연천 간 전동열차 3편성 실부하 시험하는 경우이다. TEST 2 결과는 Fig. 16과 같다. 의정부 SS (A: M상 / B: T상)에서 전압은 최저 54.6 kV, 최대 56.5 kV, 기준(50~55 kV) 비지속성 최고전압 58 kV 만족하고 있고, 총 고조파 전압 왜곡률은 SPQ 가동시 약 0.8~1.8% 측정되어 기준(3%) 대비 낮게 유지되고 있으며, 17차, 23차, 25차 고조파도 0~0.2% 이하로 기준(0.6%) 대비 낮게 유지되고 있다[3,4,15].

그림 16. 구리 SS 연장급전 및 연천 SSP RC-Bank 투입 조건: 전압, 전압 THD, 17·23·25차 전압 고조파의 시간 변화.

Fig. 16. Time series of voltage, voltage THD, and the 17th/23rd/25th voltage harmonics under Guri SS extended feeding and Yeoncheon SSP RC-Bank in service.

../../Resources/kiee/KIEE.2026.75.1.182/fig16.png
그림 17. 연천 SSP A상 F1(하선)의 전압 및 전압 총고조파왜율(THD).

Fig. 17. Voltage and voltage total harmonic distortion (THD) at Yeoncheon SSP A phase F1 (Lower line).

../../Resources/kiee/KIEE.2026.75.1.182/fig17.png
그림 18. 17·23·25차 전압 고조파의 시간 변화(평균 RMS).

Fig. 18. Time series of the 17th, 23rd, and 25th voltage harmonics (RMS average).

../../Resources/kiee/KIEE.2026.75.1.182/fig18.png

연천SSP A: F1(하선)에서 전압 및 고조파 전압의 변화는 Fig. 17과 같다. 전압은 최저 53.8 kV, 최대 56.7 kV 측정되어 기준(50~55 kV) 비지속성 최고전압 58 kV 만족하고 있고, 총 고조파 전압 왜곡율(THDV)은 SPQ 가동시 최대 2.9% 측정되어 기준(3%) 이하로 낮게 유지되었다.

차수별 고조파 측정결과는 Fig. 18과 같으며, 17차, 23차, 25차 고조파의 경우 0~0.68% 측정되어 기준(0.6%) 대비 1.13% 초과하였다[3,4,15].

3.2.3 의정부 SS 주변압기 단독운전+연천 SSP RC-Bank 개방 조건

TEST 3은 의정부 SS 주변압기 단독운전 및 연천 SSP RC-Bank 개방 조건으로 의정부↔동두천↔연천 간 전동열차 3편성 실부하 시험하는 것으로, 그 결과 의정부 SS T상(용산방면)(C: 하선 / D: 상선)의 전압, 전류, 유효전력, 무효전력 측정 결과는 Fig. 19와 같다. 전압(Vrms)은 평균 54 kV 내외로 안정을 유지하고, 전류(Irms)는 수 A~100 A 이내로 완만히 변동하는 군집 구간이 보이며, 유효전력(P, kW)은 전류 변화와 동조해 –2,500 kW~+5,000 kW 규모로 들쭉, 운행(견인/회생) 이벤트 반영, 무효전력(Qfund, kvar)은 전체적으로 0 부근에서 소규모로 용량성(-)↔유도성(+) 전환(계단형) 발생, 보상/스위칭 영향으로 추정된다.

그림 19. 의정부 SS 단독운전; 연천 SSP RC-Bank 개방—의정부 SS T상(C: 하선, D: 상선)의 전압·전류·유효전력·무효전력.

Fig. 19. Voltage, current, active power, and reactive power at Uijeongbu SS T phase (C: down line; D: up line) under Uijeongbu SS single feeding with the Yeoncheon SSP RC-Bank open.

../../Resources/kiee/KIEE.2026.75.1.182/fig19.png

Fig. 20은 TEST 3의 경우로 고조파 측정 결과를 보여주고 있다. 총 고조파 전압 왜곡률(THDV)은 SPQ 가동시 0.5~0.97% 측정되어 기준(3%) 대비 낮게 유지되고 있고, 17차, 23차, 25차 고조파의 경우 0~0.2% 측정되어 기준(0.6%) 대비 낮게 유지되고 있다.

그림 20. 전압 총고조파왜율(THD) 및 17·23·25차 전압 고조파.

Fig. 20. Voltage total harmonic distortion (THD) and the 17th, 23rd, and 25th voltage harmonics.

../../Resources/kiee/KIEE.2026.75.1.182/fig20.png

의정부 SS M상(연천방면)(A: 하선 / B: 상선)의 전압, 전류, 유효전력, 무효전력 측정 결과는 Fig. 21과 같다. 전압(Vrms)은 평균 54.5 kV 내외로 안정을 유지하고, 전류(Irms)는 1.4 A~164 A 이내로 완만한 변동(이벤트 때 일시 증가), 유효전력(P, kW)은 전류 변화와 동조해 –5,162 kW~+8,818 kW 규모로 오르내림(견인↔회생 전환 반영), 무효전력(Qfund, kvar)은 0 부근에서 소폭의 용량성(-)↔유도성(+) 전환이 계단형으로 나타남(보상/스위칭 영향)

그림 21. 의정부 SS M상(A: 하선, B: 상선)의 전압·전류·유효전력·무효전력.

Fig. 21. Voltage, current, active power, and reactive power at Uijeongbu SS M phase (A: down line; B: up line).

../../Resources/kiee/KIEE.2026.75.1.182/fig21.png
그림 22. 전압 총고조파왜율(THD) 및 17·23·25차 전압 고조파.

Fig. 22. Voltage total harmonic distortion (THD) and the 17th, 23rd, and 25th voltage harmonics.

../../Resources/kiee/KIEE.2026.75.1.182/fig22.png

고조파를 측정한 결과는 Fig. 22와 같다. 총 고조파 전압 왜곡률(THDV)은 SPQ 가동시 0.4~2.8% 측정되어 기준(3%) 대비 낮게 유지되고 있으며, 17차, 23차, 25차 고조파의 경우 0~0.23% 측정되어 기준(0.6%) 대비 낮게 유지되고 있다.

연천 SSP A:F1(하선)에서 전압, 고조파 전압은 Fig. 23과 같다. 전압은 최저 53.8 kV에서 최대 55.5 kV로 기준(50~55 kV) 비지속성 최고전압 58 kV 만족하고 있고, 총 고조파 전압 왜곡률(THDV)은 SPQ 가동시 6% 측정되어, 기준(3%) 대비 2% 초과하였다.

그림 23. 연천 SSP A상 F1(하선)의 전압 및 전압 총고조파왜율(THD).

Fig. 23. Voltage and voltage total harmonic distortion (THD) at Yeoncheon SSP A phase F1 (down line).

../../Resources/kiee/KIEE.2026.75.1.182/fig23.png

Fig. 24는 차수별 고조파 측정 결과를 보여주고 있다. 17차, 23차, 25차 고조파의 경우 23차 고조파가 0.69% 측정되어 기준(0.6\%) 대비 1.15% 초과하였다.

그림 24. 17·23·25차 전압 고조파의 시간 변화(평균 RMS).

Fig. 24. Time series of the 17th, 23rd, and 25th voltage harmonics (RMS average).

../../Resources/kiee/KIEE.2026.75.1.182/fig24.png

3.3 현차시험 결과 및 분석

의정부 SS 주변압기 단독운전시에도 고조파 왜곡률이 최대 4.1%(연천 SSP)로 확인되어, 열차 정상운행에 문제가 없는 수준인 것으로 확인되었고, 연천 SSP RC-Bank를 개방할 경우, 고조파 왜곡률이 최대 6.0%(연천 SSP)로 확인되어 여전히 열차 정상운행에는 문제가 없는 수준인 것을 확인할 수 있었다. Fig. 25는 의정부 SS 주변압기 단독운전 시, 세 가지 조건에 따른 전압 및 왜형률 변화를 보여주고 있다. 단독운전+SPQ+RC-Bank, 연장급전+SPQ+RC-Bank, 단독운전+SPQ 등 모든 경우에 안정적으로 작동하는 것을 확인할 수 있었다. 이를 통해 의정부 SS 주변압기 단독운전 시 전압은 전압상승이 최대 254V로 매우 안정적이며 왜형률은 최대 2% 수준으로 매우 양호함을 알 수 있었다[3,4,15]. SPQ 설치 후 전반적으로 전력품질이 매우 양호한 결과를 얻을 수 있었다. 따라서 향후 신규 차량 투입이나 신규 노선의 경우에는, 스마트 전력품질 개선 장치(SPQ) 설치를 통하여 예상치 못한 문제들이 개통 전 및 초기 영업운영 과정에서 해결될 수 있을 것으로 판단된다.

그림 25. 운전 조건에 따른 의정부 SS (a) 전압 및 (b) 전압 총고조파왜율(THD) 변화(상태별: SPQ/RC-Bank 조합).

Fig. 25. Variations of (a) voltage and (b) voltage total harmonic distortion (THD) under Uijeongbu SS single feeding (by SPQ/RC-Bank combinations).

../../Resources/kiee/KIEE.2026.75.1.182/fig25.png

4. 결 론

본 연구는 경원선 동두천~연천 전철 구간에서 발생한 피뢰기 절연파괴 및 전력공급 중단 사고의 원인을 분석하고, 이에 대한 개선 대책으로 스마트 전력품질 개선 장치의 적용 가능성을 실증적으로 검토하였다. 스마트 전력품질 개선 장치 설치 이전에는 누설전류 및 고조파 왜형률이 기준치를 초과함을 확인하였고, RC-Bank 설치 및 주변압기 병렬운전 등의 초기 대응을 통해 열차 운행을 할 수 있는 상황을 만들 수 있었다. 이후 스마트 전력품질 개선 장치를 도입하여 단독운전 조건에서 현차시험을 수행한 결과, 전압 안정성과 고조파 저감 효과가 명확히 확인되었으며, 급전계통의 전력품질이 기준 이내로 유지됨을 검증하였다. 특히 스마트 전력품질 개선 장치는 고속철도 변전소에도 확대 적용 중으로, 향후 국내 전철변전소 전반에 스마트 전력품질 개선 장치 도입을 통한 전력품질 향상의 정책적·기술적 타당성을 확인할 수 있는 결과를 보여주었다.

References

1 
2019, Railway applications—Supply voltages of traction systemsGoogle Search
2 
2022, Railway applications—Fixed installations and rolling stock—Technical criteria for the coordination between power supply and rolling stock—Part 1: GeneralGoogle Search
3 
2014, Electromagnetic compatibility (EMC)—Limits—Assessment of emission limits for the connection of distorting installations to MV, HV and EHV power systemsGoogle Search
4 
2014, IEEE Recommended Practice and Requirements for Harmonic Control in Electric Power SystemsGoogle Search
5 
2009, EMC—Testing and Measurement Techniques—General Guide on Harmonics and Interharmonics Measurements and InstrumentationGoogle Search
6 
2015, EMC—Testing and Measurement Techniques—Power Quality Measurement MethodsGoogle Search
7 
2019, IEEE Recommended Practice for Monitoring Electric Power QualityGoogle Search
8 
N. G. Hingorani, L. Gyugyi, 1999, Understanding FACTS: Concepts and Technology of Flexible AC Transmission SystemsGoogle Search
9 
H. Akagi, E. H. Watanabe, M. Aredes, 2017, Instantaneous Power Theory and Applications to Power ConditioningGoogle Search
10 
E. F. Fuchs, M. A. S. Masoum, 2015, Power Quality in Power Systems and Electrical MachinesGoogle Search
11 
J. Arrillaga, N. R. Watson, 2003, Power System HarmonicsGoogle Search
12 
M. H. J. Bollen, 2000, Understanding Power Quality Problems: Voltage Sags and InterruptionsGoogle Search
13 
B.-G. Kim, S.-B. Lee, T.-H. Lee, 2013, A study on improving the safety of KRTCS on-track testsGoogle Search
14 
Y.-J. Cho, S.-D. Jeon, K.-S. Lee, J.-D. Yoon, S.-Y. Moon, J.-H. Kim, J.-S. Lim, J.-S. Yeo, 2022, Configuration of parallel operation method of power transformers in a 154-kV substation and protection systemGoogle Search
15 
J.-H. Choi, 2004, Application of a power quality compensation device to AC railway feeding systems, J. Korean Inst. Illuminating Electr. Installation Eng., Vol. 18, No. 6, pp. 220-229Google Search
16 
G.-H. Son, Y.-E. Choi, C.-H. Kim, T.-G. Ha, J.-W. Kang, J.-M. Kim, 2022, Analysis of the Reduction Effect through R-C Bank due to the Increase Harmonic Resonance in the AC Electric Railway Feeding System, The Transactions of the Korean Institute of Electrical Engineers, Vol. 71, No. 5, pp. 783-788DOI
17 
1997, Electrical System Technical Course, pp. 12Google Search
18 
2023, Basic power supply stipulation article39, detailed enforcement regulations of Basic power supply stipulation article26Google Search
19 
2014, Harmonic control in electric power system, pp. 85Google Search
20 
S. Lee, E.-H. Kim, H. M. Kim, S.-B. Oh, D. Lee, 2015, The Comparison of Operating Characteristics of SVC and STATCOM for Compensating the Reactive Power in the Jeju Power System, Journal of the Korean Solar Energy Society, Vol. 35, No. 3, pp. 49-56DOI
21 
J.-R. Kim, I.-D. Yang, S.-H. Lee, W.-S. Seo, H. Namgoong, J.-H. Ho, 2019, A review on voltage compensation using the MCR method, pp. 130-133Google Search

저자소개

박해산(Hae San Park)
../../Resources/kiee/KIEE.2026.75.1.182/au1.png

He received the M.S. degree in the Seoul National University of Science and Technology in 2023, and currently studying for Ph.D. in the Korea National University of Transportation. He joined the Korea Railroad Administration in November 1998 and was transferred to the Korea Railroad Corporation in January 2005, and am currently in charge of SCADA as an electrical controller at the Railway Traffic Control Center.

강정원(Jeong Won Kang)
../../Resources/kiee/KIEE.2026.75.1.182/au2.png

He received his B.S., M.S., and Ph.D. degrees in electronic engineering from Chung-Ang University, Seoul, Korea, in 1995, 1997, and 2002, respectively. In March 2008, he joined the Korea National University of Transportation, Republic of Korea, where he currently holds the position of Professor in the Department of Transportation System Engineering, the Department of SMART Railway System, and the Department of Smart Railway and Transportation Engineering.