• 대한전기학회
Mobile QR Code QR CODE : The Transactions of the Korean Institute of Electrical Engineers
  • COPE
  • kcse
  • 한국과학기술단체총연합회
  • 한국학술지인용색인
  • Scopus
  • crossref
  • orcid

  1. (Dept. of Electrical Engineering, Soongsil University, Republic of Korea.)



Distribution system, Line loss reduction, Load power variations, Reactive power output, Single Line-to-ground faults, Smart inverters, Undervoltage, Voltage oscillation, Volt-VAR Curve

1. 서 론

기후 위기 대응을 위한 전 세계적인 노력의 일환으로 재생에너지의 중요성이 갈수록 커지고 있다. 대한민국 정부 또한 ‘재생에너지 3020 이행계획’을 통해 2030년까지 전체 에너지 발전량의 20%를 재생에너지로 확대하고자 하는 목표를 갖고 있다[1]. 이러한 정책 추진 과정에서 ‘1MW 이하 소규모 태양광 사업에 대한 무제한 접속 제도’ 시행 이후[2], 신재생 발전원의 불규칙한 출력 변동 특성으로 인한 전력계통의 강건도 저하 문제를 해결하기 위해 많은 연구들이 수행되어왔다[3- 5]. 그러나 결국 2024년 1월, 1MW 이하 신재생에너지 발전 사업자에게 공용 배전설비 보강 비용을 부과하는 ‘송배전용 전기설비 이용규정’이 개정되었으며[6], ‘1MW 이하 소규모 태양광 사업에 대한 무제한 접속 제도’가 종료 결정 이후 9개월의 유예기간을 가진 후 2024년 10월부로 일몰되었다. 이에 따라 태양광 발전 사업자들의 공용 배전설비 비용 부담에 대한 우려가 증가하였다.

사업자의 전력품질 검사 과정에서 강건도 저해 가능성이 확인되어 선로 전압 조정장치(Step Voltage Regulation, SVR)의 설치 필요성이 확인되는 경우, 이는 사업자의 재정 계획에 부담을 줄 뿐만 아니라, 실제 설치 과정에서 계통 연계 지연 등의 문제를 야기할 수 있다. 또한, 재생에너지의 불규칙한 출력 변동 특성을 고려할 때, 미래 배전계통에서 전압 품질 유지 장치의 잦은 동작으로 인한 장치 수명 단축 또한 우려되는 상황이다.

이러한 문제 해결을 위해 최근에는 분산형 전원의 핵심 구성 요소인 인버터를 활용하여 배전망 전압을 효율적으로 관리하는 방안이 주목받고 있다. 그중 스마트 인버터(Smart Inverter; S/I)는 전압변동에 대응하여 무효 혹은 유효 전력을 공급하거나 흡수함으로써 연계점의 전압을 안정화 하는 장치이다. 스마트 인버터의 주요 전압 안정화 방법 중 하나는 전압-무효전력(Volt-VAR) 제어이다. 이 방식은 사전에 정의된 전압-무효전력 곡선을 기반으로 공통 연계점(PCC) 또는 계통 연계점(POI) 전압의 크기에 따라 무효 전력을 제어하여 선로 전압을 관리하는 것을 말한다. 스마트 인버터의 활용은 기존 인버터 기반 분산 전원이 증가함에 따라 발생할 수 있는 계통의 전압 및 주파수 강건도 저하 문제를 효과적으로 해결할 수 있다. 또한, 한국전력공사의 ‘분산형전원 배전계통 연계 기술기준’에 따르면, 인버터 및 계통 연계 장치 자체에 계통 차단 기능이 내장되어 있을 경우 추가적인 보호 장비 설치가 불필요하다는 장점이 있어 사업자의 투자 부담을 줄일 수 있다[7].

그동안 스마트 인버터를 활용한 연구는 주로 신재생 발전원의 접속 용량 확대를 위한 Volt-VAR 제어 방안이나, Volt-VAR 곡선 파라미터의 최적 설정에 초점을 맞춰 진행되어 왔다[8- 11]. 그러나 인버터 기반 분산 전원이 계통에 연계된 것만으로도 배전계통의 강건도가 감소할 수 있는 상황에서, 배전계통의 변동 상황 발생 시 스마트 인버터의 제어가 계통에 미치는 영향에 대한 심층적인 연구는 여전히 부족한 실정이다.

따라서, 본 연구에서는 모의 배전계통을 구성하고, 부하 소모 전력 증가 및 1선 지락으로 인한 저전압 상황을 모의하여 스마트 인버터의 Volt-VAR 곡선 기울기를 다양하게 설정함으로써, 스마트 인버터가 연계된 배전계통의 전압 강하 억제 및 선로 손실에 미치는 영향을 분석하고자 한다.

2. 스마트 인버터의 Volt-VAR 제어

2.1 Volt-VAR 제어의 원리와 Volt-VAR 곡선

스마트 인버터가 전력계통에 연계되었을 때의 간략한 전력계통 구성도를 그림 1에 나타내었다. 또한, 스마트 인버터의 용량성 무효전력 출력에 따른 전력계통의 전압 및 전류 페이저도는 그림 2와 같다.

그림 1 스마트인버터의 연계에 따른 전력계통의 구성

Fig. 1 Configuration of distribution network with integrated smart inverter

../../Resources/kiee/KIEE.2026.75.2.306/fig1.png

그림 2 스마트인버터의 용량성 무효전력 출력에 따른 전력계통의 전압, 전류 페이저도

Fig. 2 Voltage and current phasor diagrams of the system under capacitive reactive-power injection by the smart inverter

../../Resources/kiee/KIEE.2026.75.2.306/fig2.png

전력계통에서 송전단 측 전압을 $V_{S}$, 수전단 측 전압을 $V_{r}$이라고 할 때, 스마트 인버터 설치 전에는 부하 전류 $I_{r}$과 송전단 측 전류 $I_{S}$가 동일하다. 이때 선로 임피던스 $R+jX_{L}$에 의해 수전단 전압 $V_{r}$은 송전단 전압 $V_{S}$보다 위상이 지연된다.

이러한 상태에서 스마트 인버터가 계통으로 용량성 무효전력, 즉 진상 전류($I_{S/I}$)를 공급하면, 수전단 측까지 흐르는 전류 $I_{S}$의 역률이 개선되어 그 크기가 $I_{S}'$와 같이 감소하게 된다. 결과적으로 $I_{S}$의 크기가 감소함에 따라 송전선로에서 발생하는 전압 강하가 줄어들어, 수전단 전압 $V_{r}$을 $V_{r}'$까지 상승시킬 수 있다.

스마트 인버터의 대표적인 Volt-VAR 제어 곡선을 그림 3에 도시하였다. 이 제어 곡선의 파라미터인 $V_{1}$부터 $V_{4}$ 및 $Q_{1}, Q_{2}$는 분산형 전원 사업자가 임의로 지정할 수 있으나, ‘태양광발전용 스마트 인버터의 계통 지원 기능 - 제1부 배전계통 요구사항 및 시험방법’에 따라 표 1과 같이 통상적으로 정의된다[12]. 이 전압-무효전력 곡선을 기반으로, PCC 또는 POI 전압의 크기에 따라 스마트 인버터는 다음과 같이 동작한다.

그림 3 스마트인버터의 Volt-VAR 곡선

Fig. 3 Volt-VAR Curve of smart inverter

../../Resources/kiee/KIEE.2026.75.2.306/fig3.png

먼저 전압이 $V_{1}$보다 낮은 경우, 사용자가 지정한 최대 용량성 무효전력($Q_{1}$)을 출력하여 연계점 전압을 상승시킨다. 전압이 $V_{1}$과 $V_{2}$ 사이에 해당하는 경우, 해당 전압 값에 따라 용량성 무효전력을 선형적으로 제어하여 전압을 상승시킨다. 이어서 전압이 $V_{2}$와 $V_{3}$ 사이인 Deadband에 위치할 경우, 스마트 인버터는 무효전력 제어를 수행하지 않거나 그 값을 0으로 유지한다. 전압이 $V_{3}$와 $V_{4}$사이에 위치할 경우, 해당 전압 값에 따라 유도성 무효전력을 선형적으로 조절함으로써 연계점 전압을 감소시킨다. 마지막으로 전압이 $V_{4}$보다 높은 경우, 최대 유도성 무효전력($Q_{2}$)을 출력함으로써 연계점 전압을 감소시킨다. 이러한 Volt-VAR 제어 방식을 통해 스마트 인버터는 계통 전압 변동에 능동적으로 대응하며 전압 안정화를 도모한다.

표 1 전압-무효전력 곡선 기본 설정값

Table 1 Basic setpoint of the Volt-VAR Curve

$V_{PCC}$ [pu] $Q_{ref}$ [%]
$V_{1}$ 0.92 $Q_{1}$ 44
$V_{2}$ 0.98 $Q_{2}$ 0
$V_{3}$ 1.02 $Q_{3}$ 0
$V_{4}$ 1.08 $Q_{4}$ -44

2.2 스마트 인버터의 제어 매커니즘

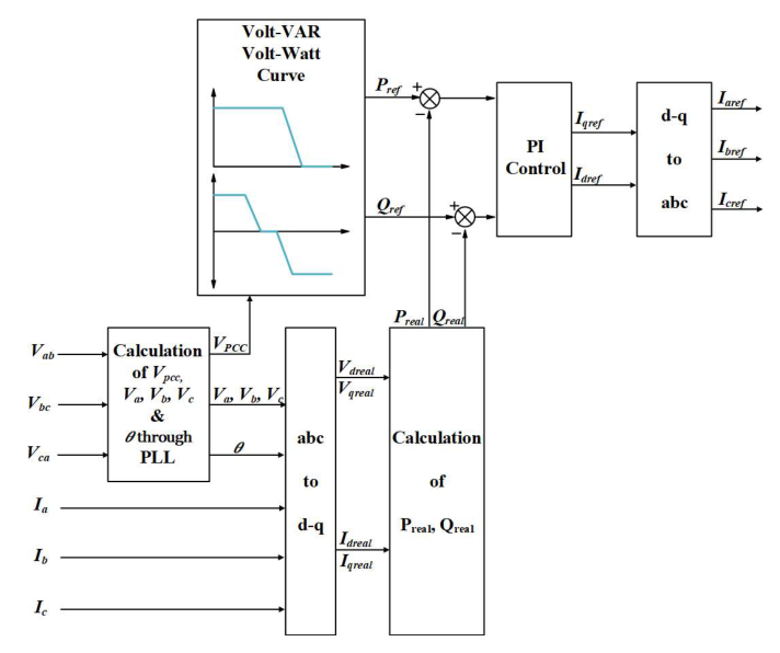
본 논문에서 사용된 스마트 인버터의 Volt-VAR/Watt 제어 흐름도가 그림 4에 나타나 있다[13]. 스마트 인버터는 먼저 계통 연계점(PCC)에서 3상 선간전압($V_{ab}, V_{bc}, V_{ca}$)과 상전류($I_{a}, I_{b}, I_{c}$)를 입력으로 받는다. 위상 고정 루프(PLL)를 통해 측정된 전압의 위상각을 연산하며, 선간전압으로부터 상전압을 연산한다. 또한, Volt-VAR 제어 곡선의 무효전력 출력 기준치를 결정할 연계점 전압 $V_{PCC}$의 경우, 3상 선간전압의 RMS 평균값을 3주기(약 50ms)마다 비중첩(Non-Overlapping) 방식으로 연산한다.

그림 4 스마트인버터의 Volt-VAR/Watt 제어 흐름도

Fig. 4 Control flowchart of the smart inverter’s Volt-VAR/Watt function

../../Resources/kiee/KIEE.2026.75.2.306/fig4.png

다음으로, 연산된 상전압($V_{a}, V_{b}, V_{c}$)과 측정된 상전류($I_{a}, I_{b}, I_{c}$)는 동기 회전 좌표계(d-q)로 변환된다. 변환된 d-q축 전압($V_{dreal}, V_{qreal}$) 및 전류($I_{dreal}, I_{qreal}$)를 이용하여 계통의 실제 유효전력($P_{real}$)과 무효전력($Q_{real}$)이 계산된다. 이 계산된 실제 유/무효전력을, 앞서 비중첩 방식으로 연산된 연계점 전압 $V_{PCC}$를 미리 정의된 Volt-VAR/Watt 곡선에 매핑함으로써 얻어지는 유/무효전력 지령치($P_{ref}, Q_{ref}$)와 비교하여 오차를 산출한다.

오차 $\triangle P=P_{ref}-P_{real}, \triangle Q=Q_{ref}-Q_{real}$는 각각 PI 제어기(Proportional-Integral Controller)에 입력되어 d-q축 전류 지령치($I_{dref}, I_{qref}$)가 산출된다. 마지막으로, PI 제어기로부터 얻은 지령 d-q축 전류를 3상 전류로 변환함으로써 Volt-VAR/Watt 제어가 최종적으로 수행된다.

3. 모의 배전계통 구성 및 사례 설정

3.1 모의 배전계통 구성

본 논문에서는 스마트 인버터의 Volt-VAR 곡선이 배전계통의 전압강하에 미치는 영향을 분석하기 위하여 모의 배전계통을 그림 5와 같이 구성하였으며, 그 구성요소의 세부 파라미터는 표 2에 제시되어 있다. 먼저 분산 전원의 경우, 임의의 태양광 발전원으로부터 얻은 전력을 스마트 인버터를 통해 AC 배전계통으로 연결하는 상황을 모의하고자 하였다. 다만 연구실 내의 실험실에서 하드웨어 실험을 진행하므로 실제 분산 전원으로부터 출력을 얻을 수 없는 만큼, AC 380 V를 입력으로 하는 인버터의 일정한 DC 출력을 초록색으로 표시한 스마트인버터(S/I)에 연결하였다.

그림 5 모의 배전계통의 구성

Fig. 5 Configuration of the simulated distribution network

../../Resources/kiee/KIEE.2026.75.2.306/fig5.png

표 2 모의 배전계통 구성요소 파라미터

Table 2 Parameters of the simulated distribution network components

Components Value Unit
MTR Capacity 75 kVA
Input voltage 380 V
Ouput voltage 240 V
Winding method Dyg -
Distribution Source Capacity 5 kVA
Input voltage 380 V
Smart Inverter(S/I) Rated capacity 5 kW
Rated voltage 380 V
LC Filter Reactor 6 mH
LC Filter Capacitor 1.5 uF
P Gain of PI Control unit 0.001 -
I Gain of PI Control unit 0.05 -
TRSS/I Winding method YNyn0 -
Electrical Load Power consumption 420, 840 W
Load Load1 40 $\Omega$
Load2 15
Load3 20
Line Impedance Line1 0.121+j0.735
Line2 0.245+j1.504
Line3 0.127+j0.743

또한, 스마트 인버터의 Volt-VAR 제어 곡선의 경우, 그림 6과 같이 $V_{1}$을 0.92로 고정해 둔 상태에서 $V_{2}$를 0.93, 0.95, 0.97 세 가지로 다양하게 구성함으로써 기울기 변화에 따른 전압 변동 완화 정도와 선로 손실에 미치는 영향을 분석하고자 하였다. 여기서 $V_{1}$의 경우 통상적으로 스마트인버터의 계통지원기능 [12]에서 $V_{1}=0.92, V_{2}=0.98$로 정의되고 있다는 점을 고려하여 0.92로 고정해두었다. 또한 보통의 배전선로의 경우, 주전원에서 말단까지 일어나는 전압강하를 보상하는 여러 장치 덕분에 전압강하가 적절하게 보상되어, 스마트 인버터 연계점의 전압이 선로의 공칭전압을 기준으로 정의되고 있다. 그러나 실제 실험을 진행한 계통에서는 전압 유지를 위한 별도의 장치가 적용되어 있지 않으므로, 스마트 인버터가 설치된 BUS1 지점의 평상시 전압 220 V를 기준으로 선정되었다.

그림 6 검토한 스마트 인버터의 Volt-VAR 곡선 구성

Fig. 6 Examined configurations of the smart inverter’s Volt-VAR Curve

../../Resources/kiee/KIEE.2026.75.2.306/fig6.png

3.2 사례 설정

본 논문에서는 배전계통에서 발생할 수 있는 다양한 전압 변동을 Case 1부터 Case 4로 구성하였다. 각 case의 전자부하(E/L)가 소모하는 용량, 소모하는 위치, 그리고 1선 지락의 위치의 경우, 분산형 전원 배전계통 연계 기술기준에 명시된 분산형 전원의 운전 유지 범위(0.9 pu ~ 1.1 pu)를 만족시키는 범위 안의 전압변동을 모의하기 위한 값과 위치에 해당한다[7]. 구체적으로는 420 W 또는 840 W를 소모하는 전자 부하(E/L)를 BUS2(중간단) 또는 BUS3(말단)에 3.4s에 투입시키거나, 1선지락 (SLG) 고장을 BUS3(말단)에서 3.4s에 발생시켰으며, 정리하자면 아래와 같다.

Case 1 : 420 W를 소모하는 E/L이 중간단에 투입된 경우

Case 2 : 840 W를 소모하는 E/L이 중간단에 투입된 경우

Case 3 : 840 W를 소모하는 E/L이 말단에 투입된 경우

Case 4 : 1선지락이 말단에 발생한 경우

4. 결과 및 고찰

4.1 420 W를 소모하는 E/L이 중간단에 투입된 경우 스마트 인버터 Volt-VAR 곡선의 동작

420 W를 소모하는 전자부하가 3.4s에 중간단에 투입된 경우(Case 1)에 대해, 스마트 인버터의 그림 6과 같은 Curve의 동작에 따른 스마트 인버터 연계점의 전압과 무효전력 출력이 그림 7에 도시되어 있다. 또한 Line1과 Line2에서 발생하는 선로의 유/무효전력 손실은 그림 8에 나타내었다. 또한 그림 7의 (a)에 도시한 연계점 전압 $V_{PCC}$는, 스마트 인버터 연계점의 선간전압 rms 3상의 평균을 50ms 마다 연산하여 얻은 값으로, 실제 스마트 인버터가 무효전력을 지령하게 되는 기준 전압에 해당한다. 이어서 그림 7의 (b)에는 이러한 연계점 전압 $V_{PCC}$를 사전에 정의한 Volt-VAR 곡선에 대입함으로써 얻은, 무효전력 지령($Q_{ref}$)와, PI제어에 의해 지령치를 추종하여 실제로 스마트 인버터에 출력되는 무효전력 출력($Q_{real}$)를 도시하였다.

그림 7 420W를 소모하는 부하가 중간단에 투입된 경우 (Case 1) Volt-VAR 곡선에 따른 스마트 인버터 연계점의 전압과 무효전력 출력 (a) 연계점 전압 (b) 무효전력 출력

Fig. 7 Voltage of connection point and reactive power output of the smart inverter according to the Volt-VAR curve with 420W load introduced at mid-bus (Case 1) (a) voltage of connection point (b) reactive power output

../../Resources/kiee/KIEE.2026.75.2.306/fig7.png

Case 1에서 스마트 인버터 미적용시 연계점 전압($V_{PCC}$)은 그림 7(a)를 통해 알 수 있듯이 0.967 pu까지 감소하였다. 이 경우 Curve 1과 Curve 2는 설정된 임계 전압(0.93 pu 및 0.95 pu) 이하로 전압이 떨어지지 않아 무효전력을 출력하지 않았다. 그러나 Curve 3의 경우, 설정된 임계 전압인 0.97 pu 이하로 전압이 하락하였으므로, 그림 7(b)에 나타낸 바와 같이 약 0.04 kVar의 무효전력을 출력하였다. 그 결과, 연계점 전압은 0.002 pu 보상되어 0.969 pu로 상승하는 것을 확인할 수 있다.

그림 8 420W를 소모하는 부하가 중간단에 투입된 경우(Case 1) Volt-VAR 곡선에 따른 선로의 유/무효전력 손실 (a) line1, 2의 유효전력 손실 (b) line1, 2의 무효전력 손실

Fig. 8 Active and reactive power losses of distribution line according to the Volt-VAR curve with 420W load introduced at mid-bus (Case 1) (a) active power losses of line1 and 2 (b) reactive power losses of line1 and 2

../../Resources/kiee/KIEE.2026.75.2.306/fig8.png

그림 8을 통해, 스마트 인버터가 연동되지 않거나 출력이 없던 Curve 1, 2에서 Line 1의 유효전력 손실은 139.8 W, 무효전력 손실은 849.9 Var 발생하였으며, Line 2에서는 각각 198.99 W, 1220.8 Var의 손실이 발생한 것을 알 수 있다. 반면 Curve 3에 의해 무효전력 출력이 발생하면서, 스마트 인버터 전단인 Line 1에서는 유효전력 손실이 0.4 W 감소한 139.4 W, 무효전력 손실은 2 Var 감소한 847.9 Var가 되었다. 그러나 스마트 인버터 연계점 뒷단인 Line 2에서는 유효전력 손실이 0.04 W, 무효전력 손실은 1.3 Var 증가하였다. 이러한 결과는 스마트 인버터의 용량성 무효전력 주입이 스마트 인버터 연계점까지의 무효전력 공급 부담을 줄여, 선로를 통해 흐르는 전류 크기를 감소시키고 선로 손실을 줄일 수 있음을 시사한다. 반대로 스마트 인버터 연계점 이후의 선로는 무효전류 주입으로 인해 선로 전류가 다소 증가하면서 선로 손실이 증가하는 경향을 보인다.

4.2 840 W를 소모하는 E/L이 중간단에 투입된 경우 스마트 인버터 Volt-VAR 곡선의 동작

그림 9 840W를 소모하는 부하가 중간단에 투입된 경우 (Case 2) Volt-VAR 곡선에 따른 스마트 인버터 연계점의 전압과 무효전력 출력 (a) 연계점 전압 (b) 무효전력 출력

Fig. 9 Voltage of connection point and reactive power output of the smart inverter according to the Volt-VAR curve with 840W load introduced at mid-bus (Case 2) (a) voltage of connection point (b) reactive power output

../../Resources/kiee/KIEE.2026.75.2.306/fig9.png

Case 2에서는 전자부하의 소모 전력을 840 W로 증가시켜 진행하였다. 그 결과 그림 9에 나타낸 바와 같이, 스마트 인버터 연계점의 전압이 0.939 pu까지 더 크게 강하하였다. 이로 인해 Curve 3뿐만 아니라 Curve 2도 설정된 임계 전압 이하로 떨어지면서 무효전력을 출력하여 연계점의 전압 강하를 보상하였다. 구체적으로 Curve 2는 약 0.38 kVar, Curve 3는 0.66 kVar를 출력함으로써 Curve 3가 연계점 전압을 0.953 pu까지 더 많이 회복시켰다. 이는 부하 증가로 인한 전압 강하가 심화될수록 스마트 인버터의 더 적극적인 무효전력 공급이 발생하며, Volt-VAR 곡선의 설정에 따라 전압 회복 정도가 달라짐을 보여준다.

그림 10 840W를 소모하는 부하가 중간단에 투입된 경우(Case 2) Volt-VAR 곡선에 따른 선로의 유/무효전력 손실 (a) line1, 2의 유효전력 손실 (b) line1, 2의 무효전력 손실

Fig. 10 Active and reactive power losses of distribution line according to the Volt-VAR curve with 840W load introduced at mid-bus (Case 2) (a) active power losses of line1 and 2 (b) reactive power losses of line1 and 2

../../Resources/kiee/KIEE.2026.75.2.306/fig10.png

또한 그림 10을 통해, 전자부하의 소모 전력이 420 W에서 840 W로 증가함에 따라, 스마트 인버터가 연계되지 않은 경우의 선로 손실이 Case 1보다 Case 2에서 전반적으로 증가한 것을 알 수 있다. 뿐만 아니라 Curve 2와 Curve 3의 비교를 통해, Curve 3와 같이 기울기가 완만한 Volt-VAR Curve를 적용했을 때 스마트 인버터 연계점까지의 선로 손실이 더 효과적으로 감소한다는 점을 파악할 수 있다. 그러나 Case 1과 마찬가지로 연계점 뒷단의 선로에서는 오히려 선로 손실이 더욱 증가하였다.

4.3 840 W를 소모하는 E/L이 말단에 투입된 경우 스마트 인버터 Volt-VAR 곡선의 동작

Case 3에서는 Case 2와 동일하게 전자 부하(E/L)의 소모 전력을 840 W로 유지하되, 그 연계 위치를 더 말단인 BUS3로 변경하여 진행하였다. 그 결과, 스마트 인버터 연계점 전압($V_{PCC}$)이 그림 11의 (a)에 나타난 바와 같이 0.933 pu까지 더 크게 강하하였다. 이는 전자 부하가 계통의 말단에 연결될수록 연결 지점의 전압이 더 낮아, 동일한 전력을 소모하더라도 선로에 흐르는 전류를 더 많이 증가시키기 때문으로 해석할 수 있다.

그림 11 840W를 소모하는 부하가 말단에 투입된 경우 (Case 3) Volt-VAR 곡선에 따른 스마트 인버터 연계점의 전압과 무효전력 출력 (a) 연계점 전압 (b) 무효전력 출력

Fig. 11 Voltage of connection point and reactive power output of the smart inverter according to the Volt-VAR curve with 840W load introduced at end-bus (Case 3) (a) voltage of connection point (b) reactive power output

../../Resources/kiee/KIEE.2026.75.2.306/fig11.png

그림 11의 (b)에서 무효전력 출력을 살펴보면, Case 2와 마찬가지로 Curve 3에서의 무효전력이 Curve 2보다 더 많이 발생하였다. 이에 따라 연계점의 전압은 Curve 2에서 0.011 pu 보상되었으나, Curve 3에서는 0.022 pu로 더 많이 보상되었다. 또한, 무효전력 출력량은 전자 부하가 중간단에 연계되었던 Case 2에 비해 전체적으로 증가하였다. 이는 전자 부하가 계통의 말단에 연계될수록 스마트 인버터 연계점의 전압이 더 크게 강하하기 때문에, 이를 보상하기 위한 무효전력 공급이 증가함을 의미한다.

그림 12 840W를 소모하는 부하가 말단에 투입된 경우(Case 3) Volt-VAR 곡선에 따른 선로의 유/무효전력 손실 (a) line1, 2의 유효전력 손실 (b) line1, 2의 무효전력 손실

Fig. 12 Active and reactive power losses of distribution line according to the Volt-VAR curve with 840W load introduced at end-bus (Case 3) (a) active power losses of line1 and 2 (b) reactive power losses of line1 and 2

../../Resources/kiee/KIEE.2026.75.2.306/fig12.png

또한 전자 부하가 말단에 연계될수록 선로 전반에 걸친 전력 공급이 증가하기 때문에, 스마트 인버터가 연계되지 않은 경우의 선로 손실이 Case 2보다 Case 3에서 증가한 것을 그림 12를 통해 알 수 있다. 뿐만 아니라 스마트 인버터의 무효전력 출력이 Case 2보다 Case 3에서 더 많이 발생함에 따라, 스마트 인버터 연계점 앞단까지의 선로 손실의 감소효과와, 뒷단 선로 손실의 증가가 더욱 증대되었다. 나아가 4.1절부터 4.3절까지의 스마트 인버터 앞단과 뒷단의 선로 손실 변화에 대해 살펴보면, 전체적으로 고장 발생 시 스마트 인버터 앞단의 손실 저감폭이 뒷단의 손실 증가폭을 상회하는 것으로 나타났다. 이는 스마트 인버터가 전체 계통의 손실 측면에서는 순이득을 제공하는 것으로 이해할 수 있다.

4.4 1선지락이 말단에 발생한 경우 Volt-VAR 곡선 동작

Case 4에서는 전자 부하의 소모 전력 증가로 인한 전압 강하 대신, 배전계통에서 가장 빈번하게 발생하는 1선지락 고장(a상)을 발생시켰으며, 이 경우 Volt-VAR 곡선에 따른 스마트 인버터 연계점 전압($V_{PCC}$)과 무효전력 출력이 그림 13에 도시되어 있다. 고장 발생 시 연계점에서 스마트 인버터가 연산하는 전압인 $V_{PCC}$는 0.910 pu까지 감소했으며, 이로 인해 정의한 세 가지 Volt-VAR 곡선이 모두 무효전력을 출력하였다.

다만, 기울기가 가장 가파른 Curve 1의 경우, 무효전력 출력이 다른 곡선들처럼 과도기를 지나 특정 값으로 수렴하지 않고 0.6 kVar 와 1.12 kVar 출력을 반복하며 진동(Oscillation)이 발생하였다. 이에 따라 선로에서 발생한 유/무효전력 손실 또한 Curve 1의 동작에 의해 진동이 발생하는 것을 그림 14를 통해 확인할 수 있다.

그림 13 1선지락이 말단에서 발생한 경우 (Case 4) Volt-VAR 곡선에 따른 스마트 인버터 연계점의 전압과 무효전력 출력 (a) 연계점 전압 (b) 무효전력 출력

Fig. 13 Voltage of connection point and reactive power output of the smart inverter according to the Volt-VAR curve with SLG at end-bus (Case 4) (a) voltage of connection point (b) reactive power output

../../Resources/kiee/KIEE.2026.75.2.306/fig13.png

그림 14 1선지락이 말단에서 발생한 경우 (Case 4) Volt-VAR 곡선에 따른 선로의 유/무효전력 손실 (a) line1의 유효전력 손실 (b) line2의 유효전력 손실 (c) line1의 무효전력 손실 (d) line2의 무효전력 손실

Fig. 14 Active and reactive power losses of distribution line according to the Volt-VAR curve with SLG at end-bus (Case 4) (a) active power losses of Line 1 (b) active power losses of Line 2 (c) reactive power losses of Line 1 (d) reactive power losses of Line 2

../../Resources/kiee/KIEE.2026.75.2.306/fig14.png

이러한 Volt-VAR 제어시 발생하는 진동 현상의 원인은 크게 두 가지 요인으로 사료된다. 첫째, 스마트 인버터가 전압 강하를 지연하여 인지한다는 점이다. 사용된 스마트 인버터는 50 ms 동안의 전압 데이터를 모아서 한 번에 처리하고, 다음 50 ms 동안은 이전 데이터를 기반으로 동작하는 비중첩 연산 방식을 사용한다. 따라서 실제 전압 강하가 발생하더라도 인버터는 최소 다음주기가 되어야 이를 인지하게 된다. 즉, 그림 13의 (b)에 나타난 T1 주기에 급격한 전압 변동이 1선 지락에 의해 발생했음에도, 인버터는 즉각적으로 반응하지 못한다. T3 연산 주기까지 기다려야만 Curve 3의 임계전압에 해당하는 전압 강하를 감지하고 무효전력 지령치를 생성된다.

두 번째로, PI제어에 의해 지연된 지령치 추종에서 그 원인을 찾을 수 있다. 스마트 인버터가 전압 강하를 인지하고 무효전력 지령치($Q_{ref}$)를 생성하더라도, 실제 무효전력 출력($Q_{real}$)은 이 지령치를 즉각적으로 따르지 않는다. 대신 PI제어기를 통해 지령치를 과도적으로 추종하여 증가시킨다. PI제어는 시스템의 안정성을 확보하고 급격한 변화를 막기 위해 사용되는 일반적인 제어 방식이지만, 급격한 전압 강하 상황에서는 이러한 과도적인 추종 특성이 오히려 문제가 될 수 있다.

이 또한 그림 13의 (b)를 통해 명확히 확인할 수 있다. T3 연산 주기 시점에 전압 강하를 감지하고 무효전력 지령치가 최대치인 2 kVar로 설정되지만, 실제 무효전력 출력은 PI제어에 의해 즉시 지령치에 도달하지 못하고, 서서히 증가하기 시작한다. PI제어로 인한 출력 지연과 스마트 인버터 연계점의 지연된 연산이 복합적으로 영향을 미쳐, 전압이 이미 부분적으로 회복되어 0.93 pu가 되었음에도 불구하고 PI 제어의 잔여 동작으로 인해 T4 연산 주기 까지 무효전력이 계속 높게 출력되어 전압이 과도하게 상승하게 된다. 결국 스마트 인버터는 과도하게 상승한 전압을 그 다음 주기인 T5가 되어서야 인지하게 되고, 이에 따라 무효전력 지령치가 다시 0에 가깝게 감소하면서 진동이 발생하게 된다.

그러나 이러한 복합적인 요인은 제어 및 연산 방식에서 비롯된 것이므로, 분산 전원 사업자의 입장에서는 직접적으로 제어하기 어려운 부분이다. 따라서 사업자는 Volt-VAR Curve를 설정할 경우 Curve 1과 같이 기울기가 크게 설정된 곡선보다는 Curve 3와 같이 기울기가 완만한 곡선을 적용함으로써 Case 4의 결과와 같이 진동 현상을 방지할 수 있을 것으로 사료된다. 또한 설계자의 입장에서는 PI제어의 제어 변수, 그리고 연계점 전압의 연산 방식을 복합적으로 고려하여 설계하여야 한다.

이어서, 본 논문에서 사용한 모의 배전계통은 직접 접지 방식이므로, 1선 지락 사고 시 사고 상의 전위는 급격히 강하하지만, 사고가 발생하지 않은 건전상(b,c상)의 전위 가 소폭 상승하였음을 그림 15의 ‘w/o S/I'에 해당하는 파형을 통해 확인할 수 있다. 더불어, 본 논문에서 사용한 스마트 인버터는 3상이 모두 평형임을 가정하고 dq변환이 수행되므로, 불평형 고장시 발생하는 역상분에 대한 고려가 반영되어 있지 않은데다가, 3상 선간전압 rms의 평균값을 기준으로 Volt-VAR 제어의 지령치가 결정되므로, 고장상뿐만 아니라 건전상인 b,c 상에도 무효전력을 출력하게 된다. 이로 인해 무효전력 출력이 증가할수록 건전상의 전위가 과도하게 상승하여, 선간전압 $V_{bc}$가 과하게 상승하는 문제가 발생하였다.

그림 15 1선지락이 말단에서 발생한 경우 (Case 4) Volt-VAR Curve에 따른 스마트 인버터 연계점의 3상 선간전압

Fig. 15 3 Phase Line-to-Line voltage of connection point according to Volt-VAR Curve with SLG at end-bus (Case 4)

../../Resources/kiee/KIEE.2026.75.2.306/fig15.png

따라서, 스마트 인버터의 Volt-VAR 곡선을 정의할 경우 건전상에 대해서 무효전력을 출력하지 않도록, 각 상에 대해 Volt-VAR 곡선을 별도로 정의하거나, 역상분에 대해서도 제어를 수행하는 제어블록을 추가하는 방식을 고려해야 할 것으로 사료된다. 물론 해당 과정을 추가할 경우, 내부 연산량이 증가함에 따라 제어보드의 높은 성능을 요구할 수 있으나, 전체 전력계통의 고장 중 불평형고장이 96%에 해당하는 만큼 불평형고장을 고려한 스마트 인버터 제어 방식이 반드시 필요할 것으로 보인다.

표 3 각 Case별 스마트 인버터의 동작에 따른 연계점 전압

Table 3 Voltage of connection point under each Cases by smart inverter operation

Cases $V_{PCC}$ [pu]
w/o Curve 1 Curve 2 Curve 3
Case 1 0.967 0.967 0.967 0.969
Case 2 0.939 0.939 0.944 0.953
Case 3 0.933 0.933 0.944 0.955
Case 4 0.910 0.921 0.934 0.939
$\Leftrightarrow$
0.931

추가로 표 3에는 3상 선간전압 rms의 평균인 $V_{PCC}$를 Case 1부터 Case 4까지 Curve의 동작에 따른 값을 요약하였으며, Curve에 의해 무효전력 출력이 발생하는 경우에 대해서만 표에 색을 표시하였다.

5. 결 론

본 논문에서는 기후 위기로 인해 재생 에너지의 계통 연계량이 증가하고 있으며, 그 중에서도 인버터 기반의 재생에너지 연계가 늘어나고 있는 상황 속에서 스마트 인버터의 Volt-VAR 제어가 배전계통의 변동에 끼치는 영향에 대해 알아보고, 스마트 인버터의 제어 및 설정시 반영되어야 할 점에 대해 고찰하였다.

결과 분석을 통해 스마트 인버터의 Volt-VAR 곡선의 기울기를 작게 설정할수록 배전계통에서 일어나는 전반적인 전압 강하에 대하여 전압강하 보상 효과를 크게 가질 수 있음을 확인하였다. 또한 선로 손실의 경우, 스마트 인버터의 동작에 의해 전원부터 스마트 인버터 연계점까지의 선로 손실은 감소하지만, 연계점 뒷단의 선로 손실은 무효전류 주입으로 인해 증가한다는 점을 파악하였다. 나아가 앞단의 선로 손실 감소폭이 뒷단의 선로 손실 증가폭을 상회하여, 계통의 전체 손실 측면에서 순이득을 제공하였다.

이어서 스마트 인버터가 연계점의 전압을 비중첩 방식으로 연산하는 경우 전압 변동을 순시적으로 반영하지 못한다는 점, 그리고 PI제어에 의해 무효전력 지령치 추종 지연이 발생한다는 점 두가지가 복합적으로 영향을 미쳐, 오히려 Oscillation을 일으켜 계통의 강건도가 감소할 수 있다는 문제점을 파악하였다. 그러나 이는 분산 전원 사업자의 입장에서는 직접적으로 제어하기 어려우므로, 해당 연산 방식일 경우 기울기가 크게 설정된 Volt-VAR 곡선을 사용하는 것을 지양하면 진동현상을 방지할 수 있다는 점 또한 실험 결과를 통해 입증하였다. 나아가 이러한 이산적 연산은 다수의 상용화된 스마트 인버터에 적용된 방식이라는 점과, 추후 더 많은 분산전원의 계통연계에 스마트 인버터가 사용될 것을 고려하였을 때, 더 유연하게 반응하기 위해서는 rms값을 더 빠르게 연산하거나 Volt-VAR 곡선의 기울기를 완만하게 사용하는 것이 필요해보인다.

마지막으로 스마트 인버터가 3상 평형을 가정한 dq변환을 수행하고 연계점의 전압을 3상 선간전압 rms의 평균으로 연산하여 제어를 수행하는 경우, 계통에서 빈번하게 발생하는 불평형 고장에 대하여 3상 모두 무효전력이 출력되기 때문에 건전상의 전압에 과전압을 야기할 수 있다는 점을 파악하였다. 따라서 계통에서 가장 빈번하게 발생하는 불평형 고장으로 인한 이러한 현상을 방지하기 위해선 스마트 인버터의 Volt-VAR 곡선을 각 상별로 정의하거나, 역상분에 대해서도 제어를 수행하는 제어블록을 추가하는 방식을 고려할 필요가 있을 것으로 사료된다.

본 논문의 연구 결과를 통해 변화하는 재생에너지 환경에서 배전계통의 강건도를 높이기 위한 적합한 스마트 인버터의 Volt-VAR 제어 방식을 수립하는 데 기여할 것으로 기대된다.

Acknowledgements

This work was supported by Korea Institute for Advancement of Technology (KIAT) grant funded by Korea Government (MOTIE) (P0017033, The Competency Development Program for Industry Specialist) and also was supported by the Korea Institute of Energy Technology Evaluation and Planning (KETEP) and the Ministry of Trade, Industry & Energy (MOTIE) of the Republic of Korea (No. RS-2024-00398166).

References

1 
2017, Renewable Energy 3020 Implement PlanGoogle Search
2 
2017, The 8th Basic Plan for Long-term Electricity Supply and DemandGoogle Search
3 
Kyeon Heo, 2023, Development of GFM Converter Technology to Cope with Changes in Power Grid Dynamic characteristics due to the Increase of Renewable Energy Sources, The Transactions of the Korean Institute of Electrical Engineers, Vol. 28, No. 1, pp. 40-45DOI
4 
Dohyun Kim, 2020, Evaluating influence of inverter-based resources on system strength considering inverter interaction level, Sustainability, Vol. 12, No. 8, pp. 3469DOI
5 
Julia Matevosyan, 2021, A future with inverter-based resources: Finding strength from traditional weakness, IEEE Power and Energy Magazine, Vol. 19, No. 6, pp. 18-28DOI
6 
2024, Terms and Conditions for Use of Electric Power Transmission and Distributino Facilities, OnlineGoogle Search
7 
Technical Standards for Interconnection of Distributed Generation to Distribuion Systems, OnlineGoogle Search
8 
Seong-Jun Park, 2023, Application of ESS Aggressive Volt-Var Control in the Distribution System for Hosting Capacity Enhancement, The Transactions of the Korean Institute of Electrical Engineers, Vol. 72, No. 12, pp. 1782-1788DOI
9 
Juhyeon Kim, 2023, Re-estimation of PV hosting capacity by improving parameters for voltage controls of the smart inverter, Journal of IEEE Korea Council, Vol. 27, No. 4, pp. 657-667DOI
10 
JEE-Yoon Cha, 2022, PCC Voltage Stabilization using an Autonomous Volt-VAR Curve Change in Smart Inverters, The Transactions of the Korean Institute of Electrical Engineers, Vol. 71, No. 4, pp. 625-631DOI
11 
Min-Jae Kang, 2021, A Study on Selecting Optimal Volt-VAR Control Curve of Smart Inverter Considering Hosting Capacity and System, The Transactions of the Korean Institute of Electrical Engineers, Vol. 70, No. 1, pp. 7-13DOI
12 
2022, Functions of smart inverter for photovoltaic to support the power grid - Part 1: Requirements and test methods for distribution systemGoogle Search
13 
Dong-Ho Won, Kyo-Beum Lee, 2023, Combined Volt-VAR and Volt-Watt Control for PCC Voltage stabilization in Smart Inverters, The Transactions of the Korean Institute of Electrical Engineers, Vol. 72, No. 6, pp. 739-746DOI

저자소개

김수현(Su-Hyeon Kim)
../../Resources/kiee/KIEE.2026.75.2.306/au1.png

She received B.S. degree from Soongsil Univ., Korea in 2024. Currently, she is in M.S. degree from Dept. of Electrical Engineering from Soongsil Univ., Korea.

최승수(Seung-Su Choi)
../../Resources/kiee/KIEE.2026.75.2.306/au2.png

He received B.S. degree from Soongsil Univ., Korea in 2023. Currently, he is a combined Master’s-Doctoral course student in the Dept. of Electrical Engineering at Soongsil Univ., Korea.

조영재(Young-Jae Jo)
../../Resources/kiee/KIEE.2026.75.2.306/au3.png

He received B.S. degree from Soongsil Univ., Korea in 2025. Currently, she is in M.S. degree from Dept. of Electrical Engineering from Soongsil Univ., Korea.

임성훈(Sung-Hun Lim)
../../Resources/kiee/KIEE.2026.75.2.306/au4.png

He received B.S., M.S., and Ph.D. degrees from Chonbuk National Univ., Korea in 1996, 1998, and 2003, respectively. Currently, he is a professor in the Dept. of Electrical Engineering at Soongsil Univ., Korea.