박철원
(Chul-Won Park)
†iD
Copyright © The Korean Institute of Electrical Engineers
Key Words
DWT, EMT Platform, IED, Impedance Trajectory, Loss of Field, Maloperation, Out-of-Step, Power Swing
1. 서 론
석탄, 천연가스 다음으로 수력은 제3의 전력공급원이다. 2021년, 수력발전은 전체 재생에너지 설비의 40%, 발전량의 54.15%를 차지하는 제1의
재생에너지 전원(RES)으로서 2050년까지 약 3,000GW의 수력이 필요하다. 양수발전(PSH)은 미래 전력망에서 가장 확실한 급전가능한 보조적인
서비스이다. 특히, PSH는 RES의 출력제한 최소화, 유연성, 속응성, 무탄소, 급전가능한 검증된 자원으로, 최근 전세계 설치량이 빠르게 요구되고
있다. 따라서, PSH의 원활한 정비, 교체, 신설에 대비하여, 주기기 및 보조기기 등의 수력핵심기술 국산화는 수력양수 기술 국산화 로드맵에 따라
단계적으로 추진되고 있다[1, 2].
한편, 발전기의 전력동요, 동기탈조 및 계자상실 현상은 공통적으로 임피던스 궤적 기반의 식별 및 보호 기법을 사용하기 때문에, 오·부동작을 하지 않도록
각 과도현상들이 정확하게 판별되어야 한다.
관련된 국내 연구 동향에 따르면, IEC 61850 기반 보성강 수력발전기 보호용 갑종보호계전기 개발 국산화가 이루어졌고[3], DFT 알고리즘을 이용한 전력계통 동요 모드 확인 방법이 제시되었다[4]. 또한, 보호계전기 정정기준 수립에 관한 연구[5], 전력계통 동요시 고장 구분[6], VHDL을 이용한 동기탈조 검출 알고리즘 구현에 관한 연구가 수행되었다[7]. 이외 발전기 계자상실 분석 및 정정검토 기준 고찰[8], 발전기 계자보호를 위한 계자상실 알고리즘에 관한 연구[9], 섬진강 수력발전소 수차발전기 국산화를 위한 계통해석 및 보호계전기 적정성이 검토되었다[10].
관련된 해외 연구 동향에 따르면, 동기검출계전기 및 전력동요 차단 계전기의 실용적인 시험이 수행되었고[11, 12], 동기발전기와 인버터에 기반한 분산발전의 동적거동 비교[13], SMES-배터리 기반 가상 동기발전기의 비동기 진동 억제를 위한 최적 임피던스 재형성 접근 방식[14]이 제시되었으며, 2024년, IEEE AC 발전기 보호 가이드가 개정되었다[15]. 근래에는, 발전기 보호분야에 AI 등 융복합 기법의 응용에 관하여 연구가 활발한 데, 데이터 마이닝 기술 기반 동기발전기의 계자상실 보호 기법[16], 가상 동기발전기를 기반으로 하는 LSTM을 기반으로 한 등가 모델[17], 발전기에서 계자상실과 전력동요를 식별하기 위한 지도 기계 학습이 발표되었다[18],
본 논문에서는 차세대 발전기 지능형 전자장치(IED)를 위한 선도적 적용의 일환으로, 전력동요, 동기탈조 및 계자상실 현상의 과도상태 시뮬레이션을
분석한 후, 세 가지 현상을 정확하게 판별하여 오동작을 방지하고자 한다[19]. 먼저, IED의 전력동요, 동기탈조 및 계자상실 보호요소의 원리를 간략히 설명한 후, 이러한 보호요소들이 오동작하지 않도록 DWT(Discrete
Wavelet Transform) 기반의 개선된 오동작 방지 기법을 제시한다. 또한, EMT 플랫폼인 PSCAD 소프트웨어를 이용하여 칠보수력발전소의
발전기 시스템을 설계하고 정상상태 시뮬레이션의 적정성을 검증한다. 이를 바탕으로 여러 가지 조건에서 전력동요, 동기탈조 및 계자상실 현상에 따른 임피던스
궤적을 분석하여, 제안된 기법이 IED의 오·부동작 방지를 보장함을 검증한다.
2. 보호요소의 원리 및 개선된 오동작 방지 기법
2.1 보호요소의 원리
고정자에 흐르는 역상전류, 계자상실 또는 동기탈조 등은 회전자 몸체의 다양한 경로를 통해 와전류를 순환시켜 회전자의 과열을 발생시킬 수 있다. 또한,
급격한 부하 변동, 개폐, 고장 등에 따른 전기량의 변화로 인하여 계통의 전력동요가 발생한다[3, 6, 15, 19].
전력동요와 고장을 구분하는 방법은 임피던스 궤적이 움직이는 속도와 위치로 판정을 하고, 보조적인 수단으로 전력동요는 3상 평형 현상으로 영상분이나
역상분 전류가 발생하지 않기 때문에 관련 전류가 흐르면 전력동요 검출 기능을 저지시켜 다른 보호계전기가 검출하도록 한다. 계자상실시 보호방법으로는
Off-set Mho형 거리계전기를 사용하여 Zone 1 혹은 Zone 2이 동작하도록 한시동작으로 보호한다. 즉, 계통의 동요로 인해 외란이 발생하면,
산출된 임피던스가 동작영역인 Zone으로 잠깐 들어왔다가 다시 회복해 돌아나가는 양상을 보이는데, 이때 계전기가 동작되지 않도록 0.5초 정도 지연시간을
둔다. 동기탈조 IED는 그 궤적이 전력계통과 발전기를 직선으로 연결한 선을 교차할 때 계통전압과 발전기 전압의 위상차는 180°가 되고 단락현상과
유사한 전류가 위상이 빠른 쪽에서 느린쪽으로 흐르게 되는데, 임피던스 궤적이 전기적인 중성점을 통과하는 현상을 검출하는 거리계전기이다. 계자상실 IED는
발전기가 전력계통으로부터 무효전력을 대량 흡수할 때의 전압과 전류로부터 임피던스를 구하여 계자상실 현상을 검출한다. 무효전력을 흡수하기 때문에 임피던스
평면의 제4분면에 임피던스가 존재하게 되므로 270°의 특성각을 가진 Offset Mho형 거리계전기를 설치한다[3, 5, 7-
10].
2.2 DFT 기반 임피던스
지락 임피던스와 단락 임피던스는 DFT 필터를 이용하여 추출한 기본파 전압과 전류를 이용하여 식 (1), 식 (2)와 같이 계산할 수 있다.
여기서, $V_{a1}$과 $V_{b1}$는 각각 a상과 b상의 기본파 전압, $I_{a1}$과 $I_{b1}$은 각각 a상과 b상의 기본파 전류,$I_0$는
영상분 전류, $Z_{a1}$, $Z_{ab1}$는 지락 및 단락 임피던스이고 $R_{a1}$, $R_{ab1}$와 $X_{a1}$, $X_{ab1}$는
각각 저항성분과 리액턴스성분이다.
2.3 DWT 기반 오동작 방지
DWT는 정규 직교 기저함수인 scale 함수 $\phi(t)$와 웨이브릿 $\psi(t)$을 사용해 효과적으로 주파수 분석을 통해 특징을 추출할
수 있다. DWT는 식 (3)과 같이 계산할 수 있다[20].
여기서, $a$는 scale을 나타내는 변수, $b$는 shift를 나타내는 변수, $\frac{1}{\sqrt{|a|}}$는 모 웨이브릿과 같은
크기의 에너지를 유지시키기 위한 에너지 정규화 성분이다.
DWT는 저주파 대역 필터(LPF)와 고주파 대역 필터(HPF)로 구성되는 다해상도 분석(MLD)을 통해 근사계수와 상세계수로 분해된다. 필터의 출력은
메모리 사용 감소와 재구성 가능성을 고려하여 2의 Down sampling을 한다.
A상 전류의 다해상도 분석(MLD)에 의한 상세계수와 근사계수를 차분방정식으로 표현하여 식 (4), 식 (5)와 같이 계산할 수 있다.
여기서, $i_A(k)_{db5-d}$는 A상 전류의 db5에 의한 상세계수, $i_A(k)_{db5-a}$는 A상 전류의 db5에 의한 근사계수,
$k$는 샘플 번째이다.
$i_{db5-d_{ratio}}$는 전력동요, 동기탈조 및 계자상실의 판별할 수 있는 db5의 상세계수값의 비율을 나타낼 수 있다. 즉, 식 (6)과 같이, 사고상 전류의 db5에 의한 상세계수를 추출한 후, db5의 상세계수값의 비율을 계산한다.
여기서, $i_{db5-d_{ratio}}$는 전류의 db5에 의한 상세계수값의 비율, $|i_{db5-d_{max}}^k|$은 전류를 DWT의 db5
변환 후, k번째 윈도우에서의 detail 1의 최대값의 절대치, $i_{db5-d_{max}}$은 첫번째 윈도우의 detail 1의 최대값이다.
본 논문에서는 식(6)과 같이, 임계값 기반의 상세계수 비율 분석 기법으로 확장하여 IED가 각 현상을 명확하게 식별하도록 함으로써 기존의 임피던스 기반 보호기법에서 발생할
수 있는 오·부동작을 방지하도록 한다.
3. 발전기 시스템 모델 설계 및 적정성 확인
3.1 PSCAD 기반 발전기 시스템 모델 설계
칠보수력발전기의 정격용량은 16MVA, 정격전압은 11kV, 정격전류는 0.437kA이다. PSCAD를 이용하여 발전기 시스템의 모델을 설계한 후,
PSCAD 라이브러리와 MATLAB Wavelet Analyzer를 이용하여 IED를 구현하였다.
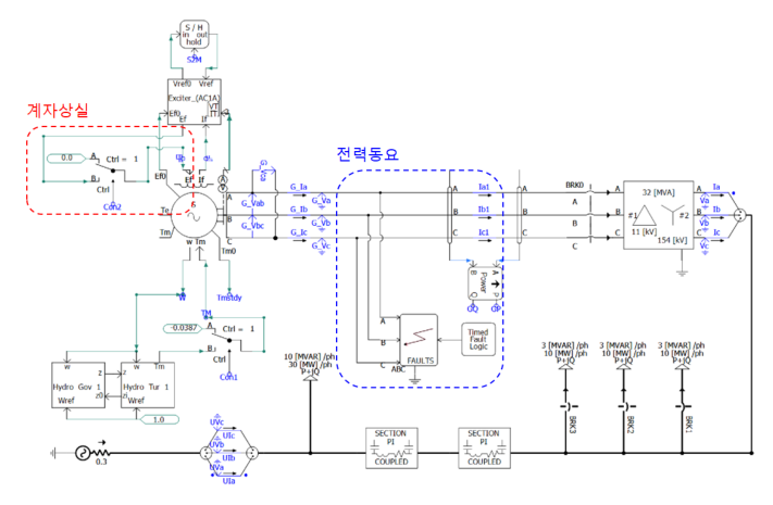
그림 1. 발전기 제어 시스템을 포함한 대상 모델
Fig. 1. Target model including generator control system
그림 1은 발전기 제어시스템을 포함한 대상 모델을 나타낸다. 표 1의 칠보수력발전기의 실계통 파라미터를 고려하여, 발전기, 여자기, 수력터빈 및 조속기 등의 구성요소를 설계하였다[19].
표 1. 칠보수력발전기의 실계통 파라미터
Table 1. Field system parameters of Chilbo Hydroelectric Power Plant
|
Data
|
Value
|
|
Rated MVA
|
16 [MVA]
|
|
Rated Voltage
|
11 [kV]
|
|
Rated Current
|
0.437 [kA]
|
|
%Xd
|
102.7 [%]
|
|
%Xd′
|
26.8 [%]
|
|
%Xd″
|
19.7 [%]
|
|
X0
|
10.7 [%]
|
|
X2
|
23.1 [%]
|
|
PF
|
0.9
|
3.2 정상상태의 적정성 확인
그림 2는 정상상태의 시뮬레이션 결과를 나타낸다. 그림 2(a)는 터빈의 토크, 각속도, 계자전압 및 계자전류, 그림 2(b)는 전압, 전류, 유효전력 및 무효전력을 나타낸다. 그림 2(a)와 같이, 터빈의 토크, 각속도, 계자전압 및 계자전류는 초기 과도상태를 보인 후, 약 11초 이후로 안정화되어 각각 1.0pu, 376.7rad/s,
1.52pu 및 1.52pu이었다. 그림 2(b)와 같이, 전압, 전류, 유효전력 및 무효전력은 초기 과도상태를 보인 후, 약 11초 이후로 안정화되어 각각 10.94kV, 0.379kA, 7.15MW
및 1.87MVar이었다. 따라서, 정상상태의 시뮬레이션 결과의 정확도는 99% 이상으로서 PSCAD 기반 발전기 시스템 모델 설계의 적정성이 확인되었다[19].
그림 2. 정상상태시 시뮬레이션 결과
Fig. 2. Simulation results in steady state
4. IED 오동작 방지를 위한 시뮬레이션
PSCAD 시뮬레이션은 총 30초, 주기당 샘플링 수는 128s/c, 샘플링주파수는 7,680Hz, 이벤트 발생 시각은 15초로 선정하였다. 3상
단락사고, 2선 단락사고, 1선 지락사고에 의한 전력동요, 3상 단락사고에 의한 동기탈조, 경부하 (40%), 중부하 (80%) 시 계자상실 등의
6가지 사례연구를 통해서 IED 오동작 방지를 위한 시뮬레이션을 수행하였다.
4.1 시뮬레이션
4.1.1 전력동요
전력동요는 15초에 3상 단락사고를 0.2초간 발생시켜 시뮬레이션을 수행하였다. 그림 3은 전력동요시 임피던스 궤적을 나타낸다. 그림 3과 같이, 정상상태시 6.313-j0.066Ω에서 사고 직후, 임피던스 궤적이 15.27초에 0.987-j2.054Ω로 Zone 1에 진입함을 알
수 있었다. 따라서, 계자상실 IED 오동작 우려가 있음을 알 수 있었다.
그림 3. 3상 단락사고 전력동요시 임피던스 궤적
Fig. 3. Impedance trajectory in power swing of three phase short fault
그림 4는 이 전력동요시 db5의 상세계수값의 비율 분석 결과를 나타낸다. 그림 4와 같이, 식 (6)의 상세계수값의 비율이 사고 직후, 각각 85.758%, 373.009% 및 409.364%만큼 상승하였고, 0.010초 동안 지속되었다. 또한,
사고가 제거된 약 15.2초에 상세계수값의 비율이 각각 217.507%, 64.053% 및 92.525%만큼 상승하였고, 0.009초 동안 지속되었다.
그림 4. 3상 단락사고 전력동요시 db5의 상세계수값의 비율 분석 결과
Fig. 4. Results of detail ratio analysis of db5 in power swing of three phase short
fault
4.1.2 동기탈조
동기탈조는 15초에 3상 단락사고를 지속시켜 시뮬레이션을 수행하였다. 그림 5는 동기탈조시 임피던스 궤적을 나타낸다. 그림 5와 같이, 15초에 동기탈조가 발생한 후, 임피던스 궤적이 Zone 1과 Zone 2 내부에 들어가지 않음을 알 수 있었다.
그림 5. 동기탈조시 임피던스 궤적
Fig. 5. Impedance trajectory in out of step
그림 6은 동기탈조시 db5의 상세계수값의 비율 분석 결과를 나타낸다. 그림 6과 같이, 식 (6)의 상세계수값의 비율이 사고 직후, 각각 85.758%, 373.009% 및 409.364%만큼 상승하였고, 0.010초 동안 지속되었다.
그림 6. 동기탈조시 db5의 상세계수값의 비율 분석 결과
Fig. 6. Results of detail ratio analysis of db5 in out of step
4.1.3 계자상실
계자상실 IED의 계산된 정정치는, Zone 1의 중심점 및 반지름은 4.795, 3.781이며, Zone 2의 중심점 및 반지름은 4.897, 3.883이었다[19]. 계자상실은 경부하(40%) 조건에서 15초에 여자기에서 발전기로 유입되는 여자전압의 값을 0으로 전환시켜 시뮬레이션을 수행하였다. 그림 7은 계자상실시 임피던스 궤적을 나타낸다. 그림 7과 같이, 정상상태시 7.604-j0.764Ω에서 운전하다가, 계자상실 이후 임피던스 궤적이 18.54초에 -1.454-j1.429Ω에서 Zone
1으로 진입하며, 약 0.242-0.171Ω으로 이동함을 알 수 있었다. 계자상실 IED 정동작을 알 수 있었다.
그림 7. 계자상실시 임피던스 궤적
Fig. 7. Impedance trajectory in loss of field
그림 8은 계자상실시 db5의 상세계수값의 비율 분석 결과를 나타낸다. 그림 8과 같이, 식 (6)의 상세계수값의 비율이 계자상실 발생 0.826초 이후, 각각 120.286%, 43.781% 및 52.725%만큼 상승하였고, 0.025초 동안
지속되었다.
그림 8. 계자상실시 db5의 상세계수값의 비율 분석 결과
Fig. 8. Results of detail ratio analysis of db5 in loss of field
4.2 결과 및 고찰
본 논문에서는 제시한 6가지 사례연구를 기반으로 사고각을 0도, 45도, 90도로 변화시키며 모의를 수행하였다. 이는 사고발생각의 가변에 따라 고조파가
함유된 전압과 직류옵셋이 함유된 전류의 크기 및 위상 변화가 제안된 DWT 상세계수값 비율 기법의 현상 식별 정확성에 미치는 영향을 분석하여, 신뢰성을
입증하기 위함이다. 표 2는 사고각이 0도 일 때, db5의 상세계수값의 비율 분석 결과를 나타낸다. 표 2와 같이, 전력동요의 경우, 사고 직후, 약 0.009초 동안 사고상의 상세계수값의 비율이 200% 이상 상승하였고, 사고발생 이후 상세계수값의 비율의
두번째 최대값도 약 0.043초 동안 30% 이상 상승하였다. 동기탈조의 경우, 사고 직후 약 0.009초 동안 사고상의 상세계수값의 비율이 80%
이상 상승하였으며, 사고발생 이후 두번째 최대값은 발생하지 않았다. 또한, 계자상실의 경우, 상세계수값의 비율은 지연되어, 약 15.807초에서 43%
이상 상승하였다.
표 2. 사고각이 0도 일 때, db5의 상세계수값의 비율 분석 결과
Table 2. Results of detail ratio analysis of db5 in fault angle 0
|
128s/c
(사고각 0도)
|
사고발생 직후
|
사고발생이후 2번째 피크
|
|
D1_ratio
|
Time
|
Duration
|
D1_ratio
|
Time
|
Duration
|
|
전력동요
(ABCS, 0.2s)
|
A상
|
85.758
|
14.992
|
0.010
|
217.507
|
15.199
|
0.090
|
|
B상
|
373.009
|
14.992
|
0.009
|
64.053
|
15.195
|
0.090
|
|
C상
|
409.364
|
14.992
|
0.009
|
92.525
|
15.199
|
0.090
|
|
전력동요
(AG, 0.2s)
|
A상
|
208.561
|
14.992
|
0.008
|
18.224
|
15.199
|
0.009
|
|
B상
|
40.097
|
14.992
|
0.008
|
5.261
|
15.199
|
0.009
|
|
C상
|
46.660
|
14.992
|
0.008
|
5.883
|
15.199
|
0.009
|
|
전력동요
(ABS, 0.2s)
|
A상
|
546.190
|
14.992
|
0.009
|
89.707
|
15.195
|
0.041
|
|
B상
|
210.494
|
14.992
|
0.009
|
34.911
|
15.195
|
0.040
|
|
C상
|
11.892
|
15.028
|
0.046
|
31.803
|
15.226
|
0.010
|
|
동기탈조
(ABCS, 계속지속)
|
A상
|
85.758
|
14.992
|
0.009
|
1.636
|
16.904
|
1.896
|
|
B상
|
373.009
|
14.992
|
0.009
|
0.486
|
15.826
|
1.897
|
|
C상
|
409.364
|
14.992
|
0.009
|
0.648
|
16.104
|
1.900
|
|
계자상실
(light)
|
A상
|
1.978
|
14.359
|
1.100
|
120.286
|
15.826
|
0.025
|
|
B상
|
0.607
|
14.631
|
1.100
|
43.781
|
15.823
|
0.025
|
|
C상
|
0.808
|
14.629
|
1.100
|
52.725
|
15.821
|
0.025
|
|
계자상실
(heavy)
|
A상
|
2.242
|
14.717
|
1.100
|
126.790
|
15.698
|
0.187
|
|
B상
|
1.445
|
14.356
|
1.100
|
85.066
|
15.843
|
0.187
|
|
C상
|
1.673
|
14.361
|
1.100
|
97.545
|
15.833
|
0.187
|
표 3은 사고각이 45도 일 때, db5의 상세계수값의 비율 분석 결과를 나타낸다. 표 3과 같이, 전력동요의 경우, 사고 직후, 약 0.009초 동안 사고상의 상세계수값의 비율이 400%이상 상승하였고, 사고발생 이후 상세계수값의 비율의
두번째 최대값도 약 0.042초 동안 30%이상 상승하였다. 동기탈조의 경우, 사고 직후 약 0.009초 동안 사고상의 상세계수값의 비율이 100%이상
상승하였으며, 사고발생 이후 두번째 최대값은 발생하지 않았다. 또한, 계자상실의 경우, 상세계수값의 비율은 지연되어, 약 15.851초에 45% 이상
상승하였다.
표 3. 사고각이 45도 일 때, db5의 상세계수값의 비율 분석 결과
Table 3. Results of detail ratio analysis of db5 in fault angle 45
|
128s/c
(사고각 45도)
|
사고발생 직후
|
사고발생이후 2번째 피크
|
|
D1_ratio
|
Time
|
Duration
|
D1_ratio
|
Time
|
Duration
|
|
전력동요
(ABCS, 0.2s)
|
A상
|
1071.440
|
14.994
|
0.009
|
112.387
|
15.198
|
0.089
|
|
B상
|
514.505
|
14.994
|
0.009
|
28.197
|
15.202
|
0.090
|
|
C상
|
133.943
|
14.994
|
0.009
|
33.264
|
15.202
|
0.090
|
|
전력동요
(AG, 0.2s)
|
A상
|
1703.687
|
14.994
|
0.009
|
17.911
|
15.199
|
0.009
|
|
B상
|
493.100
|
14.994
|
0.009
|
5.224
|
15.199
|
0.009
|
|
C상
|
576.592
|
14.994
|
0.009
|
5.841
|
15.199
|
0.009
|
|
전력동요
(ABS, 0.2s)
|
A상
|
1193.652
|
14.994
|
0.009
|
117.206
|
15.195
|
0.037
|
|
B상
|
452.884
|
14.994
|
0.009
|
44.040
|
15.195
|
0.037
|
|
C상
|
12.221
|
15.028
|
0.043
|
18.896
|
15.223
|
0.008
|
|
동기탈조
(ABCS, 계속지속)
|
A상
|
1071.440
|
14.994
|
0.009
|
1.530
|
16.383
|
1.870
|
|
B상
|
514.505
|
14.994
|
0.009
|
0.535
|
16.675
|
1.900
|
|
C상
|
133.943
|
14.994
|
0.009
|
0.649
|
15.392
|
1.900
|
|
계자상실
(light)
|
A상
|
1.972
|
14.359
|
1.100
|
75.734
|
15.845
|
0.030
|
|
B상
|
0.607
|
14.631
|
1.100
|
45.298
|
15.823
|
0.030
|
|
C상
|
0.767
|
14.487
|
1.100
|
51.987
|
15.845
|
0.030
|
|
계자상실
(heavy)
|
A상
|
2.240
|
14.717
|
1.100
|
125.062
|
15.885
|
0.195
|
|
B상
|
1.444
|
14.738
|
1.100
|
84.840
|
15.843
|
0.195
|
|
C상
|
1.673
|
14.361
|
1.100
|
97.109
|
15.864
|
0.194
|
표 4는 사고각이 90도 일 때, db5의 상세계수값의 비율 분석 결과를 나타낸다. 표 4와 같이, 전력동요의 경우, 사고 직후, 약 0.009초 동안 사고상의 상세계수값의 비율이 180% 이상 상승하였고, 사고발생 이후 상세계수값의 비율의
두번째 최대값도 약 0.039초 동안 15% 이상 상승하였다. 동기탈조의 경우, 사고 직후 약 0.009초 동안 사고상의 상세계수값의 비율이 180%
이상 상승하였으며, 사고발생 이후 두번째 최대값은 발생하지 않았다. 또한, 계자상실의 경우, 상세계수값의 비율은 지연되어, 약 15.830초에 45%
이상 상승하였다.
표 4. 사고각이 90도 일 때, db5의 상세계수값의 비율 분석 결과
Table 4. Results of detail ratio analysis of db5 in fault angle 90
|
128s/c
(사고각 90도)
|
사고발생 직후
|
사고발생이후 2번째 피크
|
|
D1_ratio
|
Time
|
Duration
|
D1_ratio
|
Time
|
Duration
|
|
전력동요
(ABCS, 0.2s)
|
A상
|
1119.182
|
14.996
|
0.009
|
112.091
|
15.198
|
0.089
|
|
B상
|
188.771
|
14.996
|
0.008
|
60.923
|
15.202
|
0.089
|
|
C상
|
267.371
|
14.996
|
0.009
|
72.641
|
15.202
|
0.089
|
|
전력동요
(AG, 0.2s)
|
A상
|
2294.516
|
14.996
|
0.008
|
16.350
|
15.199
|
0.009
|
|
B상
|
524.989
|
14.996
|
0.009
|
5.099
|
15.199
|
0.009
|
|
C상
|
620.953
|
14.996
|
0.009
|
5.635
|
15.199
|
0.009
|
|
전력동요
(ABS, 0.2s)
|
A상
|
762.537
|
14.996
|
0.009
|
167.649
|
15.203
|
0.040
|
|
B상
|
295.586
|
14.996
|
0.009
|
64.236
|
15.203
|
0.009
|
|
C상
|
45.146
|
15.035
|
0.009
|
59.170
|
15.235
|
0.009
|
|
동기탈조
(ABCS, 계속지속)
|
A상
|
1119.182
|
14.996
|
0.009
|
1.353
|
16.333
|
1.899
|
|
B상
|
188.771
|
14.996
|
0.008
|
0.586
|
16.581
|
1.899
|
|
C상
|
267.371
|
14.996
|
0.009
|
0.544
|
16.486
|
1.900
|
|
계자상실
(light)
|
A상
|
1.972
|
14.359
|
1.100
|
116.866
|
15.834
|
0.033
|
|
B상
|
0.607
|
14.631
|
1.100
|
45.324
|
15.823
|
0.033
|
|
C상
|
0.776
|
15.045
|
1.100
|
52.766
|
15.829
|
0.033
|
|
계자상실
(heavy)
|
A상
|
2.240
|
14.717
|
1.100
|
129.480
|
15.815
|
0.192
|
|
B상
|
1.444
|
14.738
|
1.100
|
84.918
|
15.820
|
0.192
|
|
C상
|
1.673
|
14.361
|
1.100
|
96.979
|
15.856
|
0.192
|
시뮬레이션 결과를 종합적으로 살펴보면, 제안된 DWT 상세계수값의 비율이 사고 유형과 사고각에 따라 뚜렷하게 구별되는 특성을 나타내고 있음을 확인하였다.
특히 전력동요는 사고 직후 상세계수 비율이 현저하게 증가하고 짧은 지속시간을 가지며 두 번째 피크가 존재하는 특징이 일관되게 나타났다. 반면 동기탈조는
사고 직후 상세계수 비율이 급격히 상승하나 두 번째 피크가 나타나지 않는 점이 명확히 구분되었다. 또한, 계자상실 현상은 상세계수 비율의 상승이 상대적으로
늦고 지속 시간이 긴 특성을 보여, 다른 현상들과 명확한 차별성을 알 수 있었다.
5. 결 론
전력동요, 동기탈조 및 계자상실은 공통적으로 임피던스 궤적 기반의 보호를 사용하기 때문에, 오·부동작하지 않고 각 현상들의 정확한 판별이 필요하다.
본 논문에서는 차세대 지능형 발전기 IED를 위한 선도적 연구의 일환으로, 칠보수력발전소를 PSCAD를 이용한 모델링과 여러 가지 시뮬레이션을 수행하였다.
또한, 오동작을 방지하고 전력동요, 동기탈조 및 계자상실 식별을 위하여, db5 모함수 기반 상세계수값의 비율을 제시하였다. 이벤트의 사고각을 가변하면서
분석한 결과, DWT 상세계수값의 비율의 임계값, 최대값 및 두번째 최대값의 변동의 특성을 이용하여 정확하게 3가지 현상을 구별할 수 있었다. 즉,
종래의 임피던스 기반 알고리즘을 DWT를 사용하여 보완함으로, 오동작을 방지하고, 3가지 현상을 정확하게 식별할 수 있었다.
상기 결과를 통해 제안된 방법은 다양한 사고 조건과 위상 변화에도 강건한 성능을 제공하며, 발전기 보호 시스템에 적용 가능한 신뢰성 높은 기법임을
확인하였다. 향후 다양한 현장 적용 사례 분석 및 추가적인 검증을 통해 제안 방법의 일반성과 적용 가능성을 더욱 높일 계획이다.
References
E. S. Kim, 2023, The Present and Future of Pumped Storage Power Plant, KHA, pp. 1-104

K. H. Ko, 2024, Hydropower technology localization and WESS development strategy,
KHNP Advisory Council, pp. 1-18

T. P. Ahn, C. W. Park, 2016, Localization of A class protection relay for hydro power
generator based on IEC 61850, KHNP, Final Report, pp. 1-169

D. J. Kim, 2001, Identification of Power System Oscillation Using DFT Algorithm, Trans.
KIEE, Vol. 50A, No. 5, pp. 218-224

S. J. Lee, 2003, A Study on Establishment of Protective Relay Setting Rules, KPX,
Final Report, pp. 1-151

S. I. Jang, M. C. Shin, 2002, Fault Detection during Power Swings, pp. 142-14

O. S. Kwon, C. H. Kim, 2006, A Study on Implementation of Out-of-Step Detection Algorithm
using VHDL, Trans. KIEE, Vol. 55A, No. 5, pp. 179-184

Y.S. Lyu, H. R. Joo, W J. Kim, J. H. Kim, 2008, A Study on Setting Rule and Analysis
for Loss of Generator Exciter, pp. 3-4

Y. Y. Park, C. W. Park, 2014, A Study on Loss of Excitation Algorithm for Generator
Field Protection, Trans. KIEE, Vol. 63P, No. 4, pp. 368-372

2013, A Review Report on the Adequacy of System Analysis and Protection Relays for
Local Production of the Water Turbine Generator of the Seomjingang Hydroelectric Power
Plant, pp. 1-406

Hasan Abniki, Hashem Alipour, Farzad Razavi, 2022, Practical Test of Synchronization
Relay

Sajad Ansari, Amir Bazhdar, Farzar Razavi, 2024, Practical Test of Power Swing Blocking
Relay, pp. 16-21

Hristina Petreska, Blagoja Arapinoski, 2024, Comparison of Dynamic Behavior of Dispersed
Generation Based on (A)Synchronous Generator and Inverter, pp. 1-4

Lei Chen, Xiaoyan You, Hongkun Chen, 2024, Optimal Impedance Reshaping Approach for
Inhibiting Subsynchronous Oscillation in Virtual Synchronous Generator Based on SMES-Battery,
IEEE Transactions on Applied Superconductivity, pp. 1-6

2024, IEEE Guide for AC Generator Protection, pp. 1-211

T. Amraee, M. Rasoulpour, A.K. Sedigh, 2019, Loss of Field Protection in Synchronous
Generators Based on Data Mining Technique, pp. 1-6

Ziyi Wen, 2021, Equivalent Modeling Based on Long Short-term Memory Neural Network
for Virtual Synchronous Generator, pp. 5881-5886

Varnika Gulati, Kusum Berma, 2023, Supervised Machine Learning to Identify Loss of
Excitation and Power Swing in a Generator

C. W. Park, 2024, A Study on Mal-operation Prevention for Intelligent Generator IED

M. Misiti, 2024, MATLAB – Wavelet Toolbox User’s Guide, pp. 1-1448

저자소개
He was born in Korea. He received his B.S., M.S. and Ph.D. degrees in Electrical Engineering
from Sungkyunkwan University, Seoul, Korea, in 1988, 1990, and 1996, respectively.
From 1989 to 1993 he was an associate researcher at Lucky GoldStar Industrial Systems.
From 1993 to 1996, he was a senior researcher at PROCOM system and lecturer at S.K.K.
University. At present, he is a professor in the Department of Electrical Engineering
at Kangwonu National University, since 1997. His research interests include power
IT, IED, LVDC, MVDC, Microgrid, Hybrid, RES, ESS, Fuel Cell, Electrolyzer, System
Measures, VPP, PMU, Big Data, EMT, AI application to power grid, power system modeling
& control, and computer application in power system. He is a member of the KIEE, KIIEE,
and IEEE. Dr. Park was awarded an Academic Award of KIEE in 2010, 2020, and 2025,
the Prize of the KOFST in 2017, the Best Paper of the APAP in 2021, the Best Paper
of KOWEPO in 2021, 2022, the Best Paper of KHNP in 2023, the Best Paper of KERI in
2024, and EWP in 2025.