이금재
(Geum-Jae Lee)
1iD
박철원
(Chul-Won Park)
†iD
-
강원대학교 전기공학과
(Dept. of Electrical Engineering, Kangwon National University, Republic of Korea.)
Copyright © The Korean Institute of Electrical Engineers
Key Words
CSCR, IBR, IRES, Jeju Hybrid Power System, MIESCR, Short-Circuit Current, Strength Index, SCR, Voltage Stability, WSCR
1. 서 론
COP21에 근거한 Net Zero 달성을 위한 에너지 전환 속에서 PV, WP 등 인버터 기반 자원(IBR, Inverter Based Resources)의
하이브리드 계통 연계가 급증하고 있다. 이는 계통의 관성 저하, 단락 전류 감소 및 전압·주파수 제어 한계 등 새로운 안정도의 위험성을 초래할 수
있다[1, 2]. 따라서 계통의 안정성을 정량 평가할 수 있는 적합한 강건도 지수(Strength Index)의 정의, 운영 및 활용 방안을 위하여 국제적인 관심이
증대되고 있다. 우리나라에서도 제주특별자치도가 Carbon-Free Island 2030 정책을 통해 재생에너지 중심의 전력 전환을 선도하고 있고,
중앙정부 역시 재생에너지·해상 풍력 확대를 포함한 에너지믹스 개편을 추진하고 있으며, 현재 제주 계통의 권역별 유연성(Resilience) 연구가
진행되고 있다[3, 4].
강건도 및 안정성 관련 국내 연구 동향으로는 Python 기반 WSCR(Weighted Short Circuit Ratio) 강건도 지수를 이용한
미래 계통 구축에 관한 연구가 수행되었고, WSCR을 이용한 재생에너지 수용 능력 한계 평가 방법이 제시되었다[5, 6]. 또한, SCR를 계산하여 계통 강건도 약화에 따른 동기 조상기 투입 효과와 영향이 분석되었고[7], 22.9kV/380V 배전계통에 연계된 스마트 인버터를 Matlab/Simulink에서 구현하여 SCR 및 전압 회복 영향 분석에 관한 연구가 수행되었다[8]. 근래 여러 가지 강건도 지수를 WP, PV가 연계된 간헐적 재생에너지 연계 계통에 적용하여 상호 작용 평가가 이루어졌다[9].
관련 해외 연구 동향으로는 다중 전력 전자 기반 장치 인피드 시스템(Infeed Systems)을 위한 일반화된 단락 회로 비율(Generalized
SCR)의 정의 및 이론적 분석 방법이 제시되었는데, 이 GSCR은 다중 입력 시스템을 n개의 독립적인 단일 입력 시스템으로 분해하여 기존 SCR을
물리적, 수학적으로 확장한 것이다[10]. 전기적으로 상호 연결된 RES 간의 상호 작용을 고려하기 위하여, 현장 종속 단락 비율(Site Dependent SCR)을 이용한 재생에너지
통합이 시스템 강도에 미치는 영향 평가가 수행되었다[11]. 또한, 비동기식 발전원 비중이 높은 전력계통을 위한 전력망 강건도의 정의 및 방법이 발표되었고[12], SVC가 존재하는 상황에서 전력 시스템의 강건도를 평가할 수 있는 새로운 지수를 제안한 후, 수정된 IEEE 39 버스 시스템에서 검증하였다[13]. 근래 단일 발전기-무한 버스 테스트 시스템에서, 약한 계통(Weak Grids)에서의 SCR과 전압안정도 및 초과 시스템 강도에 대한 분석적 평가가
수행되었고[14], 전기적 거리 및 상호 작용형 단락 회로 비율(ISCR, Interactive SCR)을 활용한 전력 시스템 강건도와 IBR 연결의 최적 위치를 식별하였다[15].
이에, IBR의 보급률이 높아짐에 따라 전력 시스템 강건도 평가는 중요한 개념으로 대두되고 있는바, 하이브리드 송전 및 배전 환경에 적용 가능한 강건도의
단계별 활용 가능성이 요구되고 있다.
본 논문에서는 IBR 기반 재생에너지 연계 계통의 강건도 평가를 위해 기존 지수인 SCR, CSCR(Composite SCR), WSCR 및 MIESCR(Multi-Infeed
Effective SCR)을 소개하고, 수정 Garver 송전계통과 제주 하이브리드 전력계통의 C 권역 배전계통에 적용한다. 먼저 PV 및 WP 연계를
추가하여 구성한 수정 Garver 계통에서 해당 지수들의 거동을 분석함으로써 TEP (Transmission Expansion Planning) 관점의
적용 가능성을 확인한다. 이어서 해당 지수들을 제주 배전계통에 시범 적용하여, 아직 강건성 평가 기준이 충분히 정립되지 않은 국내 배전계통에 대한
유효성과 한계를 논의한다. 이를 바탕으로 향후 국내 계통 특성에 부합하는 판정 기준 정립의 필요성을 제시하고자 한다.
2. 강건도 지수
2.1 SCR
SCR은 계통의 단락용량 대비 발전기용량의 비율로, 계통이 발전기를 견딜 수 있는 강도를 평가하는 가장 기본적인 지표로서 식 (1)과 같이 나타낼 수 있다.
여기서, SCCi는 i번째 모선의 단락용량, Pi는 연계된 IBR의 정격 출력이다.
2.2 CSCR
CSCR은 단일 발전기가 아닌 복수의 IBR이 동시에 연계되는 상황에서 계통의 강도를 평가하기 위하여 제안된 지표로서 식 (2)와 같이 나타낼 수 있다.
여기서, SCC는 등가화한 IBR의 단락 회로 용량, Pi는 해당 계통의 i번째 Node에 연계된 IBR의 정격 출력이다.
2.3 WSCR
WSCR은 복수 발전기의 연계 위치와 계통 특성을 반영하기 위해 각 발전기에 기여도를 가중치로 부여하여 산출하는 지표로서 식 (3)과 같이 나타낼 수 있다.
여기서, SCC는 등가화한 IBR의 단락 회로 용량, Pi는 해당 계통의 i번째 Node에 연계된 IBR의 정격 출력, $\alpha_i$ IBR의
연계 위치, 임피던스, 전압 민감도 등 가중치로 활용될 요소들의 값이다.
2.4 MIESCR
MIESCR은 계통 임피던스 행렬과 전압 상호작용 인자인 식 (4)의 NVIF(Nodal Voltage Interaction Factor)를 이용하여 Multi-Infeed System에서 발전기 간 상호작용을 고려한
지표로서 식 (5)와 같이 나타낼 수 있으며, 해당 값이 3.0 이상인 경우, 해당 계통을 강한 계통으로 평가한다[16, 17].
여기서, NVIFji는 Node j의 전력변화가 Node i의 전압에 미치는 상대적 영향도이며, 임피던스 행렬의 자기 임피던스 성분 $Z_{ii}$와
상호 임피던스 성분 $Z_{ji}$의 비이다.
3. 사례 연구 및 시뮬레이션
그림 1. IRES 연계 수정 Garver 계통
Fig. 1. IRES-linked modified Garver System
3.1 IRES 연계 수정 Garver 계통
그림 1은 기존 Garver 계통의 기본 데이터를 기반으로 WP 및 PV를 연계한 수정 Garver 계통을 구성하여 나타낸다. 그림 1과 같이, 6개의 모선에 1개의 AC 발전원과 2개의 IRES가 연계되어 있고, IRES1은 모선 3의 WP, IRES2는 모선 6의 PV이다[18].
표 1은 송전선로 데이터를, 표 2는 IRES 데이터를 각각 나타낸다.
표 1. 송전선로 데이터
Table 1. Transmission line data
|
From
|
To
|
Z [pu]
|
Flow Limit [MW]
|
|
1
|
2
|
0.1+0.4i
|
100
|
|
1
|
4
|
0.125+0.5i
|
80
|
|
1
|
5
|
0.05+0.2i
|
100
|
|
2
|
3
|
0.05+0.2i
|
100
|
|
2
|
4
|
0.15+0.6i
|
100
|
|
2
|
6
|
0.2+0.8i
|
100
|
|
3
|
5
|
0.05+0.2i
|
100
|
|
4
|
6
|
0.15+0.6i
|
100
|
표 2. IRES 데이터
Table 2. IRES data
|
Bus No.
|
Z
|
Pmax [MW]
|
mBase [MVA]
|
|
3
|
0.15
|
300
|
300
|
|
6
|
0.15
|
600
|
600
|
3.2 수정 Garver 계통의 강건도 분석
그림 2는 IRES1 용량 변동에 따른 수정 Garver 계통의 MIESCR을 나타낸다. 그림 2와 같이, IRES2를 50MW로 유지시키고, IRES1을 100MW에서 300MW로 증가함에 따라 MIESCR이 감소하였다. 안정한 계통의 MIESCR의
최소값 3.0에 대해, MIESCR1과 MIESCR2가 모두 3.0 이상의 값을 나타내도록 하는 IRES1의 최대값은 267MW이다. 즉, 주어진
조건에서 3번 모선의 WP (IRES1)가 267MW 이하로 계통에 연계될 때, 전압안정도 측면에서 안정한 영역에 속하여 계통을 안정적으로 운전할
수 있음을 알 수 있었다.
그림 3은 IRES2 용량에 따른 수정 Garver 계통의 MIESCR을 나타낸다. 그림 3과 같이, IRES1을 50MW로 유지시키고, IRES2를 100MW에서 600MW로 증가함에 따라 MIESCR이 감소하였다. 안정한 계통의 MIESCR의
최소값 3.0에 대해, MIESCR1과 MIESCR2가 모두 3.0 이상의 값을 나타내도록 하는 IRES2의 최대값은 209MW이다. 즉, 주어진
조건에서 6번 모선의 PV(IRES2)가 209MW 이하로 AC 계통에 연계될 때, 전압안정도 측면에서 안정한 영역에 속하여 계통을 안정적으로 운전할
수 있음을 알 수 있었다.
그림 2. IRES1 용량에 따른 수정 Garver 계통의 MIESCR
Fig. 2. MIESCR of the Modified Garver System according to IRES1 capacity
그림 3. IRES2 용량에 따른 수정 Garver 계통의 MIESCR
Fig. 3. MIESCR of the modified Garver System according to IRES2 capacity
그림 4는 Garver 계통에서 MIESCR ≥ 3.0의 강건도 판단 기준을 만족하는 IRES의 최대허용용량(Maximum Allowable Capacity,
MAC)을 산정하는 과정을 나타낸다. X축을 IRES1의 용량(P1), Y축을 IRES2의 용량(P2)인 경우, 앞서 도출한 MIESCR 산정 식을
직선 형태로 표현하였다. 이때 강건도 판단 기준을 만족하는 영역에 대하여 x+y가 최대가 되는 교점을 최적점으로 선정하고, 해당 교점의 좌표값을 각각
IRES1과 IRES2의 MAC으로 결정하였다. 즉, P1=173.355MW, P2=232.705MW로 운전 시 MIESCR 강건도 판단 기준을 만족하면서
IRES의 총 연계용량이 최대가 됨을 알 수 있었다.
그림 4. MIESCR 강건도 판단 기준 기반 수정 Garver 계통의 IRES의 최대허용용량
Fig. 4. MAC of IRES in the Modified Garver System based on the MIESCR Strength Judgment
Criteria
3.3 제주 하이브리드 전력계통
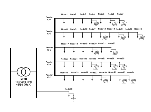
제주 전력계통은 6개 권역으로 나눌 수 있다[1]. 본 논문에서는 C 권역을 대상으로 강건도 분석을 진행하였다. 그림 5는 C 권역 하이브리드 전력계통의 단선도이다. 그림 5와 같이, C 권역은 변압기를 거쳐 상위 송전망으로부터 공급받은 전력은 4개의 Feeder를 통해 분기한다. 각 Feeder의 Node에는 일정한
부하가 배치되어 있으며, 일부 Node에는 PV와 WP가 연계된다. 각 배전 선로는 ACSR-160mm2로 구성되며, 0.203 + j0.348의
km당 임피던스 값을 가진다. 또한, Vbase는 변압기의 2차 측 전압 22.9kV, Sbase는 100MVA로 설정하여 모든 권역에 동일 적용하기
위해 pu 단위로 변환하였다. 계산 결과 C 권역의 Zbase는 5.244Ω, 선로 임피던스는 0.077pu/km이다[19, 20]. 표 3은 IRES가 연계된 C 권역 Node 들의 주요 파라미터를 나타낸다.
그림 5. 제주 하이브리드 전력계통의 C 권역 단선도
Fig. 5. Single line diagram of zone C of Jeju Hybrid Power System
표 3. C 권역 주요 파라미터
Table 3. Zone C key parameters
|
Feeder
|
IRES
|
Node No.
|
P [MW]
|
d [km]
|
|
C-1
|
PV
|
4
|
8.1
|
10
|
|
6
|
5
|
15
|
|
7
|
7
|
17.5
|
|
C-2
|
12
|
8.1
|
12.5
|
|
14
|
1.9
|
17.5
|
|
16
|
6
|
22.5
|
|
C-3
|
20
|
10.5
|
10
|
|
22
|
9.5
|
15
|
|
C-4
|
26
|
1.4
|
10
|
|
28
|
9
|
15
|
|
29
|
10
|
17.5
|
|
C-5
|
34
|
5.1
|
12.5
|
|
36
|
2
|
17.5
|
|
37
|
3
|
20
|
|
C-6
|
WP
|
38
|
11
|
10
|
3.4 제주 하이브리드 전력계통 C 권역의 강건도 분석
각 Feeder에 연결된 복수의 IBR이 연계된 계통 전체의 강건도 산정을 위해 등가화를 진행하였. 등가화된 계통의 임피던스(Zeq)는 식 (6)과 같이 나타낼 수 있다. 본 연구에서는 용량을 가중치로 한 평균법을 통해 산정하였다. 이는 큰 용량의 IBR이 단락용량에 더 큰 영향을 미침을 고려하기
위함이다.
여기서, Zeq는 등가 임피던스, Pi는 i번째 Node의 정격 출력, Zline,i는 i번째 Node의 선로 임피던스이다.
식 (6)에 의해 단락용량은 74.49MVA, 등가 SCR은 0.763이다. 3.0 이상의 SCR 값을 가지는 계통을 강한 계통으로 평가하는 CIGRE 기준에
의하면, C 권역의 전력계통은 상당히 불안정하다고 판단된다. 이는 고용량의 IBR이 다수 연계되었기 때문인데, 강건도 강화를 위해 IBR의 연계 용량을
조절한다고 한다면, 24.831MW 이하로 연계 시, 계통의 등가 SCR은 3.0 이상의 값을 가지고 강한 계통의 조건을 갖출 수 있게 된다.
등가 SCR은 단일 등가 모델에 대한 값이므로 계통의 국부적인 특성을 충분히 반영하지 못한다. 따라서 실제 계통 해석을 위해서는 지점별 SCR의 개별
산정을 통한 국지적 강도의 고려가 필요하다. 이때 IBR이 연계되는 Node의 경우, 배전계통에 전력 투입을 위한 승압용 변압기의 사용이 필수적이다.
따라서 본 논문에서는 IBR 연계 Node에 한해 변압기 임피던스(Ztr)를 추가적으로 반영하였다. IEEE 및 CIGRÉ의 승압용 변압기에 대한
시뮬레이션 자료를 참고하여 0.25pu로 통일하여 적용하였다. 표 4는 C 권역의 Node 별 파라미터와 산정된 SCR값이다.
표 4. C 권역의 Node 별 특성 및 SCR
Table 4. Parameters and SCR for each Node in zone C
|
Feeder
|
Node No.
|
P [MW]
|
d [km]
|
|Zeq|
|
SCC
|
SCR
|
|
C-1
|
4
|
8.1
|
10
|
1.018
|
98.232
|
12.127
|
|
6
|
5
|
15
|
1.402
|
71.327
|
14.265
|
|
7
|
7
|
17.5
|
1.594
|
62.735
|
8.962
|
|
C-2
|
12
|
8.1
|
12.5
|
1.210
|
82.645
|
10.203
|
|
14
|
1.9
|
17.5
|
1.594
|
62.735
|
33.019
|
|
16
|
6
|
22.5
|
1.978
|
50.556
|
8.426
|
|
C-3
|
20
|
10.5
|
10
|
1.018
|
98.232
|
9.355
|
|
22
|
9.5
|
15
|
1.402
|
71.327
|
7.508
|
|
C-4
|
26
|
1.4
|
10
|
1.018
|
98.232
|
70.166
|
|
28
|
9
|
15
|
1.402
|
71.327
|
7.925
|
|
29
|
10
|
17.5
|
1.594
|
62.735
|
6.274
|
|
C-5
|
34
|
5.1
|
12.5
|
1.210
|
82.645
|
16.205
|
|
36
|
2
|
17.5
|
1.594
|
62.735
|
31.368
|
|
37
|
3
|
20
|
1.786
|
55.991
|
18.664
|
|
C-6
|
38
|
11
|
10
|
1.018
|
98.232
|
8.930
|
위의 값을 통해 IRES가 연계되는 지점의 국부적 특성을 반영한 SCR을 산정할 수 있다. 본 논문에서는 동일 피더 내 연계 지점들의 SCR을 상호
비교하여, 그중 가장 작은 SCR 값을 가지는 연계 지점을 취약 지점으로 판단하고, 해당 지점에 대한 추가적인 관리 및 운전 전략의 검토가 필요함을
제시한다. C 권역의 취약 지점은 7, 16, 22, 29, 34, 38번 Node이다.
기존의 강건도 지수들은 복수의 IBR이 밀집 연계되는 경우, 단순한 합산 혹은 가중치 처리만으로는 실제 계통에서 발생하는 상호 영향을 충분히 설명하기
어렵다. MIESCR은 NVIF를 가중치로 두어 계통 내 IBR 연계 노드 간의 전기적 상호작용을 반영하여 다수 IBR이 집적된 권역이나 선로 말단과
같이 전압 민감도가 높은 구간에서 취약성을 더 명확히 드러낸다.
본 논문에서는 C 권역의 변압기 2차 측(22.9kV Bus)을 Slack 모선으로 하여 IBR이 연계된 15개 Node에 대한 어드미턴스 행렬(YBus)를
구성한 후, 유사 역행렬 계산을 통해 임피던스 행렬(ZBus)를 구하였다. 식 (4)에 따라 구한 NVIF 값을 식 (5)에 대입하여 MIESCR 값을 산정하였다. 표 5는 C 권역의 IBR 연계 Node에 대한 SCR과 MIESCR이다.
표 5. C 권역 IBR 연계 Node의 SCR 및 MIESCR
Table 5. SCR and MIESCR of IBR connected Nodes in zone C
|
Feeder
|
Node No.
|
SCR
|
MIESCR
|
|
C-1
|
4
|
13.417
|
7.520
|
|
6
|
15.428
|
6.120
|
|
7
|
9.616
|
5.338
|
|
C-2
|
12
|
11.142
|
7.250
|
|
14
|
35.426
|
7.350
|
|
16
|
8.927
|
6.303
|
|
C-3
|
20
|
10.350
|
5.909
|
|
22
|
8.120
|
4.977
|
|
C-4
|
26
|
77.628
|
11.681
|
|
28
|
8.571
|
4.219
|
|
29
|
6.731
|
4.041
|
|
C-5
|
34
|
17.697
|
10.167
|
|
36
|
33.655
|
9.344
|
|
37
|
19.887
|
10.126
|
|
C-6
|
38
|
9.880
|
7.660
|
MIESCR 값 또한, 연계 용량이 상대적으로 낮은 배전계통의 특성으로 인해 판단 기준에 비해 크게 산정되었으나, Node 간 상호작용을 포함함으로써
전반적으로 작아지고 편차가 줄어들었다. 취약 Node에 대해서는 대부분 유사한 경향성을 나타냈으나, C-5 Feeder의 경우 Feeder 내에서
가장 큰 SCR 값을 가졌던 36번 Node가 MIESCR은 가장 작게 산정되어, 인접 Node들과의 상호작용이 강건도에 큰 영향을 미침을 확인할
수 있었다.
4. 결 론
본 논문에서는 수정 Garver 계통과 제주 하이브리드 전력계통을 대상으로 IBR 대규모 연계에 따른 계통 강건도 분석을 수행하였다. 먼저 계통 강도
지표인 SCR, CSCR, WSCR, MIESCR를 정리한 후, 이를 수정 Garver 계통에 적용하여 그 유효성과 특성을 검증하였다. 이어 제시한
방법론을 우리나라 배전계통 환경에 적용하기 위해 제주 C 권역 하이브리드 배전계통을 대상으로 계통 등가화 및 용량 가중치 기반의 등가 SCR을 산정함으로써
권역 수준의 전반적 강건도와 허용 연계용량을 평가하였다. 또한, 연계 지점별 SCR을 산정하여 국부적 특성에 따른 취약 지점을 도출하였으며, 나아가
MIESCR을 적용해 다중 연계에 따른 전압 상호작용까지 반영한 강건도 평가를 수행하였다. 연계 용량이 작은 배전계통의 특성으로 인해 절대치는 높게
산정되었으나 기존 지표들과 비교할 때 전반적으로 낮고 편차가 줄어드는 경향을 보였다. 특히 C-5 Feeder의 36번 Node는 가장 높은 SCR을
가졌음에도 불구하고 MIESCR이 최소로 나타나, 인접 Node 간 상호작용이 계통 강건도에 크게 영향을 미침을 확인하였다.
References
H. J. Han, 2022, Achievements and Challenges in Jeju’s Pursuit of Carbon Fee Island;
Implications for Carbon Neutrality of Korea, pp. 347-374

I. J. Jung, 2024, Analysis of Voltage Instability Pattern in the Korean Electric Power
System According to the Renewable Energy Generation Increase, KIEE Journal, Vol. 73,
No. 9, pp. 1519-1527

2024, Strategy to expand renewable energy supply and strengthen supply chain, pp.
1-12

2024, Basic Act on Carbon Neutrality and Green Growth to Respond to Climate Crisis,
pp. 1-22

S. J. Park, J. Hur, H. J. Kim, Y. S. Cho, 2018, A Study on Future System Construction
Using WSCR Strengthness Index based on Python, KIEE, Vol. 67, No. 8, pp. 994-1001

S. Y. Jung, J. H. Shin, J. G. Lee, 2021, A Method of Renewable Energy Hosting Capacity
Evaluation for Transmission System using WSCR, pp. 36-37

S. H. Kim, K. Hur, 2022, A Study on Contribution of Synchronous Condenser in Weak
Grid, pp. 239-240

D. Y. Gwon, Y. H. Choi, 2024, A Study on Analysis of Voltage Recovery Impact of Smart
Inverter Based on Distribution System Characteristics, The Transactions of the Korean
Institute of Electrical Engineers, Vol. 73, No. 7, pp. 1112-1118

G. J. Lee, 2025, A Study on the Strength Measure of Intermittent Renewable Energy
Sources Interconnection System, pp. 1078-1079

H. Xin, W. Dong, D. Gan, D. Wu, X. Yuan, 2017, Generalized Short Circuit Ratio for
Multi Power Electronics based Devices Infeed Systems: Definition and Theoretical Analysis,
arXiv preprint arXiv:1708.08046

D. Wu, G. Li, M. Javadi, A. M. Malyscheff, M. Hong, J. N. Jiang, 2018, Assessing Impact
of Renewable Energy Integration on System Strength Using Site-Dependent Short Circuit
Ratio, IEEE Transactions on Sustainable Energy, Vol. 9, No. 3, pp. 1072-1082

Z. Xu, N. Zhang, Z. Zhang, Y. Huang, 2023, The Definition of Power Grid Strength and
Its Calculation Methods for Power Systems with High Proportion Nonsynchronous-Machine
Sources, Energies, Vol. 16, No. 4, pp. 1842

L. Liyanarachchi, N. Hosseinzadeh, A. Gargoom, E. M. Farahani, 2023, A New Index for
the Assessment of Power System Strength Considering Reactive Power Injection and Interaction
of Inverter Based Resources, Sustainable Energy Technologies and Assessments, Vol.
60, pp. 103460

A. Boricic, J. L. R. Torres, M. Popov, 2023, Beyond SCR in Weak Grids: Analytical
Evaluation of Voltage Stability and Excess System Strength

L. Liyanarachchi, N. Hosseinzadeh, A. Gargoom, 2024, Power System Strength Screening
Technique with Interactive Short Circuit Ratio (ISCR)

E. Rahimi, 2011, Voltage Interactions and Commutation Failure Phenomena in Multi-Infeed
HVDC Systems, Ph.D. dissertation

Y. V. Makarov, 2017, Models and Methods for Assessing the Value of HVDC and MVDC Technologies
in Modern Power Grids, Annual Report, PNNL-26640

L. L. Garver, 1970, Transmission Network Estimation Using Linear Programming, IEEE
Transactions on Power Apparatus and Systems, Vol. PAS-89, No. 7

2019, Aluminium Stranded Conductors Steel Reinforced

M. Walker, 1989, Aluminum Electrical Conductor Handbook Second Edition

저자소개
He was born in Korea in 2000. He received his B.S. degrees in Electrical Engineering
from Kangwon National University, Korea. He is an assistant researcher of Power IT
Lab, since 2025. His research interests include Smartgrid, LVDC, Microgrid, RES, PMU,
EMT, application of power system, power system modeling & control, and power system
protection. He is a member of the KIEE and KIIEE.
Tel : 033-760-8796, Fax : 033-760-8781
E-mail : lgj6880@naver.com
He was born in Korea. He received his B.S., M.S. and Ph.D. degrees in Electrical Engineering
from Sungkyunkwan University, Seoul, Korea, in 1988, 1990, and 1996, respectively.
From 1989 to 1993 he was an associate researcher at Lucky GoldStar Industrial Systems.
From 1993 to 1996, he was a senior researcher at PROCOM system and lecturer at S.K.K.
University. At present, he is a professor in the Department of Electrical Engineering
at Kangwonu National University, since 1997. His research interests include power
IT, IED, LVDC, MVDC, Microgrid, Hybrid, RES, ESS, Fuel Cell, Electrolyzer, System
Measures, VPP, PMU, Big Data, EMT, AI application to power grid, power system modeling
& control, and computer application in power system. He is a member of the KIEE, KIIEE,
and IEEE. Dr. Park was awarded an Academic Award of KIEE in 2010, 2020, and 2025,
the Prize of the KOFST in 2017, the Best Paper of the APAP in 2021, the Best Paper
of KOWEPO in 2021, 2022, the Best Paper of KHNP in 2023, the Best Paper of KERI in
2024, and EWP in 2025.
Tel : 033-760-8786, Fax : 033-760-8781
E-mail : cwpark1@kangwon.ac.kr