배영민
(Young-Min Bae)
1iD
이성준
(Sung-Jun Lee)
1iD
이상력
(Sang-ryuk Lee)
1iD
김종훈
(Jonghoon Kim)
†iD
-
충남대학교 전기공학과
(Dept. of Electrical Engineering, Chungnam National University, Republic of Korea.)
Copyright © The Korean Institute of Electrical Engineers
Key Words
Lithium titanate oxide batteries, Battery management system (BMS), Stage-of-charge (SOC), Passive cell equalizer
1. 서 론
리튬이온 배터리(Lithium-ion battery; LIB)는 높은 용량과 에너지 밀도, 낮은 자가 방전의 특징을 가지고 있어 다양한 애플리케이션
영역에서 에너지원으로써 사용된다 [1]-[2]. 전기차(Electric vehicle; EV)와 에너지저장장치(Energy storage system; ESS)와 같이 고전압 및 고용량을 요구하는
애플리케이션은 수많은 셀을 결합하여 만들어진다. 이렇게 구성된 배터리 팩은 셀 제조 공정상의 편차, 배터리 팩 구조에 따른 열적 불균형, 셀 간 노화
편차 등과 같이 다양한 이유로 배터리 팩 내의 셀 간 불균형이 발생한다 [3]. 이러한 편차 배터리 팩 내 셀들은 서로 다른 전압 레벨을 갖게 되며, 충전 및 방전을 지속할수록 이러한 전압 편차는 증가하게 된다 [4]. 이러한 현상은 배터리의 유효 수명과 가용 용량을 감소시키므로, 배터리 팩을 구성하는 셀 간 전압 불균형을 해소하기 위해 이퀄라이저의 적용이 필수적이다
[5]. 이퀄라이저는 고전압을 가진 셀의 잉여에너지를 열로 방출하여 불균형을 해소하는 수동형 셀 이퀄라이저(Passive cell equalizer)와
잉여에너지를 에너지원으로써 사용하여 다른 셀을 충전하는 능동형 셀 이퀄라이저(Active cell equalizer)로 구분된다 [6]. 이러한 셀 이퀄라이저는 에너지를 소비 혹은 변환하므로 발열이 필수적으로 발생하고, 이를 통해 배터리 팩으로 온도가 전이되어 배터리 팩이 손상될
수 있다 [7]. 따라서, 배터리 팩의 불균형을 완화하는 동시에 온도 상승에 따른 배터리 팩의 손상을 방지하기 위해 특정 온도 이상에서는 셀 이퀄라이저의 동작을
제한하는 제어 방법이 필요하다.
이를 위해 배터리 팩 온도가 허용 한계를 초과할 경우, 수동 셀 이퀄라이저는 FET(Field effect transistor)를 제어하여 전류를
억제하여 발열을 줄이거나, 열관리 시스템의 효율을 증가시켜 발생한 열을 효과적으로 방출함으로써 배터리 팩의 손상을 방지할 수 있다. 마찬가지로 능동
셀 이퀄라이저도 동작을 멈추게 하여 열 발생을 줄이거나, 수동 셀 이퀄라이저와 동일하게 열관리 시스템을 통해 발열을 제어하여 안전성을 확보할 수 있다.
이처럼 다양한 셀 이퀄라이저 관련 토폴로지가 연구되고 있지만 [8], 현재까지는 공간 제약과 제조 비용 문제로 수동형 셀 이퀄라이저가 주로 사용되고 있다. 능동형 셀 이퀄라이저는 다양한 하드웨어 토폴로지가 존재하고
이를 제어하기 위한 다양한 제어 방법이 연구되고 있다 [9]-[10]. 그러나 수동형 셀 이퀄라이저의 동작 기준, 즉 셀 간 전압 차이 및 충전 상태(State of charge; SOC)에 따른 셀 이퀄라이저가 동작한
이후, 배터리 팩의 전체 용량 측면에서 비교 및 분석되지 않고 있으며, 오로지 제어 방법에 따른 셀 간 전압 혹은 SOC 편차, 불균형 해소에 소비되는
시간을 비교하고 있다 [11]-[12]. 또한, 특정 애플리케이션 환경에서 배터리 팩의 셀 간 전압 불균형이 배터리 팩의 가용 용량 및 수명 특성에 미치는 영향에 대한 연구 역시 부족한
상황이다 [13]. 기존 상용 BMIC(Battery management integrated circuit)는 비용 절감을 위해 수동 셀 이퀄라이저 방식을 채택하고
있지만, 최대 밸런싱 전류는 약 150mA 수준에 불과하여 고용량 배터리 팩에서는 밸런싱 완료까지 오랜 시간이 소요되는 단점이 있다. 이를 해결하기
위해 수동 셀 이퀄라이저의 전류를 높여 불균형 해소에 걸리는 시간을 단축하기 위한 목적의 연구가 진행되고 있으나, 높은 전류로 인하여 전압 모니터링에
필요한 센싱 라인과 배터리관리시스템(Battery management system; BMS)이 과열되는 문제가 발생할 수 있다. 이러한 문제를 해결하기
위해 발열을 억제하기 위한 다양한 방안들이 연구되고 있다.
전압을 기준으로 동작하는 셀 이퀄라이저는 BMS로부터 각 셀의 전압, 팩의 전류, 측정 지점의 온도를 측정한 후, 셀 간 전압 차이가 설정된 기준을
초과하는 경우 이를 감지하여 동작하도록 설계되어 있다. 상대적으로 높은 전압을 갖는 셀을 식별한 후, 해당 셀과 연결된 FET를 직접적으로 제어하여
고정 저항을 통해 잉여에너지를 소모하는 방식이다 [14]. 이 방법은 셀 전압에 따라 전류가 수동적으로 결정되어 정밀한 전류 제어가 어렵다는 한계를 갖는다. 또한, 셀 전압만을 기준으로 동작하므로 셀의
열화에 따른 용량 변화는 반영되지 않으며, 이로 인해 노화된 특정 셀에서 불필요하게 셀 이퀄라이저의 동작이 반복되어 전체 배터리 팩의 가용 용량을
저하시킬 수 있다. 게다가 센서 노이즈나 측정 오차로 인해 셀 이퀄라이저의 오동작을 통해 불균형을 심화시킬 수 있다 [15].
SOC을 기준으로 동작하는 셀 이퀄라이저는 배터리로부터 측정된 전압, 전류, 온도 데이터를 기반으로 배터리의 현재 상태를 추정하고, 추정된 배터리의
상태 값이 기준치 이상의 불균형을 갖을 경우 셀 이퀄라이저를 동작시켜 불균형을 완화하는 방법이다 [16]. 하지만, 배터리의 상태정보는 실제로 측정이 불가능한 값이며, 오로지 측정된 데이터를 기반으로 계산되는 추정치이다. 따라서, 모델의 부정확함, 알고리즘의
부정확함, 센서의 오차 등과 같은 이유로 배터리의 상태 추정 오차가 발생할 수 있다. 이렇게 발생한 추정 오차에 따라 셀 이퀄라이저가 오동작할 수
있으며, 셀 간 불균형을 오히려 심화시킬 수 있다는 문제점을 갖고 있다 [17].
본 논문은 셀 이퀄라이저 기준별 배터리 팩의 가용 용량을 비교하기 위해 수동 셀 이퀄라이저를 포함한 실제 BMS의 하드웨어를 제작하고, 제안하는 밸런싱
플로우차트에 맞추어 펌웨어와 배터리의 상태지표 SOC를 추정하기 위해 SOC 추정 모델을 설계 및 탑재하였다. 위와 같이 설계된 BMS를 기반으로
테스트 목적으로 인위적인 불균형을 발생시키고 이를 해결하기 위해 전압 및 SOC를 기준으로 하는 수동 셀 이퀄라이저 동작을 통해 불균형을 해소하고,
배터리 팩의 가용 용량의 비교를 통해 수동 셀 이퀄라이저 동작 기준에 따라 배터리 팩의 가용 용량을 비교 분석하였다. 이러한 밸런싱 기준에 따른 가용
용량 분석을 통해 ESS 및 EV와 같은 애플리케이션에 사용되는 배터리 팩의 가용 용량을 최대로 사용할 수 있다.
2. 배터리 관리 시스템 설계
2.1 배터리 관리 시스템 회로 구성
그림 1. 배터리 관리 시스템 블록 다이어그램
Fig. 1. BMS Block diagram
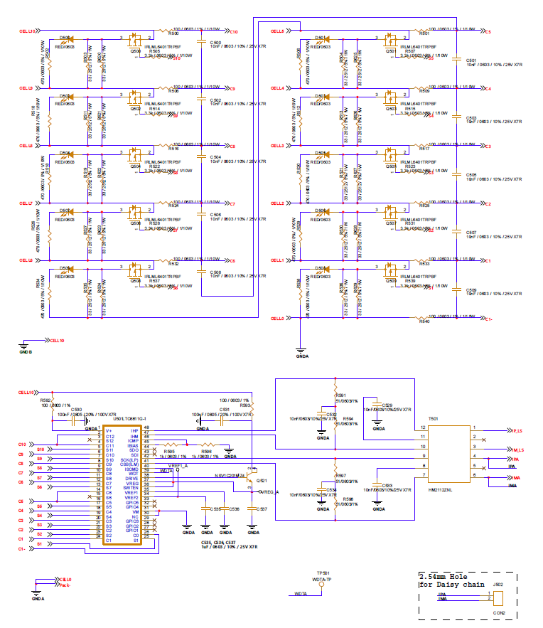
그림 2. CMU 회로도
Fig. 2. CMU circuit
배터리 팩 내 불균형 문제를 해결하기 위해 본 논문에서는 그림 1과 같이 BMU(Battery management unit)와 CMU(Cell monitoring unit)가 단일 PCB(Printed circuit
board)에 통합된 중앙집중형 구조를 채택하여 수동 셀 이퀄라이저를 포함하는 BMS 회로를 설계하였다. 전체적인 동작을 제어하는 BMU의 MCU(Microcontroller
unit) 회로도는 그림 2와 같이 구성되었다. 해당 회로도에는 MCU의 펌웨어 업데이트를 위한 JTAG 포트와 디버깅 목적의 UART(Universal asynchronous
receiver/ transmitter) 포트, MCU의 리셋을 위한 스위치로 구성되었다. 가장 중요한 MCU는 STM의 STM32F407VG를 선정하였고,
전류 측정 회로, 팩 전압 측정 회로, CAN(Controller area network) 통신 회로, 릴레이 제어 회로 등을 설계하였다. 시스템의
절연성과 안정성을 확보하기 위해 절연 DCDC를 활용하여 전원 공급 회로를 추가하였다. 셀 전압을 실시간으로 모니터링하기 위한 CMU는 그림 3과 같으며, 주요 자재인 BMIC는 ADI의 LTC6811-1를 사용하였다. 다수의 BMIC를 제어하기 위해 Daisychain 방식의 IsoSPI(Isolated
serial peripheral interface) 통신을 이용하여 2개의 IC를 연결하여 24채널의 셀 전압을 측정할 수 있도록 설계하였으며, 전체
BMS 내 사용된 주요 자재는 표 1에 나타내었다.
표 1. 배터리 관리 시스템 내 주요 자재
Table 1. Critical component list in BMS
|
|
Category
|
Part number
|
|
CMU
|
FET
|
RLML6401TRPBF
|
|
BMIC
|
LTC6811HG-1
|
|
REGISTER
|
CRCW251233R0FKEG
|
|
BMU
|
MCU
|
STM32F407VG
|
|
CAN interface
|
ADM3053BRWZ
|
|
DCDC
|
VRB2405S-6WR3
|
|
IsoSPI interface
|
LTC6820IMS#TRPBF
|
|
Op-amp
|
TLV9062IDR
|
그림 3. BMU 내 MCU 회로도
Fig. 3. MCU circuit in the BMU
그림 4. 제작된 배터리 관리 시스템 보드
Fig. 4. Custom BMS PCBA
셀 이퀄라이저에 사용되는 저항은 타겟 배터리의 낮은 전압 특성을 고려하여 33Ω 2개를 병렬로 연결해 총 저항 16.5Ω으로 구성하였으며, 이러한
구성을 통해 밸런싱 전류는 최소 174mA, 최대 207mA으로 설정하였다. 밸런싱 전류가 흐르는 전선은 기존 배터리 팩의 셀 전압을 측정하기 위한
셀 전압 측정 라인을 이용하였다. 추가로, 에너지 소비로 발생하는 열 발산을 위해 PCB의 밸런싱 저항의 패드를 최대한 넓게 설계하여 셀 이퀄라이저가
동작되는 과정에서 생성되는 열 에너지를 최대한 분산되도록 하였으며, 밸런싱 회로 동작의 동작을 제어하는 FET는 LTO 배터리 낮은 전압 특성에 맞추어
도통 저항과 문턱 전압이 낮은 특성을 갖는 자재를 선정하였다. 그림 4는 최종적으로 만들어진 BMS PCBA(Printed circuit board assembly)를 보여준다.
2.2 수동 셀 이퀄라이저 제어 설계
그림 5. 수동 셀 밸런싱의 순서도 (a) 전압 기반 밸런싱. (b) SOC 기반 밸런싱.
Fig. 5. The flowchart of passive balancing (a) voltage based balancing. (b) SOC based
balancing.
수동 셀 이퀄라이저를 제어하기 위한 변수를 셀 전압과 SOC로 선정하였다. 그림 5(a)는 전압을 기준으로 동작하는 수동 셀 이퀄라이저의 순서도를 나타낸다. 밸런싱 시작 조건은 휴지상태에서 50mV 이상의 전압 편차가 발생하고, 가장
낮은 셀의 SOC가 80% 이상일 경우로 정의하였다. 밸런싱 모드로 진입하면 구성된 BMS의 셀 전압 측정 최대 오차를 고려하여 각 채널의 전압과
최소 전압의 차이가 2mV를 초과할 때 해당 채널을 밸런싱이 필요한 채널로 판단한다. 선택된 채널은 수동 셀 이퀄라이저 회로의 FET를 활성화하여
지정된 시간 동안 저항을 통해 초과에너지를 소모하고, 이후 배터리의 히스테리시스 특성에 따른 전압 측정의 오차를 방지하기 위해 일정 시간 휴지기를
갖는다. 이후, 다시 셀 전압을 측정하여 셀 간 편차가 10mV 이내로 감소했는지 평가하고, 이를 통해 밸런싱 모드 지속 여부를 결정한다. 본 논문에서는
전압 편차의 크기에 따라 밸런싱 시간을 차등 적용하였으며, 50mV 이상일 경우 5분, 50mV 이하로 감소한 경우 1분 동안 밸런싱을 수행하도록
설계하였다. 또한 밸런싱 전류가 정격 전류 대비 낮게 설정되어 있어 열적 부담이 적다고 판단하여 휴지기는 10초로 설정하였다.
그림 5(b)는 SOC를 기준으로 동작하는 수동 셀 이퀄라이저의 순서도를 나타낸다. 밸런싱 시작 조건은 휴지상태에서 SOC 5% 이상의 편차가 발생하고, 가장
낮은 셀이 SOC가 80% 이상일 경우로 정의하였다. 밸런싱 모드로 진입하면 SOC의 추정 오차를 고려하여 가장 낮은 SOC와 각 채널의 SOC의
차이가 0.2%를 초과할 때 해당 채널을 밸런싱이 필요한 채널로 판단한다. 선택된 채널은 수돌 셀 이퀄라이저를 활성화하여 지정된 시간 동안 초과에너지를
소모하고, 이후 배터리의 히스테리시스 특성에 따른 전압 측정 오차를 제거하기 위해 일정 시간 휴지기를 갖는다. 이후, 다시 셀 전압을 측정하고 측정된
데이터를 이용하여 SOC를 추정하고 셀 간 SOC 편차가 1% 이내로 감소했는지 평가하고, 이를 통해 밸런싱 모드 지속 여부를 결정한다. 전압과 마찬가지로
밸런싱 시간을 1분, 휴지기는 10초로 설정하였다.
본 논문에서는 정확한 밸런싱 동작을 위해 BMS 내에서 측정되는 모든 센서에 모든 초기값을 측정하고 이를 측정 오프셋으로 정의하였다. 배터리 팩과
연결하여 측정된 데이터와 저장된 오프셋 데이터를 뺀 값을 실제 측정 데이터를 실제 데이터로 사용하였다. 추가로 측정 데이터 오차에 대한 영향을 제거하기
위해 20ms마다 측정되는 BMS의 측정 데이터에 이동 평균 필터(Moving average filter; MAF)를 적용하여 측정되는 전압과 전류,
온도 등의 데이터를 이용한 밸런싱 동작의 신뢰성을 확보하였다.
3. 배터리 상태 정보 추정
3.1 배터리 등가회로 모델링
그림 6. 1차 등가회로 모델
Fig. 6. First-order equivalent circuit model
배터리의 상태지표인 SOC는 현재 배터리의 잔존 용량을 사용 가능한 용량으로 나눈 값으로, 배터리의 충전 상태를 나타내는 주요 지표이다. SOC는
직접 측정이 불가한 변수이므로, 이를 추정하기 위해 전류 적산 방식, 모델 기반 방식, 데이터 기반 방식 등을 다양한 방법을 활용하여 추정할 수 있다.
가장 기본이 되는 전류 적산 방식은 식 1과 같이 배터리에서 출력되는 전류를 적산하여 용량을 구하는 방식으로 측정되는 전류가 정확할 경우 가장 높은 정확성을 갖지만, 전류 측정의 노이즈로
인하여 오차가 누적되어 사용 시간이 길어질수록 오차가 심화되는 문제가 존재한다. 데이터 기반 방식은 빅 데이터를 이용하기 위해 머신러닝이나 통계 모델을
활용하여 BMS에서 측정된 데이터와 SOC간의 관계를 학습하여 추정하는 방법으로 높은 정확성을 갖지만, 대량의 학습 데이터가 필요하고 측정된 데이터를
연산하기 위한 방대량 연산 능력이 필요하다는 문제가 있다. 따라서, 본 논문에서 소형 제어기가 탑재된 BMS에 적용하기 위해 계산량과 시스템의 제한된
연산자원을 고려하여 모델 기반 방식을 선정하였다.
모델 기반 SOC 추정은 린트(Rint) 모델, 테브닌(Thevenin) 모델, PNGV(The partnership for a new generation
of vehicle) 모델, GNL(General nonlinear) 모델 등과 같이 다양한 모델이 사용되고 있다 [18]. 본 논문에서는 구현이 상대적으로 간단하면서도 비교적 높은 정확도를 제공하는 테브닌 1-RC 등가회로 모델을 채택하였다. 그림 6은 배터리 셀의 테브닌 등가회로 모델을 나타낸 것으로 내부저항 R, 확산저항 Rdiff, 확산 커패시터 Cdiff, 개방 회로 전압(Open circuit
voltage; OCV), 그리고 단자 전압 Vt로 구성된다 [19].
3.2 파라미터 추출을 위한 시험
배터리 등가회로 적용을 목적으로 1-RC 모델의 내부저항 R과 확산저항 Rdiff 확산 커패시터 Cdiff를 추출하기 위해, 배터리 과 배터리 충전
및 방전이 가능한 배터리 충방전기를 연결하여 테스트 환경을 구성하였다. 배터리의 실제 용량을 구하기 위해 25℃로 세팅된 항온 챔버에 배터리를 3시간
동안 방치하는 안정화 단계를 거쳤다. 안정화 단계 이후, 완전 방전 – 휴지 – 완전 충전 과정을 수행하였다. 해당 과정은 총 3번 반복되며, 첫
번째 사이클은 배터리의 활성화 목적으로 진행되었고, 세 번째의 사이클에서 셀의 충전 용량과 방전 용량을 측정하였다. 배터리 용량으로 사용한 마지막
충방전 사이클은 그림 7에서 확인할 수 있으며, 해당 데이터에서 측정된 전류를 적산하여 배터리 용량을 측정하였다. 이후, 측정한 배터리 용량을 이용하여 등가회로 파라미터를
추출하기 위해 5%의 용량을 방전하도록 하였으며, 히스테리시스(Hysteresis) 현상을 고려하여 방전이 완료될 때마다 3시간의 휴지기를 갖도록
구성하였다. 이러한 방식으로 총 19회의 방전을 반복하고, 마지막은 배터리를 완전 방전시킴으로써 그림 8과 같이 5% 간격으로 측정된 OCV 데이터를 얻을 수 있었다. OCV 실험 결과를 활용하여 그림 9와 같이 선정된 테브닌 등가회로 모델의 파라미터(R, Rdiff, Cdiff)을 추출하고 OCV-SOC 테이블을 확보할 수 있었다.
그림 7. 배터리 용량 테스트 결과
Fig. 7. Battery capacity test process
그림 8. 배터리 OCV 테스트 결과
Fig. 8. battery OCV test process
그림 9. 온도별 모델 파라미터 (a) SOC-OCV. (b) SOC-R. (c) SOC-Rdiff. (d) SOC-Cdiff.
Fig. 9. Model parameter at different temperature (a) SOC-OCV. (b) SOC-R. (c) SOC-Rdiff.
(d) SOC-Cdiff.
3.3 배터리 상태 추정 목적 알고리즘 설계
그림 10. SOC 상태추정 플로우차트
Fig. 10. The flowchart of SOC estimation
선정된 테브닌 모델을 기반으로 적응 제어 알고리즘인 EKF(Extended Kalman filter)를 선정하였다. EKF는 비선형 시스템에서 상태를
추정하기 위한 기법으로, 재귀적인 알고리즘을 통해 시스템의 상태를 실시간으로 계산하는 방법이다. 그림 10는 SOC 추정하기 위해 측정된 전류와 전압을 이용하여 SOC를 계산하는 과정을 나타낸다. 식 2은 시스템의 상태방정식으로 1차 등가회로 모델과 전류 적산 방법을 기반으로 작성되었다. 식 3는 측정방정식으로 실제 측정된 배터리 전압과 계산된 단자 전압을 비교하기 위해 SOC와 Vdiff로부터 계산된 배터리 전압을 의미한다. 상태방 정식과
측정방정식 오차 분산을 각각 Qk, Rk라 하고 변환계수 Hk, 오류 공분산 Pk를 이용하여 식 4과 같이 칼만 게인 Kk를 계산할 수 있다. 추정 오차 피드백을 통해 식 5와 같이 SOC와 단자 전압을 지속적으로 추정할 수 있다 [20].
하지만 SOC는 실제로 측정할 수 없는 지표로써 [21], 추정 정확성에 대한 문제가 발생할 수 있다. 이러한 문제를 해결하기 위해 배터리 팩을 구성하면서 설정한 상한 전압에 도달하였을 때 SOC 값을 1로,
하한 전압에 도달하였을 때 SOC 값을 0으로 초기화 하도록 설계하였다.
3.4 EKF 기반 SOC 추정 결과
EKF를 활용한 SOC 추정은 단 셀 방전 테스트를 통해 진행되었다. 그림 11은 각 셀의 EKF 기반 SOC 추정 결과와 기준치인 전류적산법을 기반으로 추정한 SOC 값을 나타낸다. 추정 결과는 그림 12와 같이 -15℃에서 최대 추정 오차 –2.4726%, 25℃에서 최대 추정 오차 –2.2085%, 45℃에서 최대 추정 오차 –2.7392%로 나타났으며,
해당 테스트는 배터리 셀이 방전 종지 전압(Discharge cut-off voltage)에 도달할 때까지 진행되었다. 해당 과정을 통해 전압과 SOC
변화에 따른 방전 구간별 특성을 분석할 수 있다. SOC는 일부 구간에서 실제 값과 일치하는 양상을 보였다. 특히 중간 및 높은 SOC 영역에서 높은
추정 정확도를 나타냈지만, SOC가 낮은 영역에서는 추정 오차가 증가하는 경향을 확인할 수 있다. 이는 낮은 SOC 영역에서 전압 변화율이 급격해지고,
OCV-SOC 곡선이 비선형성을 갖게 되는 특성에 기인한 것으로 보인다.
그림 11. 25℃에서의 SOC 상태추정 결과
Fig. 11. The result of SOC estimation at 25℃
그림 12. 온도별 SOC 추정 오차
Fig. 12. Variation of SOC estimation error at different temperature
4. 실험 구성 및 수동 셀 이퀄라이저 테스트 결과
4.1 실험 구성
본 연구에서는 대용량 배터리 팩을 모사하기 위해 단일 셀 기준 20Ah의 20S1P 직병렬 구성으로 제작된 배터리 팩을 이용하였다. 배터리의 성능은
온도에 매우 민감하게 반응하기 때문에, 이를 위해 항온 챔버를 사용하여 시험 환경 내 온도 변동을 최소화하였다. 항온 챔버는 배터리 팩을 일정한 온도로
유지하여 배터리 성능이 온도에 따라 달라지는 문제를 방지할 수 있다. 이는 일정한 온도를 유지함으로써 배터리 팩에 대한 실험의 신뢰성을 높일 수 있다.
그림 13와 같이 전체 실험은 20S1P 배터리 팩과 제작 BMS, 파워서플라이, PRA(Power relay assembly), 노트북을 이용하여 구성하였다.
제작 BMS와 컴퓨터 간의 통신은 CAN과 UART를 통해 이루어졌다. CAN 통신은 정해진 프로토콜에 따라 명령을 송수신하여 밸런싱 회로를 제어하기
위해 사용하였고, CMU에서 측정된 전압 및 온도 데이터와 BMU에서 추정된 배터리 상태정보를 수신하기 위해 사용되었다. 컴퓨터는 UART를 사용할
수 없으므로, UART to USB 변환기를 활용하여 컴퓨터에서 배터리 팩 내 모든 셀 전압과 그 외 측정 데이터를 수신 및 저장할 수 있도록 테스트
환경을 구성하고, 이를 통해 BMS에서 측정한 배터리 관련 데이터를 저장할 수 있도록 구성하였다.
표 2. 배터리 팩 사양
Table 2. Battery pack specification
|
Item
|
Specification
|
|
Battery type
|
20S(Serial), LTO
|
|
Nominal voltage
|
47.0V
|
|
Voltage range
|
30.0V ~ 54.0V
|
|
Nominal capacity
|
20Ah
|
그림 13. 밸런싱 기준별 가용 용량 테스트를 위한 장비 구성
Fig. 13. Experimental set up
4.2 전압 혹은 SOC 기반 셀 이퀄라이저 테스트 결과
배터리 팩의 인위적인 불균형을 구성하기 위해 외부 장치인 전자 로더를 사용하여 전압은 최대 2.67V와 2.57V로 최대 전압 차이는 약 100mV로
설정하였으며, SOC-OCV 테이블 기반으로 SOC는 약 95.24%와 85.24%로 약 10% 차이나도록 구성하였다.
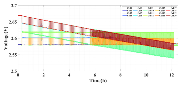
그림 14. 전압 기반 밸런싱 동작에 따른 배터리 팩 내 셀 전압 변화
Fig. 14. Voltage variations under voltage-based balancing operation
그림 15. SOC 기반 밸런싱 동작에 따른 배터리 팩 내 SOC 변화
Fig. 15. SOC variations under SOC-based balancing operation
그림 14와 같이 전압을 기준으로 동작하는 수동 셀 이퀄라이저 테스트 결과는 전체 배터리 팩 내 최대 전압 2.584V, 최소 전압 2.577V로 최대 셀간
전압 편차가 9mV를 갖도록 정렬되었다. 그림 15는 SOC를 기준으로 동작하는 수동 셀 이퀄라이저 테스트 결과를 보여주며, 전체 배터리 팩 내 최대 SOC가 85.05%, 최소 SOC가 84.87%로
최대 셀간 SOC 편차가 0.18%를 갖도록 정렬되어 인위적으로 발생시킨 불균형이 해소되었음을 확인하였다.
전압을 기준으로 수동 셀 이퀄라이저 동작한 후, 배터리 팩의 가용 용량은 약 19.169Ah이고, SOC 기준 불균형 해소 동작 이후 가용 용량은
약 19.493Ah이다. 이는 전압을 기준 밸런싱 한 배터리팩과 비교하여 SOC를 기준 밸런싱한 배터리 팩이 약 1.6%의 가용 용량을 더 갖는다
볼 수 있다. 이러한 용량 차이는 배터리 전압 데이터 측정 오차와 밸런싱 조건별 완료 기준에 따른 불균형 완화 정도 차이로 인해 셀이 최저 전압에
빠르게 도달함으로써, 릴레이가 출력을 차단하여 가용 용량이 감소하였다 볼 수 있다.
이러한 밸런싱 기준별 동작 이후 용량 테스트 결과를 통해 측정되는 센서 노이즈, 셀 이퀄라이저 동작 종료 기준 및 SOC 추정 오차 등과 같이 복합적인
이유에 의해 배터리 팩의 가용 용량이 변화하는 것을 확인하였다.
5. 결 론
본 논문은 대용량 애플리케이션에 대한 수요 증가로 배터리 구조가 복잡해지고, 이에 따라 발생하는 모듈 혹은 랙 간 불균형을 해결하기 위한 수동 셀
이퀄라이저의 동작 기준별 배터리 팩의 가용 용량을 분석하여 가용 용량을 최대화 할 수 있는 방법을 제안하였다. 이를 위해 수동 셀 이퀄라이저를 포함한
BMS의 회로를 설계하고, 설계된 회로를 기반으로 실제 PCB로 제작하여 실물 BMS를 제작하였다. 배터리의 주요 상태 지표인 SOC는 직접 측정이
불가능한 값으로, 이를 추정하기 위해 BMS에 탑재할 수 있는 알고리즘을 설계하기 위해 적절한 등가회로 모델을 선정하고 해당 모델의 파라미터를 추출하기
위해 용량 및 OCV 테스트를 수행하였다. 이후, 선정 모델 기반으로 동작하는 EKF를 구성하여 BMS 내에서 SOC를 추정할 수 있도록 설계하였다.
측정된 전압을 기반으로 동작하는 수동 셀 이퀄라이저와 추정된 배터리 SOC를 기반으로 동작하는 수동 셀 이퀄라이저를 구현하고, 20S1P 직병렬로
연결된 LTO 배터리 팩과 제작된 BMS를 이용하여 테스트 환경을 구성하였다. 이렇게 구성된 테스트 벤치를 기반으로 BMS에서 측정된 전압 또는 추정된
SOC를 바탕으로 인위적으로 발생한 불균형을 해소하기 위해 수동 셀 이퀄라이저의 동작을 유도하고, 불균형 해소 이후 배터리 팩의 가용 용량을 측정하기
위해 배터리 용량 측정 시험을 추가로 진행하였다. 테스트 결과 SOC를 기준으로 동작하는 방법이 전압 방법과 비교하여 약 1.6%의 높은 가용 용량
갖는 것으로 나타났다. 이러한 결과는 전압 센서 노이즈로 인한 측정 오차, SOC 추정 오차, 전압과 SOC 간 밸런싱 완료 조건의 차이 등이 복합적으로
작용하여 발생한 결과로 분석할 수 있다. 이러한 결과를 바탕으로 향후 연구에서는 밸런싱 동작에 따른 배터리 팩의 가용 용량을 증가시키기 위해 추가적인
시나리오를 구성하고 이를 테스트하여 결과를 비교 분석할 예정이다. 대용량 배터리 팩을 사용하는 애플리케이션의 빠른 불균형 해소를 위해 밸런싱 전류를
높일 수 있는 테스트 환경을 구성하고, 기존 시스템의 결과와 비교하여 밸런싱 전류의 크기가 가용 용량에 미치는 영향을 분석하고자 한다. 또한, 전압
기반 밸런싱의 한계로 지적되는 배터리 수명 저하 문제를 고려하여, 배터리의 잔여 수명을 나타내는 지표인 SOH(State of health)를 설계된
BMS에서 추정하기 위해 새로운 알고리즘을 설계하여 BMS 내에 탑재하여 SOH을 추정하고 추정된 정보를 기반으로 밸런싱 기준이 되는 전압을 유동적으로
조정할 수 있는 새로운 밸런싱 전략을 개발할 예정이다. 이러한 연구는 BMS에 탑재하여 실시간으로 적용할 수 있으며, SOC 추정 대한 정확성이 높은
추가 알고리즘을 구현함으로써 밸런싱을 통한 배터리 팩의 가용 용량을 최대한으로 사용하고, 밸런싱에 사용되는 에너지 효율성을 더욱 증가시킬 수 있을
것으로 기대된다.
Acknowledgements
This research was supported by the 2024 government (Ministry of Trade, Industry and
Energy) through the Korea Institute of Energy Technology Evaluation and Planning (Project
No. RS-2024-00398346, Development of ESS Big Data-Based O&M and Asset Management Technology
and Workforce Training) and by the Materials & Parts Technology Development Program
(00404229, Development of thermal management technology for large-capacity batteries
above 80kWh using direct cooling technology funded by the Ministry of Trade, Industry
& Energy (MOTIE, Korea).
References
S. B. Wali, M. A. Hannan, 2022, Grid-connected lithium-ion battery energy storage
system: A bibliometric analysis for emerging future directions, Journal of Cleaner
Production, Vol. 334, pp. 130272

S. Liu, Y. Wang, Q. Liu, 2024, Thermal equalization design for the battery energy
storage system (BESS) of a fully electric ship, Energy, Vol. 312, pp. 133611

Zhan Ma, 2020, Multilayer SOH equalization scheme for MMC battery energy storage system,
IEEE Transactions on Power Electronics, Vol. 35, No. 12, pp. 13514-13527

Mohamed Daowd, 2011, Passive and active battery balancing comparison based on MATLAB
simulation

Lingjun Song, 2020, Lithium-ion battery pack equalization based on charging voltage
curves, International Journal of Electrical Power & Energy Systems, Vol. 115, pp.
105516

Utpal Kumar Das, 2020, Advancement of lithium-ion battery cells voltage equalization
techniques: A review, Renewable and Sustainable Energy Reviews, Vol. 134, pp. 110227

Javier Gallardo-Lozano, 2015, A novel active battery equalization control with on-line
unhealthy cell detection and cell change decision, Journal of Power Sources, Vol.
299, pp. 356-370

Fei Feng, 2019, A review of equalization strategies for series battery packs: variables,
objectives, and algorithms, Renewable and Sustainable Energy Reviews, Vol. 116, pp.
109464

Nourallah Ghaeminezhad, 2021, Active cell equalization topologies analysis for battery
packs: A systematic review, IEEE Transactions on Power Electronics, Vol. 36, No. 8,
pp. 9119-9135

Jie Lv, 2021, Performance and comparison of equalization methods for lithium ion batteries
in series, International Journal of Energy Research, Vol. 45, No. 3, pp. 4669-4680

Neil Samaddar, N. Senthil Kumar, R. Jayapragash, 2020, Passive cell balancing of Li-ion
batteries used for automotive applications, Journal of Physics: Conference Series,
Vol. 1716, No. 1

Rachad Moumni, 2024, Enhancing passive cell balancing techniques for electric vehicles,
Studies in Engineering and Exact Sciences, Vol. 5, No. 1, pp. 1135-1151

Jun Chen, 2022, Impact of battery cell imbalance on electric vehicle range, Green
Energy and Intelligent Transportation, Vol. 1, No. 3, pp. 100025

Mustafa Yağcı, Önder Orbeyi, 2024, Programmable logic controlled lithium-ion battery
management system using passive balancing method, Journal of Radiation Research and
Applied Sciences, Vol. 17, No. 2, pp. 110927

Sudarshan L. Chavan, Manjusha A. Kanawade, Rahul S. Ankushe, 2025, An effective passive
cell balancing technique for lithium-ion battery, Next Energy, Vol. 8, pp. 100258

Tiezhou Wu, 2019, Voltage-SOC balancing control scheme for series-connected lithium-ion
battery packs, Journal of Energy Storage, Vol. 25, pp. 100895

Shuyin Tan, 2022, Coordinated control strategies for unbalanced voltage suppression
and optimization of SOC of battery in a bipolar DC microgrid with voltage balancer,
Energy Reports, Vol. 8, pp. 13199-13210

Abhishek Singh, Kirti Pal, C. B. Vishwakarma, 2023, State of charge estimation techniques
of Li-ion battery of electric vehicles, e-Prime-Advances in Electrical Engineering,
Electronics and Energy, Vol. 6, pp. 100328

Daobao Luo, Xin Hu, Wujun Ji, 2024, Construction of battery charge state prediction
model for new energy electric vehicles, Computers and Electrical Engineering, Vol.
119, pp. 109561

Jaemoon Lee, Oanyong Nam, B. H. Cho, 2007, Li-ion battery SOC estimation method based
on the reduced order extended Kalman filtering, Journal of power sources, Vol. 174,
No. 1, pp. 9-15

Islam Md Monirul, Li Qiu, Rukhsana Ruby, 2024, Accurate SOC estimation of ternary
lithium-ion batteries by HPPC test-based extended Kalman filter, Journal of Energy
Storage, Vol. 92, pp. 112304

저자소개
Integrated M.S.–Ph.D. Candidate, Department of Electrical Engineering, Chungnam National
University (2023–Present)
M.S. Candidate, Department of Electrical Engineering, Chungnam National University
(2024–Present)
M.S. Candidate, Department of Electrical Engineering, Chungnam National University
(2024–Present)
Associate Professor, Department of Electrical Engineering, Chungnam National University
(2016–Present). Adjunct Professor, Eco-Friendly Smart Vehicle Research Center, Korea
Advanced Institute of Science and Technology (KAIST) (2018–2020). Associate Editor,
Journal of Power Electronics (JPE) (2015–Present). IEEE Senior Member (2019 – Present).
Director of Research and Business Affairs of this Society (2020–Present).